千葉市立加曽利貝塚博物館 > 総合案内 > 「館長の考古学日記」更新しました。
ここから本文です。
更新日:2026年3月8日
さて、考古学・歴史学で房総半島のあわびががぜん注目されるようになるのは奈良時代以降、文字記録によってです。
とくに寧楽(奈良)の都から出土する、木簡(もっかん)という、当時の木の荷札の文字です。
木簡は、諸国から都にあつめられる租税(そぜい)につけられた荷札で、どこのだれがなにを送ったのかが書かれていました。
当時の「税」と聞くと、お米をイメージするかもしれませんが、都にあつめられたのは、諸国の特産物・・・「調(ちょう)」などとよばれた種類の税でした。
木簡の文字から当時の諸国の特産物がわかるのですが、房総半島の南の「安房(あわ)国」「安房郡」のそれは干したあわび(のしあわび)だったことがわかっています。
縄文時代に潜水漁で採取されていたあわびは、奈良時代には全国ブランドになっていた!
加曽利貝塚出土のあわび、「あわび形土器」はその「はしり」を象徴するものかもしれません。
安房は磯の海に囲まれていたから、あわびが特産物になった・・・とうぜんだよね・・・と簡単に終わらせるわけにはいきません。
当時の安房郡の下の行政区画に「郷」がありました。
木簡には、どこからの品か書かれていると紹介しましたが、その安房国のあわびのなかには「大井(おおい)」といった郷からのものがあります。
この「大井」、現在の館山市の、外房と内房の海にはまれたちょうど中間の内陸にあったとかんがえられています。
「大井」の人びとはどうやってあわびを準備していたのでしょうか?
自分で海まで行って、海にもぐっていたのでしょうか?
それとも海沿いであわびをとっている人びとからあわびをゆずってもらっていたのでしょうか?
加曽利貝塚のなぞかけとおなじようになってきました。
海にもぐってあわびをとった、はこんだ、たべた・つかった・・・そういう大きなながれはわかってきましたが、それにかかわった人びとのくわしい行動・行為については、あわびの「特産地」の中ですらまだまだナゾにつつまれています。

安房郡大井郷小野里の住人の矢作部真刀良が、数量は判読できませんが、天平7年(735)12月に調としてあわびをおくったことが書かれた平城京跡から出土した木簡です
出展:「木簡庫」(https://colbase.nich.go.jp/?locale=ja)

木簡にみられるあわびを都におくった安房郡の郷名。
(千葉県2001『千葉県の歴史-通史編古代2』より引用しました。)

海にもぐればあわびをとることができる、わけではありません。
岩礁にまぎれたその姿をみつけること、そして岩にかたくはりついたあわびをはがすテクニックと道具が必要です。
その道具は現在、「あわびおこし」「いそがね」なととよばれる鉄製の道具がつかわれています。
南房総市沢辺(さわべ)遺跡では、7世紀以降のものとみられる、シカの角をななめに切った道具が出土しており、「いそがね」につかわれていた可能性があります。
(白浜町2003『青木松山遺跡・沢辺遺跡発掘調査報告書』より引用しました。)
「加曽利B式展」は3月1日で終了しましたが、「あわび形土器」はひきつづき常設展示でご覧いただけます。
「あわび形土器」をつくった人、持っていた、つかっていた人のことに思いをめぐらせてご覧ください。
縄文時代には潜水漁があった可能性がたかい・・・
それでは、あわびのいない東京湾東岸の加曽利貝塚まで、あわびはどのようにもたらされたのか?
可能性をあげるならば、加曽利の人が外房沿岸まで行って自分でとる、行って現地でとられたあわびを入手して持ち帰る、外房沿岸の人が加曽利に持ってきた、外房沿岸と加曽利のあいだの人がリレーした・・・といったところが、いまの私たちが「常識的」にかんがえる候補でしょうか。
加曽利の人が東京湾岸の遠浅の海で泳げるとしても、外洋に面した荒波うちよせる磯の海で泳げる?
さらに泳ぐと、もぐるではおおちがい・・・オリンピック出場の競泳選手だからといって、ジャック・マイヨールさん(リュック・ベッソン監督映画『グラン・ブルー』主人公のモデルで、館山の海をこよなく愛した世界的フリーダイバー)とまではいわなくとも、深くもぐることはできる?
もうひとつのなぞ・・・貝殻だけが運ばれたのか?それとも身がついた状態で運ばれたのか?
あわびの貝殻は、縄文時代以降も房総半島の遺跡から断片ですが出土することがあります。
たべる身だけでなく、貝殻もはこばれる理由は?
三浦半島の洞穴(洞窟)遺跡からは、あわびの殻のへりを刃にした「貝刃(かいじん)」が出土しています。
この貝刃は、弥生時代中期後半からあらわれ、2個の穴があいている外観が弥生時代の石庖丁(いしほうちょう)に似ていることから、「貝庖丁」などとよばれています。
加曽利貝塚でもハマグリなどの二枚貝の殻を道具につかった痕跡が確認されていますが、縄文時代にあわびの殻を道具につかったのでしょうか?
ここで55年前の個人的な思い出をひとつ。
小学生のころ、近所の遊び場のひとつにかつての農地だった場所がありました。
そこには金アミをはった小さな小屋があり、くずれかけた屋根の軒にたくさんのあわびの貝殻がつるされていました。
なぜ、あわびの貝殻がつるされているのか?
そのはなしを親にすると、「その小屋はニワトリ小屋で、あわびはイヌやネコなどの動物からニワトリをまもるための、おどしだろう」とのこと。
あわびの殻の内側が、太陽の光を反射してきらきら光って、動物をとおざける・・・庭先に水をつめたペットボトルをおくのとおなじような効果が期待されていたようです。
暗い深い海の底からやってきた貝の内側が、虹色の神秘的な光をはなつ・・・そこに縄文時代の人びとも魅了された、あるいは逆に恐れおののいたかもしれません。

神奈川県間口洞窟追跡出土の「貝庖丁」。
ハマグリの貝刃も出土しています。
(神奈川県立博物館1974『神奈川県立博物館発掘調査報告書』第8号より引用しました。)

千葉市の史跡月ノ木貝塚出土の耳飾り。
環状耳飾りの中心に、あわびの殻をけずった円盤をはめています。

東南アジア大陸の山地の中でくらす人びと(タイ・カオ)の祭礼。
村の長老が肩からタカラガイをつないだ装飾品をかけて剣舞をおどります。
貝は、海から遠くはなれた場所・社会で重要な役わりをはたすことがあります。
縄文時代の人びとはあわびの貝殻がうちあげられる偶然だけ待っていたのでしょうか?
たしかに偶然だからこそあわびは貴重で、それがはるばる加曽利貝塚までもたらされ、それをうらやましそうに見ていた人がまねて「あわび形土器」をつくった・・・なんてことはあるかもしれません。
しかし、縄文時代後期の館山市鉈切洞穴遺跡では、あわびだけでなく、さざえなど海にもぐってとる貝殻が出土しており、とても偶然とはかんがえられません。
それでは、縄文時代の人が海にもぐっていた、もっとはっきりした痕跡、形跡はないのでしょうか?
中国の歴史書『魏志(ぎし)』のなかの「倭人伝」には、倭人(わじん)がうみにもぐって魚貝類をとっていたとする記述があります。
弥生時代に潜水漁があったとすると、それは縄文時代までさかのぼる?
縄文時代貝塚から出土する埋葬人骨にその痕跡が指摘されています。
それは外耳道外骨種(がいじどうがいこつしゅ)・・・外耳道の骨が増殖して耳道(耳の穴)をふさぐ症状。
その原因は、つめたい水の中にひんぱんにはいる、長時間つかっていることにあります。
縄文時代の人骨のなかに、この外耳道外骨種の痕跡がある!
このことは1920年代からしられていました。
当時の日本考古学では、日本人・民族のルーツに関心がむけられ、その調査・研究において形質人類學研究者、つまり古人骨の研究者が活躍していました。
その代表的な研究者、長谷部言人(はせべ・ことんど)さんは岩手県大船渡の貝塚、清野謙次(きよの・けんじ)さんは広島県大田貝塚で出土した人骨に外耳道外骨種があることに気づきます。
当時はまだその原因は特定されていませんでしたが、その後、水泳選手など冷たい水につかる頻度の高い人に多くあらわれることが指摘され、日本でも全国的な海女・海士の調査がおこなわれてそのことが確認されています。
このことによって、縄文時代でも潜水漁がおこなわれていた可能性がたかくなりました。
あわび以外にも考古資料の中に縄文時代の人が潜水していたことをしめすモノがあります。
それが黒曜石・・・それも球状の黒曜石塊。
これは、神津島の海沿いの黒曜石露頭からくずれ落ちた黒曜石のかたまりが海の底で海流にもまれてころがり、角がとれて丸くなったかたまり。
つまり、海の底にころがっていた黒曜石・・・「縄文のローリング・ストーン」です。
その球形黒曜石塊が市原市祇園原貝塚から出土しています(2021年10月20日「過去をうつしだす玉」をご覧ください)。
これなども、縄文時代の人が海にもぐっていたことをうかがわせます。

外耳道外骨種はサーフィンをする人にも発症しやすいことから、「サーファーズ・イヤ(サーファーの耳)」ともよばれます。
加曽利貝塚出土のあわび形土器はとても写実的なので、実際にあわびをみている、しっている人がつくった、そして実際に貝塚からあわびの殻が出土している。
そのモデルとなったあわび、どこからきた?
それはとうぜん海でしょ!
しかし、加曽利貝塚からすぐにアクセスできる東京湾の海岸にはあわびはいません。
房総半島であわびが生息するのは、いわゆる外房(そとぼう)とよばれる太平洋沿岸南部の磯(いそ)、あるいは東京湾をへだてた三浦半島の磯の海です。
さらにうまれたばかりのあわびの幼貝は、磯の浅い水深でくらしていますが、成長するにつれて深い海へと移動していきます。
つまり、「あわび形土器」のモデルほどのあわびを人がとるには、外洋の波がうちよせる磯でもさらに深い海中にもぐる必要があります。
そのため、現在でも天然あわびは海女・海士(いずれも「あま」)による採取、つまり潜水漁(せんすいりょう)でとられています。
縄文時代の人びとがあわびに出あうためには、深い海にもぐっていたか、あるいは死んだあわびの貝殻が、たまたま磯浜にうちあげられたかのいずれかでしょう。
おなじく深い海に生息する二枚貝のベンケイガイは、台風などによる荒波がうちよせた翌日には、浜に貝殻がうちあげられており、それが貝輪の材料になったとみられています。


浜に打ちあげられたベンケイガイ。
画像は、タヌキの画像とおなじく、当館で貝輪づくりをご指導いただいている柿原英明さんからご提供いただきました。

加曽利貝塚出土ベンケイガイの貝輪。

千葉市さら坊遺跡出土の貝輪をはめた埋葬人骨。
昨年度までの「あれもE、これもE-加曽利E式土器」をご覧になったみなさまには、今年度の「加曽利B式展」はそれとずいぶん雰囲気が「ちがう」ことにお気づきでしょう。
そのちがいのひとつに、加曽利B式土器にはさまざまな形(器形)の土器があることがあげられます。
加曽利E式土器はもっぱら深鉢形土器を中心に、浅鉢形土器などかぎられた器形・器種の土器がくわわります。
それに対して加曽利B式土器では、「あわび形土器」のようなちいさなお椀や、注ぎ口のある「注口土器(ちゅうこうどき)」、さらに「異形台付土器」といった、どうつかわれていたか、どう分類してよいか、なやむような土器の種類がふえます。
原則、縄文土器に銘々器(めいめいき)の役わりをもつ土器はみとめられません。
銘々器とは、いまのごはん茶碗や湯のみ、汁椀など食事のときに個人に属して、個人がつかう食器のことです。
銘々器が土器にはっきりあらわれるようになるのは、弥生~古墳時代、とくに古墳時代後半以降です。
縄文時代には、さまざまな形の土器がつくられますが、食事で個人がつかう「食器」としてつくられ、つかわれた器種は特定されていません。
また、縄文時代後期以降、液体をそそぐ注口土器はあっても、その液体をうける器・お椀といっしょに出土することはありません。
もしかすると、木製のお椀などがあって、遺跡ではのこりにくいのかもしれませんけど・・・そのような木のお椀があったかもはっきりしていません。
縄文土器の深鉢で肉や魚、貝などを煮て、クリやトチノミなどのでんぷんでとろみをつけた「縄文なべ」・・・どうやってたべていたのでしょうか?
古代にとりおこなわれていたという、熱湯に手をいれてやけどするか、しないかで占う盟神探湯(くがたち)のように食べた?
さまして煮こごりのようにして食べた?
縄文時代には、そういう基本的なことにもナゾがのこっています。

加曽利B式土器の「お椀」形土器。
あわび形土器とおなじく楕円形ですが、食器のようにつかったのでしょうか?


さまざまな造形の加曽利B式土器をお楽しみください。
食器だけでなく、お箸や匙(さじ・スプーン)などの道具(いまでいうテーブルウェアやカトラリー)はあったのでしょうか?
縄文時代は貝殻などを匙につかった?
残念ながら、そのような使い方をした証拠も確認されていません。
ところで、丸木舟で紹介した奄美大島では、縄文時代から貝殻を匙のように加工した製品(貝匙・かいさじ)が出土するようになり、古墳時代~奈良時代にはそれをさかんにつくっていた遺跡がみつかっています。
鹿児島県奄美市名瀬小湊フワガネク遺跡では、大形の巻貝・夜光貝(やこうがい)の殻から匙をたくさんつくっていたことがわかっています。
夜光貝の殻はみがくとあわびの内側のように虹色の光沢をもちます。
これがいまでいう「匙」であって、テーブルウエアのスプーンとおなじようなつかわれ方をしたのかはわかりません。
小湊フワガネク遺跡出土品は2016年に重要文化財に指定され、奄美市立奄美博物館に展示されています。
貝匙の画像は、奄美市教育委員会・奄美市立奄美博物館様からご提供いただきました。


夜光貝。
奄美市内の飲食店のカウンターで撮影させていただきました。


じつは加曽利貝塚では銘々器が出土しています。
博物館の展示室内にありますので、さがしてみてください。

現在、当館で開催中の企画展「加曽利B式土器-加曽利の名をもつもうひとつの土器」(会期:2026年3月1日まで)では、展示品それぞれが展示の「めだま」です。
でも、「めだま」のなかでもさらに「めだま」があるとするならば、加曽利貝塚出土の「あわび形土器」をあげたいとおもいます。
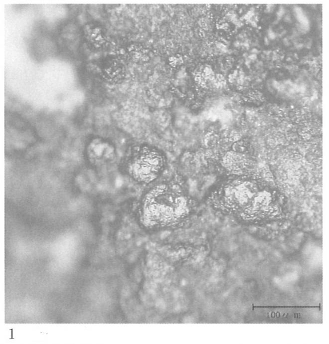
この土器は、特別史跡加曽利貝塚のなかで、南貝塚の外側、「東南斜面」とよばれる場所で出土した土器です。
展示用にきれいに復原されていますが、縁の一部は欠けています。
それでも楕円形の側面にあわびの貝殻特有の「穴」が表現されるなど、リアルさがつたわります。
現在でもあわびは食味でも食感でも高級食材とされていますので、海の幸に敏感な縄文時代の人びとも見のがすはずはない!?
実際に加曽利貝塚でもあわびの貝殻が出土しています。
加曽利貝塚出土のリアルな「あわび形土器」は、実物のあわびを見て、モデルにしてつくられたのではないでしょうか。



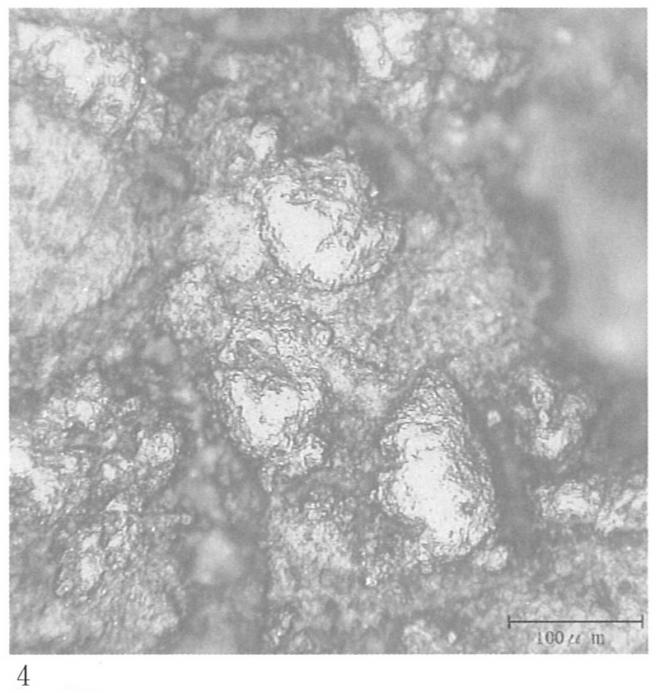
現在開催中の企画展「加曽利B式土器展」に展示中の「あわび形土器」。


現生のあわびの貝殻。
貝殻側面につく穴は、水を吸って呼吸したり、卵などを放出するためのもので、通常は4~5個あって成長によって貝殻が大きくなるにつれ、ふるい穴がふさがって外側に新しい穴があきます。
お節料理につかわれたあわびの貝殻なので、小さな個体の画像になったことをご容赦ください。
昨年11月、当館では縄文時代の丸木舟に焦点を当てたパネル展および特別研究講座「縄文人と丸木舟」を開催しました(いずれも終了)。
特別研究講座では、さまざまな分野から丸木舟とはなにかにせまる研究成果を、それぞれの分野の研究者のみなさまからおはなしをいただき、たいへん好評をいただいたところです。
そのなかには、近い過去の丸木舟の使用方法、つまり民俗・民族事例があり、民俗事例はもっぱら北日本の沿岸漁撈につかわれていた丸木舟について紹介されました。
とおくはなれた南洋諸島ではなく、最近まで日本列島でも丸木舟がつかわれていたなんて!とおどろかれた方もおおかったようです。
開催後にはなりましたが、日本列島の南にも近い過去まで丸木舟がつかわれ、現在も資料としてのこされている場所があるので、ここで紹介します。
その場所とは、鹿児島県奄美大島(あまみおおしま)。
奄美大島では、数十年前まで、海沿いの集落や田畑のあいだを行き来する、沿岸で漁をするのに丸木舟がつかわれていました。
奄美大島の海岸にはサンゴ礁があるので、そのような浅い海を航行するのには船底のじょうぶな丸木舟が適していたのでしょう。
使用していたときの記録写真が残っており、船内には水が見えます・・・特別研究講座で「船内に侵入する水をくみ出すのがたいへん」というおはなしを思いおこさせます。
このような「水のくみ出し」には道具が必要ですが、それにはヤシ殻やヒョウタンのような容器が適していたかもしれません。
それならば、海をこえて舟で日本列島にやってきた人類は、それにあわせてヒョウタンもたずさえてきたのでは!?
縄文時代のもっとも古い外来植物の痕跡のひとつにヒョウタンがあるのも、(栽培していたかはべつとして)舟の利用とむすびつけたくなります。
現在、奄美大島の丸木舟は奄美市歴史民俗資料館(奄美市笠利町)、奄美市立奄美博物館(奄美市名瀬長浜町)、原野農芸(はらののうげい)博物館(奄美市住用町)で見学することができます。
南洋諸島のカヌーなどの丸木舟は、国内でも国立民族学博物館(大阪府)などで見ることができますが、おなじ展示品であっても、実際につかわれていた場所の環境、風土の中で見ることは、あらたな気づき、発見につながることでしょう。


奄美市歴史民俗資料館(笠利町)に展示されている丸木舟。
画像掲載にあたり、奄美市教育委員会・奄美市立奄美博物館様のご協力をいただきました。


1958年に撮影された奄美大島の丸木舟(芳賀日出男さん撮影・奄美市教育委員会所蔵)。
丸木舟の使用方法がよくわかる貴重な写真です。
写真は奄美市教育委員会・奄美市奄美博物館様より提供いただきました。


原野農芸博物館に展示されている奄美大島のものとみられる丸木舟(原野農芸博物館所蔵)。
1925年ころ、愛媛県宇和島の日振島に漂着し、現地の教育家・森岡天涯(もりおか・てんがい)さんが保存に尽力した丸木舟です。
構造の特徴から奄美大島のものと考えられ、90年の時をこえて2019年、奄美大島への「帰港」をはたしました。
原野農芸博物館にはこのほかにも奄美大島でつかわれていた丸木舟がもう1艘展示されています。

国内有数の東南アジアの農業・芸能関係のコレクションをもつ原野農芸博物館では、タイの内水面(河川)航行用の丸木舟も展示されています(原野農芸博物館所蔵)。
奄美大島の沿岸航行用の丸木舟とのちがい・・・側舷のたちあがりなど・・・をみくらべることができます。
画像掲載に当たり、一般財団法人奄美文化財団・原野農芸博物館様のご協力をいただきました。
さて、サイト1の9~11世紀以降、サイト2の紀元前6世紀よりふるい、もしかすると紀元前2千年紀までさかのぼるかもしれない・・・どちらが妥当な年代なのか?
サイト2の調査者は、光ルミネッセンス測定法が「信頼性・確度の高い測定方法」と判断して、サイト1の放射性炭素14年代測定の結果を、石壺周辺の墓壙から混入した炭化物を測定した可能性をあげています。
そして、石壺群がおかれたあと、その周囲の地中に穴を掘ったお墓がつくられた・・・お墓と同時か、つくられたあとに石壺がおかれた順番と逆の解釈をしています。
こうなるとまた石壺の年代をめぐるナゾはふり出しに?・・・というよりもふるくなる?
新田栄治さんは、層位の観察結果から、お墓のつくられる順序、つまり遺跡が形成される過程をたどって年代観をしめしました。
そして、その後の放射性炭素14年代測定法の成果も、それにちかいものでした。
新田さんが考古学的に層位から遺跡の形成過程をしめしたのですから、その後の考古学的調査でも、まずはそれが検証されるべきですが、これまでのところ、そのような調査・検討がおこなわれた報告は見あたりません。
ましてや年代測定サンプルの信頼性、炭化物の混入にうたがいをむけるならば、なおさら層位から検討されるべきでしょう。
たしかに東南アジア大陸部内陸の土地は地質学的にふるく、長年の風化によって表土が侵食されて重い鉄分など金属成分が土中にのこり、それが雨季と乾季をくりかえして水につかったり乾いたりしていると、赤く酸化した土となるため、見た目では地層の変化がわかりづらくなっています。
そのため、「層位で」というのは、外野が言うほどかんたんではないかもしれません。
しかし、考古学的な層位からの解釈を考古学自身が批判・否定するのならば、まず層位の議論からなされるべきでしょう。
層位の検証と解釈のないまま、年代測定の結果のちがいを炭化物の混入とかたづけるのはどうでしょうか?
バンチェン遺跡やジャール平原の石壺群における年代の問題は、理化学的年代測定法への信頼性を否定するものではありません。
測定方法の種類がふえ、測定精度が高まったとしても、測定サンプルはつねにさまざまな環境にあるので複数おこなう、そして複数の分析方法をつかって検証することが必要です。
いまでも、いつでも、どこでも「バンチェン・ショック」はおこりうる・・・だからこそ、その検証方法には理化学的年代測定法だけでなく、考古学的方法もいっしょにおこなう必要がある・・・
理化学的年代測定のためのサンプルもまた、考古学的調査方法によって採取しているのですから。
バンチェン遺跡も「ジャール平原の石壺群」も加曽利貝塚とは関係のない場所・時代の遺跡の調査・研究をめぐるおはなしでしたが、考古学という研究方法、とくに考古学が理化学的方法とどうつきあっていくのかをかんがえるため、ここで紹介してみました。

その後も本格的な発掘調査がないまま、石壺群の年代を青銅器と鉄器の出土品などから鉄器時代初頭・・・つまり紀元前5世紀までさかのぼらせる見方などが出てきます。
また、その性格は棺説、石壺内に遺体をおさめて骨だけになると周囲の墓壙におさめる「二次埋葬」説などが出されます。
そして、2016年から5か年計画で石壺群・サイト1で発掘調査がおこわれました。
この一連の調査では、コラニーさん以来の発掘調査で知られていたことー石壺群のまわりに土壙墓や骨壺、敷石遺構などがあることーを再確認したほか、小児を埋葬したお墓が発見されるなど、大きな成果がありました。
石壺そのものの年代をしめす資料はえられませんでしたが、石壺の底直下の地層から年代測定用の炭化物が採取されます。
この炭化物を放射性炭素14年代測定法で測定したところ、9世紀から11世紀をしめす傾向がみとめられています(O’Reilly.els,2019,Excavating among the megaliths recent research at the Plain of Jars site 1 in Laos,Antiquity93)。
この測定値は、新田栄治さんが考古学的方法で推定した年代観にちかづくものとなっています。
これでやっと石壺の年代をしぼることができた!・・・となるかとおもわれたところ、それでおわりません。
この石壺群(サイト1)のとなりにある石壺群(サイト2)の調査では、石壺の底の直下から採取した砂を光ルミネッセンス測定法で測定しています。
このとき、いっしょに炭化物を採取して放射性炭素14年代測定をしたところ、時間幅がおおきすぎて年代は特定できなかったようです。
他方、光ルミネッセンス測定法では、測定値のおおくが紀元前6世紀よりもふるい年代をしめしていました(Shawan,els.2021,Dating the megalithic Culture of Laos)。

二次埋葬説の説明(「ジャール平原の石壺群」サイト1ガイダンス施設の展示パネルから)

「ジャール平原の石壺群」の北方、こちらは山の尾根上にあるもうひとつの巨石遺跡、ヒン・タン遺跡。
立石のまわりに墓壙のふたの平たい石がならびます。
この遺跡もマドレーヌ・コラニーさんが発掘調査し、共通する出土品などから石壺群と同時期の遺跡とかんがえています。
コラニーさんによる「ジャール平原の石壺群」の発掘調査後、その場所はラオスの内戦・インドシナ戦争の激戦地となり、調査ができるような状況ではなくなります。
戦争の混乱がおさまったあと、1994年にコラニーさん以来はじめての本格的な発掘調査が考古学研究者の新田栄治さん(にった・えいじ)さんらの調査団によっておこなわれました。
(それ以前にも小さな調査はありました。)
その調査では、石壺のまわりから石のふたをかぶせたお墓とみられる穴、焼けていない人骨・歯、ガラス玉、鉄製ナイフなどが出土したほか、人骨・歯がはいった黒みがかったうわぐすり(釉薬)をぬった円筒形の陶器(陶質土器)が出土します。
そして、石壺自体は地層断面(層位)の観察の結果、特に地下にうまることなく、ただ地表におかれていることを確認し、その重要な意味に注意をむけています。
この成果にもとづいて、層位的に石のふたのある墓壙群と陶器の骨壺をうめた地層のうえに石壺がおかれるという順序が明確に指摘されました。
そうであれば、考古学的方法で石壺の時代を知るには、骨壺の陶器がいつのものか、型式学的な検討が必要となります。
ただし、先にご紹介したように、東南アジアで発掘調査された遺跡・成果はふえつつありながらも、まだ遺跡・地域をこえて型式学的に比較検討できる状況ではなく、まして当時のラオスでは発掘調査自体がほとんどなされていませんでした(1995「ジャーる平原石壺群の発掘調査」『東南アジア史学会会報』63、1995,Comparative Study on the Jar Burial Traditions in Vietnam,Thailand and Laos.Kagoshima Unv)。
それでも新田さんは、東南アジア全域に目をむけて、この陶質土器の骨壺がカンボジアのクメール文化の陶器に共通点があるとして、その時期は9世紀以降と推定します。
(ラオスの広い範囲にクメール文化の影響がおよんでいることは知られていました。)
もし、そうであるならば、石壺はそれと同時期か、それよりもあたらしい、ということになります。

ジャール平原の石壺群出土の骨壺(ラオス国立博物館所蔵)

「ジャール平原の石壺群」のなかにある爆撃のあと。
遺跡のあるラオス・ベトナム国境地域は、1964~1968年に世界でもっとも高密度の爆撃(いわゆる「北爆(ほくばく)」)をうけ、その被害は石壺群におよんでいます。
そのため、ながい時間と大きな労力をかけた不発弾処理がすすむまで、発掘調査はできませんでした
そのような負の歴史をふくめて、「ジャール平原の石壺群」は世界遺産に登録されています。
コラニーさんは、出土した品々から「ジャール平原の石壺群」の性格を、東の太平洋沿岸と西の東南アジア大陸内陸部(コラート平原)、そしてインドをつなぐ内陸交易ルートの拠点を支配した集団のお墓とかんがえました、
そしてその時代をベトナム北部(現在のハノイ周辺)の青銅器時代から鉄器時代にかけてのドンソン文化との関係・・・両者で出土する青銅製鈴などとの共通性、ドンソン文化の銅鼓(どうこ=青銅製ドラム)と石壺との類似性・・・とくにガラス玉を中国王朝がはじめてベトナム北部に進出した漢王朝からもたらされたものとして、その年代を紀元1世紀前後とします。


前回の石壺の画像について、その中がどうなっているのか?大きさがわかりにくい!とのお声をいただきました。
人と写っている画像は紹介できないので、背後の樹木をもとにその大きさをご想像ください。
この石壺群は標準的なサイズの石壺、前回の石壺は「ジャール平原の石壺群」最大の石壺です(横にならぶちいさい石壺が標準サイズ)。

コラニーさんがドンソン文化とのつながりをかんがえた根拠のひとつ、石壺のふた。

ラオス南部で出土した銅鼓(チャムバーサック歴史博物館所蔵)。
同心円の線と動物(これはカエル)の表現が石壺に似ている?
もとは青銅製の平底容器だったものが、ひっくりかえって底を打つドラムにつかわれるようになったとかんがえられています。
バンチェン遺跡のあるタイとメコン川をへだてたラオス、そのまた東のベトナムとの国境ちかい山間の高原に、世界遺産の「ジャール平原の石壺群」があります。
これは名のとおり、大きな砂岩や凝灰岩塊を円筒形にけずり、そのなかを空洞にした「石壺(いしつぼ)」で、通常多数があつまって地上におかれた状態でみることができます。
現地の伝説では、石壺でお酒をつくって、お祝いの席でのんでいたとか・・・いつ、だれが残したものかはわかっていません。
さて、この石壺群を考古学からはじめて関心をむけたのは、フランスの考古学研究者、マドレーヌ・コラニーさんでした。
コラニーさんは、1931~1932年にこの石壺群のひとつ、「バン・アン群」(「アン村の石壺群」という意味)を発掘調査しています。
調査の成果は、石壺内の周辺からガラス玉や青銅製のアクセサリー、小さな鉄製ナイフ、そして人骨が出土しています。
さらにこの石壺群のとなりに洞窟があって、そのなかから焼けた人骨・・・火葬された人骨が出土しました。
これらの成果からコラニーさんは、石壺を火葬した人骨をおさめる棺であること、その時代は鉄器時代であるとかんがえます。

ジャール平原の石壺群
コラニーさんが「バン・アン群」とした石壺群は現在、サイト1と呼ばれています。
その後、高精度の放射性炭素14年代測定法(AMS)が確立し、チャールズ・ハイアムさんらの研究グループによって東南アジアの遺跡でその成果が蓄積されていくと、青銅器時代は紀元前1千年紀の前半、鉄器の出現は紀元前5~3世紀ころとされていきます(Higham.2002.Early Cultures of Mainland Southeast Asia)。
ただし、そのあとも他の遺跡でそれよりもふるい理化学的年代測定値があることや、「最新の年代測定値」は「青銅器・鉄器の普及」をしめすのであって、「青銅器・鉄器の出現」はそれよりさかのぼるはず!というような「最古の文明」への期待感をもった見方がまったくなくなったわけではありません。
しかし、大方は前述の年代観におさまってきており、考古学的な手法によって量博満さんや今村啓爾さんが推測した年代観のほうに近づいています。
(今村さんは、それでもまだふるすぎるのではないかと、さらなる検証の必要性を指摘しています。)
バンチェン遺跡の年代観がふるくなっても疑問がもたれなかった、いや、受けいれられた原因のひとつに、農業地理学研究者のカール・サウアーさんの仮説にあるともされます。
サウアーさんは、農耕の起源は近東や黄河流域など乾燥地帯での穀物栽培はなく、東南アジアのような湿潤な地域で、イモなどの栽培化と川や湿地での安定した水産資源(漁撈)を背景にして発生したとする仮説をだします(1959『農業の起源』竹内常行ほか訳・原著は1952)。
そして、1960年代に東南アジアの遺跡で紀元前9700年とされる炭化種子が出土し、それが栽培種の可能性があるとされると、このサウアーさんの仮説が注目されます。
そのような雰囲気があるなかで、バンチェン遺跡が調査・研究されたことにも留意する必要があるかもしれません。
いまからこの議論を見ると、バンチェン遺跡の「世界最古」派による層位や理化学年代測定値のとらえ方、そしてそれを受けいれてしまった問題は、考古学によるオウン・ゴールのようです。
しかし、当時の考古学で「世界最古」にもりあがる雰囲気のなかにあって、考古学的方法による知見とのおおきなギャップに気づいたのもまた、考古学でした。
「東南アジアに世界最古の文明発見!」という、それまでの常識をくつがえす歴史的発見の衝撃は、「バンチェン・ショック」とよばれました。
ここではそれとちがう意味で、バンチェン遺跡をめぐる考古学研究の混乱をさして「バンチェン・ショック」とよびたいとおもいます。
でも、この「バンチェン・ショック」、過去のできごとなどというわけではなさそうです。
「世界最古の・・・」でなくとも、世界遺産バンチェン遺跡の豊かな出土品の価値はかわりません。
とくに土器・金属器、生産用具、装飾品、そして人骨、動植物遺体をさまざまな研究分野から紹介する博物館は必見です。
遺跡(史跡)・屋外観覧施設・博物館からなる加曽利貝塚博物館と共通する要素があり、その活用(展示)方法は注目されます(赤い帽子は別として)。
タイ王国にお越しの際は、ぜひお立ちよりください。

バンチェン博物館外観

バンチェン様式彩文土器の展示(一部)

発掘後の出土品整理の方法の展示

発掘調査方法の展示(赤い帽子は季節的な演出のようです)

バンチェン遺跡発掘調査地点のガイダンス施設外観

ガイダンス施設内の遺物出土状況復原

おみやげ屋さんのバンチェン様式彩文土器
理化学的年代測定法では、さまざまな理由で測定値に誤差が生じます。
それは土器のなかの鉱物を測定する熱ルミネッセンス測定法もおなじです。
そのため、いくつもの試料を測定する、その測定結果を統計的に検討してもっともらしい測定値を判断する、さらにちがう測定方法をおこない、その測定値とあわせて判断する・・・
バンチェン遺跡の測定でも複数の測定値、熱ルミネッセンス測定法と放射性炭素14測定法の2つの方法をあわせている!
ところがここで量さんや今村さんは、あるカラクリに気づきます。
それは層位が下ほどふるいのだから、測定値も下にいくほどふるいはず・・・とするカラクリ。
バンチェン遺跡では、埋葬のために掘った穴・墓壙(ぼこう)の底に遺体と副葬品をうめています。
その墓壙の底が深い、墓壙の底面が下の地層にあるほど、そのお墓の時代はふるいとしているのです。
これは、お墓の穴はみなおなじ深さで掘られるのだから、墓壙を掘りさげた当時の地表面(層位)が下になる(つまりふるい)ほど底がふかくなる!という理屈です。
(このとらえ方・かんがえ方は東南アジアの考古学調査で一般的でなく、バンチェン遺跡の調査者のひとつの解釈です。)
この理屈によると、ふかいところで出土した人骨や副葬品ほどふるいのだから、年代測定値もふるくなるはず・・・ならば、いくつかある測定値のうち、ふるいほうをえらぶ・・・そうすると下にいくほど加速度的にふるい年代になっていき、「世界最古の文明」になった・・・とういうカラクリ。

バンチェン遺跡の出土状況(再現)。
お墓の場合も、下(ふかい)から出土する人骨や土器ほどふるい?
バンチェン遺跡の彩文土器の熱ルミネッセンス年代測定法による年代のほかに、1974年には放射性炭素14年代測定法による測定がおこなわれ、その結果、紀元前3600年から2900年の間に青銅器時代が、紀元前1600年から1200年のあいだに鉄器時代がはじまったとされました。
いずれも「世界最古の青銅器・鉄器文化」です。
当時の東南アジアでは発掘調査の件数がそれほどではなく、さらに地域がばらばらであったため、型式編年や交差年代の検討などまだまだの状態。
そのなかで、バンチェン遺跡はいつの遺跡なのか?
理化学的分析による結果、しかも複数の方法の結果・・・世界中の多くの考古学研究者はこの測定結果を受けいれて、「世界最古の青銅器・鉄器文化」の存在を認めるようになります。
その一方、少数ですが考古学的な方法・・・型式学とその交差年代・・・周辺地域、とくに東アジア・中国の文物との関連でバンチェン遺跡の出土品との関係をみたばあい、「そんなに古くはならない」とかんがえる考古学研究者がいました。
バンチェン遺跡の調査成果は、調査関係者による概要報告や年代測定結果報告で、正式な調査報告書はいまもありません。
このような断片的な情報では、考古学的な方法での検証はむずかしいのですが、考古学研究者の量博満(はかり・ひろみつ)さんは、バンチェン遺跡で出土している縄目圧痕のある土器・黒色印文土器の地層があって、それに彩文土器がつづくことをふまえて、それぞれの土器にどのような遺物がともなうのか整理して検討します。
その結果、たしかに彩文土器以降に青銅器・鉄器が出土しており、バンチェン遺跡でそれらがつくられた痕跡はあるのですが、それらは東南アジア的な青銅器として最初から完成された形であらわれて、型式的に変化することなく鉄器時代につづくという疑問、そのような青銅器にクワなどの生産道具はなく、斧や装身具、武器ばかりにかたよることへの疑問をあげています(1977「バーンチェン文化」『バンチェン陶大観』)。
けっきょく、土器の型式的な変化の検証、それにともなう金属器などほかの遺物の組みあわせとその変化があいまいなまま、理化学的年代測定の測定値だけがクローズアップされたということです。
今村啓爾(いまむら・けいじ)さんは東南アジア各地の調査成果を比較しながら、バンチェン遺跡の年代観を検証し、そのバンチェン遺跡の年代観・解釈方法によると、おなじ地域にありながら遺跡ごとに新石器時代から青銅器時代への移行時期がおおきく異なる「矛盾」が生じることを指摘しています。
そして、中国南部とベトナム北部での鉄器出現・普及の過程から、東南アジア大陸内陸部の鉄器出現の時期を紀元前1世紀ころと推定し、バンチェン遺跡の年代観に疑問をむけています(1982「バンチェン文化の古さ」『東京大学文学部考古学研究紀要』1号)。
さらに、量さんと今村さんは、理化学的年代測定法による年代がどうしてそんなにふるくなったのか、そのカラクリもあきらかにしています。

バンチェン遺跡出土の彩文土器と青銅器装身具
バンチェン博物館にて
明後日から開催予定の企画展「加曽利B式展」、順調に準備が進んでいます。
当然のことではありますが、昨年度までの「あれもEこれもE-加曽利E式土器」展の加曽利Eとは趣が大きく変わる加曽利Bの世界を、ぜひご覧ください。
会期は、令和8年3月1日(日曜日)までです。


熱ルミネッセンス年代測定法・・・放射性炭素14年代測定法でも紹介しましたが、地球上にはたえず放射線がふりそそいでいます。
また、地球の内部にもラジウムなど、放射線をだす鉱物が存在しています。
このような自然界の放射線が物質のなかを通過するとき、物質の原子の電子をはじきとばしています・・・炭素のばあい、安定した構造の炭素の原子に放射線があたって、電子がはじきだされて不安定な炭素14になる・・・ように。
だから、炭素14の数をかぞえると、放射線を浴びつづけた時間がわかる・・・これが放射性炭素14年代測定法です。
熱ルミネッセンス年代測定法もその原理を利用します。
それは時間の経過とともに移動した電子を蓄積した物質に熱や光をくわえると、その電子がもとの原子にもどろうとすること、そのもどろうと移動するエネルギーが光として発生すること・・・この光(エネルギー)を測定することができれば、どれだけこの物質が放射線を浴びていたのかわかる・・・それがわかれば、どれだけ時間が経過したのかがわかる・・・つまり「何年前」かがわかる!
土器のなかには石英など鉱物がふくまれ、土器焼成によって熱をうけています・・・ということは、この時点でいったん電子がもとにもどってリセットされた状態になっています。
その土器がつかわれたあと、すてられ、うまって、発掘によって発見されるまで、熱や光をうけていなければ、放射線をあびつづけて電子がはじきだされ、はじきだされた電子が石英など鉱物の中で蓄積していきます。
それを実験室で熱することでもとにもどし、その際に放射される光を測定することで年代を測定します。
これらは火山噴出物など地質学の年代測定や、土器など考古学の年代測定でつかわれています。
これとおなじ原理で光をつかう方法が、光ルミネッセンス年代測定法です。
こちらは「地中に埋もれて光をあびなくなった時点)」を0年にして時間経過をしるもので、たとえば地質学で雨風によって移動して再堆積した砂の地層などの年代の測定でつかわれています。
放射性炭素14年代測定法は遺物そのものというよりも、それにともなう炭化物や貝・骨を測定しますが、熱・光ルミネッセンス測定法では、土器など遺物そのものを測定します。

土器は焼成されることで、リセット!
タイ東北部のウドンターニ県、メコン川の西岸に世界遺産「バンチェン遺跡」があります。
この遺跡、何で有名かというと、「世界最古級の東南アジア独自の文明発見」!
「文明発祥の地」といえば、教科書にはチグリス・ユーフラテス川流域のメソポタミアやナイル川流域のエジプト、ガンジス川流域、黄河流域などはありましたが、メコン川流域にも、そんなところ、ありましたっけ?
1967年以降、いくたびかタイ当局とアメリカの大学の合同調査チームがこの遺跡の発掘調査をおこないました。
その調査にいたるきっかけもまた、いまや伝説となっています。
それは、学位請求論文のテーマをさがしていたアメリカの学生が、この丘の上で木の根につまずいてころんだ先に地面からつきだしていた土器片に気づいて、この遺跡を発見したというおはなしです。
(本当は、それ以前から遺跡の存在はしられていました。)
発掘の結果、たくさんの埋葬された人骨のほか、副葬品の土器、玉類、土製品、青銅器、鉄器、装身具、青銅器をつくるための鋳型、そして土偶、動物や植物の遺体などが出土します。
この遺跡からは灰色・黒色の縄目がついた土器のほか、あわい黄色の下地に赤くうずまきや水が流れるような模様をえがく、彩文(さいもん)土器が特徴的で、そのタイプは「バンチェン様式」とよばれるようになります。
1972年、衝撃的な報告がされます・・・この彩文土器を当時開発されたばかりの理化学的年代測定方法、熱ルミネッセンス年代測定法で測定したところ、なんと紀元前3千年紀にさかのぼるという年代がでてきた!というのです。
バンチェン遺跡の彩文土器は、青銅器をともなうとされていたことから、その年代はおとなり中国やインドの青銅器時代よりもふるい!・・・そうなると、世界最古の文明が東南アジアで独自にうまれた!

黒色印文土器

「バンチェン様式」の彩文土器
(いずれもバンチェン博物館にて)

世界遺産・バンチェン遺跡の入り口
このテーマとりあげるにあたり、タイへ日帰りで取材してまいりました。
考古学的方法の基本は、型式と層位・・・縄文時代のはじまりの議論は、型式からのアプローチと層位からのアプローチが「合致」しないというところでかわされています。
(といって、両者が層位・型式を軽視・無視したわけではありません。)
そのため、かならずしも議論がかみあっていない面もありました。
近年は遺物(型式)そのものの年代を測定する方法・・・たとえば土器にこびりついた「おこげ」や土器のなかの鉱物を測定する方法がとられています。
そうであっても、先の議論にあったように分析方法の原理原則、分析試料の信頼性などにさまざまな課題があることもまた、理解する必要がありそうです。
それでも型式学的な年代、相対的年代よりプラス・マイナス何年の誤差があったとしても、西暦何年といった絶対年代のほうがわかりやすいし、誰もが知りたいことではないでしょうか?
まして日本列島のように、土器をはじめとする考古資料の型式学的研究が精緻にすすめられ、数十年単位の編年がととのった地域ばかりでなく、世界には調査成果や資料数がたりなく、どういう型式があって、それらがどうつながる、変化していくのかはっきりしない、編年に「穴」のある地域、年代のわかるモノとの交差のない地域があります。
そういった地域でも、いつのモノか?の疑問は素朴ながら重大な関心事です。
そういう状況で、炭化物などをともなっていれば、その年代が炭素14年代測定法など理化学的年代測定法でわかる!となりゃ、それをたよりにするってぇのが人情ってもんでしょ!(横浜流星さんをイメージしておよみください)
たしかに!
型式編年研究のすすんだ縄文時代や弥生時代でさえ、型式学的な方法による絶対年代と、理化学的年代測定法による絶対年代がずれることがある・・・「科学」ということばのまえで考古学による型式学的方法の「限界」を感じてしまう・・・
そうであれば、いっそのこと型式設定や編年といった時間と労力のかかる型式学的研究はやめて、最初から理化学的年代測定をしてしまえばいいのでは?
そうかんがえっちまえてぇなるのもまた、人情ってもんでしょ!(横浜流星さんを・・・)

精緻な縄文土器型式編年と理化学的年代測定法の成果
小林謙一2019『縄紋時代の実年代講座』より引用しました。
山内清男さんは、縄文時代のはじまりを紀元前2500年ころとしました。
これは当時のヨーロッパ・アジアにおける研究成果にもとづいています。
山内さんは、この年代観についておおざっぱなもので、1センチ単位で研究しようとしている日本に対して、ヨーロッパは10センチ、20センチというように、その時間幅がおおきいことを指摘して、変更される可能性に言及しています。
ところが、これも以前に紹介した理化学的年代測定方法・炭素14年代測定法が縄文時代早期の神奈川県夏島貝塚の貝を測定したところ、約1万年前、さらに福井洞穴ではそれ以前というどんどん古くなる測定値がだされます(2022年1月29日をご参照ください)。
この両者のちがいは誤差というにはおおきすぎる!
ということで山内さんは、この理化学的年代測定法を批判しています。
他方、群馬県岩宿(いわじゅく)遺跡で関東ローム層のなかから石器が発見され、「縄文時代の前の時代」の存在がはっきりします。
そして、石器の変化は「ナイフ形石器」から「尖頭器(せんとうき=突きさす道具)」、「細石器(さいせつき=木や骨の柄にほそながい刃をうめこむ」「有舌尖頭器(ゆうぜつせんとうき=根元に茎のある尖頭器)」から「石鏃(せきぞく)」と変化していくことがみとめられるようになります。
山内さんらは、このような石器の変化のなかで、細石刃以前の時代には土器がない「無土器時代」として、それらとシベリアの遺跡の調査・研究成果とくらべ、その影響をうけた「新石器時代」の文化と位置づけました(山内清男・佐藤達夫1962「縄紋土器の古さ」『科学読売』12ほか)。
他方、石器の変化、型式変化からたどる方面からの研究がすすめられると、「無土器時代」から縄文時代まで断絶なくつづくことがみとめられるようになります。
それでは、これらの年代はいつのものなのか?
それをしる手がかりとして、これらが出土する関東ローム層自体の年代が注目されます。
ここで炭素14年代測定方法による成果がつかわれ、関東ローム層の年代が1万年より前、世界史的にいう旧石器時代とかんがえられるようになります(芹澤長介1959「日本最古の文化と縄文土器の古さ」『科学』29-8)。
「無土岐時代」の文化を外部(大陸)との関係でかんがえるか、内部(日本列島内)でかんがえるか?
考古学的方法による議論に、「それでは年代はいつなのか」のこたえを地層の理化学的年代測定の成果にもとめることができるのか?
それは炭素14年代測定法の根本原理、たとえば時代や場所を問わず、つねに大気中の炭素濃度が一定であるとする前提や、海洋リザーバー効果などへの疑念につながっています(山内1969「縄紋草創期の諸問題」『ミュージアム』)。
2003年、国立歴史民俗博物館の研究グループが、最新の炭素14測定方法によって弥生時代のはじまりが紀元前4世紀から紀元前10世紀にまでさかのぼると発表しました。
弥生時代のはじまりが、考古学的な方法で想定されていたよりも600年ふるい!ということです。
そのことに考古学研究者のなかから疑念がむけられます・・・そして、その疑念と議論は「縄文時代のはじまり」と通じているようにみえるのは、気のせいでしょうか?
なお、あたらしい議論では、AMSなど測定方法の精密化だけでなく、他の理化学的年代測定法を検証手段(年輪年代測定法など)にもちいることで検証し、「炭素濃度の変動」などへの批判にこたえようとしています。
「縄文農耕論」で紹介しましたが、縄文土器の型式学的研究をおしすすめた山内清男さんは、縄文文化に大陸(の農耕文化)の影響はほとんどないとし、縄文時代の「農耕」の存在を認めませんでした(2022年12月11日をご参照ください)。
しかし、山内さんは縄文文化に大陸の文化がまったく影響していないわけではなく、とくにそのはじまりにはあったと考えています。
それは縄文時代になってから弓矢が使用されはじめるなど、世界史的な発展のながれにそっている以上、それが日本列島で独自に発明されたとするより、大陸からつたわったとかんがえるべきだとしています(1939『日本遠古之文化』)。
つまり、縄文時代は大陸からの影響ではじまるけど、その後は日本列島内でほぼ独自に発展したと。
では、その大陸からの文化をしめすモノはあるのか?それは何か?
山内さんが目をつけたのが、「断面が三角形の石製錐(きり)」「植刃(しょくじん)=うすく細長い両面打製の石刃(せきじん)で、木や骨の軸にはめこんでつかうとかんがえる」、そして「矢柄研磨器(やがらけんまき)」とよばれる石器です。
そして、このなかでとくに「矢柄研磨器」はくわしく分析しています(1968「矢柄研磨器に就いて」『日本民族と南方文化』ほか)。
これは平らにみがかれたような面に1本のまっすぐの溝がはいる石です。
この石器は何に使われたのか?
狩猟採集民の事例から、2個をセットにして、弓矢の矢の柄をはさんで前後に動かすことでまっすぐになるように磨いた・・・という説があるので「矢柄研磨器」。
たしかに長野県岡谷丸山遺跡からは2個で1組の矢柄研磨器が出土していますが、通常はばらばら・・・現在、矢柄を磨いたとする説は疑問視され、「有溝砥石(ゆうこうといし)」などとよばれます。
この「矢柄研磨器」「有溝砥石」は縄文時代のはじめ、縄文時代草創期の一時期にあらわわれます。
そして「矢柄研磨器」は、ユーラシア大陸やアフリカ大陸、アメリカ大陸にもあって、アジアではシベリアや中国・朝鮮半島でも認められています。
世界中の「矢柄研磨器」の研究成果を見わたした山内さんは、それらが紀元前2500年までさかのぼるとされていることから、縄文時代草創期をその年代に推定しました(1968「矢柄研磨器について」『日本民族と南方文化』)。

山内さんが注目した「矢柄研磨器」。
1969「縄紋草創期の諸問題」『ミュージアム』224より引用しました。

千葉県(一鍬田甚兵衛山南遺跡)出土の「矢柄研磨器」。
財団法人千葉県文化財センター2005『成田国際空港埋蔵文化財調査報告書10.10.1.』より引用しました。
日本列島には縄文時代、弥生時代、古墳(祝部=須恵器)時代があるらしい、と認識されても、しばらくはその関係ははっきりせず、おたがいが同時に存在していたなどとかんがえられることがありました。
山内清男さんは、考古学的な方法・・・型式学による系列・系統と交差年代によって、縄文時代のおわりは日本列島内でほぼ同時期、つまり、九州でも東北地方でもちがいはないとかんがえます(1932「縄紋土器の終末」『日本遠古之文化』)。
ところが、古代史研究の権威で、歴史学のみならず考古学・地理学・民俗学など多岐にわたる研究業績をもつ喜田貞吉(きだ・ていきち)さんは、東北地方の縄文時代の遺物のなかに中国・大陸の影響があるものがあるとしたうえで、縄文土器と中国・宋王朝のコイン・銭貨がいっしょに出土した例をとりあげて、縄文時代が東北地方のいわゆる「蝦夷(えみし)」では鎌倉時代までつづいていたとかんがえます(1936「日本石器時代の終末期に就いて」『ミネルヴァ』)。
これをきっかけに、山内さんと喜田さんのあいだで縄文時代のおわりをめぐる論争がくりひろげられ、その舞台となった学術誌「ミネルヴァ」の名まえをとって、「ミネルヴァ論争」とよばれるようになります。
喜田さんはつぎつぎと縄文土器とコインが「いっしょに」出土した例をあげ、「くりかえし」出土している!と主張します。
山内さんはその例が、縄文時代各時期の土器と「いっしょに」出土しており、何ら一貫性がない・・・つまり「一括遺物」とはみとめられないと却下します(1936「日本考古学の秩序」・「考古学の正道」『ミネルヴァ』)。
この議論は、あばたもみようによっては、えくぼに、えくぼもみようによってはあばたにみえる、つまり「こうだ!そうにちがいない!」とおもってみると、そのようにみえるものだ・・・というように、かみあうことはありませんでした。

山内さんがミネルヴァ論争後に発表した日本列島の縄文土器型式の広域的な編年案(1937「縄紋土器型式の細別と大別」より引用しました)。
弥生時代の年代は、その年代のわかる大陸系の遺物をともなっていれば、おおよそしぼりこむことができます。
大陸に近い北部九州のように、そういった遺物が出土する例が多くなると、一括遺物でおはなししたように、「くりかえし」いっしょに出土することでその年代の確率はたかまります。
では、そこからはなれるとどうでしょうか?
新の貨泉は東日本でも出土しています。
しかし、モノは移動し、すてられるまでの時間があり、とおくはなれるにつれ、その時間幅がおおきくなっていく可能性があります。
また、こういったモノはとおくはなれるほど「くりかえし」出土する確率も低くなり、その確からしさはさらに低くなっていきます。
でも、年代を知るうえでいっしょに「くりかえし」出土するモノは、かならずしも貨泉など大陸のモノである必要はありません。
たとえば大陸にちかいA地方(北部九州とか)でA1→A2→A3→A4・・・と変化していく流れの型式があり、そのうちA4型式が貨泉といっしょに出土する頻度がたかいとします。
ところがこのA4型式は、おとなりのB地方(中国地方とか)のB2型式と「くりかえし」いっしょに出土する・・・そしてB2型式はそのおとなりのC地方(近畿地方とか)のC4型式と「くりかえし」いっしょに出土する・・・C4型式はD地方(中部地方とか)のD3型式と、そしてD3型式はE地方(関東地方とか)のE2型式と「くりかえし」いっしょに出土する・・・
そうであれば、A地方のA4型式はとおくはなれたE地方のE2型式とおなじ時期の型式である可能性がたかくなり、たとえE2型式が貨泉といっしょに出土しなくとも、貨泉の時期にちかいというかんがえ方がなりたちます。
また、この関係はとなりの地域・型式であることにかぎりません。
なかには自分の地域をはなれて、とおくまでひろがる「性格」をもつ型式があって、たとえばE2型式がそういう「性格」をもっていて、あちこちの地域でも出土し、A地域ではA2型式といっしょに出土する・・・この関係が「くりかえし」みとめられるならば、E2型式とA4型式はおなじ時期の可能性がたかい・・・
このようなかんがえ方を考古学では、交差年代(こうさねんだい)とよびます。
考古学研究者は、一括遺物から型式を設定するだけでなく、その中にある異なるながれ(系統)や外来の型式にも注意をはらいます。
異なる系統、地域のモノをともなうということは、人やモノだけでなく、時間もまた、つなぐ手がかりになるとかんがえています。

千葉県立中央博物館(千葉市中央区青葉町955-2)において、7月12日(土曜日)~9月23日(火・祝)の会期で、例話7年度特別展「房総うみの幸大百科」が開催されています。
本展覧会では、3方海(熊谷知事のご挨拶では、現在の利根川流域の「香取海」を含めると4方海)にかこまれた千葉県の多様な海洋環境とその利用について、過去・現在、そして未来について紹介しています。
その中で、とくに「JOMON]にも光があてられ、加曽利貝塚博物館から「あわび形土器」や鹿角製漁具などを出品させていただいています。
当館展示室とはちがった雰囲気でご覧ください。
このほか、貝塚から出土する貝や魚骨などを現生標本と見くらべることもでき、貝塚の「百科図鑑」としてもお楽しみいただけます。
本展覧会にあわせてさまざまなイベントが予定されているようなので、当館にご来館いただいたのち、ぜひお立ち寄りください!
なお、昨日7月12日の「オープニング・イベント」でおこなわれたクイズ大会では、自慢ではありませんが、全問正解しましたことを書き添えさせていただきます(かなり冷や汗ものでしたけど・・・とくに加曽利貝塚の質問では)。



モノがどのように変化していったのか、型式学によってその流れが推測できます。
型式学的にA→B→C→Dの順番で変化していくならば、「AはBよりふるい」「DはCよりあたらしい」と説明することができます。
この説明のしかたは「相対的」です。
したがって、考古学では型式の系列による時間の順序を、相対年代とよびます。
しかし、歴史をあきらかにしようとおもうと、どうしても何年前とか、AはBよりどれくらい、何年ふるいのか、Aはどれだけ(何年)つづいたのか、具体的にAは何年でBは何年と知りたくなるのが人情ではないでしょうか?
このピンポイントで何年というのは、相対年代に対して絶対年代とよびます。
では、この型式学にもとづく考古学的な相対年代では、具体的な年代はわからないのでしょうか?
ここでも考古学的な方法として、あの「一括遺物」が重要な役わりを演じます。
出土品は土器や石器だけではありません。
なかには文字が書かれたモノ・・・たとえばコインや荷札のような板、その由来をしるした刻印のある刀剣など・・・があります。
また、ある歴史的な事件(戦争や災害など)があって、その痕跡にともなって遺物が出土することがあります。
このように、ある時間をさししめすモノや痕跡にともなう一括遺物は、それと同時期に存在したモノの可能性が高い・・・つまり、型式の絶対年代をしぼりこむことができるとかんがえます。
たとえば、弥生時代には文字の発達した中国文化の文物が日本列島にも到来しており、そのモノの年代はおおよそしられています。
そのなかで代表的なモノはコイン。
ただし、コインは長期間発行されたコインであるほど数多く、長期間世のなかでつかわれます。
日本列島の弥生時代の中国では、ながいあいだ繁栄した漢王朝の時代・・・漢のコインも弥生時代の日本列島にやってきます・・・でも、時間幅がながいし・・・
ところが、新という国が鋳造したコインがある!
この新は、漢王朝の王莽(おうもう)という人物が王権をうばって西暦8年から23年までのわずか15年間たてた国です。
ちなみに新は王莽の一代で滅び、その後、漢王朝が復興して紀元220年までつづきます。この新をはさんで前を前漢、あとを後漢と呼びます。
新はこのわずかな期間のあいだに独自のコインを鋳造しますが、銭貨として漢のコインにくらべて流通量や流通期間がかぎられるとかんがえられています。
そのなかの「貨泉(かせん)」が日本列島で弥生時代後期以降の遺跡から出土しています。
このことから、弥生時代後期の絶対年代は紀元14年以降・・・のはずです。
あとは弥生時代の始まりのモノで、年代がある程度しぼりこむことができる大陸からのモノ、たとえば銅鏡や剣などとのあいだの時間幅のなかに、土器型式などいくつの型式があるかによって一つの型式の平均的な時間幅をもとめるなどによって、弥生時代の最初に年代のわかる大陸のモノがなくとも、さかのぼってその年代がいつころかを割りだしています。
その考古学的なかんがえ方によると、弥生時代の始まりは紀元前3世紀とされていました。
しかし、その後の調査研究で、水稲稲作文化の到来の始まりがそれまで縄文時代晩期とされていた土器型式までさかのぼり、「弥生時代早期」が設定されると、そのぶんさかのぼって紀元前4世紀などとされるようになります。

山梨県東八千代郡中道町米倉山B遺跡出土の「貨泉」。
埋没谷のなかから弥生時代末から古墳時代前期にかけての遺物とともに出土しています。
(山梨県教育委員会1999『米倉山B遺跡』より引用しました。)
発行数がすくなく、期間もみじかいとはいっても、ひろく、ながく流通するコインの性格上、「くりかえし」とはみとめがたいほど出土数がすくない「貨泉」をもって、ほんとうに弥生時代の絶対年代の基準にできるのか?といった疑問もあります。
縄文時代を、その特徴をよくさししめす標本となった代表的な遺跡の名まえからとると、大森時代。
標本となった大森貝塚、その場所がどこかについて、長いあいだ議論がありました。
そんな画期的な、重要な遺跡の場所がどうしてわからなくなるのか?
1877年に大森貝塚を発掘したエドワード・モースさんは、横浜から東京にむかう鉄道の車窓から、大森駅(停車場)をすぎたところで貝塚をみつけたと書き残していますが、それ以上のくわしいことにはふれておらず、地図も残されていません。
1930年にモースさんの弟子、佐々木忠次郎さんと松浦佐用彦さんが、発掘後50年をへて現在のJR東海道線・京浜東北線沿線の大田区山王にその場所として記念の石碑をたてています。
ただし、発掘後50年でその場所はわからなくなっていたようで、2人はモースさんの記述にしたがって、大森駅(停車場)を出たところの最初の台地の斜面をその場所と推測されたようです。
現地に行くと、いまでは大きな建物がたちならんでいますが、いちだん高い台地のヘリにあたるその地形には当時のなごりがあり、そこに遺跡・貝塚があったとしてもおかしくないように見えます。
ところがもうひとつ、おとなり品川区大井に「候補地」があります。
それは山王の石碑のある台地を現在のJR東海道線・京浜東北線沿いにさらに北にすすんだ次の台地の高まりのへりです。
ここでは1984年と1993年には発掘調査がおこなわれ、貝塚があることが確認されています。
さらに、この場所でモースさんが調査したとみられる記録がみつかっています。
地名から遺跡名をつける、遺跡名から型式名、時代をつける・・・
加曽利貝塚E地点・B地点もそうですが、このような考古学研究史上重要な遺跡・調査地点であっても、時間の経過によってわからなくなる、あるいはまちがえられることがあります。
そして、それもまた、考古学研究の歴史、考古学研究史でもあります。

大田区の大森貝塚記念碑・・・入口にミニチュアの石碑がありますので、おまちがいなく。
この石碑には考古学研究史において価値があります。

品川区の大森貝塚記念碑。
いずれも現在のJR東海道線・京浜東北線沿いにあります。

地質学にならって考古学でもそれを象徴する、代表する遺跡名・地名、地層から名まえをつける。
では、日本列島の考古学的な時代の名まえは?
旧石器時代あるいは先土器時代
縄文時代
弥生時代
古墳時代
これって、地名?遺跡名??ではないですよね・・・
旧石器、つまり打製石器の時代、縄文土器の時代、弥生土器の時代、お墓の古墳がつくられた時代・・・それぞれ時代を代表するモノが時代の名まえに。
それでは、弥生土器の弥生ってなに?
それは1884年に東京都文京区の弥生町遺跡(史跡弥生二丁目遺跡)で見つかった弥生時代後期の土器から名づけられた土器。
つまり、旧石器・縄文・弥生・古墳時代のうち弥生時代だけ、土器を介してなんとか地名・遺跡名が時代についている?
やはり、考古学の原則にもとづくべきではないか!ということで、旧石器時代を岩宿時代、縄文時代を大森時代と呼ぶことを提案する考古学研究者もいます。
岩宿時代は土器が出現するよりまえ、縄文時代よりまえの時代。世界史でいうところの旧石器時代をさします。
「旧石器時代」はあくまでも世界史的な時代区分で、その後の「新石器時代」とセットになります。
でも、日本列島ではその後につづく「新石器時代」は、世界史でいう新石器時代の特徴とおなじではありません。
「旧石器時代」だけ世界史の旧石器時代の名まえで呼ぶのはいかがなものか?
それならば、日本列島ではじめてその存在がみとめられた群馬県岩宿遺跡から岩宿時代と呼び、それにつづく時代は、日本でモースさんがはじめて発掘して、「土器をつかう狩猟採集の時代」とみとめるきっかけとなった東京都大森貝塚から大森時代と呼ぼうと・・・。
時代の名まえなんて、どうでもいいじゃない?
最初から「あ時代」「い時代」「う時代」「え時代」・・・と呼んだって、いいじゃない?
「時代」とは単に時間を区切っている単位ではありません。
「時代」とは、ある特徴によって時間を区切ること・・・それはたとえば、大きな肉のかたまりを数や量で端から切りとるのではなく、アカミやアブラミ、シモフリなどと肉質で切りわけるようなこと。
その「質」が何か、内容をあきらかにして区切られた時間が時代であり、その「質」を最もよくあらわしているもの、象徴するもの(地名や遺跡名あるいは遺物、政治体制など)の名まえをつけることで、それが端的にわかるようになっています。
その原則にしたがうならば、「昭和時代」や「平成時代」という時代は、ありません。
それでは、時代のおわりはどうする?
歴史学としての日本考古学では、古墳時代のあとの時代は基本的に文字記録(史料)による歴史学(史学)の時代区分をつかいます。
たとえば、古墳時代を特徴づける古墳は、7世紀になるとその性質が大きくかわっていき、とくにその中心だった近畿地方では急速に規模縮小・減少していきます。
かわりに寺院や宮殿がたてられるようになり、歴史学上の飛鳥時代へ。
でも、同じ時期にまだ古墳がつくられ・・・それだけでなく、まだ大きな古墳がつくられている地域がある・・・そこはまだ古墳時代?
ある社会、王朝や国が滅亡しないかぎり、時代はおわりで区切るのではなく、つぎの時代のはじまりで区切られます。

7世紀代最大級の古墳、千葉県栄町岩屋古墳。
考古学の名まえのつけ方、型式の名まえも地質学にならっています。
たとえば加曽利E式土器、加曽利B式土器。
これらは1924年、東京帝国大学人類学教室による101年前の発掘調査の成果にもとづいて、考古学研究者の山内清男(やまのうち・すがお)さんが型式を設定しました。
この特徴をもつ土器はそれ以前からしられていて、ばくぜんと「加曽利式土器」とよばれていたそうですが、この発掘調査によって、出土する地点や貝層によってちがいがあることがわかってきます。
そして、山内さんはその調査成果の研究をすすめることで、加曽利貝塚E地点から出土した土器を縄文時代中期後半、B地点から出土した土器を縄文時代後期の土器型式として、それぞれ加曽利E式土器、加曽利B式土器と考古学的に位置づけて名まえをつけています(1939『日本先史土器図譜第3.輯』・1940『日本先史土器図譜第4.輯』)。
このときも、発掘調査から正式に型式を設定するまで15年の時間をかけています。
発掘調査をして、何か発見されると、すぐにその価値がわかって歴史がかわる・・・そういう期待をもたれることがあります。
しかし、玄武洞からチバニアンへ、加曽利貝塚E地点・B地点から加曽利E式土器・B式土器にいたる過程をみてもわかるように、その価値・意味をはっきりさせるには、時間をかけた調査と研究のつみかさねが必要となります。
その手つづきをへて、その意味・価値がさだまったときにはじめて、名まえがつくこととなります。


加曽利貝塚E地点と推測される場所。
100年前の発掘調査では、現在のような正確な測量図がなかったため、発掘地点の特定はできていません。
そのため、当時の発掘記録を丹念に読み込み、残された当時の写真、そして近年の地下レーダー探査の組み合わせでおおよその位置が推測されています。
加曽利E式土器、加曽利B式土器・・・というように、考古学の型式には名まえがつけられています。
この名まえのつけ方には、きまりがあります。
それは考古学の「先輩」、地質学の原則にもとづいています。
地質学ではその時代を、地質学的にそれを代表する地層あるいはその地層が確認された場所の名まえをとって呼ぶことが原則です。
たとえば、映画ジュラシック・ワールドでもおなじみの恐竜のいた時代、ジュラ紀(ジュラシアン)はフランスのジュラ山脈、地球上で生物が爆発的にうまれるカンブリア紀(カラブリアン)はイギリスのブリテン島、ウェールズのラテン語名からきています。
千葉県でもそういう場所、ありますよね・・・市原市の「チバニアン」!
「チバニアン」は77万4千年前から12万9千年前までの地質時代で、この時代には地磁気がいまとは逆になっていた、地磁気逆転期にあたります。
その時代の様相がもっともよくあらわれている地層が千葉県市原市田淵(たぶち)にあると世界の地質学会でみとめられて、2020年に「チバニアン」とその時代が名づけられたのですが、地磁気が逆転していた時代があること自体はそれよりも前に知られていました。
それがはじめて指摘されたのも、日本です。
それは兵庫県豊岡市にある玄武洞(げんぶどう)です。
1931年に地球物理学研究者の松山基範(まつやま・もとのり)さんが、玄武洞の石に記録されていた地磁気の方向で、はじめて地球の地磁気の南北が逆だった時代があることを指摘しています。
しかし、その時代は「玄武洞時代」とは名づけられませんでした。
そういう時代があることが知られながらも、89年たってようやく「チバニアン」と名づけられました。
では、なぜ「はじめて」みつかった時からこんなにも時間があいてつけられたのでしょうか?
なぜ、はじめてみつかった玄武洞ではなく、市原市の地層がえらばれたのでしょうか?
その時代を代表する名まえには、その時代がいつからいつまでの時間幅なのかをさだめる証拠、その時代がどのような環境であったのか、その前後の時代とのちがいがわかる、いわばその時代の基準になる地層であることが必要だから・・・
世界にはその条件をみたす場所がいくつかあって、市原市の地層はそのなかでもっともこの時代を代表する標本にふさわしいとみとめられたことになります。
このように認められるためには、さまざまな調査や研究をつみかさねる必要があることから、発見から命名までこれほどの時間がかかったことになります。

市原市田淵のチバニアン。
(個人撮影)
地層に国際地質学会が認定したことをしめす「ゴールデン・スパイク」という標識が打たれています。
土器の形は土器のつかい方、機能によってきまる・・・煮炊きの鍋、たべものを盛る鉢、液体をためる甕(かめ)、貯蔵する壺(つぼ)・・・
このような機能による形の土器の区分は、「形式」と呼ばれます。
鍋も鉢も甕も時代・文化によってまったくおなじ形ではなく、その機能に支障がないかぎり、それぞれの形に特徴があり、また変化します。
このばあい、「鍋の形はこうあるべきだ!」という形のきまりだけでなく、鍋の口(口縁部・こうえんぶ)にはこういう装飾・文様がつくべきだ、首(頸部・けいぶ)にはこういう、胴体(胴部・どうぶ)にはこういう文様を、このようにしてつけるべきだ!というきまりがあって、時間の経過とともに変化していくとかんがえられています。
古典的型式学では型式を、たとえばある文様や形が時間とともに変化していく系列とされました。
縄文土器の型式・・・加曽利E式土器と呼ばれる「型式」では、キャリパー形という曲線的にひらく「深鉢形」の土器があって、その口縁・頸部・胴部につけられるべき文様や装飾があって、その文様や装飾はどのようにつけるのか、「つくり方」「つけ方」(縄文をつけてから線をひくとか、線を引いてから縄文をつけるなど)のきまりがあって、それらを組みあわせた全体をさしています。
このようにいくつかの異なる要素(形式・型式)の組みあわせを、「様式」と呼びます。
そうであるならば、「加曽利E式土器」はどちらかというと、「加曽利E様式土器」になるかもしれません。

加曽利E式土器
「キャリパー形」とよばれるこのような形の土器、口縁部のまわりにつく文様、くびれた(ように見える)頸部にめぐる文様、その下の胴部につく文様、そしてその文様をどのようにしてつけるのか、そのつけ方、そしてそれらがどう変化するのか・・・にご注目ください。
この3月までは古典的な型式学を紹介してまいりました。
また、縄文土器でも加曽利E式や加曽利B式といった型式があることは、機会あるごとにとりあげてきました。
この縄文土器の型式がもうけられる原理は、たしかにここまで紹介してきた型式学にもとづいていますが、じつはもうすこし複雑です。
土器の形には呼び名がついています。
博物館で土器の前にある「キャプション」にご注目ください。
時代を問わず土器の名まえに「深鉢(ふかばち)」「深鉢形(ふかばちがた)土器」とか、「甕(かめ)」「甕形土器」とか、「壺(つぼ)」「壺形土器」とつけられていることがあります。
この「深鉢」や「甕」「壺」は、うつわや容器の役わりをあらわす名まえです。
ちなみに「鉢」を辞典で引いてみると、「皿よりは深くすぼみ、碗(わん)よりも浅く開き、たべもの・水などを入れる容器」(『広辞苑』より)。
お皿より深くてお椀より浅い、たべものをもりつけるうつわ・・・ということでしょうか。
でもこれに「深」という字がつきます・・・浅くなく深くもないうつわなのに、深い??どっちなの!?
ここでイメージするのは、植木鉢(うえきばち)が適当かもしれません。
くびれることなく、口がひらいた形のうつわ。
縄文土器で口のひらいたラッパ形の土器は、「深鉢」。
しかし、縄文土器の深鉢形土器は煮炊きにつかわれたもの、火にかけられてつかわれたもので、たべものなどのもりつけにつかわれたものではありません。
なので、あくまでも形だけが深鉢・・・という意味で「深鉢形土器」と呼んでいます。
でも、まぎらわしいですよね・・・形は深鉢だけど、機能は鉢じゃない、ほんとうのあなたは何もの?
煮炊きにつかったことがわかっているならば、その機能の名まえで呼んだほうが正しいのでは?
ということで、「深鉢形土器」ではなく、火にかけて調理に使う道具「鍋(なべ)」と呼ぶ研究者もいます。
このばあい、「鍋形土器」とは呼びません。

「深鉢形」土器

「浅鉢形」土器
どちらの土器も現品は当館展示室でごらんいただけます。
ちなみに「甕形土器」と「壺形土器」はこんな感じ・・・


一括遺物はいろんな種類の道具・製品が同時に埋まったセットです。
つまり、いくつもの型式が組みあわさって同時に埋まったことをしめしています。
たとえば、斧がA、B、C、D型式へ、ナイフが1、2、3、4型式へと変化していくと想定しましょう。
ここからは、頭の体操・・・
一括遺物のなかで斧Aがナイフ1、斧Bがナイフ2、斧Cがナイフ3、斧Dがナイフ4といっしょにくりかえし(ここがポイントです!)出土したばあい、斧のABCDの変化順序とナイフの1234の変化順序は平行していて想定は正しい可能性が高くなる・・・
むろん、斧とナイフはつくられたときに時間差があるので、たとえば斧Bとナイフ1・2がいっしょになる可能性はあります。
しかし、斧1とナイフ4、斧2とナイフ3・・・というように、斧の型式変化の順番とナイフの変化の順番が前後に入れかわってくりかえし(またここがポイントです!)出土するばあいは、斧かナイフ、どちらかの型式の順番がまちがっている可能性が高いことになります。

一括遺物のセットのなかで、斧・ナイフ・壺形土器の型式の組みあわせの例。
想定される各型式の変化の方向がおなじであれば、それぞれの型式の順番は正しい可能性がたかくなります。
モノはつくられたときはおなじでも、すてられたときがちがうこともある・・・
なので、同時につくられた型式であっても一方は後までのこることもあります。

想定される順番がちがう組みあわせになる・・・
一括遺物が「かく乱」をうけていないならば、どれかの型式の順番がまちがっている可能性がでてきます。
最後の方法・・・それが層位(そうい)です。
おおきな地殻変動や地くずれなどの災害、あるいは人が掘りかえしたりしないかぎり、地層は下がふるく、上があたらしい・・・はず。
そういう「かく乱」をうけていない遺跡・遺構であれば、下の地層から出土するモノの型式より上の地層から出土する型式のほうがあたらしいと確認することができます。
縄文時代と弥生時代・・・そのちがいはわかっても、どちらがふるいのか。
それが確認されたのは、1918~1919年の鹿児島県指宿(いぶすき)橋牟礼(はしむれ)遺跡で、開聞岳(かいもんだけ)が噴火して降下した火山灰の層をはさんだ下の地層から縄文時代、上の地層から弥生時代の土器が出土したことで確認されました。
(ただし、当時弥生時代とかんがえられていた土器は、じつは古墳時代の土器でした。)
おおきな貝塚遺跡は、層位の原理をつかう考古学的研究でとても有利な条件を提供してくれます。
貝塚は何回も、あるいは時間をかけて貝などを「すてて」つみあがってできたものです。
だれかがおおきく掘りかえさないかぎり(つまりかく乱されないかぎり)、下の貝層ほど先に「すてられ」たモノ、上の貝層はあたらしいモノが出土するはずです。
貝塚は層位ごとに掘りさげると、とても有利な条件を提供してくれます。
あの加曽利E式土器と加曽利B式土器が縄文時代中期と後期の土器であると認識できたのも、加曽利貝塚の貝層のおかげでした。

特別史跡加曾利貝塚南貝塚の貝層断面。
貝が層にわかれて積もっていることがわかります。
ここまで紹介してきた型式学は、「古典的型式学」でした。
しかし、型式学の基本的なかんがえ方は、いまもかわっていません。
型式をどこでどうさだめるか、その変化はどちらの方向にむかっているのかは、研究者の仮説です。
仮説である以上、それを合理的に説明して検証、証明する必要があります。
そのためにモンテリウスさんは3つの方法をしめしています。
まずは「痕跡器官(こんせききかん)」。
これは、最初は意味、つまり役割があったもの(部位)が時間がたつにつれて、その意味・役割がうしなわれてもなお形として残りつづける部位・・・いわゆる退化しながらその痕跡として残っている部位です。
以前、ヒトの骨にもお尻に尻尾がついていた痕跡が骨として残っていることを紹介しました。
ヒトのお尻に残る骨が尻尾の「痕跡器官」です。
尻尾はとつぜんなくなったわけではないので、「尻尾のある生きもの」から「尻尾のないヒト」に変化するまでの途中経過をしめす生きものがいたはずです。
つまり、ヒトになるまでにだんだん尻尾が短くなる化石骨がみつかるはずです。
はじめは機能・役割があったものをつかわなくなっても、退化しながら痕跡として残る・・・この過程をみると変化の方向が予想できます。
でも、最初は尻尾がなかったものが、だんだん尻尾がはえてきた可能性は、ほんとうにないの???
ということで、このような変化の方向をチェックするもう一つの方法、それにあの一括遺物が使われます。

銅鐸(どうたく)の変化。
銅鐸はもともと大陸で家畜の首にさげたベルだったとおもわれ、それが弥生時代の日本列島につたわるとおまつりなどの儀式で打ちならしたり、つりさげずに置いてつかう祭器に変化していったとかんがえられています。
そのため、だんだんと大きくなり、側面に幅ひろい縁がついたり渦巻のヒレがついて「見せるため」の装飾がハデになっていきます。
さらに、とっ手も断面が平らに幅ひろくなって穴がせまくなり、持ったり吊るしたりするための機能が失われていきます。
銅鐸ではとっ手が痕跡器官です。

経木・・・かつては肉などをうすく削った木のシート、経木(きょうぎ)に包んで売っていました。
現在はなかなかお目にかかることはなくなりましたが、スーパーマーケットのお肉売り場でそのなごりを発泡トレーにみることができます。
これは素材が木から発泡スチロールにかわっても、表面の模様に経木をイメージした木目がプリントされています。
このような素材が変わっても、本来の意味を失った木目の模様が残ることもまた、ひろい意味での痕跡器官の例と言えるかもしれません。
モノの変化、進化はある日、突然かわるのではなく、基本的に時間をかけて徐々に(あくまでも地質学的時間においてのはなしですが)変わっていきます。
これを色がかわっていく「線」にたとえてみます。
それは、「線」は拡大していくと「点」の連なりになるのですが、その点が最初は黒であったものが、しだいに色がうすくなって、気づくとグレーに、そして白になっていくようなものです。
そのため、となりあう「点」の色のちがいだけを見ているとそのちがいは肉眼でわからないのですが、後ろに引いて全体をながめると、たしかに色が変化して見える。
「黒」「グレー」「白」を「型式」とするならば、「線」のどこで「黒」から「グレー」に、「グレー」から「白」にかわったと認識するか?
それは研究者のかんがえ方、見方によります・・・なかには「グレー」をみとめず、「黒」と「白」にわけるかもしれません。
また、ここでは「黒」から「白」の方向に変化するように説明しましたが、その逆、「白」から「黒」に変化することはないのか?
このようにどこで分けて、どの方向に変化するのかという系列は、研究者がたてた仮説です。
考古学の型式学は、生物の進化の法則が道具などの人工のモノにも適用できるという前提によるものです。
モンテリウスさんは、それを証明するためにヨーロッパの汽車の客車がどのように変化してきたのかで説明しようとしました。
最初の客車は馬車の客車を線路のうえに乗せたことにはじまり、車体がながく変化するのにともなって、馬車の客車を連結したようなデザインを残しながら変化していきました。
したがって、客車を見ると、いつごろにつくられた客車なのか見当がつきます。
鉄道の客車にかぎらず、このような例はほかでも目にすることができます・・・自動車やご飯茶わん、ミッキーマウスの目などでも・・・
時間とともに変わるモノ、部分があると同時にかわらないモノ、部分があります・・・かわりやすい部分をモンテリウスさんは「鋭感的」(濱田耕作さん訳)と呼んで、型式学で特に注目しています。
ところで、客車や自動車など設計図にもとづく近代工業製品がほんとうにモンテリウスさんのいう生物進化の原理とまったくおなじかどうかは、もうすこしかんがえてみる必要はあるかもしれません。

線のグラデーションのからくり・・・点の行列

あなたならどこで線をひく?・・・型式の設定
線をひくと、つぎはなぜそこに線をひいたのか、説明する必要があります。
モンテリウスさんが紹介した記者の客車の変化の過程を説明した図は、田中琢さんの「型式学の問題」『日本考古学を学ぶ(1)』(1978年)14頁をごらんください。
モンテリウスさんは、同時に埋められたモノの組みあわせ、一括遺物を考古学研究の中心におきました。
でも、一括遺物はほぼ同時に埋まった品々のあつまりでしかありません。
つまり、人が使わなくなった時点が同時であることをしめすだけ・・・それらがつくられたときはちがう。
そういうことは今でも私たちの身のまわりを見わたせば、ごく当たりまえのことだと理解できるでしょう。
たとえば、お財布のなかにある硬貨・コインをとりだしてひろげてみましょう。
1円、5円、10円、100円、500円硬貨と種類があって、それぞれにいつつくられたか(鋳造されたか)の年が表記されています。
それをみると、時間差があります。
一括遺物とは、このコインの組みあわせのようなものです。
埋められたときはおなじでも、つくられたときはちがう品々のあつまりです。
その時間差を知り、考古学研究に活用する方法としてかんがえだされた方法が一括遺物にもとづく型式学です。

ある日のお財布のなかの小銭。
ふるい硬貨は昭和47年(1972)、あたらしい硬貨は令和4年(2022)で、50年の時間幅があります。
ヨーロッパでは、18世紀末に地質学研究において地層の下の方がふるいという原理が定着して、その地層からみつかる特徴的な生物化石によって、地質学的な歴史をあきらかにしつつありました。
この地層ごとの特徴的な化石は、その地層が堆積した時代に生き、その後絶滅した生物で、そのような生物化石を「標準化石」とよびます。
この地層の順序=層位(そうい)と標準化石の関係があきらかにされたことによって、はなれた場所の地層であってもその時代を決めて地球の歴史を構成できるようになり、この方法が考古学にも影響をあたえます。
ダーウィンさんの進化論、『種の起源』に触発されたモンテリウスさんは、生物の進化とおなじような現象・原理がモノ、人工物にもあてはまるのではないかとかんがえます。
モンテリウスさんはまず、あの一括遺物に注目します。
そして、実際に遺物がどのような状態で出土するのか、あらためて整理しています。
それによると、出土品はムラやイエなど人が生活した跡からのモノ、お墓のなかに副葬されたモノ、トムゼンさんがあつかったような儀式・儀礼によってささげられたモノ、そのほか単独で出土するモノがあるとしました。
生活した跡から出土したモノは、そこに住んだ時間幅がある、たとえば数世代にわたって住むとそれだけちがう時間のモノがまじって出土する・・・旧家の蔵にはいろんな時代のモノがあるように。
ただし、地質学の原理にもとづいて、モノが出土する地層がちがうならば、その地層ごとで出土するモノには大きな時間差はない可能性が高くなる・・・つまり一括遺物になる。
墓地やお墓の副葬品は、かならずしも同時に埋められたものとはかぎらない。
たとえば、江戸時代から今日までつづく墓地では、江戸時代から現在のモノが出土するだろうし、おなじお墓のなかでも古墳の横穴石室のように時間をずらしながら次々と埋葬する、追葬(ついそう)の可能性がある。
でも、ひとつの埋葬(人骨)にともなうモノが特定できる状況ならば、それは同時に埋められた一括遺物になる。
儀礼や儀式においてささげるためにまとめて埋められたモノは、一括遺物である。
実際はこれも例外はあって、たとえば周年、定期的におなじ場所で儀礼をおこない、そのたびにささげものをつみかさねられると、そのかぎりではありません。
そして、最後の単独で出土したモノは、考古学研究上価値が低い、あつかいにくいモノ・・・です。
このような遺物の出土のあり方と考古学研究上の価値の関係は、いまもかわりありません。
そのため、考古学研究者には発掘調査で、単独かつ出土した地層も定かでない金銀製品よりも、土器の一括遺物が出土したときのほうに狂喜乱舞する習性があります。
なので、くれぐれもどこから出土したかはっきりしない黄金像を考古学研究者に見せて、「これって、価値はありますか?」などとたずねないでください。


当館の常設展示では、加曽利貝塚の縄文時代後期大型竪穴住居跡から出土した遺物をごらんいただけます。
さて、これらの遺物はモンテリウスさんのいう「一括遺物」でしょうか?
トムゼンさんが「三時代」を提唱できたのは、湿地からまとまって遺物が出土したから・・・そのまとまりが同時に埋められたもの、同時代のものと認識したからです。
このように「同時につかわれたものがいっしょに埋まった、埋められたモノのセット」を考古学では「一括遺物(いっかついぶつ)」とよんでおり、研究上とても重要な意味をもたされています。
でも、泥炭出土の「一括遺物」が儀式でささげられたものとすると、そのためにわざわざ特別にしつらえた品であって、トムゼンさんがその組みあわせだけで時代をきめたのは、ただの結果オーライにすぎなかったのではないか?といった疑問があるかもしれません。
トムゼンさんは「一括遺物」のなかに、道具をつかった痕跡や、それを修理した痕跡があることに注目しています。
つまり、ささげるために特別につくられたモノを埋めたのではなく、日常つかっていたモノをあつめて埋めたのであり、それゆえその組みあわせで分類する意味があるとかんがえています。
このように、当時はまだ考古学という学問がうまれるかどうかの段階でしたが、モノの使用痕跡や製作・使用・埋没という遺跡から出土するまでの過程、その結果としての「一括遺物」という、今日の考古学研究の基本的な見方、かんがえ方の芽がうまれていたことは注目されます。


おまつりでのささげもの。
たくさんの葉っぱでつくった容器にさまざまなたべものを盛って、精霊にささげています。
精霊にささげる儀式がおわると、これらのたべものは容器ごと山に「すてられ」ます。
わたしたちの身近にも「かわらけなげ」や「かわらけわり」という、うつわごと神さまにささげる行為の名ごりを見ることができます。
このばあい、日常の容器ではなく、そのためにつくられた、現在ではほかにつかい道のない、むかしのうつわのかたちをした容器がつかわれています。



わたしたちが無意識につかっている「型式」的な見かた。
このようなモノの見方は、考古学がうまれるよりずいぶん前、かなりふるくさかのぼることでしょう。
それは美術品鑑定のようなお仕事が、考古学の成立よりもふるくさかもぼることからでも容易に想像できます。
19世紀の北ヨーロッパでは、湿地帯の泥炭(でいたん)層の中から先史時代の遺物がまとまって出土することがしられていました。
この泥炭層からは、遺物以外にも人体が出土することがありますが、それは埋葬されたというよりも「いけにえ」だった可能性が指摘されており、まとまって出土する遺物も何か儀式にかかわるささげものではないかとする説があります。
そのような出土品を受けいれていたデンマーク国立博物館で資料の収集・保管・展示にかかわっていたクリスティアン・トムゼンさんは、ある特徴に気がつきます。
それはまとまって出土した遺物の組みあわせに、ある傾向がみられること・・・とくに刃にある道具にその傾向があること。
ある遺物のセットは、金属器がない・・・石器だけ。
あるセットでは金属器は青銅器しかない。
またあるセットでは青銅器だけでなく鉄器がある。
そしておなじ青銅器であっても、金属器に青銅器しかないセットと鉄器をふくむセットで模様や形などの特徴がちがう。
このことからトムゼンさんは、このようなセットのちがい、とくに刃物の材質のちがいは時間のちがいをあらわしているとして、それぞれのセットにもとづいて時間を「石器時代」「青銅器時代」「鉄器時代」と区分することを提唱しました。
これは時代を区分する方法として、「三時代法」などとよばれます。
ただし、トムゼンさんは博物館にはいってくるさまざまな出土品をどのように整理して、秩序づけて展示・保管するのかをかんがえるなかでこのことに気づいたのであって、みずから発掘してたしかめていたわけではありません。

縄文時代には金属器がないので、石器時代。
なので、加曽利貝塚博物館ではいまのところ金属器の出土品は展示していません。
弥生時代はかつてそのはじまりから鉄器があるとかんがえられていましたが、現在でおもに石器をつかうけど青銅器・鉄器もともなう金石併用時代とされ、日本列島には純粋な青銅器時代はないとされています。
この時代区分によるとわたしたちは鉄器時代にいます。
情報の処理と通信がこれからの社会のカギをにぎるとして、それを象徴するモノ・半導体の素材・シリコン(珪石)をもって現代を「珪石器(けいせっき)時代」とよぶことが提唱されたこともあります。

スマートフォンは「珪石器」?
以前、文化人類学ぎらいの社会人類学研究者、エドマンド・リーチさんがおなじ文化をあつかう考古学であっても型式学については感嘆したはなしを紹介したことがあります。
ただし、型式のかんがえ方をつかって仕事をする人は考古学研究者にかぎりません。
たとえば美術品・古美術品の鑑定士とよばれる方がたがいます。
鑑定士も絵画や陶磁器など美術品を観察し、それがつくられた時代、場所、またその作者、その系譜のつながり(いわゆる流派)までを推測しています。
おそらく、そこでは考古学研究者が目をつける特徴とその組みあわせ、ちがいから判定しているのでしょう(直接鑑定士さんに確認したわけではありません)。
それでは、考古学研究者と美術品鑑定士のちがいはなに?
考古学研究者はモノに歴史的・文化的意味をつける、鑑定士はモノに美術的価値、さらに資産的価値をつける・・・概念上は、こうかもしれません。
前回、「昭和型式」喫茶店の例をあげました。
「昭和型式」の特徴をなんとか文章で表現しようとつとめました(それが適切なたとえであり、また成功したかは別の問題です)。
考古学では型式を規定する内容を明確な根拠にもとづいて文字、数字、ことばや図表をもちいながら合理的・論理的に説明することを目ざします。
それは個別の型式にとどまらず、型式と型式のあいだの関係までいたります。
鑑定士も当然その鑑定結果をことばで説明しますが、かならずしもすべての根拠をはっきりさせること、またそれが客観的な表現であることはもとめられません。
鑑定士は、実際に数多くの美術品を見て経験をつむことによって、鑑定に必要な知識・情報を身につけています。
そこには考古学の型式につうじる見方もふくまれているでしょう。
ただし、型式の見方をふくめてすべてをことばや文字であらわすことができない経験知、身体知のようなもので身につけています・・・それは、どちらかといえば職人のような能力です。
そのことは、鑑定士が評価するなかで、「すがたがよい」とか「景色がよい」といった独特の感覚的なことばをつかうことにもあらわれています。
その代表が「いい仕事、していますね」というあの名言では?
これはまさにことばでは説明できない体験知を、あえてことばにしようとしたものでしょう。
考古学は意味を、鑑定士は価値をつけることを目ざす・・・そのために型式という見方、かんがえ方をつかっている(はず)・・・型式のかんがえ方は考古学でも美術品鑑定でも、表現方法はちがいますが、その目的をはたすための基本的な方法・手段であるという意味ではおなじです。

キセルでいっぷく。
江戸時代、キセルの煙管につかわれた竹の最高級品は「羅宇竹(らうたけ)」とよばれていました。
それは東南アジアからの輸入品で、産地が現在のラオスだったことに由来します。
これは現在もつかわれているその「羅宇竹」です。
さて、考古学の型式ときくと、なにかむずかしい学術用語にきこえるかもしれません。
当館にいらしていただき、常設展示で加曽利E式とか加曽利B式とか、さらに加曽利E2.(いー・に)式・E3.(いー・さん)式とかみると、「よくわからない」といったお声をきくこともあります。
けれども型式のかんがえ方自体はわたしたちのごく身近にあるもので、おおくの方がたが無意識につかっているのではないでしょうか?
ここで型式を、いつものように考古学で型式を研究するみなさまからお叱りをうける覚悟でたとえ話にしてみました。
ドアをあけると鈴がなり、店内に入ると布・革張りのソファ、そして卓上ゲーム(インベーダーゲームってご存じですか?)に100円玉をいれるとおみくじが出てくる占い器(「ルーレット式おみくじ器」がただしい名称らしいです)、灰皿。
メニューにはコーヒー、クリームソーダ、ミルクセーキ・・・
このような組みあわせをここでは「昭和型式」喫茶店とよぶことにしましょう。
その後時がたつにつれて、卓上ゲームがなくなってデザイン性のある機能的な机とイスに、占い器がなくなり、灰皿もなくなる・・・
メニューにミルクセーキがなくなり、コーヒーもエスプレッソとかブレンド、ラテとかになって、クリームソーダがなんとかフロートやなんとかフラッペとかになって・・・喫茶店の看板も「カフェ」になって・・・「平成型式」喫茶店へ。
でも令和期のいま、いくつか「昭和型式」の特徴のある喫茶店に入ると、当時を知る人は「むかしこういう店、あったよね」となつかしさを感じるのではないでしょうか?
さらに、このような感覚をほかの人たち共感できることは、おなじ「型式の組みあわせ」があちらこちらでくりかえしあらわれていたことを意味します。
それは服装、ファッションもおなじ。
モノゴト(型式)には「はやり」と「すたれ」があって(消長)、それがくりかえされていて、わたしたちは日ごろから「はやり」のモノ(型式)に今を感じ、「すたれ」たモノ(型式)に出あうと過去を、なつかしさを感じる、そういう目でモノゴトをみる習慣が無意識に身についています。
こういう経験に思いあたることがあれば、型式は決してむずかしいものではありません。

いまどきのカフェで想う。
ところで、考古学にはおおきく2つの文化があります。
それはこれまで説明してきた文化と、もうひとつは「考古学的文化」とよばれるものです。
モノはこうあるべきという範型でつくられたモノや行動の痕跡には、その範型に特有の特徴があるはず・・・それはかたちであったり、模様であったり、引くか押すかのようなつかい方であったり。
研究者はそのような範型をモノや痕跡にあらわれた特徴から見出そうとします。
つまり、人は範型にもとづいてモノをつくるという前提にたって、考古学研究者は逆にモノからその範型を読みとろうとします。
この研究者が範型によるものと判断した特徴を型式とよびます。
たとえば斧には時代・地域ごとにその範型を共有した人びとで共通した特徴、つまり型式がつくられ、つかわれます。
おなじように壺などの土器もそれぞれ型式がつくられ、つかわれます。
このようにさまざまなモノにはそれぞれ範型による型式があることになります。
そこで、遺跡を発掘すると、この型式の斧とあの型式の壺がその型式の住居跡から出土するといった「型式の組みあわせ」がみつかることになります。
この型式の組みあわせが、この遺跡にある、その遺跡にある、あの遺跡にもあるというようにくりかえし認められると、その「型式の組みあわせ」が考古学的文化とよばれるものになります。
文化と考古学的文化はちがう?
考古学が対象とする文化、範型をもった人びとは、たいがいいまはもういません。
そのため、モノにあらわれた特徴に当時の範型にもとづく行動の痕跡・形跡があらわれているだろうとかんがえ、それを型式として認識しているのであって、型式は範型そのものではない、範型にせまるための手がかりです。
したがって、型式の組みあわせによる考古学的文化は文化そのものではなく、モノを研究対象とする考古学研究者がモノをとおして文化にアプローチするため、その手前の段階でもうけた作業用の概念です。
つまり、考古学の型式は実際にモノをつくったり、つかっている本人たちがどう意識していたかは関係なく、その文化や社会に直接関係がない考古学研究者が「そこに範型があらわれているだろう!」とした、他者(ほかの文化に属する人)の判断によるものです。
考古学が研究対象としているモノ、痕跡そのものは文化ではありません。
そのモノから範型にもとづく型式を読みとり、その型式の組みあわせで考古学的文化をもうけることによって、さらにその型式を生みだした人の行為・行動、そしてそれを決定した文化にまでせまることができるとかんがえています。

当館の常設展示で「考古学的文化」をごらんいただけます。
前回紹介したように考古学で実験するばあい、そのワザに長けた人が実際に道具をつかったりつくったりすることが一般的です。
そのワザに長けた人でさえ、ときには自分がその技術を学んだ師匠(ほかの研究者)にくらべれば自分などまだまだ・・・と謙遜されることがあります。
このような達人の実験を見て、その他の研究者や学生さんが「自分もあのようになりたい!」とそのテクニックをまなんでいます。
しかし、達人による実験成果は発表されますが、それをめざす方がたの「途中経過」のおはなしはほとんど耳にする機会はありません。
それこそ「わたしなど発表するなんて、まだまだなので・・・」ということでしょうか?
群馬県高崎市に所在する史跡保渡田(ほとだ)古墳群では、墳丘全長100m超の前方後円墳・八幡塚(はちまんづか)古墳を整備するにあたり、古墳が造営された当時の姿に復原しています。
この古墳では発掘調査で墳丘上や外周に円筒埴輪がならべられていたことが判明しており、それも復原されています。
この復原された円筒埴輪列の埴輪の一部には、一般の方がたが体験学習の一環として参加し、つくったものがつかわれています。
古墳時代、古墳・埴輪はどのようにつくられたのでしょうか?
それらをつくるプロフェッショナルがいて、埴輪工場で大量生産して出荷していた?
それとも、あそこで古墳をつくるとなると、その場所におもむいていた?
ちいさな古墳ならばともかく、大きな古墳のために埴輪を数千個つくるとなると、遠くはなれた工場からはこぶより、建設現場の近くで焼いたほうがよいのでは?
そのばあい、何人の埴輪づくりのプロフェッショナルが現場にやってくると、どれくらいで全部つくることができる?
それとも地元の人たちに埴輪のつくり方をおしえて数をそろえた?
でも、おしえるとなると、何人で何人におしえるとどれだけつくることができる?
当時は地元の人も日常生活でつかう土器を自分でつくっていたのだろうから(本当にそうなの?)、おなじ粘土でつくる埴輪もすぐにつくるようになれたのでは?
さて、史跡保渡田古墳群では、その一般の方がたにはじめて埴輪をつくってもらうときに、最初は見本の埴輪を見せて、それに似せてつくってもらいます。
すると、粘土になれていないことにくわえ、円筒埴輪のひらいた口を意識しすぎてうまくできなかったそうです。
そこで、埴輪づくりの熟練者がつくり方のポイントをおしえたところ、2作目以降は外見上、円筒埴輪らしくなり、4作目以降は円筒埴輪の厚さや重さまで実物に近いものができるようになったとのことです。
つまり、ひとことで「まねる」「おしえる」といっても最初から最後まで手取り足取りでおしえるから、要所でおしえるなどさまざまなレベルがあって、円筒埴輪づくりでは必要に応じたポイントをおしえることでじゅうぶん効果があったということになります。
このような習熟、熟練の道のりを実験することによって、円筒埴輪は形や構造などをとくに高度な技術を必要としないことで熟練しやすくし、その生産性が高まるようにしていた可能性がしめされています。
さらに、この熟練の道のりの途中の製品を、場合によっては異なる型式のものと見てしまう可能性があることも指摘されています(若狭徹2002「埴輪」『季刊考古学』81)。
このような実験の成果は、どうやって大量の埴輪をそろえたのかといった生産体制の問題だけでなく、モノがちがう、変化するその背景をかんがえるうえでも興味ふかいものといえましょう。
文化、技術を習得する過程をみる実験、これも考古学研究の幅をひろげ、ふかめるための有効な方法になるでしょう。



整備された史跡保渡田古墳群八幡塚古墳。
2017年個人撮影
掲載にあたっては、かみつけの里博物館様にご協力いただきました。
遺跡から出土するモノ、痕跡から人の行動、行為をつなげる方法として実験考古学をご紹介しました。
実験考古学では、実験者の行為、行動がモノ、痕跡としてどのように残るのか、確認しています。
通常、このときの実験者はその行為、行動に熟練した人がのぞましいと考えられています。
たしかに道具の機能や効率、そのときにできる痕跡を再現する実験では、それをつくる、つかう技術に熟練した人がやることが適しています。
その一方で、生まれてからすぐに熟練している人はいないという視点で「実験」を見るとどうでしょうか?
すべてまねして、おそわって、そしてモノとの応答をくりかえして熟練していったはず。
そうであれば、実験はつくる、つかうだけでなく、それらを習得して上達する過程、つまり文化を身につける道のりを復元するうえでも有効な研究手段のはずです。
文化人類学では、この文化を身につけるという視点から実験的なアプローチによる民族誌のこころみがおこなわれています。
考古学・文化人類学研究者の大西秀之(おおにし・ひでゆき)さんは、フィリピンの土器づくりを調査するにあたり、みずから現地の土器づくりに参加しています。
通常、文化人類学が他の集団の行為・行動を観察して記録をとるばあい、そばで見て写真や映像でからだのつかい方、道具の種類とそのつかい方などを記録しながら観察対象の人に「どうしてそうする(そうした)のか?」「どうしてこうしなかったのか?」などたずねます。
こうして観察対象の人がもつ範型と、それを表現する行為・行動をむすびつけてあきらかにしようとします。
これを聴取、聞き取り調査とよびます。
わたしもそういう質問をしたことがあるのですが、最初はたいてい「便利だから」とか「そういうものだから」といったこたえがかえってきます。
このこたえだけを聞いていると、何もかんがえずに、理解せずにやっているのだろう、まさに「文化のあやつり人形」なのだろうなどとおもってしまいます。
しかし、時間をかけて会話をつづけていくと、しだいにくわしく、そして合理的な、共感できるこたえがかえってくるようになります。
「こんなこと、これまで息子からもたずねられたことがなかったので、はなしたことなかったよ」
そういえば、こちらの価値基準で「なんでこうしないの?」とたずねると、逆に「どうしてそんなことするの?」と返されて説明にこまったこともありました。
つまり、身体知をふくめておおくの「あたりまえすぎる」知識や情報は、ことばで説明する機会、経験がないと説明できない・・・
大西さんはみずから土器づくりをその集団のやり方で経験し学習することをとおして、かんたんにことばで説明できない身体知を、それとはちがう文化に属する自分(研究者)のことばで説明することをこころみています(2014『技術と身体の民族誌』)。
この方法は文化を理解するための民族誌と実験をかねあわせた研究方法として注目されます。

粘土をこねるという行為も、見るとやってみるのではおおきなちがいがあります。
新年あけましておめでとうございます。
本年も特別史跡加曽利貝塚および加曽利貝塚博物館をよろしくお願い申し上げます。

ひきつづき、特別史跡加曽利貝塚と考古学がどのような研究分野なのか、考古学がどうかんがえてきたのかを紹介してまいります。
師匠(ししょう)が弟子(でし)にむかって「自分の背中を見ておぼえろ!」
いかにもふた昔前の師弟関係や親子関係にありそうなおはなしです。
でも、このひとこと、文化をかんがえるうえでとても重要なひとことです。
文化の定義のキーワードが「おしえる」「おそわる」ことだとするならば、まっさきにおもいうかべるその場所は学校ではないでしょうか?
学校は文化をひきついでいく重要な場所であることはまちがいありません。
学校では、先生がことばと教科書などの文字をとおしておしえます。
それと同時に先生は朝礼や終礼、音楽や体育、理科の実験、課外活動などさまざまな場面でことばや文字をつかうことなく身体のうごき、しぐさでおしえており、児童・生徒はおそわっています。
さらに特別な、専門的な技術を必要とする仕事では、それを「親方」や「師匠」といった自他ともにみとめる熟練した人からおそわります。
いまはそういった技術も学校でおそわることができますが、最後は「親方」「師匠」あるいは「先輩」におそわって「一人前」になることがおおいのではないでしょうか。
親方、師匠はポイントでおしえることはあっても、くわしいことをことばやましてや手順を書いた文章や図面で弟子におしえることはほとんどありません。
基本は師匠を「見てまねる」「まねてやってみる」です。
それは時としてテクニックにかぎらず、仕事にとりくむ姿勢やかんがえ方、生活のおくり方にまでおよぶことがあり、それらをとおして身体でおぼえる、身体知にしていくこともあります。
もっと身近にことばや文字などでおしえられない身体知を身につける過程を説明するときによくつかわれるたとえがあります。
それは、はじめて自転車に乗るときです。
もし「自電車の乗り方」というテキストがあり、図や写真と解説文で自電車の乗り方、操縦方法が説明されていたとして、それを読んで自電車に乗ることはできるでしょうか?
人から「右にたおれそうになったら、からだを左に」とかおそわっても、それだけでうまくのりこなすことはできないでしょう。
でも、このようにして身につけた身体知は、師匠や親方のものとまったくおなじではありません。
たとえば書道。
はじめは先生・師匠のお手本をまねて書きます。
でも、それはコピーではありません。
お手本をまねて、くりかえし書いていくうちに、そのお手本とはちがう、あるいはお手本をこえた、自分の作品になっていきます。

学校でまなぶ。

家庭でまなぶ。

特別史跡加曽利貝塚のなかでの自転車の走行はご遠慮くださるようお願いいたします。
ご理解とご協力をお願いします。
人は文化にしたがって行動する、範型にしたがってモノをつくる・・・
それでは人は文化のあやつり人形なのか?
人が文化にあやつられているならば、そもそも文化はどうやってできるのでしょうか?ちがうのでしょうか?変化するのでしょうか?
文化や範型はどれほどわたしたちの行為、行動をしばりつけているのでしょうか?
文化、範型がちがう、また変化する原因としては、ある場所で発明がなされると、それがつごうのよいものであれば人のあいだにひろがり、ひきつがれていくというかんがえ方や、発明のきっかけが環境の変化というかんがえ方などがあります。
これはラマルク流進化論のかんがえ方に通じています。
でも、これでどうして?という疑問にじゅうぶんこたえているでしょうか?
環境が変化しなければ発明はない?発明をうながす変化って、なに?
どうして、どうやってその発明がひろがる?とおくはなれたおなじような文化は、どちらからか伝わったもの?それとも別べつに発明された?
人類学研究者のティム・インゴルドさんは、モノをつくることにおいて「範型」を絶対視することに疑問の目をむけています。
インゴルドさんによると、モノをつくるということは、あらかじめその道すじをきめてそのとおりにすすめることではなく、人とモノが対話しながら「行く手を切りひらき、道を即興でつくっていく」ことだと言います(2017『メイキング』)。
そもそも、人はモノをつくるとき、頭のなかでかんがえてから動いているのか?
いや、身体の動きのほうがかんがえるより一歩先んじているのではないか?
たしかに頭のなかで「つぎはこうして・・・」なんてかんがえているうちは、初心者。
モノをつくるも、ピアノをひくのも、頭(範型)だけでなく、手などのからだ全体(のつかい方)、道具(ピアノなども)が一体となって、あるリズムをとりながらうごいていることに気づきます。
このような頭のなかの知識や情報だけでなく身体全体で「知っている」知識は、「身体知(しんたいち)」とよばれます。
範型はそれほどつよく人の行為、行動をしばらない・・・人とモノの関係は、人がモノに範型をおしつけるのではなく、おたがいの感触を感じながら、おたがいに声をかけあいながらかわっていくようなものとインゴルドさんは表現しています。
そういったなかから、「発明」「変化」がうまれてくるとは、かんがえられないでしょうか?

わたしは、マリオネット。
人がモノをつくるという行動は、文化的行動の代表格ではないでしょうか。
そこでは範型を共有して、その範型にあわせてモノをつくっていくことと理解されます。
でも、ほんとうに人は範型にあわせてモノをつくっているのでしょうか?つくることができるのでしょうか?
そういう根本的な疑問もだされています。
たとえば、打製石器をつくるとき、完成した形の範型をおもいうかべ、つづいてその形にするための理想的な手順をおもいえがきながら素材となる石をえらびます。
その石に最初の一撃をくわえて割る、とうぜん本人は範型どおりの道具とちからと動作で・・・でも割れた結果が頭に思いえがいた範型どおりに、ほんとうに割れるでしょうか?
おそらく、それに似たものはできても、まったく範型どおりにできることはすくない、もしかすると「ない」かもしれません。
その結果にあわせて次にどこをどのように打ち欠くのか、最初におもいうかべた範型の手順はすてて、目の前の状況にあわせて次の行為、行動をきめる・・・
これをくりかえしていくと、最初の範型どおりではなくてもちかいものになるか、あるいはちがうものになることもあるかもしれません。
いや、石器をつくるばあい、おもったとおりに石が割れないのは想定内!誤差の範囲内でしょ!
もともと範型はそういう誤差やそれを修正するための範型の組みあわせをふくめたセットじゃないの?
だから人はそれにあわせてつぎの範型を用意していて行動を修正しながらもとの範型によせていく、そうしなければおなじようなモノがあちこちにあらわれるはずはない、だから範型は絶対である!
かわっていくモノの状況にあわせてつぎつぎと範型をかえていく、そして範型をかえていくことができることこそが、その人の能力・技量である!
このばあい、範型をたくさんもっていて、刻々とかわる状態にあわせて範型をかえていけるのは、その人の経験の豊かさであり、人が熟練とよぶものかもしれません。
打製石器をつくった旧石器時代の達人は、最初の一撃で割った石の破片を見て、「ウ~ン、自分もまだまだだな」とか「くれくらいなら、よしとしようか」などとおもっていたのでしょうか?

打製石器はそうかもしれないけど、やわらかくて形が自在に変形できる粘土はちがうでしょう・・・
けど、そうかんたんなお話ではなさそうです。
人は成長にあわせて家庭、地域、学校、職場などだんだんとおおきい集団、数多くの集団のなかに入っていき、そこで「まね」をし、「学ぶ」ことで経験が豊かになります。
他方、おなじ集団にもかかわらずそのなかでさらに所属する集団がちがう、たとえば住んでいる地域や通っている学校、仕事がちがえば習得する知識・情報もちがってくる・・・
かつて世界中で「日本人は空手の達人」と信じられていましたが、「空手ができる」ことを「日本人」とするならば、なんと日本人のすくないことか。
その一方で、空手のできる日本人は世界中の空手をする人びとと「空手」でつながることによって、またべつの社会をかたちづくることができます。
以前、民族という集団のわけ方に実体があるか、ただの幻想なのか意見がわかれることを紹介しました。
民族をわける基準は、ことばや習慣など「文化」・・・でもほんとうに民族の基準となる絶対的な「文化」はあるのか?という疑問です。
文化はとてもおおざっぱで、目に見えず、きっちり定義できないという批判があると同時に、たしかに集団として習得され、継承される知識・情報はあって。それを介するとさまざまな人のつながり方、つまり「民族」という社会が見えてきます。
そういう意味で、文化は社会とセットで見ると、たしかに実体があるといえそうです。

他の民族グループからやってきたお嫁さんとその義母さん。
文化は身体にしみついたもので、そうかんたんにかえられない・・・例を紹介しました。
その一方で民族グループには、あたかも衣装のように着がえられる例があります。
11月23日(土曜日)・24日(日曜日)、千葉市生涯学習センターのホールを会場に加曽利貝塚E地点・B地点発掘100周年記念シンポジウム「加曽利E式土器の再検討」を開催いたしました。
両日はおおくの参加者をおむかえすることができ、最終日の最後までその熱気はたえることがありませんでした。
講演は、加曽利E式土器の型式編年研究のこれまでといま、そしてこれからという視点で、各テーマがつながっていく展開となり、本シンポジウムの趣旨がかたちになったものとおもいます。
最終日の討論では、研究史上のエポック、「神奈川シンポジウム」(1980年)をリアルタイムで知っている、まだうまれていなかった、といった発表者どうしのやりとりがありましたが、このような研究者の世代がつながっているすがたを見ることができたのもまた、本シンポジウムの成果のひとつではないでしょうか?
この場をかりて、あらためて発表者のみなさま、参加者のみなさまに感謝申し上げます。

たびたびお知らせしてきましたが、いよいよ11月23日(土曜日)・24日(日曜日)は加曽利貝塚E地点・B地点発掘100周年記念シンポジウム「加曽利E式土器の再検討」が開催されます!
加曽利貝塚博物館で開催中の企画展{あれもEこれもE-総括編ー」とあわせて加曽利まみれの週末をおすごしください。
シンポジウムと企画展の会場はちがうのでご注意ください。
シンポジウム会場は千葉市生涯学習センター(2階ホール)、企画展は加曽利貝塚博物館展示室です。
なお、11月25日(月曜日)は博物館の休館日となっていますので、こちらもご注意ください。

おさないころイギリスで育った日本人から聞いた体験談・・・日本に帰国してはじめてトイレにはいると・・・便座がない!
和式です。
しゃがむの?立つの?どちらもむずかしい!・・・それよりもそもそもどちらが前?
洋式便座からかんがえると深いほうがうしろ?
でもなんか便座の出っぱりが不自然でじゃま?
けっきょく、はじめての和式トイレではできずじまいだったとか。
「日本人」なのに、教わった経験がなければ和式トイレの前後も、つかう身ぶり、しぐさもわからない・・・
すくなくとも和式便座のつかい方の情報は遺伝しないことがわかるはなしでした。
人は生まれたときから、みずからが属する社会の「範型」にかこまれて成長していきます。
それはまるで溶解炉から溶けた金属を鋳型にながしこむようなもの・・・時間がたつにつれ、鋳型のすみずみまで溶けた金属(範型のまとまり)がいきわたり、そしてかたまっていく・・・とモースさんは説明しています。
こういった「範型のまとまり」を社会が共有するから、モノ・痕跡から人の行為・行動を復元し、その行為・行動から文化を復元できると、考古学ではかんがえています。

鋳型にとけた金属をながしこむ・・・

写真をとられるときには、姿勢をただして!
身体がそう反応する姿に私が共感をおぼえるのは、なぜでしょう?
おなじ用途のモノでも、すこしでも形がちがうとそれをつかう人の行動、身ぶりもちがう・・・そのような関係はモノと人の身ぶりのあいだのすみずみまでしみこんでいるとかんがえられています。
このモノと人の身ぶりと文化の関係に気づいたのは、フランスの人類学研究者、マルセル・モースさんです。
それは、第一次世界大戦での経験がきっかけだといいます。
モースさんは、イギリス軍の兵士が塹壕(ざんごう)を掘るときに、フランス軍のシャベルがうまくつかえない光景を目にします。
おなじ地面を、おなじシャベルという道具でおなじ掘るという行為、なのになぜうまく掘ることができない?
逆にフランス軍の兵士はイギリス軍のシャベルではうまく掘ることができない・・・
おなじ道具でおなじ行動をとろうとしても、形や柄のながさなどわずかなちがいで、人はうまくつかうことができなくなる・・・
モノはそれをつくり、つかう人の身体の動かし方、つまり身ぶりとセットになっている・・・身ぶりとは身体にしみついたもの、そしてすぐにかえることはむずかしいもの。
モースさんは、このような人の身ぶり、動作は本能など当然なものではなく、生まれたそのときから周囲をまねして、おしえられて身についたもの、つまり文化的なもの・・・それは道具をつくる、つかう、泳ぐ、歩く、すわるから生理的な動作にまでつらぬかれていることに気づきました(1976『社会学と人類学2.』有地亮・山口俊夫訳)。

かつてシャベルを漢字で「円匙」や「嘴匙」などと表記して、「エンピ」とよんでいました。
現在、このことばは土木関係者でもつかわれておらず、エンピと言って通じるのは日本考古学関係者か、戦前戦中の文学作品になれ親しんでいる方くらいではないでしょうか?
発掘調査といえば移植ごてと竹べらをつかうイメージですが、「加曽利貝塚E地点・B地点発掘100周年」のロゴマークの「1」がシャベルであるように、地表の土をどけたりするためにシャベルをつかいます。

そのシャベルのつかい方に「エンピなげ」というワザがあります。
これはシャベルのうえに盛った土をそのままのかたまりの形で、くずすことなくとおくになげるワザで、かつてはこれができるかどうかが発掘調査の経験の多さをはかるものさしでした。
もし、「日本考古学関係者の文化」なるものがあるとするならば、「エンピなげ」の身体技法はその構成要素のひとつになるかもしれません。
でも、実際はエンピなげができない、しらなくても「日本考古学関係者の文化」に属さないわけではなく、「日本考古学関係者の文化」のなかでも所属するグループ・学派、世代などによってちがうばあいがあって、これもすでに紹介した「文化のあいまいさ」と言えましょう。


腰のはいっていないエンピ投げでご容赦ください(赤丸が土のかたまり)。
ちなみに学生時代、発掘現場で華麗にこのワザをくりだしていたところ、それをみていたとなりの工事現場の監督さんが、「そんな効率のわるいことしないで・・・」と言って一輪車を貸してくれました。
そちらのほうが楽に、そしてはやく作業がおわったことは、言うまでもありません。
ラマルク流進化論の世代をかさねるごとによりよい方向に変化していくというかんがえ方は、知識・経験・ノウハウが身体の外、「社会」で蓄積して引きつがれる文化における進歩・発展の説明のほうに適用しやすいかんがえ方でしょう。
初期の文化進化論では効率化と大規模生産を基盤とする近代西欧文化・社会こそが「進んだ文化」の到達点で、それ以外の文化・社会はそれへの道なかばの「おくれた文化」とみなし、西欧文化・社会との共通性の有無で「おくれた文化」から「すすんだ文化」への順番をつけようとしました。
このようなかんがえ方は19世紀の植民地政策を、完成した「すすんだ西欧世界」が未熟な「おくれた西欧以外の世界」をみちびくとして正当化するためにも利用されました。
文化は遺伝しない・・・
でも、生物のすべてが遺伝子によってきまる!遺伝子絶対論者としてしられる生物学研究者のリチャード・ドーキンスさんは、コピーして引きつがれるということでは遺伝子と文化はよく似ているとして、文化・情報がコピーされる構造に注目しています。
生物は遺伝子にもとづいてコピーされることで、子孫をのこしていきます。
ただし、コピーするときにまったくおなじにコピーされるとはかぎらず、伝言ゲームのようにちょっと変わることもある・・・こうしていくと多様な遺伝子がうまれる・・・この多様な遺伝子が一つのナベのなかにはいったような状態をドーキンスさんは「遺伝子のスープ」と表現します。
「遺伝子のスープ」からスプーンですくいあげられた遺伝子がその後引きつがれていくのですが、その中に変わった遺伝子がはいると生物は変化する、つまり進化していく・・・これは文化とよく似ていると。
文化のさまざまな要素が学習によってコピーされると、オリジナルとちょっとちがう、変わった情報がまじったスープできて、そこからすくいあげられた情報が文化としてひきつがれ、その中に変わった情報がはいってふえると文化は変化するというモデルになります。
ドーキンスさんは生物学研究者ですので、その関心は生物として情報をコピーする生物学的な構造にむけられています。
情報をコピーすること、学習することはなにもヒトだけの特徴ではなく、生物に情報をコピーする構造があるとかんがえます。
そして、身体をつくる、コピーするのが遺伝子であるならば、それを対応するような情報をコピーする何らかの構造・自己複製子が存在するはずというおおきな仮説をたてています。
ドーキンスさんはこの自己複製子が脳内にあるとして、それを「ミーム」と呼んでいます(2006『利己的な遺伝子』日高敏隆ほか訳)。
「ミーム」は「遺伝子(ジーン)」と対になるものとして、まね(模倣)という意味のギリシア語からドーキンスさんがあらたにつくった用語です。


エキサイティングな連休をすごしたい方はぜひご参加ください。
生まれた後、身につけた情報や知識によって文化がつくられ、つたえられていく・・・では、生まれつき身につけている文化はない?
通常、そうかんがえられています。
代々引きつがれながら変化していくといえば、生物の進化論をおもいうかべるのではないでしょうか?
そして進化論といえば、19世紀の生物学研究者のチャールズ・ダーウィンさんによる進化論がよくしられています。
でもそれより前には、同じく19世紀の生物学研究者のジャン・バティスト・ラマルクさんの進化論がありました。
ラマルクさんは環境により適した、有利な特徴をもった個体が生まれるとその特徴がそのあとの世代に引きつがれ、世代をかさねるごとに有利な特徴がどんどん発展して、時間の経過につれてより高度な、完成された種に進化していくとかんがえました。
「キリンの首は高い木の葉をたべるためにながくなった」は、ラマルク流進化論を説明する際によくつかわれる例で、目的的進化ともよばれます。
これに対してダーウィンさんの進化論では、生物種の中でさまざまな特徴をもつ個体(変異)がうまれて、おなじ種であっても多様なものからなる集団ができますが、そのほとんどは後に引きつがれない・・・なぜならば、生物はきびしい環境の中でその子どもをのこすまで生き残る確率が低いから。
ただ、多様な特徴をもつ個体がふえて、その中から環境に適応して子孫につないでいける(遺伝)と、その特徴をもつ個体がひろがっていく(自然選択)・・・ある意味、進化は偶然の産物、目的のない進化です(1990『種の起源』八杉龍一訳・原著は1859)。
進化論といえば「弱肉強食(じゃくにくきょうしょく)」や「適者生存(てきしゃせいぞん)」といったキーワードが出てきますが、これらはダーウィン流進化論の一部分を切りぬいて誇張した説明です。
現在は、進化のメカニズムをダーウィン流進化論の自然選択だけでなく、遺伝学の研究成果により、有利か有利でないか関係ない変異の蓄積によるものとする進化論中立説があります。
いま、自然科学の世界ではラマルク流進化論をはじめ後得的情報の遺伝は否定されています。
しかし近年、その一部を再度検証しようとする動きもあるようです。
もし、先代が獲得した生存に適した情報がまったく引きつがれないとするならば、どうして襲われた経験もないのに生まれてすぐに「天敵」を察知するのか?
バクテリアのような生物でも生まれてすぐに「天敵」を察知する能力があることがわかっていますが、それはどうして?
なぜ「ヤバイ!こいつにたべられるぞ!!」ってわかる?


みなさまのご来館、ご来場をこころよりおまちもうしあげます。
もし、社会ごとに壺の形と模様はこうあるべき、斧の形はこうあるべき、そしてこうつかうべきといった決まりごとがあるとするならば、私たちは何らかの設計図や取りあつかい説明書のようなものをもっているはず・・・みなの頭のなかにその設計図や取りあつかい説明書があるはず。
そのような頭のなかにある「こうあるべき」設計図を「範型(はんけい)」とよびます。
範型があって人びとのあいだ、社会でそれを共有するから、おなじモノ、似たモノがつくられ、つかわれる。
範型をもち、それを他人と共有できる能力が人類のおおきな特徴とされ、人類進化の歴史の中でいつその能力を手にしたのかに関心がむけられてきました。
約180万年前、アフリカ大陸でホモ・エレクトスが登場します。
ホモ・エレクトスはその後、アフリカ大陸をでてユーラシア大陸、東アジアにまで広がります。
これは、人類第1次の「出アフリカ」ともよばれます。
彼らは石を打ち欠いて打製石器をつくり、つかっていました。
その代表的な石器は、石のまわり、裏表を打ち欠いて直線的な刃をつけた三角形のハンド・アックス、握り槌(にぎりつち)で、その左右対称形の定形的な、決まった形の石器はアシュール型石器とよばれます。
石の道具は、それ以前にもありました。
それは石のふちを打ち欠いてできるするどい割れ口をつかう石器という点ではおなじですが、ととのったかたち、決まった形、定形的なものではないようです。
左右対称の決まった形の石器をつくるようになったということは、それ以前とは質的に大きく変わって、ホモ・エレクトスの頭のなかに「この石の道具は、こういうかたちであるべき」という決まり、つまり範型があって、ひろく共有されていたことをしめしています。
モノのかたちやすがたに範型があるならば、そのかたちにするための方法、手順においてもこうすべきという範型があるはずです。
たとえば石器をそのかたちにするためには、どのような石をえらんで、どのような道具でその石のどの部分を、どれくらいの強さで、どの方向にたたくのか・・・
つまり、モノ(このばあいは石)の物理的な性質があって、それにあわせた人の動き、行動の方法・手順があって、その結果としてモノの形があります。
人が生まれてからまわりをまねして、教えられてはじめて身につくもの、練習して身につけるもの、それが文化であるならば、石器をつくる方法・手順といった行動、そしてその結果としてのモノの形も文化によるものです。

アシュール型ハンド・アックスは100万年前以降、より薄く、洗練されたつくりに発達していきます。
ジョン・ワイマー1989『世界旧石器時代概説』(河合信和訳)より引用しました。
ことばで文化を説明してきました。
説明したほうも、なんとなくわかったような気がしていますが、でもその説明では何か、おおざっぱじゃない?
タイラーさんの定義では知識、神話、芸術、道徳、法律、習慣などの全体と言いますが、これらは文化を構成する要素をならべただけで、文化はどうして、何のためにどのようにつくられるのか、何かぼやっとしていて具体性がないようにも感じられます。
そのため、さまざまな研究分野ではもっと明確な文化という枠をつくるべきだという意見があります。
たとえば、文化とは人間が自然環境に適応するためのしくみである、とか。
これまでたびたび紹介してきた文化人類学研究者、マーヴィン・ハリスさんのたべもののタブー・・・これも自然環境に適応して生きていくためのしくみであり、それが文化であるという文化生態学のかんがえ方によるものです。
ある環境下で人が生きていくために、これはたべるけど、あれをたべはじめるといずれその社会が立ち行かなくなると判断することがタブーのはじまりで、それこそが文化であると。
人類学のなかには、そもそもあいまいで目に見えない文化など正確に説明できるものではなく、それよりも観念、シンボル、象徴などを介してつながる人と人の関係、実際の行動をとおして人と人がつながる社会こそが目に見えて説明できる研究対象だ!とするかんがえ方もあります。
さらに20世紀後半の人類学では、「客観的に観察して記述された民族誌」にもとづいた文化の研究をめざした文化人類学に対して、そもそも人は客観的に観察したり記述したりすることは不可能で、観察者・研究者の立場やその人の属する社会の価値観などがまじった主観でしか見ることができないのではないか?という、民族誌の客観性への疑念がもたれます。
たとえばあの研究者による民族誌の文章はうまいとか、生き生きした描写だとか、あの研究者が書いた民族誌だから信頼できるとか、「客観的事実の記述」のはずの民族誌が、研究者のネームバリューや文学的能力でその価値が左右されていること自体、客観的ではないことを意味しているではないか!という声もあります。
これは人類学だけでなく、考古学にも無縁なおはなしではありません。
たとえば、日本の遺跡の多くの発掘調査報告書では、「事実記載」が中心をしめています。
これは遺跡のなかでどこからどのような遺構がみつかり、そこから何がどれだけ出土したのか、その「事実」を文字・図表・写真でしめしたものです。
これを元手に考古学が文化を議論します・・・民族誌から文化を議論する文化人類学のように。
この「事実記載」、客観?主観?

発掘調査報告書の「事実記載」の例。
『史跡加曽利貝塚総括報告書』(千葉市教育委員会2017)より
遺跡の発掘調査報告書を読むとき、ときどき過去の生活を復元するまえに、この遺跡の調査者が発掘現場でどのようにかんがえ、行動をしたのか復元することがあります。


ただいま開催中です。
探検・冒険家の植村直己(うえむら・なおみ)さんは、1974年から1976年にかけてグリーンランドからアラスカの12000キロを単独で、現地の人びとが伝統的につかっていた犬ソリで移動しました。
植村さんは現地でエスキモー(イヌイ)から犬ソリの操作方法から極寒の極地でのサバイバル技術までを教わり、この冒険にいどんでいます。
この冒険ではしばしば食料不足におちいるのですが、いよいよ飢餓の危機に直面すると植村さんは犬ソリの犬をたべるとあと何日もつかと頭のなかで計算しています。
犬をたべて生き残ることは、エスキモーから教わったサバイバル術のひとつです。
しかし、けっきょく植村さんは犬をたべることはしませんでした。
植村さんの冒険では弱った犬をしかたなく雪原におきざりにしたり死なせたりしていますが、エスキモーのようにたべることはできませんでした。
植村さんはこの冒険以前にもさまざまな命にかかわる窮地を経験したうえでエスキモーのサバイバル術を教わり、犬をたべる必要性をじゅうぶん理解していたのですが、けっきょく犬に対する感情・心情まではエスキモーとまったくおなじになることはできなかったと言っています(1979『北極圏一万二千キロ』)。
これは植村さんの個人的な感情によるものでしょうか?
常識、「ものごとはこうあるべき」のかんがえ方は人の行動・行為を決め、その行動がモノや痕跡に反映される・・・だから逆にモノから人の行動を復元する考古学は、最終的に文化にせまることができるはずです。
たとえば、エスキモーならば犬をたべて、たべた痕跡を犬の骨に残します。
ところが植村さんは穴を掘って、死んだ犬をうめましました。
おなじ犬の骨でもエスキモーと植村さんで残り方がちがいます。
後世の考古学研究者が植村さんの埋葬犬を発見したならば、さぞかしおどろき、混乱することでしょう。
これは極端な例かもしれませんが、考古学であつかう日常の品々に対する人びとの接し方もこれとかわりません。
煮炊きにつかう土器やものをたくわえる土器は、その役わり(機能)に適した形になるのですが、その役わりに支障のない範囲で口の形はこうあるべき、この形の口にはこういう模様をつけるべきといった、さまざまな意識がくわわっています。
そのような「この形の土器にはこうするべき」の意識を集団の中で共有するからそれが常識になり、おなじような形、似た模様の土器がたくさん、いろいろな場所でつくられ、つかわれたとかんがえられています。


特別史跡加曽利貝塚出土のイヌの骨を再掲。
「縄文犬」編で紹介した加曽利貝塚の埋葬犬と、ばらばらで出土したイヌの骨についた切りキズ。
おなじ「縄文犬」でも、あつかい方にちがいがあったのかもしれません。

いよいよ開催いたします。
これまで何かとブンカ、ぶんか、文化と言ってきました。
考古学の目的は、文化とその変化、歴史を解明することとか。
虫をたべる文化があるとかないとか。
でも、そもそも文化って、なに?
19世紀に進化論にもとづく科学的な人類学の確立をめざしたエドワード・タイラーさんは、文化を知識、神話、芸術、道徳、法律、習慣、その他、人が社会の一員としておしえられて、社会的なコミュニケーションによって身につけた情報・知識の全体としました。
現在、さまざまな学問分野で「文化」ということばがつかわれ、それぞれで意味あいにちがいがありますが、基本的にこの集団(社会)の中で「まねる」、「教え、教えられる」ことで共有される知識・情報と、それにもとづく人の行動の習慣・能力という定義をひきついでいるのではないでしょうか。
何かむずかしくきこえる?
「文化」の概念をあつかうみなさまのお叱りをうけることを覚悟してまるめて言うと、ある人びと(集団)のあいだの「ものごとがどうあるべき」という考え方、さらにかんたんにすると私たちのいう「常識」とされるものにもとづいた行動のまとまり。
「ものごとはこうあるべき」という常識は、私たちが生まれつきもっているのでないことはこれまでもたびたびとりあげてきました。
人は生まれた後、まずは自分の親など身近なおとなを見て、まねたり教わりながら、さまざまな情報を吸収して育ち、それにあわせた行動をとります。
それがもっともよくわかる例が、ことばです。
「考古学って何」編でご紹介しましたが、常識とする根拠は本人をふくめてそれを共有する人びとの中ですべてが明らかにされていませんし、かならずしもその根拠が正しいかどうか問われるわけでもありません。
ことばもまわりのおとなの会話を聞いて、まねておぼえていきますが、たとえば語順がどうしてそうでなければならないかはおしえられず、まちがうと根拠ははっきりさせずに「そういうものだから」「そう決まっているから」となおされます。
このようなものを『サピエンス全史』(柴田裕之訳2016)の著者のユヴァノ・ハリルさんは、「フィクション」と表現しています。
そして、その「フィクション」をもつことができることが、人間が他の動物とちがうおおきな特徴としています。

悪いことをするとどうなるのか、オジがオイにおしえています。
怪獣フィギュア(人形)を入手したところ、背中にファスナーの表現がはいっていました・・・
「ここまで再現するなんて、すごくリアルだ!」と歓喜するか、「こんなのリアルじゃない!」とがっかりするか、みなさんはどちら?
怪獣フィギュアは怪獣の着ぐるみを模したものではなく、想像上の怪獣を形にしたものなので、多くの方は後者ではないでしょうか?
仮面土偶はさしずめ背中にファスナーを表現した怪獣フィギュアのよう。
現代の私たちの感覚からすると、坪井さんが言ったように「仮面をかぶった人」にみえます。
しかし、当時の人びとが「なまはげ」にように仮面をかぶると「ナニモノカ」に変身すると認識していたならば、それはもう人ではなく「ナニモノカ」をあらわしているのかも・・・
人の後頭部や仮面のヒモを表現するのは、「仮面をかぶった人」こそが「ナニモノカ」そのものなのだから、人の後頭部やヒモをふくめた姿にリアルな「ナニモノカ」を見ていた?
これはつまりCGの怪獣よりも、着ぐるみのなかにはいっているスーツアクター(役者さん)をふくめてこそその怪獣だとおもうコアなファンの感覚とおなじかも。
そうであれば、縄文時代の人びとは「ナニモノカ」を、仮面のヒモや仮面のうしろに突きだした後頭部をふくめて土偶にそのリアルな姿を見ていたのかもしれません。
これは土偶の顔を見た個人の感想です。
「ナニモノカ」が何ものかはわかりませんし、この感想は合理的な根拠によるものではないのでそれを証明する道すじもありません。
そもそも土偶が「仮面をかぶった人」か「ナニモノカ」か、どちらでもかまわないじゃない、そんなちがい、どちらでもいいじゃない?
仮面をかぶった人がいて、そういう儀式をしていたらしいという説明でじゅうぶんじゃない?
縄文時代の人びとがそういう儀式や土偶をひろく共有していたことがわかればいいじゃない?
それ以上わかるはずないし、わからなくてもいいじゃない?
ここからは過去の人の心のなかにわけいることできるかできないか、その必要があるのか?の議論です。
それはそれとして、「縄文時代の土偶の顔」展ではまず、縄文時代の人びとの表現の世界をおたのしみください。

これはリアルか?
背中にファスナーは?
東京都日比谷ゴジラスクエアにて。

当館で開催中の「縄文時代の土偶の顔」展。
会期は9月16日(月・祝)まで、あとわずか!
本展示では土偶とは何か?を直接問いかけるのではなく、縄文時代の人びとが「顔」をどのようにとらえて、どのように表現しようとしたのか、その造形に注目してみました。
本展示をごらんになって、その先の「土偶とは何か?」に興味、関心をもっていただければとおもいます。
さて、ここで展示された土偶を見た一個人の感想・・・土偶研究者による専門的なものではなく、外野席からのぞいた個人の感想をひとつ。
今回展示した土偶は本館と市原歴史博物館の連携展示の一環で、千葉市域の遺跡と市原市域の遺跡から出土した土偶によるものです。
この地域では縄文時代後期以降、土偶が多数出土する遺跡があらわれ、そのおおくはいわゆる山形、みみずく形とよばれる土偶です。
それらを見ると、とくに山形土偶に興味ぶかい「共通点」がありました。
それは前から見たのではなく、うしろすがた・・・顔に対して後頭部です。
土偶の展示はどうしても正面、つまり顔の方から展示することが多くなり、うしろすがたを見る機会は多くありません。
それは本展示でもむずかしかったので、うしろすがた、後頭部を写真でお見せしています。
山形土偶の後頭部にはまるい出っぱりが表現されています。
これはりっぱな土偶だけでなく、ちいさな簡略なつくりの土偶にも共通しています。
さらにその出っぱりから放射状に線がのびていたり・・・
こういう表現を見ていると、なるほどこの出っぱりは人の後頭部で、土偶のおおくは坪井正五郎さんが指摘して以来言われてきた仮面をかぶった人なのだろうか、などと納得できたりします。
いや、まてよ、そうであればこれって「仮面をかぶった人」なの?それとも仮面をかぶって変身した、人ではない「ナニモノカ」なの?
秋田県男鹿半島で有名な「なまはげ」・・・鬼のような「なまはげ」がおさない子どものいる家々をまわって逃げまどう子どもに「泣く子はいねが!」などとせまる行事でしられています。
「なまはげ」の正体は近所のおにいさんたちですが、「なまはげ」の仮面をかぶるとそれはもう近所のおにいさんではなく「なまはげ」です。
縄文時代の人びとも仮面をかぶって精霊、神、死霊などの「ナニモノカ」に変身していた?
そのすがたを土偶があらわしていたとすると、それは人?ナニモノカ?どっち?


うしろは人の頭?後頭部?それとも結髪(けっぱつ)?
いろいろな見方ができます。
土偶は女性?雌雄同体(しゆうどうたい)?


山形土偶の顔とそのうしろ、後頭部。
後頭部の出っぱりから線が放射状にのびています。


こんなちいさな土偶にも、後頭部の出っぱりはしっかり表現されています。


みみずく形土偶の顔とその後頭部。
頭のうしろでヒモをむすんだような表現があります。
考古学研究者の水野正好(みずの・まさよし)さんは、まずおとなの女性、妊娠した女性、出産後子をそだてる女性というように、おなじ女性像といってもいくつか種類があることに注目します。
このおとなの女性、妊娠した女性、子をそだてる女性の組みあわせから、女性が「母」となる道すじをしめしているとかんがえます。
そして出生するといったん「母」としての「死」をむかえるとして、土偶が人によってこわされて村内のあちこちにばらまかれ、あるいは墓にほおむることであらたな生の力をあたえるという、ひとつの祭式のかんがえ方があったとする解釈をとなえました(1974「土偶祭式の復元」『信濃』26-4)。
水野さんはそれまでの女神信仰などばくぜんとしたものではなく、土偶のライフ・ストーリー「土偶のものがたり」から宗教的なストーリー「再生のものがたり」へとたどることで、土偶の特徴を説明しようとしました。
このかんがえ方・方法に対しては、批判があります。
たとえば、考古学研究者の小野美代子(おの・みよこ)さんは、この方法はまずストーリーがあって、それにあわせて土偶のさまざまな特徴をあてはめたもので、本末転倒だと批判しています(1974「土偶研究の現状と今後の課題」『遮光器』8号)。
これは事件の捜査で、最初に犯人の見込みを立ててからそれにあう証拠をあてはめていこうとする方法とおなじで、それであればだれもが犯人になってしまう・・・
モノをたくさんあつめて見ることで、その特徴がおのずと見えてくるはずだという意見がある一方で、いや、ただ見ていても何も見えてこない!何か意識して見なければ、何も見えてこない!たくさんあつめて見ようとおもうということは、その時点ですでに「何か」を見ようとおもっているから見えてくる!という意見があります。
たとえば、家族につれられてある店に行きました。
自分自身はその店で何か買いたいものがあるわけではありません。
店のなかをウロウロしても、棚にならんだ商品に目がいかず、店を出た後、家族から「あれ、よかったよね」などと言われて、冷房がきいていて気もちよかったくらいしかおぼえがなく「そうだね」とうつろにこたえるのがやっとなんてこと、ありませんか?
もし、「こういうものが欲しい」「こういうものがあればいいのに」などとおもっていると、そういうものが目にとまったことでしょう。
まずストーリーありきの方法は非科学的にみえるかもしれません。
しかし、仮説であればそのかぎりではありません。
たとえば物理学・・・その存在が証明されていなくとも、それが存在しないとさまざまな現象がうまく説明できないもの、つまり仮説があります。
ニュートンのリンゴの逸話で知られる重力、それに素粒子やニュートリノなどもそうで、最初はその存在があれば(なければ)さまざまな現象が合理的に説明できる(できない)ようになるものの証明はされていませんでした。
おおくの研究者がその仮説にもとづいてさまざまな方法で実験・観測して、はじめてその存在が証明されています。
それが仮説かただの空想かは、それによってどれだけおおくの現象を合理的に説明できるのか、そしてどうすると、どうなるとそれが証明できたと判定できるのか、その道すじがあるのかによります。

これまでの一般的にもたれている「土偶観」がどのようにしてできあがってきたのか、その道のりを紹介してきました。
最新の土偶研究の成果については、8月31日開催(会場は千葉市生涯学習センター)の博物館連携講演会にて紹介されますので、ぜひご来場ください。
ここまで、現在の一般的な「土偶観」にもつながる見方がどのようにつくられてきたのか、その道のりの一端を紹介してきました。
その関心が、おもに土偶そのものの特徴にあつまっていることにお気づきですか?
考古学ではモノそのものだけでなく、それがどのように残されていたか、つまりその出土状況もあわせてかんがえていることを事故・事件の現場検証をたとえにあげて紹介したことがあります。
土偶は遺跡内から土器や貝がらにまじってバラバラと出土するとはやくから認識されていました。
そこで大場磐雄さんは、土偶が呪術的な道具とみなした根拠のひとつも貝塚でこわれた土器などといっしょに出土することから、土偶の神秘的な力がうしなわれたからだとみなしました。
その一方で考古学研究者の八幡一郎(やわた・いちろう)さんは、考古学において信仰、心のなかに立ちいるむずかしさに言及したうえで、考古学的にどうであれば信仰と関係があると言えるのか、その候補を7つあげ、そのひとつに特殊な埋没の状況をあげています(1939「土偶・土版」『人類學・先史學講座』13)。
また、八幡さんは土偶そのものの観察だけからその性格をかんがえることはもはや限界があって、その出土状況からアプローチすることが考古学的手法として当然であるとも言います(1959「日本の先史土偶」『MUSEUM』109)。
バラバラ出土する土偶がおおいなかで、特徴的な出土状況を見せる例が知られています。
たとえば大正から昭和初期にかけて、石で囲われた中から土偶が出土する例が報告されるようになります(八幡一郎1922「信濃諏訪郡豊平村広見発見の土偶」『人類學雑誌』37-8ほか)。
このほかにも穴(土坑)のなかから出土する例もありますが、このような特徴的な出土状況をみせる土偶は、バラバラではなく、まるまるの完形あるいはそれにちかい状態で出土することがあります。
このように遺跡中からバラバラになって出土する土偶がある一方で、まるまるの土偶が出土することがあり、ひとくくりに土偶と言ってもそれぞれの背景にはちがうものがたりがあったのかもしれません。

長野県棚畑(たなばたけ)遺跡第500号土壙(どこう)出土の土偶(国宝)。
土坑のなかから完全なかたちで出土しています。
茅野市教育委員会1990『棚畑』から引用しました。

加曽利貝塚南貝塚でみつかった特殊な出土状況の土偶?
縄文時代後期の土器のなかから土偶が出土しています・・・が、この土器は割った破片を裏がえしにしています(杉原荘介編1976『加曾利南貝塚』より引用しました)。
土器は縄文時代後期前葉ですが、土偶は後期中葉以降の特徴なので、たまたまなかに入ったのか?あるいは後期中葉の人がふるい土器をみつけてつかったのか?このタイプの土偶が後期前葉までさかのぼるのか?
南貝塚は令和2~4年(2020~2022)に発掘調査を行い、遺構のない環状貝塚の中心から縄文時代晩期の土偶の破片などが出土しています。
考古学研究者の甲野勇(こうの・いさむ)さんは、それまでばくぜんとよびならわされてきたさまざまな土偶を考古学的な研究方法によってとらえなおそうとしました。
まず甲野さんは、土偶を5つに区分します。
この区分は、Aが「みみずく土偶」、Bが「山形土偶」、Cが当時は陸奥式土偶とも呼ばれていた「遮光器土偶」、Dが写実的な人形土偶、Eが「遮光器土偶」のなかで目の表現がちがうものです。
そして、当時進展しはじめた土器の研究成果とあわせて、それらの地域的なひろがりのちがいにも注目しています。
さて、甲野さんはここで大場磐雄さんとはちょっとちがうかんがえ方をしています。
土偶から単純に当時の習俗を復元しようとすることはできないとするかんがえ方は大場さんも甲野さんもおなじです。
ただ、大場さんが土偶をたんに想像を誇張したものとしたのに対して、甲野さんは人間を対象に似せてつくられたとして、誇張はあってもそのなかに事実があらわされているとかんがえます。
その根拠として、土偶の顔の横(耳)あたりに車輪形の耳飾りのような表現があるのですが、実際にそれに似た耳飾りが遺跡から出土していることをあげています。
そうであっても甲野さんは、土偶を当時の習俗の参考くらいにはなるかもね、という程度の言い方にとどめています(1936「日本石器時代土偶概説」『日本原始工藝概説』杉山寿栄男編)。
ところで、甲野さんは土偶の外観だけでなく、そのつくり方にも注目しています。
大場さんは土偶をそのさまざまななすがたから個人的、家族的なものとかんがえました。
甲野さんはとくに縄文時代中期以降、その文様・デザインが同時期の縄文土器のそれとおなじ、縄文時代後期になると土器を黒くする焼き方とおなじなど縄文土器との共通性をとらえて土器のつくり手とおなじで、専門集団がつくり供給していた、つまり個人や家族をこえてつくられ、つかわれたとかんがえています(1976『縄文土器のはなし』)。

甲野さんによる土偶の分類とその分布。
「日本石器時代土偶概説」『日本原始工藝概説』より引用しました。

甲野さんが土偶を分類した1936年当時の土器型式の認識
『日本原始工藝概説』より引用しました。


みみずく型土偶の耳に注目。
これに似た円盤状土製品(耳飾り)が加曽利貝塚でも出土しています。

人の形をしているので人間?
もし、象さんに宗教があって、神さまがいるとするならば、そのすがたは象のかたちをしているだろう、なんていわれることがあります。

ただいま当館で開催中の「縄文時代の土偶の顔」展では、新収蔵資料をあわせて紹介しています。
さて、これまで土偶の性格、目的について、お守り説・神像説などをふくめて宗教的なものとする解釈がありました。
考古学研究者の大場磐雄(おおば・いわお)さんは、その解釈をさらに一歩すすめて「宗教」と「呪術」をはっきりとわけることで土偶の性格を明確にして、その歴史的意義にせまろうとします。
まず、大場さんは世界の人類学・宗教学における「宗教」と「呪術」のちがいにかかわるかんがえ方を見わたします。
そして、「宗教」と「呪術」をはっきりとわけることはむずかしいとしつつ、「呪術」は個人的あるいはその家族が、自然や超自然の力をかりてみずからの欲求や問題解決をはかろうとするもの、「宗教」は個人をこえた大きな集団、社会でそれを共有して社会全体の問題解決をはかろうとするものとしました。
それにもとづいて土偶を見ると、赤く色がつけられたものがあること、そのすがたかたちが奇怪なものから人や動物に似たものなど多種多様であること、地域によってちがいがあることに注目し、それらが大きな集団で共有されたものではなく、個人的、家族的、よりちいさな集団でつくられ、つかわれたもの、つまり「呪術」にかかわるものとかんがえます。
それまでは、もっぱら服装など当時の習俗をしるための手がかりとして関心がむけられていましたが、「呪術」にかかわるものであるならば想像によって誇張されたものとなります。
また、土偶が完全なかたちで残っている例がすくないことにも言及します。
完全なかたちで残っていない、完形品がすくないのは、何かの理由でこわされた・・・
それも貝塚などでこわれた土器といっしょに出土する、つまり不要になったことを意味する・・・
さまざまな民族で霊力をもつもの(呪物)がその力をうしなうとこわして埋める例から、土偶もその「力」をうしなったからすてられたと推察しました(1926「土偶に關する二、三の考案」『國學院雑誌』32-5)。
土偶研究の歴史はふるく、ここにいたるまでかたちや表現方法から遮光器土偶、山形土偶、みみずく形土偶など、いまにひきつがれる名まえが呼びならわされるようになるほか、女性像が多い、完形品がすくないといった特徴への認識も研究者のあいだで共有されていました。
大場さんはそれらを統合して合理的に解釈しようとしました。
そしてこの考えかたは、その後の土偶の解釈、そして一般的な「土偶観」に影響をあたえたとみることができます。
ちなみに大場さんはこれより前に、動物形の土偶や土器の取っ手に注目して、ある種の動物をうやまう人びとがいて、それはトーテミズムではないかと指摘しています(1922・1923「石器時代宗教思想の一端」『考古学雑誌』13-4・5・8)。



製鉄炉を守護する精霊像
よく見ると、背中にかついでいるものが・・・竹でつくられた弩弓と鉄砲のミニチュア・・・これで邪気をはらいます。
大場さんは土偶以外の「呪物」に木でつくられたものもあっただろうと言います。
土偶も何かアイテムをもっていて、パワーアップしていたかもしれませんね。
土偶がつくられた目的は、研究がはじまった当初からいくつかの候補があり、そのなかに信仰、宗教にかかわるものとする説があったことは紹介しました。
石器時代人起源論争が活発にかわされていたときは、むろん土偶そのものの性格に関心はありましたが、もっぱら論争の根拠にすべく衣服、頭の髪型、顔の「いれずみ」などの表現、つまり習俗をあらわすとして注目され、それによって分類されて名まえがつけられていきました。
坪井正五郎さんが亡くなり、石器時代起源論が下火になっていくと、土偶がつくられた目的、その性格が本格的に議論の対象になっていきます。
坪井さんの愛弟子のひとり、鳥居龍蔵さんは、土偶が女性をかたどったものが圧倒的に多いことと他の民族例などから「女神信仰」によるものとしました。
土偶の胸がおおきいこと、おなかがおおきいことが何かを象徴しているとして、世界中の民族やヨーロッパの石器時代「神像」を例にあげて女神像とかんがえています(1922「日本石器時代民衆の女神信仰」『人類學雑誌』37-6)。
このような女神像をまつることは、子孫やたべものの多産豊穣をいのるもので、世界各地に女性が大地での多産豊穣を象徴するとかんがえ方があることがしられています。
土に大地にタネがおちると発芽して植物が育つ「出産」、そのタネがおちてまたまたふえていく「繁栄」・・・土・大地に「母」をイメージした信仰、「地母神(じぼしん)」信仰とよばれます。

かそりねぇさん・・・なんて
かんたんによべませんね。
遮光器土偶に代表される、現在の用途がはっきりしているもの(つまり民族・民俗例)に似ていることを根拠とする解釈のやり方をはじめ、坪井正五郎さんのかんがえ方や研究手法は生前から批判されています。
いまでも坪井さんがモースさんの「観察と実験」による「客観」を重んじる考古学の方向性をひきつがず、誤った道にみちびいてその発展をおくらせたというような手きびしい評価もあります。
日本考古学において科学的研究方法を確立し、普及させたと評価される浜田耕作(はまだ・こうさく)さんは、現在も読みつがれる考古学の概説書『通論考古学』(1922)で、民族誌を参照する方法の有効性をみとめながらも、坪井さんの名前を出してはいませんが、「考古学の目的」などそのかんがえ方を暗に批判しています。
その一方で、モースさんにつづく日本考古学の黎明期にあって、考古学とは何かを定義づけてあらたな学会をたちあげたほか、全国各地におもむいて市民への講演をおこなうなど普及活動にとりくむなど考古学の発展の基礎をきづくのにおおきな役わりをはたしたことは否定できないでしょう。
その坪井さんの研究では、「遮光器土偶」の名まえだけでなく、今日の土偶の「常識」につながるような解釈があります。
たとえば胸とおなかのおおきさに注目して、土偶には男女のちがいがあることを指摘しています(1894「貝塚土偶の男女」『東洋學藝雑誌』第206号)。
また、土偶に服装など習俗に注目した坪井さんは、遮光器への関心からすすんで、土偶の顔の表現のなかに、素顔ではなく仮面のようなものがあり、そのような土偶は宗教的な行為をしている人をあらわしているとして、土偶を宗教的なものとかんがえました(1890「石器時代の假面」『東洋學藝雑誌』第197号)。
坪井さんと同時期に土偶に関心をむけた研究者に大野延太郎(おおの・のぶたろう)さんがいます。
大野さんはもともと画家・・・モースさんの大森貝塚の発掘調査報告書以来、土器や石器などの遺物を記録、報告するときには、画家がそれを忠実に絵に描きとっていました。
現在は研究者が実測(じっそく)という方法で図にしていますが、その当時は画工さんとよばれる専門家が研究者の指示によって絵に描いていました。
大野さんは東京帝国大学所属の画工さんでしたが、遺物を絵に描きとっているうちにその観察眼がやしなわれて考古学研究にめざめます。
大野さんは画家だったこともあり、その雅号「大野雲外(うんがい)」を名のることもありました。
大野さんは当時知られていた各地の土偶をあつめて、持ち前の観察眼からその特徴を15のタイプにわけています。
これは研究をはじめるときに、まずはその資料(土偶)をあつめて(集成して)、共通する特徴から分ける(分類する)という現在とかわらない基本的な手法です。
このように分けられた土偶は、その特徴からしだいに「山形土偶」「ミミズク土偶」などと名まえがついていきます。
さて、坪井さんが土偶に男女があるとしましたが、大野さんはこの集成と分類をとおして女性を表現した土偶がおおいことを指摘したうえで、安産をいのる神さまとして妊娠した女性像をあらわしたものが土偶ではないかとかんがえています(1910「土偶の形式分類に就いて」『人類學雑誌』27-1)。

長野県茅野市中ツ原遺跡出土の国宝仮面土偶の実測図。
茅野市教育委員会『中ッ原遺跡』2003より引用しました。
三角形の顔のうしろ、後頭部にはひもをまわしたような表現があります。

大野延太郎さんがあつめた土偶の図画(一部)。

ただいま開催中!
土偶研究はそのはじまりから用途、何につかわれたのかに関心が寄せられましたが、それと同時に姿かっこうにも大きな関心がよせられました。
貝塚を残した石器時代人の姿かっこうを土偶のなかに見ようとしました。
そしてその姿かっこうから、石器時代人のルーツをたどることができると期待されていきます。
そのひとつが、今日「遮光器(しゃこうき)土偶」とよばれる東北地方の土偶です。
当初、この独特のかっこうの土偶が東北地方、日本列島の北方にあることから、きびしい冬をすごす人びとの姿、つまり防寒具を身にまとった人の姿が想像されました。
石器時代人コロボックル説の坪井正五郎さんも最初はこの防寒具着用説に同意して、石器時代人が大陸北方の人びとと関係があるとかんがえました。
しかしその後、ヨーロッパへの留学中に博物館で見たシベリアでつかわれていた「遮光器(しゃこうき)」に似ている!として、この土偶の特徴的な目の表現は遮光器をつけた石器時代人像とかんがえました(1891「ロンドン通信(雪中遮光器)」『東京人類學會雑誌』)。
遮光器とは、白い雪の表面に反射した日光が目にはいって、目をいためることを防ぐためのメガネ・ゴーグルです。
現在でも雪山の登山やスキーでは、雪から反射するつよい光から目をまもるため、サングラスや色つきのゴーグルをします。
遮光器は、細長いスリット(切れ目)がはいった眼鏡をかけることで、地表で反射する光から目をまもる道具です。
さて、この土偶の目の表現が遮光器をかぶった石器時代人である!という解釈が、以後、遮光器土偶とよばれるようになり、今日もつかわれています。
坪井さんは土偶の表現が何をあらわしたものなのかを問題として「遮光器」に行きあたり、当時は寒冷な環境にくらしていたことを証明したのであって、この解釈は石器時代人起源論とは直接関係ない!と強調しています。
そう言いながらも最後にしっかり「北方極北の人びとは遮光器をつかうけど、アイヌはつかわない」といった一文つけて、この遮光器土偶を石器時代人コロボックル説の「根拠」のひとつにしています(1894「貝塚土偶の面貌の奇異なる所以を説明す」『東洋學藝雑誌』150)。
しかし、遮光器とする解釈ものちに疑問視されていきます。
それを言うならば、おなじくアフリカやニューギニアの仮面でも似た目の表現があるとか、遮光器土偶全体が強調され抽象化された表現であって、目の表現もまたおなじく強調されているだけでは?といった批判です。
そもそも石器時代人が遮光器をつかっていた直接の痕跡、たとえば貝塚から遮光器そのものが出土するなどの痕跡もみつかっていないではないか!!
と言うことで、現在この遮光器説は根拠がないとされています。
このように遮光器は否定されましたが、なぜか「遮光器土偶」の呼び名だけはいまもつかわれています。
「遮光器土偶」とおなじく、考古学ではこのような例がいくつかあります。
たとえば「石庖丁(いしほうちょう)」・・・弥生時代の半月形の石器で、一辺に刃がついています。
当初、この種の石器は北アメリカ大陸の先住民が肉を切るときにつかう刃物の形に似ているとして、「石庖丁」とよばれました。
しかしその後、東アジア大陸部の初期農耕文化にともなうもので、穀物の穂をつみとる道具とかんがえられ、そして実際にその刃の部分に残るキズ痕の特徴からもそれが証明されています。
それでも、いまもこの種の石器の呼び名は、「石庖丁」のままです。

亀ヶ岡石器時代遺跡大型遮光器土偶(レプリカ)
画像:JOMONARCHIVES(つがる市教育委員会所蔵)

「ロンドン通信」で紹介されたシベリアの遮光器。
大森貝塚の発掘調査と報告書には、厳密な進化論にもとづく動物学研究者としてのモースさんのモットーが徹底されていました。
そのモースさんの研究姿勢は、ともに大森貝塚の調査をおこなったお弟子さんのひとりで将来を期待されながら若くして亡くなった松浦佐用彦(まつうら・さよひこ)さんのお墓によせたことば、「観察と実験」によくあらわれています。
しかし、このモースさんの研究姿勢はかならずしもその後の日本考古学で引きつがれたわけではありませんでした。
それはこのあと、日本考古学・人類学の関心がもっぱら日本石器時代人(人種・民族)起源論へとかたよっていったことにあらわれます。
この議論を先導した人類学研究者のひとりが坪井正五郎(つぼい・しょうごろう)さんです。
この日本の石器時代の人びとは何ものか?いまの「日本人」とどう関係があるか?という議論では、石器時代人アイヌ説、コロボックル説、それ以外の集団「固有日本人」説があり、そのなかでもアイヌ説とコロボックル説の議論が活発にかわされます。
アイヌ説は貝塚出土の土器や土製品の文様とアイヌがつかう文様が似ていることからはじまりますが、その後、人類学研究者を中心に貝塚から出土する人骨の特徴から主張されるようになります。
他方、コロボックル説は江戸時代にアイヌと接触のあった和人(わじん)がアイヌからききとった記録のなかに出てくる伝説上のちいさな人びと・コロボックルを石器時代の貝塚をつくった人びととするものです。
コロボックル説イコール坪井さんのイメージもありますが、コロボックル説自体はもともと坪井さんが主張しはじめたものではありません。
それをつよく支持してアイヌ説に対して孤軍奮闘したため、坪井さんはコロボックル説を代表する研究者とされています。
坪井さんはコロボックルをシベリアやアラスカの極北地域の人びとの祖先とみなしています。
コロボックル説の根拠は、たとえば貝塚からは土器が出土するが、アイヌは土器をつかわない、竪穴住居に住まないなど、もっぱら文化的要素からアイヌ説を否定するものでした。
人骨の特徴にもとづく説と、文化要素にもとづく説ではとうぜん議論がかみあいません。
その文化要素にもとづくコロボックル説のなかで、土偶もその根拠のひとつとされていきます。

北方の竪穴住居跡。
坪井正五郎さんの命をうけて千島列島を調査した鳥居龍蔵(とりい・りゅうぞう)さんは、千島アイヌの人びとが竪穴住居・土器をつかっていたとして師匠のコロボックル説に反対しています。
画像:史跡大船遺跡大型竪穴建物跡
JOMONARCHIVES(函館市教育委員会撮影)
縄文時代の「第2の道具」のなかで、もっともよくしられているのは「土偶(どぐう)」ではないでしょうか?
江戸時代には知識人がさまざまな古物に関心をむけて記録・紹介するなど、本格的に西洋近代科学が到来する前の日本において現在でいうところの「博物学」の素地がつくられたといわれています。
そのような古物のなかに縄文時代の遺物もふくまれ、土偶も注目されていました。
このようにはやくからその存在がしられ、関心がむけられていた土偶は、明治期に近代的考古学・人類学が導入されるとさっそくその研究対象になります。
1877年(明治10)、エドワード・シルベスター・モースさんによる大森(おおもり)貝塚(現在の東京都品川区)の発掘調査は、日本における近代科学としての考古学の出発点としてしられていますが、このときの調査成果は1879年(明治12)に英文の報告書で公表されています。
そのなかでモースさんは粘土製の板に模様をきざんだ「土版(どばん)」は報告していますが、土偶については報告していません。
動物学研究者であったモースさんは東京帝国大学(現在の東京大学)教授についたことから、大森貝塚の出土品は現在、東京大学総合博物館にひきつがれ、重要文化財に指定されています。
この出土品は再検討された結果、1879年(明治12)の報告当時、土器の取っ手の破片とされていたものが、土偶の足の破片であることが判明しています(東京大学総合博物館『人類先史縄文時代土偶・土版データベース』標本番号16)。
1886年(明治19)には、植物学研究者でありつつ考古学研究にもおおきく寄与した白井光太郎(しらい・みつたろう)さんが東京都池袋から出土した土偶中心に青森県亀ヶ岡出土の土偶と比較しながらその意義について本格的に議論しはじめます。
それは、そのおおきさ、形が似ていることから、それらがおなじ人がつくったものをとおくはなれた場所にはこんだのか、あるいははなれた場所でおなじ服装をしていたのか、どちらかではないかと問題を提起しています。
さらに白井さんは、土偶の用途についても常識的にいくつかの可能性をあげています。
それは、「おもちゃ」、「神像」そして「装飾品」説です。
そして自身は「装飾品」をとったうえで、さらにオーストラリア先住民の事例を紹介して、装飾とお守りをかねたものとかんがえています。
白井さんのあげたこれらの選択肢は、このあとも土偶の用途の議論でひきつがれていきます。
ところで白井さんはこの中で「上総国平山修理臺(しゅりだい)」出土土偶を紹介しています(「貝塚より出でし土偶の考」『人類学会報告』第1巻2号)。
これは現在の千葉市緑区平山町に所在する遺跡(長谷部貝塚?)の出土品で、土偶研究の出発点で千葉市がかかわっていたということになります。

あなたも特別史跡加曽利貝塚で土偶兄弟になりませんか?
もし土偶「おもちゃ」説が正しいとすると、日本のサブ・カルチャーの原点が土偶にあるかもしれません。
さて、縄文時代の遺跡からは直接ヒトの生き死にかかわらない行為・行動によるとおもわれる、さまざまなモノや痕跡がみつかります。
それは縄文時代のはじめからみとめられるのですが、先に高橋龍三郎さんへのインタビューでふれられていたように縄文時代の後半になるとその数がふえていきます。
ヒトの生き死に直接かかわるモノとは、簡単に丸めていうとそのつかいみちが衣食住にかかわるモノ、生物として生存、生きていくうえで必要な行為・行動にともなうモノ・・・それらはわたしたちの経験的な知識やつかったときにつくキズなどの使用痕跡、まれにつかった状態でみつかることで、その用途、つかい方が推測されます。
でも、それは土を掘ったり、木を切ったり、動物を刺したり、魚をつったりと何か対象物にはたらきかけるための道具であれば、のはなしです。
縄文時代にはそれらでは理解できないモノがたくさんあります。
むろん、そのなかには「えっ、そんなつかい方していたの!」みたいな道具もふくまれていて、今後おもわぬところから使用痕跡がみつかったり、つかいかけの状態で出土することもあるでしょう。
でも、その多くは道具としてどこで、どのようにして、何のためにつかわれたがよくわからない・・・
そういうモノを、「縄文カレンダーの」考案者・小林達夫さんは、「第2の道具」と表現しています。
この「第1の道具」と「第2の道具」をわけて、さらに「第2の道具」を理解するためには縄文時代の「世界観」「宇宙観」といった精神世界にわけ入る必要がありそうですが、これは人の心をあつかうことになります。
ここでふたたび「考古学は心のなかに入りこめるか?」の問題がでてくるのですが、そこは考古学研究者のなかでも意見がわかれるところではないでしょうか。


いわゆる環状貝塚(かんじょうかいづか)も「ナゾ」の多い「モノ」のひとつです。
現在、当館ではそんな「ナゾ」をとくための発掘調査の成果を紹介しています。
20年前のことになりますが、精霊を信仰する人びとの村をおとずれたとき、村長さんから「日本人は何を信仰するのか?」とたずねられ、こたえにこまったことがありました。
「日本人」という集団のなかにどれだけの信仰のかたちの数があるのか?
そして法事は仏式、初もうでは神社の自分はどうこたえるべきか?
おもいつくものをならべてみようか?などと思案していると、案内してくれた人が「仏教が多い」とかわりにこたえてくれました。
その村のちかくには仏教を信仰する人びとの村があったので、そうこたえるのがわかりやすいだろうと機転をきかせてくれたようです。
すると村長さんからは「仏教はいいよねぇ、うらやましい」と意外なおことばがかえってきました。
「精霊はわがままでたいへん、すぐごはんたべさせろ!というけど、仏教ではそんなこと、ないでしょ?」
このおはなしを聞いていたとき、「そういえば、わが家にもそういう精霊がいる」と同調していた人がいたけど、それはだれのことだろう?
また別の村で耳にした伝説。
ある山の精霊は、その山の資源を利用するかわりにふもとの村の人びとから毎年食事をごちそうされていました。
あるときその精霊がどういうわけか、引越しをしようとかんがえます。
でも、引越しするには行った先でだれかに食事をごちそうしてもらわないとならない。
ということで、引越す前に食事をごちそうしてくれそうな村をさがしに山をおりました。
それを知った近隣の村々では、精霊がやってくるまえに人びとが村を出て森のなかにかくれたり、扉をかたく閉ざして居留守をつかったり・・・
けっきょく精霊は引越しをあきらめてもとの山にもどり、いまもふもとの村の人びとがごちそうしている・・・とさ。
日本でも妖怪(ようかい)が人にわるさをする一方で、それをたすけると恩をかえしてもらえるおはなしがありますが、精霊もあらゆるモノ、トコロにやどり、その機嫌をそこねると人にわざわいや不幸をもたらす、逆に機嫌がよいと人を助けてくれる、そういうちょっと気づかいが必要な隣人たちと信じられています。

山の精霊へのごちそうの儀式前の呪術師。
ごちそうの儀式をしないと人はその山にはいることはできません。
儀式のあとであれば、これに参加していない村の人も山にはいることはできますが、「なにがおこるかわからないので、こわくてはいれない」と言います。
この儀式の最後には、精霊に「来年はこのごちそうをやめてもいいですか?」とおうかがいをたてていました。
このときのこたえは、「だめ!」でした。
信仰の対象というと、神さま、祖霊(それい)、精霊(せいれい)などのことばをおもいうかべます。
神さまは、人知をこえたちからをもってこの世界を支配するもの、
祖霊とは、亡くなったご先祖さまの霊魂。
祖霊は「死後の世界」に「旅だった」ご先祖さまで、ときどきにかえってくる・・・日本でいうところの「お盆」「お彼岸」。
この「死後の世界」「あの世」はたとえば山や海のむこうとか、「この世」の水平方向の先にあるとかんがえる社会があれば、ある山のうえの天上とか、垂直方向のかなたにあるとかんがえる社会があるほか、はるか遠くはなれた場所にある山のうえにあるとする水平・垂直両方をあわせたようなかんがえもあります。
祖霊には自分にちかい親族がいれば、ずっとむかしにさかのぼるある特定のご先祖さま、たとえば英雄のように活躍したとつたえられるご先祖さまもいます。
精霊とは、森羅万象(しんらばんしょう)すべてのモノやコトにやどる見えないちからをもつもの。
日常生活のなかで何かふしぎにかんじること、できごとがおきると、それに精霊がかかわっているとかんがえます。
たとえばバナナの皮ですべってころぶと、「バナナの精霊」のしわざとかんがえます。
このような精霊を対象とする信仰はアニミズムともよばれます。
ちなみに、バナナの皮ですべることは馬渕清資(まぶち・きよし)さんによって科学的に説明され、2014年にイグ・ノーベル賞物理学賞を受賞されています。
神さまなどとつながり、そのことばを人びとにつたえるちからをもつ人を預言者(よげんしゃ、予言者ではありません)、さらに神さまや精霊などのちからをかりて「この世」のさまざまな問題を解決する特別な能力を持つと認められた人を呪術者(じゅじゅつしゃ)とよびます。
神さまや精霊、祖霊への信仰では、そのすがたをあらわしいのる対象にすることがあれば、逆にそのすがたをあらわさない(あらわしてはならない)ばあいもあり、後者では名まえもない(というよりも、名まえを口にすることはおそれおおい)こともあって、何らかのシンボルであらわされることがあります。
前回までのテーマ、人をわける方法として信仰はおおきな役わりをはたしますが、信仰のなかにもこのようなちがいがあり、それによって人びとをわけたときのつながりのつよさ、わかれる境界の明瞭さもちがいます。
また、ひとり、ひとつの社会でいくつかをあわせて信じるばあいもあります。

信じることと信仰することはちがう?
信仰を辞書で引いてみると、「信じてたっとぶこと」
さらに「神聖なものに対する畏怖(いふ)からよりは、親和の情から生ずると考えられ、儀礼とあいまって宗教の体系を構成し、集団性および共通性を有する。」(新村出編『広辞苑』(第4版)より引用、一部省略)
信仰とは信じるだけでなく尊重すること、敬意をもつこと、そしてその意識を他の人と共有すること・・・
考古学は「人の心の中」まではわからない・・・などと言うことがあります。
そのためでしょうか、考古学で機能や役わりがよくわからないモノはすべて信仰にかかわるものにしてしまうなどと言われることもあります。
でも、なにか信仰の対象があって、それをうやまう人の行動があるとするならば、その痕跡はモノにあらわれ、考古学がアプローチできるはず。
人びとが信仰でつながり、いのるという行動を共有すれば、その行動の痕跡が時間・場所をこえてくりかえしのこるはずです。
このくりかえしのこる痕跡から、考古学は人びとの心の内に入っていくことができるとかんがえています。
でも一人ひとり、個人の心は、みなちがう・・・考古学は集団としての人を対象にするのは得意かもしれないけれど、みなちがう個人の心となるとムリでしょ?
たしかに考古学では「個人はムリ!」
「そもそも考古学は個人を対象とするものではないし!」
「個人を相手にするならば、主語(個人名)のある文書を対象とする歴史学で!」と言われることもあります。
しかし、考古学でも個人のことをかんがえないといけないようになってきたようです。
たとえば変化・・・どうして土器の形や文様はかわるの?とか・・・
これまで個人の果たした役わりは集団のなかにかき消されて評価してきませんでしたが、ほんとうにそれで変化の理由が説明できているのでしょうか?
この個人の心を対象とする研究分野に心理学があります。
考古学・人類学そして心理学は、「人とはなにか」をあきらかにすることを目的としている点で根っこはおなじ・・・それをつきつめていく方法、方向性がちがっていく過程でわかれていった、いわば親せきのようなものです。
人類学も考古学も心理学もいったんはわかれましたが、その後、「ヒト・人を理解する」という最初の共通したおおきな目的にさかのぼって、ふたたびつながるうごきがあります。
それぞれの得意とする方法をつかって、それぞれが不得意とすることにせまる・・・考古学も心理学などの協力をえることで個人の心にもせまることができるようになると期待されます。

土器のつくり手がはたす役わりとは?

みなさん、なにをかんがえているのでしょうか?
高橋龍三郎さんのインタビューで、イノシシやイヌ、トリなどの動物を埋葬するというおこないには、その動物に人とおなじあつかいをするという意識があった、そういう意識をもつのは、その動物を祖先とする自分とあの人は「おなじ」か「ちがう」か、他者とのあいだの「境界」を明確にしようとしたことが反映されている可能性があることをしめされました。
人と人のあいだに「境界」をつくっていくことは、ひとつの社会のなかにもいくつもの集団ができて複雑になっていくことをあらわし、縄文社会もその変化が縄文時代後期におおきくあらわれるとのことです。
ここでふたたび登場したのが「禁忌(きんき)」「タブー」です。
これまで文化人類学研究者のマーヴィン・ハリスさんのそれぞれの環境下でのタンパク質・カロリーの収支計算で、その社会ごとにたべてはならない動物、タブーがきまるという解釈を紹介してきました。
今回のタブーは、動物が人びとをわけてその関係を明確にするシンボルとなったため、たべてはならないとする解釈です。
さて、トーテムそのものは、いわゆる神さまなどのように本来それ自体が信仰の対象になるとはかぎりません。
たとえば、前回紹介したトーテムポールは、そこにどういう人びとがいるのか、内外にしめすシンボルであって、おそなえものなどしていのる対象ではありません
はじめて北米大陸のトーテムに出あったヨーロッパの人びとがトーテムを「守護霊」と翻訳したように信仰対象とまぎらわしいのですが、トーテムそのものは集団をあらわすシンボル。
ただし、その集団に属する人びとの関係を確かめたり強めようとしたりすると、共通の祖先あるいはその生まれかわりとしてのトーテム(シンボル)を信仰対象とすることがあり、それをトーテミズムとよびます。
母系社会とは、自分(エゴ)からご先祖さまをたどるとき、母おやのながれでたどっていく社会、父おやのながれでたどっていく社会を父系社会。
母系社会が見てすぐわかる例としては、結婚すると夫が妻の方の家・家族のほうに住み(妻方居住婚・つまかたきょじゅうこん)、子どもは妻方の家・家族がそだてる社会やその「家」の財産相続です。
文化進化論では、ふるくは母系社会から父系社会へと進化したとかんがえられていましたが、現在は否定されています。
日本でもかつては平安時代の貴族社会では当時の日記などの記述から妻方居住婚をとるとして母系社会とされていましたが、その後の研究では実はさまざまな場面で母系と父系がまじっていることがわかり、かんたんにどちらか二分できるようなものではなかったとかんがえられています。
人びとをわける方法として、どのようにして自分とのつながりをたどるかが基本となります。
それは血縁関係にかぎらず、出身地・年齢、職業や出身学校などさまざまです。
そのつながりをどう確認するか、たとえば親子関係の系図をたどるような方法があれば、実際につながっていようがいまいが関係なく、おたがいに「つながっている」と信じればつながる方法もあります。

「民族」も人びとをわける集団・・・でも、みんななかよくしましょう!
「民族」というつながり方に実体があるのか、ないのかについては意見がわかれます。
たとえば、ことばや身体上の特徴、生活習慣、信仰などの要素の共通性で「民族」を区分しても、その要素の種類・数がすくないと、外枠がぼんやりしたおおきな集団になるし、多くするほどそのすべての要素をそなえた人はいなくなる・・・だから「民族」という区分は、恣意的なもので実体がなく、ただの幻想、虚構だという意見があります。
以前紹介したヤオは、広い範囲にひろがって住んでおり、それぞれ生活習慣やことばさえもちがいますが、「山犬と王女さま」という「共通のご先祖さま」でつながっていると信じることでおなじ「ヤオ」とかんがえます。
たしかに幻想、虚構であってもそれを信じる人びとがいて、それにもとづいて実際に人びとがまとまって行動するという意味で「民族」には実体があるという意見もあります。
たべられないイノシシなどの動物がいたことは、それをたべない、たべられない人たちがいたということ、そこから社会のしくみが見えてくる可能性があることがわかりました。
Qそれではイノシシとおなじく貝塚から出土するシカは埋葬や土製品など特別なあつかい方が確認されていないことについても、もうすこしくわしくおはなしいただけますか?
高橋さん「シカにはそのような特別な扱いは見られません。
どの遺跡でも食料として捕獲され、食料として消費されます。
シカが解体されずにていちょうに埋葬されたり供儀された例はほとんどないのです。
また動物形土製品に焼かれることもありません。
それはトーテム動物になっていないからです。
シカをトーテムとして集団のシンボルにされた兆候(ちょうこう)はありません。
おそらく、それは縄文人の思惟(しい)の中で、シカが特別な能力や強さをもった動物として認識されていなかったことと関連しているのでしょう。
もうひとつ、トーテム動物というのは、その人間集団の遠祖となった動物であり、人間と動物の共通の先祖として位置づけられる動物です。
もしシカをトーテムとするということは、自集団がシカのように弱弱しく、不思議な力を秘めた集団ではない、ということを暗に認めてしまうことを意味します。
はたしてみずからの集団にそのようなイメージを重ねることをしたでしょうか。
シカがトーテム動物にならなかった理由は、じつはそのような動物界の事実を関係しているとかんがえられます。」
Qとくに特別な動物が顕著にあらわれるようになるのは縄文時代中期末~後期とのことですが、これをさかいに縄文時代の社会はかわったとかんがえられるのでしょうか?
どのようにかわったのでしょうか?
高橋さん「イノシシやトリ、クマ、イヌ、サル、巻貝(まきがい)などの動物だけが特別に土器で焼かれて動物形土製品として製作されます。
同時にそれとおなじ種の動物だけが、人間とおなじように特別にていちょうにあつかわれて埋葬されたり、供儀されたり特別に扱かわれるようになります。
縄文中期終末から後期にかけての出来事です。
その時期は、ちょうど親族構造が単系出自の母系制社会に変革する時期とかさなります。
つまりクラン(氏族)やリネージのような血縁紐帯(ちゅうたい)を基礎とする社会が出現したわけです。
それらはおなじ動物を旗印として集団を統合し、協力関係を取り結びます。
一方で、他の動物を信奉する集団に対しては冷淡です。
それが氏族社会の特徴です。
それらを総合的に判断すると、人間社会が中期から後期にかけて大きく変動し、単系出自の母系制社会が登場する過程と軌を一にしていることに気づきます。
考古学的にみると、先祖祭祀や儀礼がどの時期にも増して発展する時期です。
遺構や遺物などでもそれをしめす資料が急増します。
トーテミズムが血縁紐帯を基礎とする親族構造が社会の根幹をなすからで、これらの証拠は考古学的にも証明が可能です。
縄文時代後期はそのような社会構造に大きく変化しますが、それは一地域だけで完了するものではなく、大きな地域(東日本全体)を巻きこんで完成しないことには立ちゆきません。
婚姻制度や社会的紐帯、婚姻連帯なども一部の人たちだけがはじめればそれですむ性格のものではなく、社会全体がおなじ方向をむく大がかりな変動を必要とします。
後期に特定動物をトーテムとする動物形土製品が東日本全体に普及し、動物がていちょうに埋葬され供儀されたり、先祖祭祀の痕跡が明確に把握され、氏族ごとの大型住居が構築され営まれるのも、東日本全体のうごきなのです。
各氏族はそれぞれの流儀とか独特の習慣をもつことも十分にかんがえなくてはなりません。
東北地方のクマをトーテムとする集団では、大型の環状列石を構築して、様々な儀礼や祭祀を行ったようです。
いままでは区別なくすべての地域住民が参画してそのような儀礼祭祀をおこなったとかんがえていましたが、実はそうではなく、クマを表徴とする集団(クマ氏族)だけがそれを行っていた証拠があります。
つまり、この時期は氏族制が完成して、それぞれ独自の動きをはじめるようになったとかんがえてもよいのだろうとおもいます。」
今回、目に見えるモノから人の行動を、さらに一歩進んで見えない制度、社会を読みとくおはなしをいただくことができました。
高橋さん、興味深いおはなしをいただきありがとうございました。


加曽利貝塚の大形住居跡とそこから出土した異形台付土器(いけいだいつきどき)。
![]()
秋田県鹿角市の特別史跡大湯環状列石(おおゆかんじょうれっせき)万座(まんぜ)環状列石(右)と野中堂(のなかどう)環状列石(左)(JOMONARCHIVES:撮影者縄文遺跡群世界遺産保存活用協議会)
ここで掲載した図はインタビューの内容にもとづいて当館で引用、掲載しました。
イノシシのほかにも特別なあつかいをうけていた動物がいたことについて、引きつづきくわしくおなはしをうかがいます。
Qこれらの動物はどうして特別な存在になったのでしょうか?
縄文時代の社会にとって、なぜ特別な動物はどのような意味、役割があったのでしょうか?
高橋さん「肉を提供するシカなどは経済的動物です。食料資源として狩猟の対象となった動物で、それ以上の位置づけはありませんでした。
シカは当時の人から見ると特別にかしこい動物でもなければ、クマやイノシシのように特別に強く、とてもかなわない動物でもありません。
また空を飛ぶような不思議な能力もありません。
人間にとって特別な扱いを受ける動物というのは、基本的に人間の能力をこえるような力をもっています。
当時の人びとがそれを集団のシンボルとして位置づけるから特別の存在になったわけですが、その能力は基本的に縄文時代草創期から認識されたはずです。
ところが、それらが動物形土製品として粘土で焼かれ、特別に敬意を払われて丁重に扱われるようになったのは縄文時代後半期でとくに中期のおわりごろから後期になってからです。
つまり、特定の動物を集団のシンボルとして位置付けるのは、トーテミズムという世界通有の宗教的、社会的特性であり、社会の進化と歩みをともにする動きなのです。
社会がある程度進展し、社会の仕組みが複雑化して親族構造や出自(しゅつじ)制度、婚姻(こんいん)制度などがととのえられるなどの進展が必要です。
世界の民族誌をながめると、おおよそ単系出自制度で外婚(がいこん)制がとられる社会では、みずからの集団に特別の動植物をあてがって、集団名にその動植物名などを冠するようになります。
外婚の単位として機能するには、おなじトーテムをいただく集団同士の婚姻をさけ、異なる集団と縁組を進める必要があります。
トーテミズムはそのような外婚制などの社会の仕組みと相関することも重要な特徴です。
もうひとつ、そのような動物界の位置づけを、人間界の中に引き入れて、人間社会での位置づけと関係づけることもトーテミズムの特徴の一つです。
たとえば、クマという名前を集団名につけて、その地域ではならぶものなき強い集団だという位置づけをすることもします。
動植物界との相同的関係性を人間社会にももちこむのです。」
Qイノシシなどは特別なあつかいを受けた一方で、貝塚から他のたべられた動物たちとともに出土していますが、このちがいは何でしょうか?
高橋さん「イノシシなどは食料として解体され、食されたあとは残滓(ざんし)としてすてられることが多いのですが、中には解体されず、したがってたべられることもなく、儀礼的に殺害(供儀)されたあとに、遺体がていちょうに土坑に埋葬されることもよくあります。
両者の違いはなぜ起こるのでしょうか。
それはイノシシをシンボルとして信奉する集団にとって、イノシシはトーテムですから不食不殺でたべてはならない動物です。
摂食禁忌(せっしょくきんき)といいます。
ところがイノシシをトーテムとしない集団(たとえばイヌやトリをトーテムとする集団)は、イノシシは通常の食料としてたべることができますので、集団が保持するトーテムの種類によってあつかいが異なってくるわけです。」
(次回につづく)

千葉ポートパークのトーテムポール。
アメリカ合衆国ポートランド港と千葉港が姉妹港になったことを記念して、アメリカ先住民の手によって彫られたトーテムポールがたてられています。
一番上に日本とアメリカ合衆国をあらわす2人の首長、二番目にアメリカ合衆国の国鳥・ワシ、三番目に東西をむすぶ海と太陽、一番下にオレゴン州を代表する動物・ビーバーが彫られています(現地解説板より)。
このようにトーテムポールでは、動物などをシンボルにして人びとの関係、つながりのものがたりをあらわしています。

恒例の「縄文春まつり」を開催します。
今年度は「加曽利貝塚E地点・B地点発掘100周年」!
一年の各行事をとおしてその意義について発信してまいります。
5月5日(日・祝)には記念式典後に特別ガイドツアーも予定しておりますので、みなさまご参加ください!
これまでの縄文時代貝塚の調査によって、イノシシは他の動物とちがうあつかいをうけていたことがわかってきました。
ここからは、特別史跡加曽利貝塚で三次元測量・地中レーダー探査による調査をおこなうなど加曽利貝塚の調査研究、保存活用にご尽力いただいている早稲田大学名誉教授の高橋龍三郎(たかはし・りゅうざぶろう)さんにおうかがいします。
高橋さんは縄文時代の社会・文化像にせまるため自然科学分野と協働した成果を発表しているほか(『科学で読みとく縄文社会』2022)、パプアニューギニアの民族誌的調査・研究をとおして縄文時代の動物と人の関係にあらたな視点で切りこまれています。
Qここまでイノシシが埋葬された事例が紹介されてきました。
埋葬や土製品以外でイノシシが特別な動物だったことをしめす考古学的痕跡はあるのでしょうか?
高橋さん「イノシシの犬歯(けんし)は特別に装飾的価値をもったようで、中期、後期には腕輪や首飾りに加工されて装着された事例が関東(草刈(くさかり)貝塚、有吉北(ありよしきた)貝塚等)、中部地方(北村(きたむら)遺跡)で出ています。
イノシシの犬歯を意図的に抜きさること(北杜市金生(きんせい)遺跡8号土坑)は、人に即して言うと「抜歯習俗(ばっししゅうぞく)」に相当しますが、うがった見方かもしれませんが、これはヒトの論理に引きよせてイノシシを人と同等にあつかったことをしめしているのかもしれません。
埋葬に際して足を屈葬(くっそう)にする茂原市下太田(しもおおた)貝塚のイノシシ事例も人とおなじ対応をしめしています。
歯の脱落はいままで牙を装飾品にするために抜いたとか、強い動物にかみついたために抜け落ちたと説明されてきましたが、イノシシを特別に信奉する集団が人とおなじ論理にもとづいて抜歯したとみることも可能です。
さらに市川市向台(むこうだい)貝塚の7号土坑中から検出されたイノシシ2体が食性分析(同位体分析)の結果、人とおなじ食料をあたえられて育てられたことが判明しました(米田穣他)。
これも人とおなじ対応をしたことをしめしています。市原市菊間手永(きくまてなが)遺跡の墓域出土のウリボウも人とおなじ食料で育てられた可能性が指摘されています(米田穣)。
これらは、埋葬をふくめてイノシシを人とおなじ論理で人とおなじ慣習にしたがわせることを意味しています。
動植物を自集団の表徴として信奉する集団がそれを実行することは古野清人(ふるの・きよと)博士のトーテミズム論にみられます(『原始宗教』1964)。
その視点にあらためて注目する必要があります。」
Qイノシシのほかに、特別な扱いをうけた可能性のある動物はありますか?
それはどういう痕跡からしることができますか?
高橋さん「広く一般的に鳥類やイヌ、クマ、サル、巻貝などは土製品に製作され、その上で人とおなじ埋葬区に埋葬されたり、あるいは供儀(くぎ)とおもわれる意図的な殺戮(さつりく)の痕跡が見られます。
殺戮されても解体されていないことから食料などに供されたわけではないことがわかります。
供儀されたうえで、人とおなじ埋葬区に埋葬されるのは、人とおなじあつかいをうけた証拠でていねいなあつかいといえます。」
Q3:このような動物たちはいつから特別な存在になったのでしょうか?
縄文時代のはじめからその痕跡はあるのでしょうか?
高橋さん「一部の動物が土器の把手などに表現されるのは縄文前期からあります。
イノシシ(諸磯B)やトリ(北陸前期末)はその初期にあたります。それらが集団の表徴になったかはわかりません。
中期になるとそれにヘビがくわわりますが、それも同様です。
ただ、中期後半期になると、把手(トリ形)のほかに、特別な土坑などに供儀されて埋葬される事例がでてきます。
トリは茨城県ひたちなか市三反田蜆塚(みたんだしいづか)貝塚の土坑中からオジロワシの全体骨格が検出されています。
白井大宮台遺跡の土坑底面に人とイヌが近接して埋葬された例があります。
また船橋市の高根木戸(たかねきど)遺跡1号住居の床面で多数人骨の廃屋葬(はいおくそう)のすぐ横に3体のイヌが埋葬されていました。
これはイヌの廃屋葬で人とおなじあつかいをしていることがわかります。
縄文後期、晩期になるとより明確にその証拠が出てきます。
東京田大田区の馬込(まごめ)貝塚の後期土坑からは、層位をたがえて3体のイヌが埋葬されて発見されました。
ていねいなあつかいが見てとれます。
東北地方でも宮城県田柄(たがら)貝塚などでイヌの丁重な埋葬が見られます。」
(次回につつく)

千葉市有吉北貝塚の小竪穴内の埋葬人骨
財団法人千葉県文化財センター1998『千葉東南部ニュータウン19』から引用しました。

千葉市有吉南貝塚で人とおなじように竪穴住居内に埋葬されたイノシシ。
財団法人千葉県教育振興財団2008『千葉東南部ニュータウン40』から引用しました。

船橋市高根木戸遺跡の人の廃屋葬のよこから出土した3体のイヌ。
船橋市教育委員会1971『高根木戸』から引用しました。
ここで掲載した図はインタビューの内容にもとづいて当館で引用、掲載しました。
雑食性のブタは人がだすゴミを処理してくれて、かつ自分でたべものをさがしてくれるのですが、こまったこともあります。
それは、人とブタのたべるものがかさなっていること・・・
油断していると畑の作物や家のまわりで保管しているたべものもブタがたべてしまうこと。
そのため、ブタをはなし飼いにする村ではブタを囲うのではなく、家や畑、ときには村全体を柵で囲ってブタがそういう場所にはいらないようにしています。
つまり、囲われているのは人のほう・・・
ブタはたべものを自分でさがしてたべてくれるので、人がエサをあげなくてもすむのかというと、そうではありません。
村にはブタのライバルがいて、村の内外のたべものをわけあって(うばいあって)います。
たんに生きていくということではそれでもよいのかもしれませんが、人のブタの利用目的、つまり最後にたべるためには、やせたブタよりもふとったブタのほうがのぞましいことは言うまでもありません。
そして、ブタをふとらせるためにはそれだけ多くのたべもの、エサをあたえる必要があります。
東アジアでは、ふるくからこのブタによるゴミの処理能力を最大限有効に利用するシステム、「豚便所(ぶたべんじょ)」がありました。
これは人が出すナマゴミ・排せつ物を効率的にあつめてブタにあたえるしくみです。
他方、人がブタのためにエサをつくって、あたえる方法があります。
雑食性のブタですが、その消化器はヒトと似ていて、消化しにくいもの、できないものもあります。
そのため、人が調理・加工して消化・吸収しやすくしたエサをあえます。
「復元住居」編でご紹介した文化人類学研究者の鳥越憲三郎さんは(2021年10月23日をご覧ください)、中国・雲南省の民家の中にはイロリが複数あるものがあり、そのうちのひとつがブタのエサを調理する炉であることを紹介しています。
村からはなれた山の中のブタも家にもどってくるのは、エサが用意されているからかもしれません。
もっともなかには家にもどらないものもおり、現地でイノシシとよばれるものにはそのような野生化したブタがいるようです。
エサをあたえるほどブタの価値は高まるとなると、ブタにエサをあたえることができる人・集団でないとブタを飼うことができないということになります。
そのため、ブタを飼う社会では、ブタは財産、裕福をしめす動物として高い価値がつけられて、お祝いのおくりものや他者への損害を弁償するための代価にもされてきました。
ブタを飼うということは、その村、飼う人びとが自分のたべるもの以外にエサにするためのたべもの、エサに調理するための燃料を準備する余裕があったということでもあります。
縄文時代にイノシシを一時的に飼うだけでなく家畜化した集団があったとするならば、そのようなハードルをのりこえた社会だったということになりますが、どうでしょうか?

柵で囲われた村。
外敵がいるわけではありません。

柵などをすりぬける「名人芸」を身につけたブタへの対処法は、首輪。

米を脱穀したあとの米ヌカをねらってあつまるブタ。


わかいバナナの幹は煮てこまかくすると、ブタのエサになります。

昨年度は、おおくの方々にご来館いただきありがとうございました。
令和6年度もさまざまな企画を用意してみなさまのご来館、ご来園をおまち申し上げます。
また本ブログも引きつづき、考古学そして考古学研究者が貝塚、縄文文化をどのようにかんがえているのかをとおして、特別史跡加曽利貝塚の価値を紹介してまいります。
3月の最終回、鶴岡英一さんから家畜化したイノシシがブタであること、だけど埋葬されたイノシシが飼育され、家畜化されていたかどうかを証明することはむずかしいとのおはなしをいただきました。
飼育と家畜化はちがう?
これとよく似たはなしがあったような・・・植物の栽培か、半栽培か、農耕か?
東南アジアの山間部で村から村へとたずね歩いていたときのこと。
山道を車で移動する途中で、どうしてもがまんできないあれが・・・
山中で車をとめてもらい、あたりを見わたしながら森の中に・・・
そこは風にふかれた木の枝や葉のざわめきと、かん高いセミの鳴き声だけがきこえ、近くに人のいる雰囲気はまったく感じられません。
それではと安心したところ、だれもいないはずなのに背中に何かあつい視線のようなものを感じる!?
ブフゥというかすかな音でおそるおそるふりむくと、そこにはおおきな黒い動物が・・・
どこからあらわれたのか、1頭のおおきなブタがこちらをじっとうかがっています。
いまにも突進してきて体あたりでもしてきそうな雰囲気です。
ゆっくりとあとずさりしながらその場をはなれました。
ふたたび車に乗ってしばらく進むと、ちいさな村につきました。
その村ではなしがもりあがってきたところで、村の方に「途中の山のなかにブタがいたけど、あのあたりに人が住んでいるの?ほかに村はあるの?」とたずねたところ、「村はない。あそこにいたのなら、この村のブタだよ」と言います。
「あんな遠くまで行ってしまって、どこかに逃げてしまわない?」
「だれのブタか、わからなくならないの?」
「夕方にはそれぞれの家にもどってくるからだいじょうぶ。」
そういえばこれまでの村でもブタがつながれたりしていた光景は見たことはなく、はなし飼いでした。
このような東南アジア山間部の村ではじめてたずねたのは、焼畑でくらすモンの村でした。
いまは山の奥でもスマートフォンが普及し、みずからを写真撮影されることに抵抗感はなくなりましたが、その当時はカメラをさげた外国人が村にはいるだけで村のあちこちからパタン、パタンと家の扉をしめる音がきこえてきました。
そんな扉がかたく閉じられた家々の前を進んでいくと、1軒の扉がとつぜんひらき、家の中からゴミがほうりだされ、足元にちらばったのです。
そのゴミとはたべのこし、野菜のくず、包装あるいは食器としてつかわれたバナナの葉などです。
よそものに「あっちに行け!」という抗議の意味なのか!?緊張がはしりました。
案内してくれた村の人にたずねると、「人がいることに気づかなかっただけで、よくあることだよ。」
すると、足元にちらばったゴミをめがけてニワトリ、イヌ、そしてブタたちがあつまってきて、またたくまにゴミがなくなり、バナナの葉だけがのこりました。
ブタは村の中のいたるところ気の向くままに動きまわり、このようなゴミを処理しています。
小宮孟さんのインタビューにもあったように、イノシシは昆虫やカエル、トカゲのような爬虫類(はちゅうるい)など小動物や木の根茎、ドングリの実や種実などの植物をたべる雑食性だとおはなしがありました。
イノシシが家畜化したブタもまた、その雑食性の特徴をいかんなく発揮して、村の中の人がだすゴミにかぎらず、まわりの山野にはいってたべられるものをさがしまわっています。



村の中を闊歩するブタたち。
前回に引きつづき、縄文時代の特別あつかいされたイノシシについて、さらにふみこんだおはなしをうかがいます。
Q加曽利貝塚ではイヌが埋葬されていました。
イヌは家畜と考えられていますが、それでは埋葬されたイノシシはどうでしょうか?イヌとおなじく家畜でしょうか?
鶴岡さん「まず整理しておきたいのは、飼育と家畜化は異なるということです。
家畜化とは、餌をあたえ、飼いならし、生殖(せいしょく)をも管理する行為です。
イノシシを家畜化したブタは、発育がはやく、子どもをたくさん産み、肉が多くとれるように、品種改良がつづけられてきたものです。
出土するイノシシの年齢が、一定の大きさに達した若獣にかたよるようなことがあれば、それは家畜化の指標になるでしょう。
先にふれましたが、埋葬されたイノシシは幼獣ないし若獣です。
市原市西広(さいひろ)貝塚から見つかった埋葬イノシシも生後間もない個体でしたが、捕獲された母イノシシと一緒にいたウリボウで、一時的に飼育をこころみたもののうまくいかなかった個体ではないかと考えています。
その意図はよくわかりませんが、たべられる大きさになるまで餌をあたえつづけるのは大変ですので、その愛おしさからとった行動ではないでしょうか。
骨の形態に変化があらわれるには、数世代にわたる繁殖管理が必要です。
埋葬イノシシの食性分析を行い、野生種とのちがいがあれば、その個体が飼育されていた可能性を示すのかもしれません。
ただ、それをもって家畜化を証明するのは容易ではありません。」
Q市原市能満上小(のうまんかみこ)貝塚出土のイノシシ形土製品はよくしられ、市原歴史博物館を代表する展示品のひとつになっています。
イノシシとおなじく重要な狩猟対象であったシカを描いたり形づくるのは弥生時代以降です。
なぜイノシシは埋葬されたのでしょうか?
鶴岡さん「とてもむずかしい問題です。
イノシシが多産であることから、豊穣(ほうじょう)や狩猟の成功を祈った祭祀(さいし)にかかわる犠牲獣だったかのかもしれません。
また、ヒトとイヌがいっしょになって対決し、命がけで格闘しなければ捕らえることのできない、その力づよさに対する畏敬(いけい)の念から、特別にあつかわれたのかもしれません。
イノシシの頭部だけが埋納される事例や、市原市西広貝塚のタヌキ、千葉市有吉北(ありよしきた)貝塚のニホンザル、茨城県ひたちなか市三反田蜆塚(みたんだしいづか)貝塚のオジロワシが埋葬されるめずらしい事例も知られていますので、動物が埋葬・埋納されるにいたる要因は一様ではないようです。」
Qところで今回の「イノシシ編」の前にタヌキをたべる話題をとりあげました。
私はたべたことはなく、身のまわりにもたべた経験者はいなかったので。けっきょくどのような味なのか、はっきりさせずにおわりました。
(あこがれの目で)そんなタヌキを、タヌキ汁を鶴岡さんはたべたことがあるとうかがいました。
最後に、タヌキをたべた率直なご感想をおきかせください。
鶴岡さん「赤味噌でもごまかしきれない獣臭で、すすった汁をそのままお椀にもどしたくなるような、そんな感覚でした。
貝塚もかなりくさかったはずですが、とりわけ無臭にこだわる私たち現代人と縄文人の感覚はまったく異なるのでしょうね。
骨格標本をつくるのにウミガメやヘビも扱いましたが、爬虫類の死体のにおいもこれまた強れつです(笑)」
鶴岡さん、貴重なおはなしありがとうございました。
縄文時代のイノシシがたんなるたべものではなかったことが、考古学的にどのようにわかるか、よくわかるおはなしをいただくことができました。

市原市能満上小(のうまんかみこ)貝塚出土のイノシシ形土偶。
実物は市原歴史博物館でご覧いただけます。

千葉市有吉北貝塚で出土したニホンザルの骨。
一部をのぞいてほぼ全身の骨が出土していますが、頭を下にしておりまげたような不自然なすがたでうめられていました。
財団法人千葉県文化財センター1998『千葉東南部ニュータウン19』より引用、一部加筆しました。

市原市西広貝塚出土の二ホンタヌキの骨。
このタヌキはどうしてタヌキ汁からのがれられたのでしょうか?
市原市教育委員会2005『市原市西広貝塚2.』より引用しました。
ここで掲載した画像・図は、インタビューの内容にもとづいて当館で引用、掲載しました。
小宮孟さんのインタビューでイノシシの狩猟方法、利用方法をおたずねしました。
そのなかでたべただけでなく、イノシシに埋葬された例があることが紹介されました。
加曽利貝塚ではイヌの埋葬例があることはここでもたびたび紹介しましたが、イノシシの埋葬例はまだはっきりと確認されていません。
千葉市のおとなり市原市域には、千葉市とならんでたくさんの縄文時代貝塚遺跡があり、そのなかには大規模な貝塚遺跡があることが知られています。
そのような大規模な貝塚遺跡には、調査範囲すべての貝や骨などを調査した全数調査の成果があり、当然そのなかにはイノシシに関連する豊富な資料があります。
そこからはこれまでの加曽利貝塚の調査成果だけではわかっていない、縄文時代の人びととイノシシの関係をうかがうことができます。
そこで今回は市原市域の貝塚出土のイノシシ関連資料について、それらを調査・分析された市原歴史博物館の鶴岡英一(つるおか・えいいち)さんにおはなしをうかがいます。
鶴岡さんは市原市の貝塚だけでなく、花輪貝塚など千葉市の貝塚遺跡出土の動物遺存体を調査された動物考古学研究者です(「花輪貝塚の動物遺体について」『千葉市花輪貝塚』2006)。
Q市原市の貝塚遺跡ではイノシシはどのような状態で出土していますか?
出土のしかたにほかの動物の骨とちがう特徴は何かありますか?
鶴岡さん「一般的には貝塚のさまざまな場所から、食物残渣(生ごみ)としてバラバラになった状態で出土します。
上腕骨(じょうわんこつ)や大腿骨(だいたいこつ)などは螺旋(らせん)状に割れているものがおおく、生骨のうちに割られて、骨髄(こつずい)も利用されていたと考えられています。
また、さまざまな道具の素材となるオスの牙は、抜き取られている場合がほとんどです。
一方で、まれに埋葬された状態のイノシシが見つかることがあります。」
Qどうして埋葬されていたことがわかるのですか?
鶴岡さん「解剖学的位置を保ったまま、全身骨格がすべて、ないしはほぼそろった状態で出土することがあるので、解体されずに埋葬されたことがわかります。」
Q:埋葬されたイノシシは、年齢や性別などきまり(かたより)はありますか?
鶴岡さん「骨格や歯の萌出状況から、埋葬されたのは幼獣ないし若獣が多いようです。
まだ幼い個体のため、骨格からは性別がわかりません。」
Q貝塚には人が埋葬されますが、イノシシの埋葬とのあいだに関係はありますか?
鶴岡さん「人とおなじ墓域に埋められる事例がおおく見られます。
遺跡からは、縄文人に利用されたさまざまな動物が見つかりますが、そのほとんどは埋葬されることはありません。
このようななか、わざわざ手間をかけて穴を掘り、ていねいに埋められるイヌとイノシシは、縄文人にとって身近で、重要な存在で、特別なおもいいれがあったのはまちがいありません。」
(次回につづく)

市原市西広(さいひろ)貝塚で埋葬されたとおもわれる動物。
市原市教育委員会2005『市原市西広貝塚2.』より引用しました。


動物を利用する、たべるためには解体されます。
通常、解体して利用された、たべられたあとは、骨がばらばらになってしまいます。
ここで掲載した画像・図は、インタビューの内容にもとづいて当館で引用、掲載しました。
以前紹介した縄文時代農耕論・・・縄文時代に農耕がおこなわれていたとかんがえる状況証拠のひとつに、やはりちいさな石鏃とその出土数のすくなさがあげられていました。
ここからは農耕あるいは農耕社会と狩猟はまったく別の生業、あるいはおたがいに反対側にある生業とみられていたのかもしれません。
考古学・文化人類学研究者の西谷大(にしたに・まさる)さんは、焼畑農耕社会の調査・研究において焼畑が植物質食料の生産地であったと同時に、動物性タンパク質をえるための役わりをもはたしていたことを指摘しています。
畑の作物をねらってさまざまな動物・昆虫があつまってきます。
いまのわたしたちはそれらを害獣・害虫ときらって追いはらう、近よらせないことをかんがえますが、獲物とかんがえるとどう?
焼畑では畑の入り口に落とし穴やワナをしかけて動物をとったり、見張り小屋から作物をねらう鳥をスプリングショット(いわゆるパチンコ)などで撃ったりしてとります。
西谷さんは動物をとる仕かけ、とくに畑をあらす小動物をとる「小さな罠(わな)」に対して、野生動物たちを呼びよせる畑自体を人と野生をむすびつける「大きな罠」と表現しています(2003「大きな罠小さな罠-焼畑周辺をめぐる小動物狩猟」『アジア・アフリカ言語文化研究』第65号)。
これは畑だけでなく、水田でもおなじことが指摘されています。
水田のばあいは動物だけでなく魚類がねらわれます。
春、水田に水がはられるとフナやウナギ、ドジョウなどが川、用水路から魚がのぼってきて水田やため池にはいりこみます。
その中には水田で産卵して繁殖するものもいます。
こうして水田は米をつくると同時に魚を飼う養魚場の役目もはたし、植物食料だけでなく動物性タンパク質をも供給する場となっていることが民俗学や文化人類学、農業地理学によって指摘されています(安室知2001「「水田漁撈」の提唱」『国立歴史民俗博物館研究報告』第87集ほか)。
本来、畑・水田という植物食料生産の場は狩猟・漁撈の場でもあり、植物・動物食料両方の供給源となっていました。
こうなると、狩猟と農耕はけっしてたがいに無関係な、対立的な生業ではなくなります。
もし、縄文時代の集落の外側にマメの畑やクリ林があったとするならば、ネズミ、タヌキやシカ、イノシシなどをひきつける「大きな罠」として狩猟の場にもなっていたかもしれません。

「大きな罠」の拠点・・・でづくり小屋
種まきや草刈り、収穫の作業でやすんだり寝泊まりするだけでなく、「害獣」を見張る場所にもなります。

スプリングショット・・・ただの子どものあそびとおもうなかれ

もうひとつの「大きな罠」
小宮さんへの質問で、わたしは縄文時代の石鏃はちいさくてイノシシを狩るにはこころもとないときめつけました。
瀬戸内海から大阪湾沿岸にかけて弥生時代中期~後期になると、海をのぞむ山の上に集落が営まれるようになりますが、そのような集落跡からはおおきな打製石鏃が出土するようになります。
考古学研究者の佐原真(さわら・まこと)さんは、このような石鏃の大型化を狩猟のための道具から武器になったことをあらわしているとかんがえました。
ヤジリがおおきく、おもくなると、ちいさな、軽いヤジリより矢がつらぬく力、貫通力がたかまります。
このイメージで縄文時代の石鏃を見ると、あばれるイノシシにたちむかうにはものたりなさを感じてしまったわけです。
そのため、縄文時代にはヤジリに毒をぬった毒矢をつかったのではないかとも言われたこともありましたが、その証拠はありません。
縄文時代の弓は低湿地遺跡の発掘調査によって発見されています。
1本の木の枝を加工した丸木弓(まるきゆみ)で、弓本体(弓道でいう弓幹・ゆがら)の中央を手でつかんで、ツル(弓弦・ゆづる)をひいたとみられます。
弓幹は、短いもので30~50センチメートル、長いものになると170センチメートルをこえるものがあります。
ちなみに現在の弓道では、弓幹は竹材を貼りあわせており、その標準的な長さは221センチメートルで、中央より下をにぎる構造です(全日本弓道連盟ホームページを参照しました)。
他方、発射する矢柄(やがら)は全体像がわかる事例はとてもすくないのですが、北海道ユカンボシE11遺跡からは、縄文時代中期の竪穴住居跡から炭化した矢柄が出土しています。
それによると矢のながさは60センチメートルに復原されます。
身長164センチメートルのわたしが弓をタテにかまえてこの矢を引いたとすると、顔のマエ、眉間(みけん)の前面まで引くことができる長さです。
ちなみのわたしが現在の弓道のように顔のヨコ、耳までを引くには、矢は約75センチメートル以上(弓道の基準では矢の長さは85~90センチメートル)のながさが必要です。
縄文時代の人びとの平均身長は約158センチメートル。
当館にこの身長にピッタリの職員がいるので計測したところ、顔のマエまで約50センチメートル(弓道の基準では矢のながさは60~65センチメートル)、耳のヨコまで約70センチメートル(弓道の基準では矢の長さは80~85センチメートル)になります。
現在、世界的に狩猟では弓矢にかわって鉄砲をつかう、あるいは自然環境保護のため狩猟自体が禁止されることがおおくなっています。
東南アジア大陸部の山間部では弩弓(どきゅう)をつかう狩猟がつい最近までおこなわれており、それを経験した人たちからおはなしをうかがう機会がありました。
弩弓はヨコにした弓幹の弓弦をひいて、引きがねにかけて矢をはなつ発射装置をもつ弓です。
この構造の弓は、日本列島には弥生時代に大陸からつたわりますが、その後発展せずに源平合戦を描いた絵巻物などでおなじみのタテにながく、中央よりも下をにぎる弓が主流になります。
はなしをもどすと、この東南アジアの弩弓の矢にはヤジリはありませんでした。
木質の矢柄の先端をけずってとがらせているだけです。
これでどれだけの獲物をしとめることができるのか?
その現場を確認したことはないのですが、ハンター経験者たちが言うには、「弩弓にはサイズがあって、小型は鳥などの小動物、中型は(キョンのような)小形のシカ、大型はシカやイノシシの狩猟でつかう」とのこと。
(ただし、矢だけでしとめられるかどうかは確認していません。)
大型の弩弓は手だけで弓弦をひいて矢をつがえることはできず、足で弓幹をおさえ、両手をつかって上半身全体で引かないとツルが引けないほどつよい弓です。
ヤジリのおおきさだけを見てつかえる、つかえないをきめてかかるのではなく、弓、ツル、矢柄の長さやふとさのバランス、それらを操作する身体のつかい方、そしてどのような場面でどのようにつかうのか、これらをあわせてかんがえないと、ほんとうの役わりはわからないということでしょうか。


加曽利貝塚博物館常設展示室から。
弓はながさ約140センチメートルの漆ぬり丸木弓で復原。


中型弩弓とその矢柄。
イノシシやシカをねらう弩弓をつかった狩猟でも、イヌをあわせてつかいます。

鉄砲をつかう猟師さん。
鳥など小動物をうつときなど、イヌをつれていかない猟もあります。
最後にたべることばかりに関心がいってしまうギャートルズ系の人間として、どうしても気になることをおたずねします。
Q肉をたべると聞くと焼いてたべるイメージがつよいのですが、縄文時代の人びとはイノシシを具体的にどのようにたべていた、利用していたのでしょうか?
小宮さん「苦労して狩ったイノシシを縄文人は、どのように利用していたか。興味ありますね。
現代人はブタの肉や内臓を焼いたり煮たり、ソーセージをつくったり、骨をスープの出汁(だし)などにつかったりしていますが、日本では野生のイノシシを食材として利用することはあまりありません。
マンガに出てくる原始人のように、縄文人が骨つきの肉をたき火にあぶってガブついてたべていれば、骨に火を受けた痕跡が残っているはずです。
しかし、貝塚から出土する獣骨にそのような痕跡はみつかりません。
貝塚から出土した魚のアゴやヒレ、貝がらにも焼け跡はほとんどみられないので、焼いてたべる食事法は、当時は一般的ではなかったかもしれません。
貝塚に残されたシカやイノシシの骨で特徴的なことは、手や脚(あし)などの四肢骨(ししこつ)のほとんどすべてがまん中付近からつよい力で叩き割られていることです。
肢骨の断面をみると表面ちかくにリン酸カルシウムを主成分とする硬い皮質骨(ひしつこつ)があり、それにかこまれた中央部に骨髄腔(こつずいこう)があります。
骨髄腔は血液をつくる骨髄(こつずい)という栄養にとんだやわらかい組織で満たされています。
縄文土器の外側にはススがつき、底部は火を受けてレンガ色に変色しています。
その多くは口が広く底の方にすぼまった深鉢(ふかばち)形をしていて、中に入れたものをかき混ぜながら煮込むのに適した形です。
これらのことから縄文人はこれらの土器を煮炊用のナベとしてつかったとかんがえられています。
シカやイノシシの長い四肢骨は叩き割ることで土器の中に入れやすくなります。
骨の髄までよく火をとおして出汁(だし)をとったあと、肉や野菜、木の実でつくったダンゴ、魚貝類などの食材といっしょに煮れば豪華なナベ料理が楽しめたとおもいます。
骨髄から出る栄養満点のスープはナベものの味つけとしただけでなく、かむ力のよわい幼児や老人なども口にすることができ、栄養もとることができたとかんがえられます。」
Q縄文時代の社会においてイノシシはどのような位置づけ・価値があったとかんがえられますか?
小宮さん「これまでにわかった範囲では、縄文人はイノシシを食料にしたほか、骨や牙を加工して道具や装身具をつくり、イノシシ型土偶もつくっています。
私の専門外なので、あまり詳しい説明はできませんが、装身具は鋭い下顎犬歯のエナメル質部分の両端を切り落として、1ないし2か所に穿孔(せんこう)したものや、犬歯のエナメル質部分を平たい三角形に加工したものなどが知られています。
全体をていねいにみがいて時間をかけて美しく仕あげています。
また、牙の一部を切って斧形に加工したものや、折った四肢骨の一部をとがらせて日用道具に加工したものなどがあります。
縄文人はイノシシ以外にもクマやオオカミなどの野生動物の牙を加工した装身具もつくっています。
遺跡からは多く見つかりません。
また、牙製の装身具をたくさん身につけた埋葬人骨も発見されません。
かぎられた人がもち、それが伝世(でんせい)されたのかもしれません。
穿孔があるものには、その部分のへりなどにヒモ状のものでこすられた痕跡が残っている場合があります。
ペンダントのようにして身につけていたのかもしれません。
イノシシの社会的位置づけというのは、人によって考え方が分かれるのでむずかしい質問です。
シカは1年に1頭の子しか生みませんが、イノシシは繁殖(はんしょく)力が強いので、縄文人にとっては、肉、脂、毛皮などの衣食を安定的に提供してくれる身近な動物だったでしょう。
ドングリやクリ、クルミの実、クズ根などの炭水化物(たんすいかぶつ)食料とならんで、経済的に重要な動物とかんがえていたとおもいます。
イノシシの子が、イヌとともに神へのイケニエ動物に選ばれた背景にはこのような事情もあったとおもわれます。」
小宮さん、貴重なおはなしありがとうございました。
遺跡出土の骨を考古学的な手法で調査・分析するやり方、そこから何がどこまでわかるのか、そして何が課題としてあるのか、よくわかるおはなしをいただくことができました。

当館常設展示の加曽利貝塚南貝塚貝層断面剥ぎ取りにつくイノシシ骨。
まん中でおられ、骨髄腔が見えます。

狩ったイノシシの下アゴの骨だけを残して、家の中につるしています(赤のかこみ)。
世界ではイノシシの骨の一部だけを、このような「特別あつかい」することがあります。


加曽利貝塚では牙ではありませんが、穿孔された(穴をあけた)クマの指の骨が出土しています。
穴にヒモをとおして身につけていたのでしょうか?
前回につづき、小宮さんに貝塚出土のイノシシ骨から縄文時代のイノシシ猟について具体的に何が、どのようにしてわかるかについておたずねします。
Q縄文時代の人びとがとったイノシシの大きさ(年齢)、性別などはわかりますか?
動物考古学では年齢や性別はどのように判定されているのでしょうか?
小宮さん「縄文人が狩ったイノシシのサイズは、体重のわかっている現在のイノシシと大きさを比較して推定体重であらわします。
遺跡のイノシシの骨はほとんどがこわれて完全な形をしているものはないので、こわれがすくない関節部分を比較します。
現在の狩猟でつかまるイノシシは体重35-60kgくらいですが、縄文時代のイノシシは現在のものとおなじ年齢でも大きく、推定復元した体重では60-80kg前後になるものがおおいです。
現生イノシシの性の判定は解剖学的に判断しますが、遺跡のイノシシは犬歯で判定します。
成獣のオスの犬歯(とくに下顎犬歯)はメスより大きく長いのでわかります。
千葉県市原市武士(たけし)遺跡で発掘したイノシシの下顎犬歯は、オス:メスの比率がほぼ1時01分の割合になりました。
イノシシは牙の大きさをのぞくと、オスとメスのちがいは外形ではほとんど見わけがつきません。
ツノのあるなしで見わけられるシカのようにひと目で区別するのはむずかしいのです。
狩場での縄文人は、イノシシのオス・メスを区別して狩るだけの余裕はなかったとおもいます。」
Qイノシシの骨からイノシシ猟に季節のようなものがあったのかまでわかるのでしょうか?
小宮さん「現在の狩猟期間は11月中旬~2月中旬です。
冬は農閑期(のうかんき)で山や里ではたらく人が少なく、誤射で人を傷つける可能性が低いことや、野生の鳥獣の繁殖期である春夏をさけるということなどがその理由にかんがえられています。
また、イノシシやシカは冬にそなえてドングリなどをたくさんたべて身体に栄養と脂をつけているので、肉が一番おいしい季節でもあります。
遺跡のイノシシの年齢推定や死亡月は、生態学で開発された方法を使います。
欧米の生態学者は、捕獲年月のあきらかなシカ、イノシシ、クマなどの下顎歯の萌出咬耗(ほうしゅつこうもう)程度=乳歯(にゅうし)・永久歯の生え具合と歯のすり減り程度や臼歯のセメント質にきざまれた年輪をしらべて、年齢推定しています。
日本では、イノシシの下顎歯の萌出咬耗程度を5段階に区分する生態学の研究があります。
これを応用して遺跡のイノシシの年齢や猟期を推定した考古学の研究がいくつか発表されています。
生態学者があつかうのは一年間に捕獲した動物群ですが、考古学があつかうのは、一つの遺跡でも何十年、何百年間に累積した標本なので、おなじ「ものさし」はつかえません。
そこで、あたらしくイノシシの歯の萌出咬耗程度を15段階に区分する方法を考古学者が発表しました。
新しい区分法で遺跡イノシシの年齢構成や死亡月をしらべた論文は、今のところ愛知県田原市(たはらし)伊川津(いかわづ)貝塚(晩期前葉)と千葉県市原市武士(たけし)遺跡(後期前葉)の2件だけです。
野生のイノシシは毎年5月が出産のピークです。
遺跡イノシシの推定死亡年齢が1年6ヶ月齢だとすると、そのイノシシが捕獲された季節は11月と推定できます。
縄文人が猟期を決めずに猟をしていれば、遺跡には1月、2月・・・12月に死亡したイノシシの骨が何十年、何百年間分も堆積するので、死亡季節をある期間内にしぼりこむことはできません。
その場合、猟期は1年中つづいていたと推定します。
上に述べた2つの遺跡では、どのような結論が出たのでしょうか?
伊川津貝塚では、イノシシの死亡季節が周年にわたっていることがわかりました。
この貝塚の縄文人は猟期をきめずにイノシシを捕獲していたことになります。
一方、武士遺跡では、現代の猟師さんと同じ冬の期間に集中してイノシシを捕獲していました。
また、武士遺跡のイノシシの年齢の内訳は、0.5歳獣が全体の約7%、1.5歳獣が約30%、2.5歳獣が約8%、3.5歳獣が約10%、4.5歳獣が約20%、5.5歳獣が約15%、5.5歳以上が約9%です。
これをみると、1.5歳獣が最も多く捕獲されています。
現代の猟師さんに聞くと、この年齢のイノシシはまだ母親のそばをはなれずに逃げまわるのでつかまえやすいといいます。
2.5歳獣になると自立して若く足が早いので、とり逃がすことがおおいといいます。
銃のある現代と銃のない縄文時代で、狩ったイノシシの内訳が似ているのには驚かされます。
なお、イノシシは寿命が短く、大きなイノシシは狩猟で狙われやすいので、現在は5歳以上のイノシシはまれです。
縄文時代でも5歳以上がすくないのはそんな理由です。
以上のように、2つの遺跡のイノシシ猟の時期は一致していません。
伊川津貝塚はせまい渥美(あつみ)半島にあって、武士遺跡は広い房総半島の中央部にあるので、2つの遺跡の縄文人の生活の仕方にちがいがあったとおもいます。
地理条件や時期の異なるもっと多くの遺跡で調べられるといいですね。」
(次回につづく)


現生イノシシの頭骨と下あごの歯の名まえ
今回は縄文時代のイノシシ猟の核心にはなしをすすめてまいります。
Q縄文時代の「イヌをつかった猟」はどのようなものだったのでしょうか?
日本列島にはいつごろからイヌがいて、猟につかわれるようになったのでしょうか?
小宮さん「愛媛県上黒岩(かみくろいわ)岩陰(いわかげ)遺跡の縄文時代早期末・前期初頭の層から出土した埋葬(まいそう)犬は、専門研究者によって、放射性炭素の年代で約6300-6500年前、較正(こうせい)年代で約7400-7300年前という測定結果がでています。
イヌの歯はすりへり、生前に歯も失っています。
筋肉の発達ぐあいをみると、ものをかむ力や走行力はサイズがほぼおなじ現代のシバイヌよりかなり強力です。
ペットではなく、狩猟などの実用につかわれたイヌだと推定されます。
現在のイヌをつかうイノシシ猟は昼間におこなわれます。
嗅覚(きゅうかく)のすぐれたイヌの群れがイノシシのにおいに気づくと、猟師さんがイヌのロープを放ちます。
イヌはいっせいにイノシシを追い、追いつめて格闘しながらくるぶしや耳、尻尾(しっぽ)などの急所にかみついてイノシシを動けなくします。イヌたちの吠え声を聞いてかけつけた猟師さんが至近距離から銃で急所を射撃して仕とめます。
縄文時代でもイヌの群れはおなじようにしてイノシシにかみついて止め、吠え声でかけつけた縄文人が近距離から弓矢を射るか、コン棒や石斧などで脳天(のうてん)を強打して仕とめていたとおもわれます。
イヌをつかう猟の最大の利点は、ワナや落とし穴猟のような「待ち」の猟とちがい、狩りの季節や時間を選べる点です。
見まわりの時間と手間から開放され、新鮮な肉や脂(あぶら)をえられるのは大きな利点です。
それに、イノシシと対峙(たいじ)する時はいつもイヌの群れが前に出て奮闘してくれるので、縄文人が大ケガをしたり、死んだりする危険が少なくなります。
多くのイヌが身がわりになってくれたとおもいます。
イヌをつかうことの有利さが縄文人たちの間でひろく知られるようになると、この猟法は全国にひろまっていったとかんがえられます。
イヌをつかう現代の猟師さんが、ワナや落とし穴を使う猟師さんと猟場がかさなると、イヌがワナにかかったり落とし穴に落ちたりして死ぬ事故がよくおこって猟師さんの争いがたえません。
縄文時代でもおなじことがあったとおもわれます。
縄文時代の落とし穴猟は縄文時代早期末ころ(約6500-7000年前)に最盛期をむかえ、それ以降になると急に衰退したとかんがえられています。
その原因の一つは、あたらしくはじまったイヌをつかう狩猟法の利点がひろく縄文人に知られたためだろうとわたしはかんがえています。」
Qそれではイヌは縄文時代に狩猟のため家畜化されたということでしょうか?
狩猟のほかに役割はあったのでしょうか?
小宮さん「縄文犬は猟犬(りょうけん)というのが従来の一般的な解釈ですが、その解釈には考古学的な証拠がともなっていません。
狩猟採集生活をする縄文人が飼っていたイヌだからということだけでは、いつまでも空想の域からぬけられません。
わたしは、この時代の埋葬犬の出土状態にイヌの役割を考える手がかりが残されているとおもっています。
どうでもいいイヌだったら、死んだあと埋葬する手間をはぶいて適当な場所に投げすてることもできます。
縄文時代の埋葬犬の出土状態と骨の特徴を調べると、おおきく2とおりのタイプがあることがわかります。
第1のタイプは、小さな浅い穴に単独で埋葬された縄文犬です。
このタイプは、ものをかんだり、走ったりする筋肉が発達していて、その多くは推定年齢が1歳以上です。
歯には生前にうけた損傷が多く、手足の骨に骨折したあとがみられることがあります。
わたしたちのまわりにいる現代のイヌにはみられない特徴です。
イノシシなどとの格闘でおったキズの可能性があります。
これに対して第2のタイプは竪穴住居跡や貯蔵庫などの床上などに埋葬されています。
ちいさな縄文犬1体を埋葬するにはひろすぎる場所です。
年齢は若く、歯の損傷はほとんどありません。
ものをかんだり走ったりする筋肉も現代の日本犬並みで、イノシシやシカを見たら逃げてしまいそうです。
骨折もみられません。
おなじ場所から飼育していたとかんがえられるイノシシの子・幼猪(ようちょ)の埋葬が発見されることがあります。
わたしは、第2のタイプのイヌや幼猪は、住居や倉庫など重要な施設をこわすときに、住居や倉庫の神にイケニエとしてささげたのだろうとかんがえています。
現在までに知られる範囲では、第1のタイプのイヌの最も古い例が冒頭で紹介した上黒岩岩陰遺跡のイヌです。
イヌの骨は、それより2000年くらい前の縄文時代早期中葉の遺跡から発見されています。
ただし、これらの犬骨は専門研究者による年代測定がされていないので、年代の正しさは確定されていません。
以上のほかに縄文時代の遺跡からは、イヌの頭部だけが胴体から切りはなされた状態で出土した例や、脚の筋肉をはずすときにつけられたとおもわれるするどいカットマークがあるイヌの脚の骨が出土した例などが知られています。
縄文時代のイヌの用途は想像以上に多様だったとかんがえられ、まだまだわからないことだらけです。」
(次回につづく)

特別史跡加曾利貝塚出土の埋葬されたイヌは、当館常設展示でご覧いただけます。

市原市武士遺跡出土のイノシシ頭骨(頭の上からみた画像です)。
赤線で囲った部分の骨が陥没したあと。

陥没骨折して自然になおったあと・・・一度縄文人にこん棒か石斧で一撃をうけながらも逃げきったイノシシとかんがえられます。。
(財)千葉県文化財センター1998『市原市武士遺跡2』より引用、加筆しました。

香取市白井大宮台(しらいおおみやだい)貝塚の埋葬された人骨とイノシシとイヌと。
貯蔵穴とみられる円形土坑の底に人とイヌが、それよりやや上でイノシシの子(幼猪)が埋葬された状態で出土しています。
財団法人千葉県文化財センター1992『小見川町白井大宮台貝塚確認調査報告書』より引用、加筆しました。

加曽利貝塚出土のカットマーク(切りきず)のあるイヌの骨。
小宮孟2013「加曽利貝塚博物館収蔵のイヌおよびオオカミ遺存体」『貝塚博物館紀要』第40号より引用しました。
ここで掲載した画像・図は、インタビューの内容にもとづいて当館で引用、掲載しました。

イノシシに体あたりされて骨折した猟犬。
ギブスをして治療中。
今回も引きつづき小宮さんに縄文時代の人びとがイノシシをどうとったのか、イノシシ猟についておはなしをうかがいます。
Q昨年10月25日にはイノシシが千葉市の市街地にあらわれて騒ぎになりました。
あのようなあばれるイノシシをとるとなると、ヤリでつく、弓矢でうつようなイメージをもつのですが、縄文時代の遺跡から出土する石器にはおおきなヤリ先はありませんし、石鏃もちいさくてこころもとなく見えます。
縄文時代の人びとはイノシシをどのようにしてとっていたのでしょうか?
小宮さん「むかし見たマンガに、イノシシをみつけた縄文人が遠くから弓矢をはなつと胴に命中。矢がささったまま逃げるイノシシ。それを追う縄文人という場面がありました。
でも、縄文時代の石のやじり(石鏃)は軽量なので厚い剛毛(ごうもう)と泥(どろ)をまとったイノシシに遠くからの矢が命中しても、はねかえされます。
縄文時代のイノシシ猟の主流は「ワナ猟」、「落とし穴猟」そして「イヌをつかう猟」という説が有力です。」
Q「ワナ猟」や「イヌをつかう猟」はいまもおこなわれていますね。
どのような狩猟方法だったのでしょうか?
小宮さん「現代のワナ猟は、ワイヤーでつくった「くくりワナ」や「箱ワナ」などをつかうものがあります。
縄文時代にはワイヤーはないので、強い張力にも耐えられる植物のツルなどを編みこんだロープでつくったワナをイノシシの通り道(ケモノ道)にしかけていたと想像されます。
ただし、このようなワナが遺跡に残ることはないので確かめられません。
「落とし穴猟」は現在、世界各地で禁止されてみられませんが、ケモノ道にせまく深い穴を掘り、その上に木の枝や落ち葉などをかぶせて動物が穴に落ちるのを待つものです。
遺跡を発掘すると、表面が長方形や楕円形などをしたせまく深い穴が発見されることがあります。
中から遺物が出土することはほとんどないので、いつの時代に、どんな目的でつくったものかながい間、論議がありました。
その後、旧石器時代の層からも同じような構造の穴が発見されるようになり、現在では狩猟用の「落とし穴」という解釈が一般的です。
せまく深い穴を掘るのは金属製のスコップでも時間がかかります。縄文時代はながい棒などでかたい土を突きくずしながら深く掘ったのでしょうが、男の人が交代しながらやっても大仕事だったとおもいます。
掘ったら、あとは寝てまてというわけにはいきません。
仕かけたワナや穴をひんぱんに見まわります。
すべて歩きですから、集落からとおいところに仕かけると往復だけで時間と労力をつかってしまいます。
見まわりをなまけると、獲物が死んで腐ったり、弱って肉質が悪くなったりします。
また、かかったイノシシが生きていれば、人をみると猛然と突進してきます。
どのようにしてワナや落とし穴にかかった獲物を集落まで持ち帰ったか想像してみてください。」
Q縄文時代にはイノシシをねらった「ワナ猟」はむずかしいということでしょうか?
小宮さん「イノシシは長い鼻面(はなづら)をみてもわかるとおり嗅覚(きゅうかく)が発達しているので、人間が汗水たらして仕かけた落とし穴に気づきます。
猟師さんたちに追われてパニックなどになっていなければ、そこに落ちることはめったにありません。
かかるとすれば、「くくりワナ」でしょう。
縄文時代にもあったと思われますが、遺跡からその証拠をみつけることは困難だと思います。」
(次回につづく)

干したイノシシの皮。
イノシシの剛毛ぶりがうかがえませんか?。


千葉市奥房台(おくぼうだい)遺跡落とし穴遺構。
底にある穴は先がとがった杭をたてて、落ちた動物にささる、あるいは身うごきできなくする仕かけがあったとかんがえられています。
ほそながい穴は落ちた動物が身うごきできなくするためともかんがえられています。
財団法人千葉市文化財調査会2002『土気東遺跡群1.』より引用しました。

東金市山田水吞(やまだみずのみ)遺跡落とし穴の配置。
斜面にそってならんでいます。
いわゆる「ケモノ道」にそって配置されたのでしょうか?
山田水吞遺跡調査団1977『山田水吞遺跡』より引用しました。
(図・画像の引用については当館でおこないました。)
むろん、縄文時代にはいまのわたしたちがおいしいとおもう動物もたくさんとってたべています。
その代表格はイノシシではないでしょうか?
しかし、近年の研究によると縄文時代の人びとがイノシシはたんにたべものとしていただけでなく、縄文時代の社会をしるうえでもカギになる動物であった可能性が指摘されています。
そこで、縄文時代の人びととイノシシの関係について、当館とかかわりある考古学研究者の方々におはなしをうかがいましょう。
最初におはなしをうかがうのは、昨年10月に開催した当館の特別研究講座でも講師をお願いした動物考古学研究者の小宮孟(こみや・はじめ)さんです。
小宮さんはサンプリング・エラーがあることを証明するなど貝塚調査方法の確立に尽力されています(2021年12月1日をごらんください)。
また、千葉県内外の貝塚出土の動物遺体の調査・分析を手がけられ、そのなかには加曽利貝塚出土資料があります(2013「加曽利貝塚博物館収蔵のイヌおよびオオカミ遺存体」『加曽利貝塚博物館研究紀要』第40号)。
今回は貝塚から出土するイノシシの特徴、そしてそこから見えてくるイノシシの狩猟方法・利用方法についてうかがいました。
Q加曽利貝塚から出土した動物の骨を見ると、イノシシが目につきます。
そもそもイノシシとはどのような動物なのでしょうか?
小宮さん「日本列島にすむイノシシ(正式名称はニホンイノシシ)は、現在は北海道、東北地方北部をのぞく各地の山林に生息する夜行性の大形哺乳(ほにゅう)動物です。
イノシシは冬でも葉を落とさないシイやカシなどの常緑広葉樹(じょうりょくこうようじゅ)の森林を中心に生息します。
西日本には多く、東北地方の北部ではすくなくなります。
また、雪のふかい地方や標高の高い山にはすくないです。
身体は「楔(くさび)」型で、ヤブなどをかけ抜けるのに適した体型です。
分類学上は偶蹄類(ぐうているい)に属します。
偶蹄類というのは、前後の脚に4本もしくは2本の偶数の蹄(ひづめ)をもつ哺乳類で、蹄は私たちの指のツメに相当します。
イノシシは第3指(なか指)と第4指(くすり指)が発達し、第2指(ひとさし指)と第5指(こ指)は退化してちいさく、地面に着いていません。
第1指(おや指)はなくなっています。
イノシシが指先で立っているのは、私たちが早く走るときに踵(かかと)を地面につけないのとおなじで、いつでもすばやく走れるように適応しているとかんがえられます。
そのかわり、手脚をつかってものをつかむとか、木に登るとかはできません。
成獣(せいじゅう)のイノシシの歯は、上顎下顎とも切歯(せっし)が3本、犬歯(けんし)が1本、犬歯の奥には小臼歯(しょうきゅうし)4本と大臼歯(だいきゅうし)3本があり、臼歯の咬合面(こうごうめん)はわたしたちとおなじように臼(うす)状になっています。
犬歯には歯根(しこん)がなく、どんどん伸びます。上下の犬歯をガチガチかみ合わせることで、下顎の犬歯は上顎の犬歯にこすられてするどく研(と)がれます。
とくにオスは犬歯が発達し、攻撃相手を引っかけて深くおおきな切り傷をおわせます。
イノシシは毎年5月ころに3~8匹前後の子を産みますが、子には天敵や事故がおおいので、その年のおわりごろの生存は半数以下になってしまいます。
雑食性で、カエル、サワガニ、ミミズ、モグラ、ネズミ、ヘビなどの小動物や昆虫の幼虫などをたべ、植物ではドングリ、クリ、シイ、カシの実などの堅果類や、タケノコ、ユリ、クズ、ヤマノイモなどの球根、根茎類など何でもたべます。」
Q貝塚から出土する動物の骨などから、縄文時代の人びとがとくにイノシシをこのんでいたといえるのでしょうか?
このんでいたとするならば、その理由は何でしょうか?
小宮さん「博物館に展示された貝塚の貝層の断面をみると、イノシシやシカの骨が目につきますよね?
森や林の中にはたくさんの種類の動物がいるのに、縄文人はイノシシとシカばかりねらっていたのでしょうか?
現在の東南アジアやアフリカなどで狩猟をしている人たちをみると、大きな動物だけでなく、小動物やトリ、魚、昆虫などいろいろな動物をつかまえています。
小動物は身体がちいさいので骨もちいさく、戸外(こがい)での発掘ではたくさんの貝殻などにまぎれて、小動物の骨のほとんどを見おとしているかもしれません。
わたしは、貝塚を掘る機会はめったにないので、遺跡発掘の担当者に貝塚貝層の平面に一辺40cmほどの正方形をつくってもらい、その下にある堆積物(たいせきぶつ)を垂直方向に約5cmきざみで貝殻がなくなる層まで連続的に採取するようおねがいしています。
採取したサンプルを「コラム(柱状)サンプル」とよんでいますが、コラムサンプルは室内でフルイを使って水道水で水洗します。
フルイのメッシュ寸法が10mm前後のものから0.5mmまでのものを4~5種類組み合わせて使います。
サンプルを水洗すると、メッシュ目の大きいフルイには大きな動物の骨や歯が分離されますが、メッシュ目がこまかくなると、予想したとおり小動物の骨や歯、ちいさな魚の骨などが分離されます。
それらを動物の種類ごとに分けると、サンプルに取りこまれた動物の構成がわかります。
コラムサンプル採取地点の面積は発掘した貝層全体の面積にくらべると非常にちいさいので場所による誤差が生じます。
サンプルの採取地点を2か所以上にすると、誤差をちいさくできます。
わたしが調査する機会のあった南関東の数か所の貝塚では、発掘中に採集できた哺乳動物の骨の90%以上がイノシシとシカでしたが、コラムサンプルを水洗すると約70%が齧歯類(げっしるい)(アカネズミ類、リス、ムササビなど)やタヌキ、アナグマなどの小動物の骨で、イノシシとシカの骨は30%程度です。
このデータが縄文貝塚の一般的な傾向を代表しているかどうかは、おなじ調査方法によるデータをもっと増やしていかないと何ともいえません。
しかし、縄文人がイノシシとシカを主な狩猟対象にしていたというこれまでのかんがえ方は、うたがってみる必要があるとおもいます。」
(次回につづく)

生きた二ホンイノシシの撮影をこころみましたが、イラストでご容赦ください。

博物館内で展示している南貝塚の貝層断面の一部。
このなかから動物の骨をさがしてみましょう。
このほか特別史跡加曽利貝塚には北貝塚、南貝塚にそれぞれ貝層断面観覧施設があります。
(イラスト・画像の掲載については当館でおこないました。)

当館の企画展「あれもEこれもE-外房編-」
EDK総選挙の途中経過の結果を発表(中間発表)!
まだ投票していない方、おまちしています!!
加曽利貝塚をはじめ縄文時代貝塚から出土する動物(ほ乳類)のなかでよく目につくタヌキ。
タヌキは植物の実や芽、昆虫や小動物などをたべる雑食性のイヌ科動物で、現在もわたしたちのくらしのちかくで見かけるように、人と山のあいだ、里山のような環境をこのんで生息します。
近年、里山の環境がうしなわれると人のくらしにはいりこみ、畑や庭をあらし、ゴミをあさって犬猫のエサをよこどりしています。
縄文時代も残飯をあさりに夜の貝塚にやってきていたかも?
もっとも、貝塚出土の骨などにはタヌキがかじった痕跡があったとは聞いたことがありません。
タヌキをたべると聞くとおもいうかべるのは、まりつき歌の童謡「あんたがたどこさ」の「せんばやま」のタヌキをとって、煮て、焼いてたべるという歌詞。
わたしはタヌキをたべたことはありませんが、たべたことのある考古学研究者の小林達夫さんによるとおいしくない・・・それどころか、くさくてとうていうまいものではないと言います(『縄文人の世界』1996)。
それでも縄文時代の人びとはタヌキをたべていた・・・いまのわたしたちの味覚とはちがっていた?
でも近代初頭にできたとされる「あんたがたどこさ」の歌詞ではタヌキをたべていた、そしてうまいと言っている?
それはちょっと前までタヌキはたべられていたということ?
それとも「煮ても焼いてもくえぬヤツ」の逆説?
タヌキがたべられたものではないのは、そのあぶら身がとてもくさいからというはなしもあります。
なので、あぶら身をていねいにとって赤身の肉だけにすると、けっこうたべることができるというのです。
残念ながらこのはなしの真偽を自分で確かめたわけではありません。
でも、2023年10月8日に紹介した「緑色の牛肉」のような経験しているので、今のところそれをみずから確かめようとはかんがえていません。
いずれにしても味覚などの感覚は時代・社会でちがうことを経験すれば、自分を基準に「だろう」とか「にちがいない」などとかんたんにきめることはできなくなるでしょう。

千葉市内で目撃されたタヌキ。
画像は、当館の体験プログラムなどでご協力いただいている柿原英明さんからご提供いただきました。
加曽利貝塚では1960年代の発掘調査以降、貝塚出土の動物の骨などの分析が行われてきたことは紹介しました。
そして平成29年(2017)には、それまでの成果をあらたな視点、研究成果にもとづいて再度検証した「総括報告書(そうかつほうこくしょ)」が刊行されています。
加曽利貝塚のばあいは、これまで紹介してきたようなサンプル採取方法が普及していなかった過去の発掘調査の成果を検証し、「部分」から「全体」をあらたに推測しなおすには限界もあります。
ただし、今日まで残された出土資料は「サンプル」であることにはかわりはなく、現状でのひとつの傾向をうかがうことはできそうです。
その結果でも北貝塚・南貝塚ともに大型動物はイノシシ・シカ、小型の動物ではイヌ、タヌキがおおく、北貝塚より南貝塚のほうがニホンサルをふくむ小形の動物の種類と量がおおくなる傾向が指摘されています。
イヌの骨が多いのは、加曽利貝塚では埋葬されたイヌが多いことを反映しているかもしれません。
本年度の特別研究講座でとりあげたように加曽利貝塚でおおくの埋葬イヌが発見されたことから調査時に意識的にとりあげられた可能性もあります。
これはほかの動物骨もおなじで、出土している(サンプルされている)骨の部位のかたよりが調査時の意識によるのか、見のがし(サンプリング・エラー)なのか、縄文時代に利用された結果なのか、過去の発掘調査の資料からはじゅうぶん検証しきれない課題も残されています。
現在の貝塚調査ではこのような課題に対して、どのような方法で、どこから、どれだけサンプルをとったのか、その記録を公表して他の貝塚とくらべながらおおくの研究者が議論に参加できるようにしています。
加曽利貝塚にはまだまだ調査研究の余地があり、それをすすめるために多くの研究者・研究分野にかかわっていただくことがのぞまれています。

加曽利貝塚出土獣骨
タイのヒット映画に「すれ違いのダイアリーズ」(2014年公開(2016年日本公開)、ニティワット・タラトーン監督作品)があります。
教育熱心だけど何かと都会の学校にいづらい教師と勉強がにがてなさえない新人教員が、ネットもつながらない山奥の小学校分校にいれかわり赴任し、顔をあわせることなく日記を介して交流することでたがいに成長するすがたをえがいています。
そのなかに、湖の漁師のこどもから「漁師になるのにどうして勉強するのか」と問われ、優秀な教師は「将来すすむ道の幅がひろがるから」、新人教員は「人にだまされなくなる!」とこたえる場面があります。
以前、加曽利貝塚に隣接する坂月川の低地の地層からとった花粉の種類と数から、縄文時代の自然環境を復元しようとこころみたことを紹介しました(2022年2月12日をごらんください)。
その花粉分析では、200個以上の花粉があれば、その種類と割合で周辺の植生が復元できるとしています。
このように部分から全体を推測するには、その部分がどれくらいの数量なのかが問題になってきます。
たとえば貝塚のサンプルから10個の骨がみつかって、そのうちの1個がイノシシであるのと、100個みつかって10個がイノシシであるのでは、割合はおなじ10パーセントであっても確からしさは100個のほうがたかいとかんがえるでしょう。
でも、それはどうして?ほんとうにそうなの?
貝塚からとるサンプルでは、どれだけの量(容積)をとるのか、どれだけの数がでてくると有効と判断するのかが重要な基準になります。
その基準は、それぞれの貝塚の特徴や調査の方法、調査者のかんがえ方によってきめられ、その是非をふくめて議論されます。
このような部分から全体を推測する方法は、数学の統計、確率のかんがえ方にもとづいています。
日本では考古学は文系の学問に区分されていますが、数学など理系のかんがえ方や手法がそこここにはいっています。
これは学術研究や選挙開票速報にかぎらずコマーシャルの「お客さま満足度1位!」や「本日定価の●割びき!」のキャッチフレーズにいたるまで、わたしたちのくらしのなかのいたるところにさりげなくはいりこんでいます。
どうして勉強するの?
こんな公式や定理なんて、どうせフツーの生活のなかでつかわないじゃない!
「だまされなくなる!」のこたえではダメ?
これはどういうことだろう?ほんとうはどうなのだろう?とおもうようになれば、つぎにすすむ道もまた、ひろがるのかもしれません。


山の中の学校の体育の時間
新年あけましておめでとうございます。
本年も特別史跡加曽利貝塚をよろしくおねがいもうしあげます。
さて、年末年始のブランクをはさみましたが、12月16日の全数調査・標本調査のつづきからはじめましょう。
標本調査は、そのサンプル(標本)が全体の傾向を代表するものであることを前提にしています。
選挙の開票速報でも出口調査のサンプルのとり方によっては当選予測がなかなかだせないだけでなく、まちがえる可能性もあります。
サンプルをどこでどれだけとるのか、それぞれの報道機関が各挙区の特徴をつかんだうえできめており、報道機関によって「当選確実」をうちだす時間がちがうのはそのサンプルがちがうためです。
貝塚のサンプルをどこでどれだけとるのか、これもそれぞれの貝塚、貝層の特徴をつかんだうえできめられます。
よくつかわれるサンプルの方法は「柱状(ちゅうじょう)サンプル」と言われるものです。
貝層のなかに一辺30~50センチメートルの正方形の区画をもうけてサンプルをとる方法です。
さらに柱状サンプルでは、この四角いの範囲の貝層を厚さ5~10センチメートルごとに規則的にサンプルする方法と、貝層が堆積した単位(地層)ごとにサンプルする方法があります。
前者は、等分に切りわけたカステラのようにすべてのサンプルがきまった一定量でとることができます。
すべて一定量のサンプルであれば、そこからとりだした骨の種類と数をおたがいに比較することができます。
他方、地層・貝層と関係なく規則的にサンプルをとるため、複数の地層・貝層をまたいでとってしまうことがあります。
後者は層ごとにサンプリングするのでそのデメリットはありませんが、地層・貝層はそれぞれおなじ厚さで堆積しているわけではなく、サンプルの場所(層)によってサンプルの量(体積・容積)がちがいます。
そのため、各サンプルからきまった量をぬきだして比較することとなります。
また、すべての地層・貝層がはっきり分かれているとはかぎらず、わかりにくいばあいもあります。
もうひとつ、面できめてサンプルをとることがあります。
たとえば炉跡のなかの灰のサンプルをとる、堅果などがまとまって出土した範囲でサンプルをとるなど、サンプルをとりたいモノの出土範囲がわかる、あるいはその逆で出土する範囲を知りたいときにつかわれます。
それぞれの遺跡、貝塚の特徴にあわせてどこでどのようにサンプルをとるのかきめますが、きまった方法でサンプルをとらないと、複数のサンプルどうしの調査成果をくらべることはできません。

EDK総選挙開催中!
現在開催中の企画展「あれもEこれもE-外房編-」では、展示スペースを拡大してこれまでで最多の113点の土器を展示します(展示期間中前・後期にわけて展示予定)。
そこで、今回は来館者のみなさまに学術的価値だけでなく、土器のかたち・もようのうつくしさ、たのしさ、おもしろさにも注目し、「私のおきにいり」土器を推していただくEDK総選挙を実施しております。
E(E、イイ)D(土曜日)K(器)総選挙。みなさまの参加をおまちしております!
なお、EDK総選挙では出口調査はいたしません。

会場入口にて配布のパンフレットをおとりください。

パンフレットあるいは展示キャプションの推し土器の番号を会場出口にある投票用紙にご記入、投票してください。
貝塚全体から出土する骨をしらべた例は、たとえば市原市西広貝塚や祇園原貝塚でおこなわれています。
このようにすべてを調べる方法を全数調査と呼びます。
それでは全体の3~4パーセントしか発掘されていない特別史跡加曽利貝塚では何もわからない?
いえ、わずかな調査範囲であっても全体の傾向をとらえることは可能とかんがえられています。
選挙投票日の夜8時をまわったころ、テレビの一画に「当選確実」のテロップがながれます、「開票率0パーセント」なのに・・・
これは各報道機関が投票所の前でおこなう出口調査という有権者へのアンケート結果にもとづいて予測しているものです。
出口調査もすべての投票所で、すべての投票者から投票結果を聞きとっているわけではありません。
わたしもこれまで1回しか出口調査にあたったことはありません。
ピックアップされた投票所のアンケート結果(一部)を、その選挙区(全体)の傾向とかんがえて当選結果を予測しています。
このような一部から全体を推定する方法を、標本調査とよびます。
むろん、すべての投票者から聞きとるほうが確実、正確です。
しかし、そうするには多くの人手、つまり手間と時間、費用がかかります。
そのため、全体を推測するために有効とおもわれる標本(サンプル)数を全体の中からえらびだす標本調査がおこなわれています。
選挙は全数開票されて最終的に当選がきまるのですが、じつは貝塚調査で全数調査をおこなっても骨がこわれるなどして種類が特定できていないものが多くあります。
つまり、無効票がとてもおおい選挙結果ということになるのでしょうが、それをどうかんがえるか、評価するのかも考古学研究における重要な議論のひとつです。
そうであっても貝塚全体をしらべる全数調査がのぞましいことは言うまでもありません。
しかし、実際の発掘調査は調査範囲が貝塚全体の一部であったり、時間と費用に制約があったり、さまざまな条件、環境のもとでおこなわれます。
また、特別史跡加曽利貝塚のように貝塚を現地で未来にのこしていかなければならないこともあります。
そういう条件下では、標本調査で全体の傾向を推測する手法をとることになります。

昭和39年(1964)、加曽利貝塚南貝塚の貝層発掘調査。

はじまりました!
令和5年度企画展「あれもEこれもE-外房編-」。
これまで以上に展示スペースをひろげてみなさまのご来館をおまちしております。
貝塚出土骨をその種類の特徴がわかって残りやすい部分から動物の種類を具体的に判定し、数をかぞえる方法を紹介しました。
では、動物の種類と数がわかればそれでおわり?
それ以外の骨は関係ない?考古学的な価値は低い?
そもそもそれが残りやすい部分ってどうしてわかるの?(それはつまり「どうしてここにあるの?」)
どうして残りにくい部分があるの?(「どうしてここにないの?」)
それはすべての骨をしらべるからこそ何が残っていて(残りやすく)、何が残っていない(残りにくい)かが見えてきます。
このようなちがいは骨のおおきさ・ふとさなど物理的な性質のほか、人がどのようにその動物を利用したのか、どのように貝塚にまではこんだのかといった文化的ないとなみ、はこばれたあとどうなったのかといった風化などの自然のいとなみがかかわっています。
発掘調査で目についた骨をひろいあつめると見のがしてしまう骨がある・・・だからフルイにかけて小さな骨までひろいあげる、水洗選別の調査方法も紹介しました(2021年12月1日をごらんください)。
このような方法で残りやすい特徴的な骨だけでなく「すべての骨」をとりあげることで、どの種類の動物の、どの部分がどれだけ貝塚にのこされているのか、数量でしめすことができるようになります。
数量でしめすことができれば、そこからその貝塚全体の特徴・傾向、つまりその貝塚でくりひろげられた文化的、自然のいとなみが見えてきます。

当館企画展準備進行中。
今回の外房編、これまでの地域とちょっとちがう雰囲気があります。
また、当館担当者いわく「岡本太郎っぽく」しあげているとのことです。
展示スペースを拡充してみなさまのご来館をおまちしています。
これは考古学という研究分野の基本的な問いかけではないでしょうか?
人とのコミュニケーションをとることがにがてなわたしは、学校ではモノとのコミュニケーションをとろうと考古学をえらびました。
人と人がことばなどでコミュニケーションをとることができる能力が人類の特徴のひとつとされていたそのころ、「モノとコミュニケーションがとれる能力こそ、人類の特徴だ!」なんて適当なことを言っていました。
さて、考古学研究者は貝塚から出土した骨にもこのように問いかけてきました。
それは日本ではじめての科学的な発掘調査とされる東京都大森貝塚の調査(1877年)からつづいています。
まず「あなたはだれ?」と問いかけ、骨の特徴を現在もいる動物の骨と見くらべながらその種類を判別して、貝塚出土の動物リストをつくることからはじまります。
種類が分かってくると、そのつぎは「どうしてここに?」と問いかけたくなります。
そのこたえを出すには、まずそれぞれの動物の特徴、どういう場所に住んでいてどういうくらしをしているか(生態的特徴)、人がどうやって利用することができるか(文化的特徴)を知ることが必要です。
この問いかけもはやくからなされていて、縄文時代を狩猟採集社会とする時代観や縄文時代の海岸線の変化といった古環境復元などがおこなわれてきました。
「どうしてここに?」の問いかけでおわり?
どうしてここにあるのかを調べていくと、つぎに「どうしてここにないの?」という疑問がうかびあがります。
以前、「考古学って何?」編で、『サピエンス全史』の著者、ユヴァル・ノア・ハラリさんが、遺跡に残りやすいものだけで歴史像を組みたてる考古学は「問題が多い」とのべていると紹介しました(2021年5月12日)。
その際に反論しましたが、考古学ではどうしてないのかという問いかけと、その解決にとり組んできており、それが考古学の発展につながっています。

12月12日から開催の企画展「あれもEこれもE-外房編ー」で、あなたはだれ?どうしてここに?と問いかけてください。
これまでたびたびご案内してきましたとおり、11月23日(木・祝)に千葉市生涯学習センターにおいて加曽利貝塚博物館×市原歴史博物館連携講座「祈りの系譜」を開催いたしました。
すでにご報告しましたが、当館と市原歴史博物館は今年2月に連携協定を締結いたしました。
本連携協定は、両市の重要な文化資源である縄文時代貝塚遺跡の調査・研究、保存・活用、広報・普及において連携することにより、両館の発展につなげていくことを目的としています。
そして本協定にもとづき、今年度は連携展示として当館で10月3日から11月26日までの会期で「縄文人のお祈り」を開催しているほか、当館の秋まつりには市原歴史博物館が出展するなどの取組みを行っています。
本講座もその取組みのひとつで、今回は市原歴史博物館のはじめての特別展「いちはらのお薬師様」への共鳴をめざしました。
でも加曽利貝塚は縄文時代、市原歴史博物館は「お薬師様」で仏教伝来以降・・・時代も何も関係ないのでは?
安心してください、つながっていますから!と言いたいところですが、最初は「どうやってもつなげるのは無理だ!」と言う雰囲気でした。
しかし、両館ではなしあっていくうちに、病や災いはいつの時代にもあり、その解決方法もあったはず、という切り口が見えてきました。
そしてそこから今回のテーマ、「祈りの系譜」が立ち上がってきました。
最初の講演「縄紋時代の信仰と土偶」では富津市教育委員会の佃沙奈(つくだ・さな)さんから縄文時代の土偶についてさまざまな解釈があることを、それぞれの説がどのように提唱されるようになったのか、そのおおもとから解説されたうえで、実際に千葉市内野第1遺跡での土偶のあり方から土偶の「出土する場」と「こわされ方」があることが指摘されました。
その一方で、ながくつづいた縄文時代で土偶も時期・地域によってそのあつかわれ方がちがう、変化している可能性にも言及されました。
つづく「お祈りの系譜―千葉市内の発掘調査成果から」では当館の長原亘(ながはら・わたる)さんから本格的な農耕文化がやってきた弥生時代以降、平安時代までの「祷り」を千葉市内の遺跡の調査成果にもとづいてたどりました。
弥生・古墳時代の葬送儀礼、埋葬後も古墳で「供養(くよう)」がおこなわれた可能性にはじまり、仏教がつたわったあとの集落遺跡のありかた、寺・神社跡、さらにそこでの神仏のまつられ方が紹介されました。
午後には木更津市郷土博物館金のすず館長の谷畑美帆(たにはた・みほ)さんから「古代から近世の病―古人骨と文献から考える」として、旧石器時代から江戸時代までの遺跡出土の人骨を中心に、人びとのくらしと病気についてご講演いただきました。
考古資料としての人骨は、しごとや食習慣、病気、戦争など社会環境などその人のくらしをよく反映する資料である一方、保存環境によって時間の経過とともに残りにくくなるため、時代・地域によって出土人骨の資料数はかたよります。
本講演では、そのかぎられた出土人骨を文字で書き残された資料・文献とあわせて、人骨から何がよみとれるのか、病気は何を意味するのか、そして先史時代と現在ではどちらが「健康的」かのおはなしがありました。
最後の講演は市原歴史博物館の芝崎浩平(しばさき・こうへい)さんによる「流行り病と祈りのすがたー市原市の事例から」でした。
現在開催中の特別展「いちはらのお薬師様」の成果の中から、疫病(えきびょう)や災い対策としての国家仏教の導入と、民衆における民間療法や信仰による対策が紹介されました。
近代的な医療が普及するまで、人びとは疫病を「神」になぞらえ、やってきた疫病の「神」をもてなし、何ごともなく外に送り出す、あるいは入らないでもらうようにしていたすがたが印象的な内容でした。
冒頭に紹介したように、縄文時代と薬師信仰をつなげた今回のテーマが成功したかしなかったかは、ご来場いただいたみなさまの判断にゆだねたいとおもいます。
「無理だ!」と言いながらも両館でどうすればできるか、こうすればできるのではないかと議論して今回の講演会にこぎつけ、そして来場のみなさまをおむかえできたことこそ、博物館連携の成果であると考えています。
今後も連携をとおしてあらたな切り口の取組みに挑戦してまいります。

ご来場ありがとうございました。

当館企画展「あれもE、これもE-外房編」準備進行中!
貝塚出土の骨の数イコール貝塚に残る動物の数ではありません。
私たちヒトも、頭の骨、ろっ骨、脊椎(せきつい)骨(いわゆる背骨)など200~206個の骨があります。
「~」がつくのは個人差があるからで、生まれたときには350個ほどあった骨が成長とともにつながっていく骨もあって、最終的に200個ほどになるようです。
もし貝塚出土の骨の数イコール貝塚の動物の数とみなしたばあい、たとえばある動物の骨200個が出土すると、1体~200体の可能性があるということになってしまいます。
では、どのように遺跡で出土する骨の数から動物の数をカウントしているのでしょうか?
それにはある特定の部分の骨をきめて、その骨の数をカウントするという方法があります。
この特定の部分は極端に言ってしまうとどこでもよいのですが、通常こわれにくいじょうぶな部分がえらばれます。
それは調理したりたべるときにこわれにくい、あるいは貝塚にはこばれたあと、雨風で風化したり、周囲の土の酸でとけたりしにくい部分ですが、じょうぶであってもたとえばシカの角などは、前回紹介したようにそのじょうぶさから人が道具の素材に利用してしまうものもあります。
そこで、アゴの骨など動物の種類がわかりやすくじょうぶで人に再利用されにくい(とみられる)部位がえらばれて出土数がカウントされますが、さらにその部位から年齢・性別がわかるとなお有用な情報がふえていくことになります。

ただいま当館企画展、「あれもE、これもE」の準備中、今回は「外房編」・・・乞うご期待!

くりかえしのご案内。
11月23日(木・祝)はぜひこちらにいらしてください。

こちらも会期はあとわずか!
この機会にぜひごらんください。
貝塚出土の動物骨と現在の動物の骨の標本と見くらべることによって、その種類を知ることができます。
それではその動物をどれだけとっていたのか、どれだけたべていたのか、貝塚出土の骨からわかるのでしょうか?
遺跡から出土した骨の数が、とっていた動物の数?
これもまた、そうかんたんなはなしではないようです。
貝塚遺跡では骨などが残りやすいことはたびたび紹介してきました。
しかし、当時の人びとが利用した動物の骨すべてが貝塚に残っているわけではありません。
調理、たべ方によって残る骨、残らない骨があるだけではく、骨を再利用して道具、骨角器(こっかくき)につくりかえることもあります。
また、貝塚の外に埋まった骨があったかもしれませんし、貝塚の中であっても周囲の酸性土壌の影響をうけたり、後の時代の人や動物がかきみだしたりすると残りにくくなります。
そして、その遺跡全体を発掘調査したとしても、「サンプリング・エラー」(見のがし・見おとし)は生じます。
では、当時の人びとがどのような動物をどれだけとっていたのか、たべていたのか、正確な量は「わからない」としてあきらめる?
いやいや、その量についての議論をさけることはできません。
なぜならば動物の種類だけでなく、その数量があってこそ「縄文カレンダー」が完成され(2023年7月9日をご覧ください)、狩り・漁の技術や狩りを・漁とおして営まれる社会に言及できるからです。
考古学では遺跡に残らない骨、部分的な発掘調査成果、そしてサンプリング・エラーがあることを前提に、遺跡から出土した骨から当時とっていた動物や魚の数量の推定・復元をこころみています。

加曽利貝塚博物館の常設展示では動物の骨の再利用を紹介しています。

11月23日(木・祝)、みなさまのご来場を心よりおまちしています。
2回、寄り道してしまいました。
それでは元にもどって、縄文時代の、加曽利貝塚の人びとは、どのような肉をたべていたのでしょうか?
加曽利貝塚のこれまでの発掘調査では出土した動物に対する考古学的研究、いわゆる動物考古学からの分析が積極的におこなわれてきました。
その成果について、まずは陸上の動物、ほ乳類に焦点を当ててみましょう。
動物考古学研究者の金子浩昌(かねこ・ひろまさ)さんは、昭和39年(1964)から昭和40年(1965)にかけての南貝塚の発掘調査、昭和40年(1965)から昭和42年(1967)にかけて北貝塚の住居跡観覧施設・貝層断面観覧施設の設置にさきだつ発掘調査で出土した動物遺存体、つまり骨から動物の種類と数を判定しています(『加曽利南貝塚』1966、『加曽利北貝塚』1977)。
さらに昭和57年(1982)には、東京湾岸を中心とする関東地方東南部の縄文時代貝塚遺跡から出土した資料を比較し、縄文時代を通しての資源利用のあり方とその変化、そこからわかることの見とおしをしめしています(『貝塚博物館研究資料第三集貝塚出土の動物遺体』)。
それらによると、縄文時代中期の北貝塚ではイノシシ、シカタヌキ、ノウサギなどのほか、イヌが確認されています。
つづく縄文時代後期の南貝塚では縄文時代中期で認められた種類のほか、サル、アナグマ、イタチ、イタチなどが確認されています。
かぎられた調査範囲の成果による分析ですが、縄文時代中期よりも後期に動物の種類と量がふえているほか、南貝塚では竪穴住居跡にすてられた貝層には動物骨が見あたらず、骨をすてる場所が住居跡の外の貝層とわける意識があったのではないかと指摘しています。
そして、このような変化の背景には、縄文時代中期から後期にかけての遺跡周辺の環境変化と狩猟技術の「進歩」があり、縄文時代晩期までそのような狩猟文化の発展がつづくとしています。

かつて縄文時代晩期は、遺跡の数がそれまでにくらべてすくなくなることなどから「縄文文化の停滞」とみなし、大陸からの農耕文化を受けいれることになる素地になったなどとかんがえられることがありました。
しかし、加曽利貝塚ほかで大形竪穴住居跡がみつかるなど、縄文時代晩期にも成熟した文化・社会があったことがわかってきました。

当館の常設展示室では、加曽利貝塚でたべられた動物たちがみなさまをおまちしています。
10月21日(土曜日)、千葉市生涯学習センターを会場に加曽利貝塚博物館特別研究講座「縄文犬研究の最前線」を開催いたしました。
本講座は縄文時代のさまざまな問題をテーマに、その分野を専門とする研究者のみなさまから最新の調査研究成果を発表していただき、今後の縄文時代、特別史跡加曽利貝塚の調査研究の進展につなげていくことを目的としております。
今回の本講座のテーマはイヌ、縄文時代のイヌとして「縄文犬研究の最前線」を表題に開催することは、すでに紹介したところです。
特別史跡加曽利貝塚では、1960年代の発掘調査で埋葬されたイヌの遺体が6体分出土しました。
今日では大規模な発掘調査によってひとつの遺跡から多数のイヌの遺体が出土する事例は増えていますが、加曽利貝塚が調査された当時、これほどの埋葬されたイヌが確認されたことはたいへん注目されました。
しかし、加曽利貝塚では埋葬されたイヌの遺体以外に、貝塚内からバラバラになって出土したイヌの骨(散乱骨)があり、それらをふくめて最低15体分のイヌの遺体・骨が出土しています。
加曽利貝塚の事例をはじめ、縄文時代のイヌと言えば「埋葬」と結びつけられますが、実はさまざまな状況で出土しています。
そして近年、多角的な分析が進んだことによってイヌの実態があきらかになってきたと同時に、また新たな課題がうかびあがってきています。
それに対して、加曽利貝塚のイヌの調査・分析は十分とは言えず、今後の再評価がまたれるところです。
そこで今回の特別研究講座では、考古学、自然科学、文化人類学の諸分野における研究成果をとおして、縄文時代の、加曽利貝塚のイヌの研究の方向性をさぐることをめざしました。
講演はイヌの形質的特徴とその出土状況について動物考古学研究者の総合研究大学院大学客員研究員・小宮孟(こみや・はじめ)さん、ゲノム解析から見たオオカミからイヌへ、縄文犬への道筋について進化生物学研究者の総合研究大学院大学准教授・寺井洋平(てらい・ようへい)さん、ここでも紹介したことのある「窒素・炭素安定同位体比」分析を加曽利貝塚のイヌの遺体の分析にたべものから見た人間との関係について人類学・生物分子学研究者の米田穣(よねだ・みのる)さん、そして、人とイヌの関係、狩猟採集民と農耕民との関係とそこで生じる実際的な問題点について人類生態学・文化人類学研究者の東京外国語大学准教授・大石高典(おおいし・たかのり)さんからいただきました。
これらの講演、その後の質疑応答・討論で講演者のみなさまからは、埋葬方法のちがいや「散乱骨」の再評価、イヌの「役わり」分担、イヌの「偏食」の評価、「植物食」イヌの出現の時期とその意味、イヌの集団維持の方法、とくに多頭飼育の有無とその利用方法、定住化、農耕化とイヌの飼育方法の関連と変化など、イヌをたんに「狩猟に役だつパートナー」という前提だけで見ない、今後の調査・分析の方向性への提言をいただきました。
加曽利貝塚博物館ではこれらの方向性を踏まえながら新博物館開設にむけた準備をすすめてまいります。

特別史跡加曽利貝塚出土のイヌ遺体

小宮さんは、埋葬方法とその遺体の形質的ちがい、その背景について新たな視点がしめされました。

寺井さんは、縄文時代のイヌがニホンオオカミとともにはやくにハイイロオオカミからわかれた系統をたもっており、弥生時代以降、交雑がすすんだ歴史をしめされました。

米田さんは、最新の加曽利貝塚出土資料の成果にもとづいてイヌの「偏食」個体をあきらかにすることで、多様なイヌの飼育の可能性を明らかにし、その意味の重要性と今後の研究の可能性をしめされました。

大石さんは、狩猟採集民と農耕民におけるイヌの役わり、位置づけ、あつかわれ方のちがい、そして「イヌはぜいたく品」であることを具体的な事例でしめされました。
令和5年(2023)10月15日(日曜日)、宮城県東松島市を会場にして「縄文シティサミットinひがしまつしま」が開催されました。
縄文シティサミットは、縄文遺跡でつながる全国の都市が、縄文文化の魅力や縄文を活かしたまちづくりを全国に発信することを目的に、縄文都市連絡協議会の構成都市で開催されます。
協議会は今年度から千葉市が加盟することとなり、全国19都市で構成されています。
「縄文シティサミットinひがしまつしま」では、縄文に学ぶSDGs」をテーマに、参加13都市の長から各都市の取組みが紹介されたあと、意見が交わされました。

つづいて今回のコーディネーターでもある同志社大学文学部教授の水ノ江和同(みずのえ・かずとも)さんから記念講演「縄文に学ぶまちづくりと持続可能な社会」をいただきました。
講演では、埋蔵文化財とは、史跡とは何かにはじまり、そこから史跡を保存・活用のこれまでの歩みとこれからの方向性・可能性について全国の取組み事例だけでなく、世界的な視点からのおはなしがありました。

最後に開催都市の東松島市の渥美巖(あつみ・いわお)市長が縄文サミット共同宣言を発表して閉会しました。
今後は縄文都市連絡協議会の構成都市と連携をはかりながら、縄文時代貝塚遺跡の価値を高め、その魅力を発信してまいります。



会場では特別史跡加曽利貝塚のPRをしました。
縄文時代貝塚遺跡出土の遺物からは、当時の人びとがどのようなものをどれだけたべたのか、そのタンパク源の内訳の一端がみえてきます。
これまでの調査成果で縄文時代のタンパク源のすべてがわかっているわけではないことは「昆虫」編や「縄文農耕」編でもふれてきました。
これからさまざまな方面からの「目」をとおして貝塚をみなおすことで、さらにくわしく縄文時代のタンパク源の内訳がみえてくることが期待されます。
それはさておき、タンパク源となるたべものの中でその代表格は、やはりマーヴィン・ハリスさんが言うように肉ではないでしょうか。
でも、ひとことで肉と言っても、わたしたちになじみのある四つ足の陸上のほ乳類や空を飛ぶ鳥類、水中の魚類だけでなく、クジラなど水中のほ乳類、ヘビなど爬虫類、カエルなど両生類などさまざまな肉の種類があり、貝や昆虫も「肉」です、
貝塚ではたくさんの貝がらから溶けだしたアルカリ成分が火山灰の酸性を中和することから、通常酸性土で溶けてなくなってしまう動物の骨もよくのこります。
そのため、縄文時代の貝塚遺跡出土の骨などは当時の「肉」事情をよく反映していると考えられ、おおくの研究者が注目してきました。
どのような「肉」をどれだけたべていたのかという情報からは、遺跡の周辺がどのような環境だったのかが、当時の人びとがどのようにそれをとっていたのか、それをとるためにどう行動をしていたのか(どう行動をしなければならなかったのか)が見えてきます。
さらにそこから一歩すすむと、当時の人びとがどの動物に対してどのような価値観をもち共有していたのか、それをとってたべるため人びとがどのような関係(それをとって、配って、たべることができる人びとの関係)をもって暮らしていたか、つまり縄文時代の社会を考えるてがかりにもなります。

私のイメージする肉の王者はみどり色ではなくて、こんな感じ。
でも、私は最近、べつのタンパクが気になるようになりました。
マメにつづいて東南アジアの山中のまちでのおはなし。
夜、そのまちに到着すると、まちなかにあった唯一の食堂が閉店!
どうしよう!?と動揺していると、まちはずれのバスターミナルにも食堂があるらしい!
暗くなって人影もないバスターミナルの横に、たしかに食堂がありました!!
はだか電球1灯のうす暗い店内に入ると店主が「肉は牛肉しかないけど、いい?」とたずねられ、「牛肉、上等!」と「サラダ風牛肉と香草あえ(現地名はラープ)」と牛肉入り野菜炒めを注文。
しばらくして出てきた料理はどちらもなんとなくみどり色かかっている?うす暗い照明の加減でそう見える?
口にはこぶと・・・ある味覚の記憶がよびおこされて・・・
それはあるむらでのおはなし。
イベントが無事に終わったあと、むらをあげた打ち上げの宴会を計画していたとき、肉料理を牛にするか、豚にするか、鶏にするかで議論になりました。
最終的にその決定をむらの部外者であるこちらにゆだねられ、それまで牛肉を中心に議論がかわされていたことや、その場の牛を推すつよい圧も感じたことから「牛」とこたえました。
そして打ち上げ当日、出てきた料理は濃いみどり色の牛肉煮込み・・・口に入れるととてもにがい!
このみどり色はどうも牛の胆汁(たんじゅう)のような内蔵液が入っているらしい・・・
そういえば以前、首都からこの地域に婿入りした人が、「こちらにはにがいスープがあるんだよ、信じられるかい?にがいんだよ!」とちょっと立腹気味に言っていたことを思い出しました。
お祝いの席で、それも自分が決めた牛肉料理を残すのは失礼とがんばってたべると、口に合ったのだろうとおかわりがつがれます。
ふたたびまちの食堂の牛肉料理。
一抹の不安を感じながら口に入れると、あのみどり色の牛肉の煮込み料理とおなじ味!
にがいスープは「家庭の味」「むらの味」と勝手におもいこんでいて、まさかまちの食堂で出くわすとはおもってもいませんでした。
たべているうちに慣れるだろうとがんばってみたのですが、断念しました。
中国の越王(えつおう)句践(こうせん)の逸話、「臥薪嘗胆(がしんしょうたん)」とは、実は句践はにがい肝が好物で、薪の上にねてツボを押していた、といったオチがあったのではないかと思いたくなる体験でした。
ハリスさんの「肉は味覚もよい」の一文を参照するたびに、どうしても思い出してしまう肉のはなしです。

左がにがい牛肉の香草あえ、右がにがい牛肉と野菜炒め、中央に白いもち米。
戦後まもなくまで日本人の食事におけるタンパク質摂取量は、世界的に見てとても低かったことで知られています。
日本人のタンパク質の摂取量がめだってふえたのは、1960年代以降、食生活の変化によるものです。
動物性タンパク質でいうと、たしかに日本では牛や馬などの家畜は伝統的に田畑の耕作や運搬などの労働力がメインでたべるための家畜ではありませんでした、
池波正太郎の江戸時代を舞台とする小説には軍鶏鍋(しゃもなべ)が出てきますが、それは日常的な食事に供される料理ではありません。
また、日常的にとることができる動物性タンパク源としてミルクなど乳製品もありませんでした。
乳製品は飛鳥~奈良時代に乳を煮つめたとみられる「蘇(そ)」とよばれる食品はありました。
平城宮跡からは近江国(おうみのくに)の「生蘇三合」の荷札・木簡(もっかん)が出土しています。
これは日常的にたべるのではなく、ごく一部の貴族階級で栄養補給などの「薬」のようなつかわれ方がされたとかんがえられています。
日本人にはミルクをゴクゴクのむとゴロゴロとおなかがゆるくなる人がいますが、これはミルクのタンパク質を消化する酵素をもっておらず、それは歴史的にミルクをのむ、乳製品をたべる習慣がなかったからだとされます。
戦後まもなくまでの多くの日本人にとって、かぎられたタンパク源はマメ類、魚貝類とそれらの加工食品でした。
とくにダイズは豊富にタンパク質をふくみます。
そのため、栄養学的にコメなど穀類といっしょにたべるとアミノ酸のバランスがよくなるとされます。
そうであっても、植物性のたべものだけでは必須アミノ酸はたりない、十分ではない・・・
なので、それだけから摂取するためには大量にたべなければならない・・・
それに対して肉はこの必須アミノ酸が量・種類ともにそろっているほか、カロリー・ミネラルもあり、さらに味覚で「おいしい」と感じる・・・
そういえば「ジャングル大帝」では、ハイエナたち肉食獣が「やっぱり肉がたべたい」などと言いだしていました。
ハリスさんはさまざまな環境下で、ある種類のたべものを栄養的にも味覚的にもたべたいというつよい欲求をおさえる必要がでてくると、それがタブーになるとかんがえていることは以前紹介したところです。
。
ただいま秋の展示の準備中!

市原歴史博物館との連携展示「縄文人の「お祈り」」を開催します(会期は10月3日~11月26日まで)。
ここでふたたび「たべる文化、たべない文化」を研究する文化人類学研究者のマーヴィン・ハリスさんにご登場ねがいましょう。
ハリスさんは栄養学的に肉など動物性のたべものとマメなど植物性のたべもののタンパク質はおなじではないと言います。
そのちがいとは、タンパク質にふくまれるアミノ酸の質と量。
ヒトの身体・肉体をつくるためにぜったいに必要な栄養・アミノ酸は必須(ひっす)アミノ酸とよばれますが、それは22種類あります。
このうち、12種類のアミノ酸はさまざまなたべものから体内でつくる、合成することができますが、のこりの10種類はそれをふくむたべものから直接とる必要があります。
植物性のたべものは動物性のそれにくらべるとカロリーがすくなく、タンパク質もすくない・・・
だから植物性たべものだけからタンパク質をとるとなると、すくないタンパク質がエネルギーとして消費されてしまい、身体をつくるアミノ酸としてのこりにくい・・・
なので、植物だけからタンパク質、必須アミノ酸をとるには、おおくの種類を大量にたべないとならない・・・
それに対して、カロリー・タンパク質・ミネラルをバランスよくふくむたべものが肉であり、肉こそ完全栄養食だと言います(板橋作美訳『食と文化の謎』2001)。
近年、高齢者ほど日常の食事にすこし肉をくわえることが推奨されているのは、ご存じのとおりです。


10月は当館のイベントがぞくぞくと!
ぜひおこしください!!
「虫をたべる」編の最終回、マンガ家の手塚治虫さんの作品「ジャングル大帝」を紹介しました(2022年10月2日をごらんください)。
「ジャングル大帝」では、植物性タンパク質から人工肉が発明されることで昆虫食をやめて、すべての生命が解放されます。
いま、この人工肉といえば、大豆ミート。
植物性タンパク質が豊富なダイズからつくられた人工肉が健康、環境にやさしい食材として注目されています。
このはなしだけだとマメと肉、タンパク質でおなじ、だからマメは肉のかわりになると思われるかもしれません。
実際、ふるくより信仰上生命を重んじる人びとは、生命をうばう肉を口にせず、かわりにマメなど植物質食料からタンパク質を摂取してきました。
日本でも仏教寺院でたべられている精進料理がその代表でしょう。
いまでは日常的に耳にする機会がおおくなった「ビーガン」料理もそれにあたります。
でも、タンパク質をとるということは、そうかんたんなはなしではないようです。


生命をおもんじる信仰が根づく地域では、さまざまなマメが利用されています。
(信仰上そうであっても、さまざまな「例外」が認められていることがあります。)

そのような地域では、マメの加工食品も発達しています。
こちらはヒヨコマメの豆腐。
感染症拡大以降、その予防のため、博物館ではさまざまな対策がとられました。
その中には入館者がある日時に集中しないよう、あらかじめインターネットで予約するシステムがあります。
博物館に行くため予約を入れようとパソコンで入力していると、なぜかうまくいかず(こうなるところが、そもそも問題なのですが)、イライラしてしまうことがあります。
そういうすがたを見た家族からは、「あなたたちギャートルズ系の人間は・・・」とあきれられています。
ちなみに「あなたたち」の「たち」がほかにだれを指しているのかは、わかりません。
音楽、画像、映像がデジタル配信され、レコード、フィルム、CD、DVDが消え、マンガ、書籍も冊子から電子書籍へ。
こういったモノをコレクションすることで充実感・安心感をえていた人間には、むしょうに不安感が高まります。
作品や記録は、このさきどのように残っていくのだろうかとか、文字も画像も水ならぬ「電気的信号」に流してしまうと最後はどこにいくのだろうかとか。
チバニアンにように、また地球の地磁気が逆転したならば、「電気的信号」の記録はどうなるのだろうか?
文字記録のない時代を先史時代とよぶならば、文字記録が残らない時代を「後史時代」とよぶのだろうか?などなど・・・
将来「後史時代」を対象とする研究者たちは、何を研究資料とするのだろうか?
資料は残らない?
でも、これまでだってモノや文字記録があってもすべて残ってきたわけではないじゃないか!
もしかすると、先史時代とおなじく後史時代でも考古学研究者の出番では?
こういうよけいな心配をすることが、アナログ人間の証(あかし)なのかもしれません。
このうちの何か共感できるものがある方は、「あなたたち」の「たち」です。

当館の定期刊行物、『貝塚博物館紀要』を「全国遺跡報告総覧」(奈良国立文化財研究所ウエブサイト参照)において電気的信号で流して(公開して)います。
「わたしたち」アナログ人間は冊子を千葉市立図書館にて閲覧できますので、ご利用ください。
この「いま」のさまざまな知識・情報にもとづくワクグミは、「経験則(けいけんそく)」とも呼ばれます。
「経験則」の多くは、どのように組みたてられているのか、どうしてそうなるのかのスジミチが具体的にしめされているわけではありません。
考古学をはじめとする研究分野では、このスジミチをことば、文字で説明する必要があるのですが、これがむずかしい・・・。
そのスジミチにそって「いま」の情報を提供してくれる研究分野が、文化人類学や民俗学などです。
これらの分野から考古学研究に役だつさまざまな知識・情報、とくに人とモノをつなげる、再構成するスジミチを手にいれ、そこから考古学のワクグミをつくり、記述して説明することができます。
これによって、「経験則」がより「もっともらしく」説明できるようになります。
ただし、それらは過去そのものではなく、「いま」なので、その成果を利用するにあたり考古学研究者はそのままつかうことにちゅうちょすることもあります。
過去の環境、条件が「いま」のどの環境、条件となにがどこまで「おなじ」なのか・・・?
文化人類学・民俗学などが関心をむけるスジミチと、考古学のそれがまったくおなじではないことに注意が必要です。
そのため、考古学研究者がみずからの関心、問題意識にそって「いま」を文化人類学・民俗学的な調査・研究することがあり、そういう研究方法を「民族(俗)考古学」などとよびます。
森林の管理をはじめ縄文時代の植物資源利用をしらべるために、いまの森林・植物・種子と見くらべているように、私たちは「いま」と縄文時代を行ったり来たりしています。
そのため、考古学研究者は「いま」の人びととそのいとなみにもつよい関心をむけています。
縄文時代の植物利用の研究では、最新の発掘調査技術や自然科学的分析技術によってさまざまな栽培の痕跡が見つかってきました。
これらのさまざまな痕跡を総合して農耕とするのか、「栽培」とするのか、その決め手は考古学研究者がどれだけおおくの「いま」を知るのか、にもかかっていると言ってもよいかもしれません。

先をよむ練習中。
考古学は基本的に過去を研究の対象としています。
この過去は、現在を生きる考古学研究者がもっているワクグミをとおして見たものです。
でも、とおい過去はだれも見たことも経験したこともありません。
つまり過去は、わたしたちの「いま」、あるいはちかい過去の知識・情報から組みたてられたワクグミをとおして見た世界なのです。
いま、縄文時代の人びとのくらしを見て知っている人はいません。
見て知っている人がいないから、縄文時代像を何でも思いついたままに言っているわけではありません。
考古学は、縄文時代の遺跡から発見された痕跡=遺構・遺物から当時の人びとの行動を復元し、その行動の背景にせまります。
この行動とその背景を復元するためのワクグミを、いまの、あるいは記録に残る「ちかい過去」の知識・情報からみちびきだし、「こうであったろう」とか「こうであったと思われる、考えられる」と言います。
これは、おなじような条件、状況下であれば、おなじようなことがおきる、おなじような行動をとるという前提にたっています。
なので、私たちは先を予測して行動できる一方で、そこに注目すると「歴史はくりかえされる」などと言われることがあります。
そして、それにたいして「そうだね」とか「まさか!そんなはずない!!」とこたえるのも、その人がもつワクグミの中におさまるか、はずれるかで判断されることは前回紹介しました。
つまり、わたしたちは「いま」をとおして縄文時代を見ています。
縄文時代をどうとらえるのかは、考古学研究者が、わたしたちが「いま」をどのように見て、理解するのかにかかっています。


企画展示では、あるワクグミにしたがって「合理的な」ストーリーにそってモノを展示しています。
当館では現在、「しらべて発見!!わたしのまちの縄文時代」(会期:令和5年9月24日まで)を開催中!
照葉樹林文化論の議論を紹介した中で、「いま」を観察対象とする文化人類学、民俗学における歴史的な仮説には考古学による検証が必要と紹介しました。
それでは、考古学と文化人類学、民俗学はそのような一方的な関係なのでしょうか?
ヒトの特徴のひとつは、直接体験・経験したことのないことを想像し、推測できること、まだおきていないことを予想できること、ありもしないことを空想できること・・・たとえば「タコ型火星人」とか(「私は見た!」という方がいらっしゃるならば、このたとえはとりけします)。
この想像も予想も推測も空想も、それをささえているのはヒトが体験・経験したさまざまな知識・情報を、直接体験していないヒトと共有しながら、それらを「もっともらしく」つなぎあわせる(再構成する)ためのワクグミをつくる能力です。
この再構成するためのワクグミにしたがって想像・推測することが、「合理的に」考えることでしょうか。
このワクグミは知識・情報の量や質によってかたちがかわり、ひろがったりせまくなったり、そこからみちびかれる想像・推測・空想の「もっともらしさ」もかわってきます。
なので、人によって、社会によって共有される知識・情報の量と質がちがうことで「もっともらしい」と考えるワクグミがちがい、それぞれ「合理的」と考えるものもちがいます。

博物館の常設展示はワクグミをつくるための情報がつまっています。
当館の常設展示をすこしかえてみました。
現在の考古学研究において「自然科学の目」が活躍できるのは、戦前・戦後のあの議論があったからこそ。
以前、「考古学って何」編で、東南アジアの山地にくらす人びとは生活の痕跡を残さないので、その歴史を知ることはできない、というジェームズ・C・スコットさんの指摘に対して、考古学はその痕跡を見つけることはできるが、それを見つけようという動機がないかぎり、見つけることはできないとしました(2021年6月30日)。
まさに考古学研究者の議論は、理化学的分析による「自然科学の目」で見るキッカケ、動機にほかなりません。
考古学はそのはじまりから、たとえば地質学や古生物学など自然科学と関係をもちながら発展してきました。
戦前・戦後の縄文時代農耕論の議論をくりひろげた考古学研究者も植物学など自然科学の成果を参照し、協力をえながら議論しています。
しかし、当時はまだ理化学的分析技術や機器の性能に制約があり、そして考古学と共通する目的、問題意識をもつ自然科学研究者がかぎられていたため、期待されたとおりの成果にいたりませんでした。
それにくらべて現在の「自然科学の目」は技術的に発展しただけでなく、考古学研究者自身が分析技術を身につけて中心的な役割をになっておこなわれるようになっています。
「自然科学の目」は「考古学の目」があってはじめて考古学的成果につながります。
また、考古学の議論が理化学的分析に影響をあたえることもあります。
考古学の議論と理化学的分析の成果のあいだにくいちがいがあると、かならずしも理化学的分析の成果が「正しい」ばかりではありません。
これまでも考古学の議論によって理化学的分析の問題点がはっきりし、それによって分析方法の改良がはかられた例があります。
考古学の議論の「考古学の目」と自然科学的分析による「自然科学の目」は、たがいに緊張感をもって対話しながら歩んできました。
考古学研究者の議論がたどってきた、そしてこれからたどる道のりは、今後の調査と研究においてもかわらず重要な役わりをもっています。

彼らのまなざしは、どこに向けられているのでしょうか?
これまで縄文時代の農耕をめぐる議論について、戦前・戦後の議論、そして最近の研究成果の一部を紹介してきました。
戦前・戦後は「状況証拠」にもとづく感覚的な議論がかさねられ、結局「作物」がわからず、農耕のシロクロもつかず・・・
それが近年の理化学的分析技術のめざましい発達による「自然科学の目」で解きあかされてきた・・・
それならば、これからの考古学の研究は最新の「自然科学の目」で見ていけば、すべてオーケー!
こたえがでなかったこれまでの考古学研究者の議論なんて、サヨウナラ!
ここまで結論にいたらなかったむかしの議論をながながと紹介してきたのは、もしかして、ネタ切れをかくしてコマ数をかせぐため?
(ドキッ!)

笑ってごまかそうとしてもダメ!
人類学・生物分子学研究者の米田穣(よねだ・みのる)さんらの研究グループは、この炭素窒素同位体比分析の方法をつかって千葉県内(東京湾東岸)のおもな縄文時代の貝塚遺跡から出土した人骨をしらべています。
それによると、海産動物(魚類・貝類)と陸生動物・C3植物(堅果類)の領域のあいだにひろがる結果となっています。
これはこの3種類をたべていた、つまり堅果などの植物質、魚や貝などの海産物、陸上動物をバランスよくたべていたことがわかりました。
ただし、市原市祇園原貝塚の分析結果では、その中でも植物質のたべものにかたよる人がいれば、海産物にかたよる人もいて、それがかならずしも時期でちがうわけではなく、おなじムラにそういう人たちが一緒にいた可能性が指摘されています(「古人骨の同位体分析から縄文社会を考える」『科学で読みとく縄文社会』2022)。
他方、縄文時代の農耕については、おなじく米田さんらの研究グループによる長野県の遺跡から出土した人骨の分析では、縄文時代晩期までC4植物(雑穀)をおもにたべていた痕跡は確認されておらず、堅果類などC3植物がおおいことがあきらかになっています。
そして縄文時代晩期のおわり(2,750~2,500年前になると遺跡出土人骨に、アワやヒエなどの雑穀をたべた痕跡が認められています(「長野県七五三掛遺跡出土人骨の同位体分析で示された、縄文時代晩期後葉の雑穀栽培を伴う低水準食糧生産」『日本考古学』53号2021)。

縄文時代後期の日本列島全体の分析結果

東京湾東岸の縄文時代貝塚出土の人骨による分析結果
いずれのグラフも米田穣「古人骨の同位体分析から縄文社会を考える」『科学で読みとく縄文社会』2022より引用しました。
この中には加曽利貝塚ははいっていません。
今後、加曽利貝塚を解明するうえで期待される研究分野のひとつです。

ところで、これまでいく度か紹介してきた加曽利貝塚(坂月川)の花粉分析では、川ぞいにハンノキがしげる縄文時代の風景からその後のイネ科植物の草原へと変化するあいだに、一時的にソバの花粉がふえています(赤い囲み)。
これって、縄文時代のソバ?
加曽利貝塚のまわりにソバがはえていたということ?
地層はさまざまな理由で上の層の土や花粉が下にもぐりこむことがあれば、ボーリング調査でサンプルをとるときにまちがってよその土や花粉についたりする、「汚染」とよばれることがおきます。
これをたしかめるには、いくつものサンプルをとって照らしあわせる必要があります。
これも加曽利貝塚の今後の課題でしょう。

お暑い日がつづきますが、みなさまお身体を大事にしておすごしください。
縄文時代の人びとが「何をたべたのか」へのアプローチでは、これまでとちがう方法がこころみられています。
その中のひとつは、炭素窒素同位体比分析(たんそちっそどういたいひぶんせき)です。
放射性炭素同位体による年代測定の方法において、人は炭素をたべものから体内にとりいれていることは紹介しました。
このときは時間とともに元の形にもどろうとする不安定な構造の炭素、炭素14の性質に着目して時間の経過をはかる方法としての放射性炭素年代測定法があみだされたことを紹介しました。
それでは時間がたっても変化しない炭素、安定した構造の炭素などは、何か利用できないものでしょうか?
いきものの体をつくるタンパク質は、たべたものにふくまれるタンパク質によってちがう、とくに炭素12と13、窒素14と15という炭素・窒素同位体の比率はちがいます。
たとえば、大気中(陸上)のいきものよりも海のいきもののほうが、たかい炭素同位体比をしめします。
いきものの中でも、「たべてたべられて」の食物連鎖における位置によっても炭素・窒素同位体比はちがい、たとえばその頂上にいる肉食獣や海獣(かいじゅう)類になると、窒素14に対する窒素15の同位体比がたかくなる傾向がみられます。
また、大気中の炭素を光合成でとりいれる植物の中でも光合成のしくみのちがいによって、たとえばドングリなど堅果類とアワやヒエなど雑穀類とで炭素・窒素同位体比がちがいます。
このように現在のいきものの体内の炭素・窒素同位体比をしらべていくと、堅果類・コメをふくむおもな植物(C3植物)とそれらとちがう特別な光合成をおこなう雑穀(C4植物)、それをたべる草食・雑食獣、そして海の中の貝類、魚類、さらにそれをたべる大型魚類、海獣類でそれぞれちがうことがわかっています。
ヒトの身体をつくるタンパク質もまた、たべたものの炭素・窒素同位体比が反映されるので、そこからおもに何をたべていたのか知るてがかりがえられます。
つまり、遺跡出土の人骨からタンパク質をとりだすことができれば、炭素・窒素同位体比をあきらかにすることができ、そのヒトがどのようなものをたべていたかわかります。
この方法によると集団ではなく、個人のレベルでおもに何をたべていたのかにせまることができます。

火山灰が堆積した酸性の土壌のなかではのこりにくい骨も、貝塚の貝層の中ではのこりやすい・・・特別史跡加曽利貝塚は、明治期以降そのような縄文時代の人骨がたくさん出土することで学会では知られていました。

わたしたち、現代日本人の炭素・窒素同位体比。
米田穣「古人骨の同位体分析から縄文社会を考える」『科学で読みとく縄文社会』2022より引用しました。

C4植物の代表、トウモロコシ。
新大陸を原産とするあたらしい作物ですが、このようなあらたなたべものが世界中に普及することでわたしたちの食生活はかわっています。
たべものの種類がかわるということは、それをとるための方法、道具がちがうだけでなく、おなじナワバリのなかでもそれにとることに従事できる人、それでたべていける人の数、つまり人間集団のかたち、おおきさがちがう、かわることでもあります。
一年の自然資源の変化は、それを利用する人のほうもそれにあわせてくらし方をかえていた可能性があります。
これは遺跡、貝塚がどのように形成されたのかを考えるうえで重要な視点のひとつではないでしょうか?
さまざまなニッチを組みあわせ、その環境によってあるニッチがしぼむと、ちがうニッチをふくらませる、そのニッチの変化にあわせて社会のおおきさ、かたちを変える・・・縄文時代の社会にはそういうしなやかさがあったのかもしれません。
縄文時代といっても1万年以上、おなじ状態がつづいたのではなく、遺跡の数がふえたりすくなくなったり、集落がおおきくなったりちいさくなったり、ばらばらになったり、家のおおきさ、かたちも変化しています。
私たちはこのような変化、とくにおおきいからちいさい、まとまりからばらばらへの変化を「行きづまった」とか「停滞した」「くずれた」などとネガティブな言いかたをすることがありますが、それもまた縄文時代の社会と文化のポジティブな反応と言えるかもしれません。
これまでわからなかった縄文時代の「作物」になりうる栽培植物のすがたが見えてきました。
つぎはその栽培の場所、そこでの栽培の具体的な方法、つまり栽培のあり方をあきらかにすることが縄文時代の「栽培」、農耕を考えるうえで必要でしょう。
今後は、それを解明する調査・研究方法の確立がのぞまれます。
考古学研究では、これまでも見えないとされた証拠・痕跡をあらたな方法で見つけてきました。
栽培のあり方の証拠・痕跡もまた、見つけだされる日はとおくないと期待しています。

ニッチは、ふくらんだりしぼんだりする風船のよう。
藤森栄一さんは、信州の山間部で1年をとおして山野からえられる食料資源をリストアップしました。
西田正規さんは、福井県鳥浜貝塚出土遺物と遺跡のまわりの自然環境から食料資源の復元をこころみ、その中からメジャーフードの存在を考えました。
考古学研究者の小林達夫(こばやし・たつお)さんは、縄文時代の人びとが利用したであろう食料資源とそのたべごろを見えるかたちにした「縄文カレンダー」をつくりました。
この「縄文カレンダー」、日本列島の自然界に四季折々の食料資源がどれだけあって、それを縄文時代の人びとがどのように組みあわせて利用していたのか、自然資源のニッチのふくらみ・しぼみが一目でわかる図です。
とてもわかりやすいので、高等学校の日本史教科書に掲載されたほか、このアイディアにもとづいてさまざまな場所でその土地にあわせた「縄文カレンダー」がつくられ、博物館の展示などで紹介されています。
小林さんは、この「縄文カレンダー」でたんに「自然の幸にめぐまれた豊かな縄文時代」像をしめそうとしたわけではありません。
縄文時代の人びとが年間をとおして計画的に身のまわりの資源を利用していたこと、つまり自然環境のニッチの変化にあわせて効率的に利用することによって、縄文文化はなりたっていたことをしめそうとしています(『縄文人の世界』1996)。
このような目で見ると、縄文カレンダーでもそれぞれの遺跡でちがい、そこから見える風景もちがってくることでしょう。

加曽利貝塚の縄文カレンダー
このカレンダーにつけたすものがあるとするならば、それぞれの資源を手にいれるためのエネルギーとどれだけの量でどれだけの人がくらせるのか、そのバランス。
その視点をくわえると、藤森栄一さんが指摘したように年間一定せず、縄文カレンダーも正円の図ではなく、晩夏や冬などあちこちがくぼむいびつな円になるかもしれません。
そのくぼみをふくらませ、正円の図にする方法としては、たべものの保存処理と貯蔵があり、また植物の栽培と動物の飼育がかかわってきます。
縄文時代の植物栽培が「栽培」なのか「農耕」なのか、縄文時代の社会が「農耕社会」なのか、それを判断するのはここでもやはりバランスが問題となるでしょう。
「虫の考古学」編でも登場したニッチ、たべものの中で栽培植物がしめるニッチのおおきさ、栽培のためにかたむけられるエネルギーが社会全体の中でどれだけなのか、それがわからないうちはこたえられそうもありません。
そのニッチ、たとえば土器に残る種子の圧痕でマメ類がおおい、それも栽培種のダイズ・・・
たべものを調理する縄文土器の表面や内部にツルマメや、クリの貯蔵場所で繁殖するコクゾウムシがたくさんついている、混じっている、その種実もおおきくなっている、だからたべものの中で栽培植物のニッチがおおきい・・・だから農耕がおこなわれ、縄文時代の社会をささえていた!とただちに結びつけることができるのでしょうか?
土器にマメがつく(入る)、あるいはつける(入れる)行動、そしてそれが「栽培」・農耕のあり方をどう反映しているのか、その関係をはっきりさせる必要があります。
それを知るひとつの方法としては、種子の圧痕を現在の種子の特徴と見くらべるように、時代を問わずさまざまな人の行動と植物の関係、とくに人は栽培植物をどのようにあつかってきたのか、その具体的な関係をよく知ることでしょう。
縄文時代をとおしてクリの実のサイズがおおきくなる傾向はみとめられたものの、遺跡によってちがうことがわかっています。
クリの遺伝子がそろう遺跡とそうではない遺跡があることが指摘されています。
ダイズなどの栽培植物もまた、遺跡・地域・時期によってそのニッチがさまざまだった可能性はあります。
栽培植物のニッチがさまざまだったとするならば、いまの時点では考古学研究者の戸沢充則(とざわ・みつのり)さんのことばをかりると「ワン・オブ・ゼム(それらの中のひとつ)」と言うのが適当かもしれません(「縄文農耕」『縄文文化の研究2』1983)。
でも誤解しないでください。
「ワン・オブ・ゼム」だから、ダイズやクリなど栽培植物は縄文時代の社会ではたいしたものではなかった、重要ではなかったということではありません。

エダマメの村にて。
ゴールデントライアングルのうすくてちいさいエダマメのおはなしを紹介しました。
このエダマメは、焼畑のマメでした。
照葉樹林帯の焼畑ではマメ類は主要な作物ではありませんが、重要な役割をはたしています。
それは、マメ科植物の根につく「根粒菌(こんりゅうきん)」のはたらきです。
根粒菌は、土の中に植物の成長にかかせない栄養分、窒素(ちっそ)を固定するはたらきをしており、マメ類の植物を植えることで土を肥よくにする効果が期待できます。
そのため、焼畑ではマメ科植物を他の作物とまぜて植えるほか、焼畑の耕作をやめる前にマメ科植物を植えてその後の森林回復にむけた遷移を促進させようとします。
これまで焼畑では深くたがやさないと紹介しつづけてきましたが、じつは焼畑でも深くたがやすことがあります。
照葉樹林帯ではヤオという民族集団がこの方法をとっていました。
ヤオは現在の中国南部からベトナム、ラオス、タイ北部の山地にひろがってくらす人びとで、それぞれの地域で言語や生活習慣などがちがいます。
そのような人びとがみずからをおなじ「ヤオ」とするのは、おなじ祖先の伝承を共有しているからです。
その伝承とは、「山犬の子孫」・・・そのむかし、中国の王が戦争で敵将をうちとった者に王女との結婚をゆるすと言ったところ、犬がそれを果たし、王女とともに山に去っていった・・・
このおはなし、どこかで耳にしたこと、ありませんか?
千葉県ゆかりの「南総里見八犬伝」の八房と伏姫のモデルとも言われています。
その犬と王女の子孫がヤオであり、ヤオは王から山野を自由に利用する権利を保障されたとする許可状をもっています(竹村卓二1981『ヤオの歴史と文化』)。
ひとつの場所に定住せず、山から山へと移りすんだヤオは、焼畑の方法もほかの焼畑民とちがい、畑で「雑草」のいきおいが増してくると、最後は犂で土をたがやして除草していました。
そうしてその土地の地力をつかいつくすと、遷移による森林回復をまつことなく、つぎつぎと山をわたり歩いていきました(尹紹亭2099『雲南の焼畑』)。


ヤオの人びと。
現在は定住がすすみ、かつてのように山々をわたり歩くことはなくなりました。
どうしてもシロクロつけたい方にはこちら!

ふかく耕さない照葉樹林帯の焼畑でも、いやふかく耕ささないからこそ「雑草」対策が重要です。
ススキやチガヤなどの葉や茎を焼きはらったとしても、根が残っているかぎりすぐに再生がはじまるので、その場所を畑につかうことはむずかしいでしょう。
それらの根をとりのぞくには深くたがやす必要がありますが、それによる労力とリスクのおおきさは紹介したとおりです。
そのため、とくに照葉樹林帯の焼畑では雑草がふえはじめると畑の作つけをやめて、地面に陽がとどかない、くらい森林になるまで遷移をすすめます。
くらい森林の下では草はそだちにくく、草のニッチはどんどんせまくなっていきます。
こうして森林の遷移をすすめて草のニッチをいったん最低にまで引きさげることで、森林を焼きはらったあとの草の繁殖をおくらせる、そのあいだに作物をそだてることが焼畑のしくみです。
クロボク土の生成要因・過程にはまだナゾがおおいのですが、人による草原の焼きはらいと関係したとしても、それをただちに除草や焼畑につなげることはむずかしそうです。
遺跡から栽培のあり方をみつけるには、焼畑をふくめて現在もおこなわれているさまざまな農耕の方法が、その土地に、くらしにどのような痕跡を残すのかをしらべていくこともひとつの方法でしょう。
ここにこそ、照葉樹林文化論を主唱した中尾佐助さんの「種子(タネ)から胃袋まで」の視点であり、考古学が「気づく」きっかけになるのではないでしょうか?

多品種栽培は土や湿り気のちがいだけでなく、作物の背たけや葉のおおきさ、ひろがりかたにあわせて太陽光も有効利用する方法でもあります。

遷移がはじまった焼畑のあと。
焼畑は地面に明確な区画をつくらず、深くたがやして地ならししない、同時にいろいろな作物が栽培される、たしかに考古学的にその痕跡が認識しにくい耕作方法といえます。
その焼畑の痕跡として黒土、クロボク土が注目されています。
関東ローム層とよばれる火山灰堆積層の上にまっ黒な土が堆積していることがあります。
かつてこの黒い土は、植物などの有機物がくさって風化した火山灰(ローム)にまじる、「腐植(ふしょく)」によってできたと考えられていました。
しかし、その中にはススキなどのイネ科植物の炭化物粒をおおくふくむことがわかってきました。
地質学研究者の山野井徹(やまのい・とおる)さんは、従来のクロボク土の腐植土説に対して、風ではこばれた粒子の中のススキなどの炭化物粒に植物質の腐食した成分が吸着して形成されたもので、草原を焼きはらった痕跡を反映する可能性が高く、それは縄文時代までさかのぼるとしています。
現在でも熊本県の阿蘇山や奈良県の若草山のように、イネ科植物の芽ぶきをうながし、草原を維持するため、人がわざと火をいれる「山焼き」がおこなわれています。
草原を焼きはらう理由として、山野井さんは焼畑の可能性を認めつつ草原の状態に遷移をとめることでチガヤ、ワラビ・ゼンマイなどの草原の自然資源を利用していたのではないかと考えています(「黒土と縄文時代」『山形応用地質』20号2000)。

黄いろの関東ローム層のうえにある黒い土がクロボク土。


草原の資源、ワラビとゼンマイ。
特別史跡加曽利貝塚にて。

草原の資源、マメ科植物のクズ。
クズは春の若芽が食用になるほか、秋のマメは染料、そして冬にその根茎にデンプンがたくわえられます。
この根茎を掘りだし、水にさらしてデンプンをたたきだしたのが「葛粉(くずこ)」です。
ところで、夏のクズの葉はカメムシの好物・・・「さわやかな味」のカメムシをたべていたとするなら?

縄文時代農耕論、そして照葉樹林文化論でクローズアップされた農耕のあり方が焼畑です。
縄文時代中期農耕論では、発火道具の一部とされた石器・凹石(くぼみいし)がおおく出土すること、遺跡に火災の痕跡が見られること、縄文時代後期・晩期農耕論では、遺跡が水田に適した低地からはなれた台地上にあることなどから、焼畑による農耕がおこなわれたと想像されていました。
照葉樹林文化論では、水田稲作開始の前の雑穀栽培を、山地に適した農耕として現在もおこなわれている焼畑と想定しています。
焼畑については、「木も展示」編の樹木の遷移の中で紹介しました。
一般的に焼畑は「原始的な農耕」「粗放な農耕」というイメージがつよいのではないでしょうか?
考古学でも焼畑は原始的とみなされているようで、縄文時代農耕論におけるその農法として焼畑のイメージがかさねられてきました。
しかし、たとえば照葉樹林帯における焼畑は、草木をもやした灰を肥料にする、種子をまく、雑草をとりのぞく、収穫するという一連のしごとは、私たちがイメージする一般的な畑作のあり方とあまりかわりはありません。
ちがうとするならば、それは土を深く耕さない、地ならしをしない・・・
おおきなエネルギーをかたむけて雑草を根だやしにするよりも、養分のある表土がながれてしまうリスクをさける・・・
深く耕さないからちいさな集団でも畑を切りひらくことができる・・・
また、土を耕さない焼畑ではおなじ畑の中でも地形や土の性質、陽あたりにちがいがあるので、それにあわせていくつもの作物が植えられる・・・・
畑と聞くと私たちは整然と区画された平らな農地に畝(うね)がたてられて一面におなじ作物がならぶ光景を思いうかべてしまいます。
このようなイメージからすると焼畑は雑然としていて、テキトーで、原始的に見えるかもしれませんが、整然とした畑は商品としてのひとつの作物の効率的な大量生産のためのあり方です。
そして現在、それとおなじ方法を焼畑にとりいれようとした結果、焼畑が環境破壊につながっています。



ふたたび焼畑の風景

こういう風景が畑作のイメージ?

焼いて耕すプランテーション
さて、縄文時代農耕論の議論では農耕かどうか、シロクロではなくグレー、つまり農耕まではいかない、その一歩手前の段階を表現するこころみが見うけられますが、それはどのように言いあらわすのでしょうか?
文化人類学では裏庭での「家庭菜園程度の栽培」ということで、ホーム・ガーデン、キッチン・ガーデンなどとよぶことがあります。
考古学では、栽培に農耕の前段階という意味をこめるばあい、あるいは「原始農耕」「自然の人工化」などといったあらたな用語・表現をつかった例が見うけられます。
このほかに「園耕(えんこう)」ということばが登場します。
この「園耕」、もし農業地理学者のエドゥアルト・ハーンさんが提唱した農耕発展段階の説にもとづいているならば、「園耕」は農耕の中のひとつのあり方です。
ハーンさんの農耕発展段階説では、農耕の段階の前に人が棒や鍬など手でつかうかんたんな道具でたがやす小規模な植物栽培の段階として、「槈耕(どうこう)」をもうけています。
この「どう耕」が文化人類学でいうホーム・ガーデンにあたるでしょう。
しかし、手であつかう道具による「どう耕」が、たとえば用水路や畑の区画などの設備をととのえ、肥料をあたえるなどして大規模に栽培するようになると、それを「園耕」として「農耕」のひとつのあり方として考えています。
なお、ハーンさんは、「園耕」に対してウシやウマなど家畜の力で犂(すき)をひいて田畑をたがやす農耕のあり方を「犂耕(りこう)」とよんでいます(川波剛毅、佐藤俊夫訳『犂農耕成立起源論』1994)。
研究者の中でも、それぞれちがう視点でおなじことばをつかうことがあるので、わたしたちはどういう意味でそのことばをつかっているのか、気をつけて読みとる必要があります。
ちなみにここではどうする?
とりあえず、かぎかっこつきの「栽培」ということばで農耕未満の意味をもたせておきましょう。

キッチンガーデンでの草とり。

水田でスイギュウをつかった犂耕。
日本列島では弥生時代の九州地方の一部にウシがやってきた可能性はありますが、水田跡や出土する農具などからは、ウシ・ウマをつかって犂耕がおこなわれた形跡は確認されていません。
戦前に縄文時代の農耕に関心をよせた森本六爾さんは、農耕と農耕社会はちがうとし、縄文時代に農耕はあったかもしれないが、農耕社会ではなかったと考えていました。
また、照葉樹林文化論と「半栽培」の概念を提唱した中尾佐助さんも農耕と農耕社会はちがうとしています。
「栽培」とは、人が植物の種子を植えて育てるひとつながりの行動、人と植物のあいだの直接的な関係。
栽培植物とは、人が手をかけることで育ち、繁殖できる植物で、中尾さんは人が労働と期待をかたむけ、それに植物がこたえる関係と表現します(『栽培植物と農耕の起源』1966)。
その栽培を集約的、つまり植物栽培に人がそのエネルギー(労働力)、モノ(土地、道具、水、肥料など)、情報(栽培方法、陽あたり、土、天気、雑草、そして害獣害虫などにかかる知識)を集中してそだて、その収穫物を利用するあり方を「農耕」とよびます。
人の生活が農耕にもとづくリズム、つまり農事暦(のうじれき)にそっていとなまれ、家族・親族構成のあり方や、近所づきあいの仕方がそれによってきまるなど、農耕にともなう活動にあわせて形づくられる人と人の関係、社会関係を「農耕社会」とよびます。
「農耕」がエネルギー・モノ・情報を集約化した植物の栽培と利用であるならば、「農耕」をおこなう人はそれにあわせた社会をつくることになっていくので、「農耕」と「農耕社会」はとてもちかい関係ですが、おなじではありません。


農耕といえばこういうイメージ?
中尾佐助さんは、照葉樹林文化論を「いま」からみちびきだしたと認めています。
つまり、照葉樹林文化論の発展段階は、さまざまな中心地から伝わった文化要素がつみかさなってできた現在の文化様相の中から、あたらしいと考える要素を順次はぎとっていくことで設定された仮説です。
何を「あたらしい」あるいは「ふるい」とするのか、それがいつ、どこでかさなったのか、それは考古学・歴史学による検証を必要としています。
その検証が照葉樹林文化圏の中心地域でなされることなく、東端の日本列島において縄文時代農耕論に呼応するように、縄文時代を「採集」「半栽培」「栽培」段階とする議論がかわされ、あわせて照葉樹林文化論の検証がこころみられます。
他方、縄文時代の植物利用研究をすすめた渡辺誠さんなど考古学研究者が日本列島での照葉樹林文化論にいくつかの疑問を投げかけています。
そのひとつに、縄文時代の植物資源利用、とくにドングリ類のアク抜き技術は、日本列島では照葉樹林帯の文化ではなく、落葉広葉樹林帯で発達した技術であり、それが東から西にひろがっていくことは照葉樹林文化論の西から東へというながれとちがうことをあげています(渡辺誠「照葉樹林文化論と縄文文化研究」『民族学研究』49巻3号1984)。
その一方で渡辺さんは、照葉樹林文化論がしめそうとした植物資源利用の諸段階は、農耕か農耕ではないかの二者択一ばかりをせまる当時の考古学の議論において、段階な発展という視点を認識させるものとして評価しています(『縄文時代の植物食』1975)。
照葉樹林文化論以降、縄文時代農耕論では「半栽培」「栽培」「農耕」、「農耕社会かどうか」といったさまざまなことばがつかわれるようになっていきます。
これは考古学でも農耕か農耕ではないといったシロクロつける議論ではなく、農耕への道のりにはいくつかの段階、グラデーションをもちながら農耕にいたるとの認識がもたれるようになったことをうかがわせます。

シロクロつけたいなら、これ!
縄文人が考えたっぽいボードゲーム、縄文将棋(じょうもんしょうぎ)!!
当館の縄文ラボにおいて体験できます。
詳しくは当館ホームページでご確認ください。
みんなでめざそう!縄文将棋界の渡辺明(わたなべ・あきら)名人!!
照葉樹林文化論が文化伝播論であることは、中尾佐助さんが当初、マレー半島の根栽農耕文化が北上して照葉樹林文化にとりこまれ、3.根栽栽培の段階が成立すると考えていたにもかかわらず、逆に北の照葉樹林文化の根栽栽培が南方に影響をあたえたと変更しようとしたところによくあらわれています。
これは、タロイモの起源地がそれまで考えられていたよりも北、東南アジア大陸部の奥にあるという当時最新の学説の影響と、この地域では歴史的に民族・文化が南から北に移動した例がないとしたことによるものでした。
なお、照葉樹林文化論は本来、稲作起源論でなかったにもかかわらず、照葉樹林文化を形づくった中心地域「東亜半月弧」を設定するにあたり、当時、さまざまな野生種のイネ(ジャポニカ・ライス)があることを根拠に稲作起源地とされた地域をかさねています(『続・照葉樹林文化』1976)。
しかしその後、長江中流域で最古の水田稲作文化が発見されるなど、稲作起源地が当初の「東亜半月弧」からずれる可能性が高まります。
文化伝播論は文化人類学のひとつの考え方ですが、現在を研究対象とする文化人類学に過去を復原する独自の手法がないことは昨年8月18日にふれました。
文化伝播論では、起源地を判定するための基準をつくり、それと比較して変形した程度によって起源地からの遠近や時間の経過を復原しようとこころみたこともありました。
しかし、それが妥当なのか検証するには、やはり考古学・歴史学の手法が必要でしょう。
また、文化伝播論では、文化が伝わる原因を人・集団の移動や「文化は高いところから低いところへながれる」といった前提で説明されるのですが、ほんとうにそれで「なぜ?」「どうして?」を説明できたといえるのでしょうか?

サトイモ

サトイモの一種、ヤツガシラ。
私たちのお正月料理にヤツガシラの煮物があります。
親イモからたくさんわかれて繁殖することから、子孫繁栄を象徴するといわれています。
照葉樹林文化論ではこのほかアズキのはいった赤飯など、現在は非日常であってもお祝いの席で出されるたべものに半栽培・雑穀栽培段階の主要な文化要素が残っているとしています。

照葉樹林文化圏の中心「東亜半月弧」。
照葉樹林文化論で「東亜半月弧」が設定された時期は、その南側の東南アジア大陸部でふるい農耕文化に属するとされる重要な遺跡が発見、調査されていました。
上山春平・佐々木高明・中尾佐助1976『続・照葉樹林文化』(中公新書)より引用しました。

人びとは、北から南へ?
照葉樹林文化論は、その名前から自然環境に適応するために文化がつくられる文化生態論(ぶんかせいたいろん)のように聞こえるかもしれません。
植物栽培の種類や栽培方法は自然環境によってきまることは当然ですが、照葉樹林文化論をささえる文化複合の考え方と、その起源地とした「東亜半月弧」設定の手法は文化伝播論(ぶんかでんぱろん)です。
しずかな水面に小石を投げいれると同心円状に波がひろがります。
この波は中心からはなれるほどちいさく、よわくなり、形もくずれていきます。
文化伝播論の基本的な考え方はこの現象とおなじく、ある場所である発明がなされると、それは波のように周囲にひろがっていきますが、発明の中心からはなれるほどよわく、形がくずれていくとします。
ある発明によってそれに核としたひとつの文化複合が形成されると、波のように周辺にひろがります。
発明地のちかくでは、波がつよい、つまりオリジナルとおなじ文化複合が受け入れられますが、空間・時間がはなれるにつれて環境・条件がかわると、その文化複合は変形していきます。
このような文化複合の波はあちこちからよせてきます。
あたらしい文化の波をかぶると、その波のつよさによってふるい文化複合が変形する、あるいは消える、一部だけ残る・・・

「伝統」とは、どこからきて、どこへいくのでしょうか?


刀で悪霊をはらう門。
でもよく見ると刀にまじって・・・
中尾佐助さんは、「照葉樹林文化」がつぎのような発展段階をたどったと考えます。
1.野生植物の採集の段階
2.半栽培の段階
3.根栽栽培の段階
4.雑穀栽培の段階
5.稲作の段階
そして、哲学、文化人類学、植物学、農学、考古学などの研究者をまきこんでこの仮説の検証をこころみています(『照葉樹林文化』1969)。
そこでは「農耕基本文化複合」の内容をいっそう具体的にするだけでなく、栽培・農耕と直接かかわるように見えないさまざまな文化要素からなる「二次的文化複合」にまでその範囲をひろげていきます。
それは家屋の構造、鵜飼(うかい)や歌垣(うたがき)、さらにナットウやモチなどネバネバの食感の好みにまで多岐にわたっています。
さらに中尾さんは、照葉樹林文化を構成する文化要素の起源地がヒマラヤ南麓のアッサム地方から現在のミャンマー・タイ・ラオス北部、中国南部の山地部にかけての地域にあると考え、その地域が照葉樹林文化の「文化複合」を形づくった中心地域であるとして、その地域を「東亜半月弧(とうあはんげつこ)」と名づけました(『続・照葉樹林文化』1976)。
照葉樹林帯は日本列島の一部をふくむことから、この照葉樹林文化論は縄文時代農耕論に影響をあたえます。

これも照葉樹林文化?・・・ハンギング・ウォール(つり壁)の家。
家屋の壁を下からレンガや木材などをつみあげてつくるのではなく、柱の上にわたした梁(はり)に網代(あじろ)などをつるしてつくる構造。

あれも照葉樹林文化?・・・歌垣(うたがき)
男女がわかれて歌をうたいながら毬(まり)をなげあいます。


それも照葉樹林文化?・・・モチ。
照葉樹林帯で栽培されるコメといえば、モチゴメ。
そのモチゴメのねばねば食感もさることながら、それをついたモチもまた、照葉樹林文化を代表するたべものとされています。

ねばねば食感の代表格といえば、ナットウ。
今年度の特別史跡加曾利貝塚は、4月1日(土曜日)「かそりえ」のオープンがらはじまりました。
みなさまのご来館と「かそりえ」のご利用をこころよりおまち申しあげます。
この日記も引きつづき考古学とはどういうことを、どのように考えてきたのかご紹介しながら特別史跡加曾利貝塚の見どころを紹介してまいります。
ここからは、3月25日(土曜日)からのつづきです。
森林管理・クリ栽培で紹介した「半栽培」は、植物民族学研究者の中尾佐助さんが世界の農耕文化の起源を考える中で提唱した概念です。
中尾さんは、「種子(タネ)から胃袋まで」というユニークな視点から、世界の農耕文化の起源とそのひろがり方を考えました。
これは栽培植物だけではなく、その栽培方法・技術、そしてその収穫物の保存・加工・調理、たべ方にいたるまでをひとつの組みあわせとして考えるもので、それによって世界にはおおきく4つの農耕文化の系統があるとしています。
その中で、東南アジアと東アジアの境を東西にのび、そしてその東端が日本列島にまで達する照葉樹林帯で成立した農耕文化、「照葉樹林文化」が設定されます。
人のたべられるものがかならずしも豊かでない照葉樹林帯では、ドングリや植物の根茎類のデンプンはあるのですが、その中にはアクや毒を含むものがおおくあります。
そのため、それらを水にさらすことで毒をぬき、デンプンをあつめる技術が発達したとします。
その後、南方の熱帯雨林帯のバナナ、タロイモやヤムイモなどを栽培化した「根栽(こんさい)農耕文化」と接触すると、照葉樹林帯がタロイモなど一部の栽培植物を受けとったと想定しています。
「根栽農耕」とは、種子ではなく、株分けで繁殖する栽培植物による農耕です。
さらに照葉樹林帯は、その西に接する雑穀農耕文化から雑穀の一部を栽培植物として受けいれます。
中尾さんは、これらの栽培植物と照葉樹林帯を起源地とする茶、絹(桑・蚕)、ウルシ、シソ、ミカンなど柑橘類(かんきつるい)、コウジ発酵(はっこう)の利用などの文化要素の組みあわせを「農耕基本文化複合」として「照葉樹林文化」を設定しました(『栽培植物と農耕の起源』1966)。

陽あたりのよくない照葉樹の下。
多様な草木がそだちにくく、人に有用な植物もすくないとされています。
特別史跡加曽利貝塚の照葉樹・スダジイの根本は草刈りいらず。

特別史跡加曽利貝塚のヒガンバナ。
ヒガンバナは鱗茎植物で、でんぷんをたくわえますが、毒もあります。

「照葉樹林文化」のひとつ・・・照葉樹の茶の葉をたべる文化。

わたしたちは茶をのみものと思うかもしれませんが、たべるものでもあります。
発酵させた茶の葉に油や塩などの調味料をくわえ、マメなどといっしょにいただきます。

「照葉樹林文化」のひとつ・・・ミカン。



「照葉樹林文化」のひとつ・・・養蚕、絹、シルク。

「照葉樹林文化」のひとつ・・・ウルシ。
桜の花びらがまう中、特別史跡加曽利貝塚にあらたな施設「かそりえ」がオープンしました。
加曽利貝塚博物館に隣接する「かそりえ」は、来園者の皆さまの休憩、さまざまな普及活動の拠点となる施設です。
特別史跡加曽利貝塚へのご来園、ご来館のおりにはぜひご利用ください。

タイ・ミャンマー・ラオスの国境が接する地域(ゴールデントライアングル)をおとずれたとき、ひとつのウワサを耳にしました。
川の上流に、石を溶かしている村があるというのです。
石とは鉱石のことか?それは鉄?銅?
ウワサの真偽をたしかめるべくその村をめざしました。
村長宅でこのウワサについてたずねていると、お椀がさしだされました。
お椀の中には見なれた緑色のサヤつきマメ、エダマメそっくりなマメ。
ただ、手にとると日本のエダマメよりちいさく、軽く、マメのふくらみが感じられない・・・でも口元にもっていったときのあの青くさい香りはエダマメそのもの。
そしてたべ方もエダマメとおなじ、指先でサヤをつまんでマメを押しだす。
ところが、日本でたべなれているエダマメのつもりでサヤを押しても、いっこうにマメがとびでてきません。
やっとの思いでサヤから吸いだしたマメは、とてもちいさくうすいものでした。
日本のエダマメで「はずれ」に当たったときの残念感いっぱいです。
でも、それは「はずれ」ではありません。
まわりの村人はつぎつぎ口に運びますが、こちらはちいさなマメを吸い出すことにつかれはて、「何もわざわざちいさなマメを」と心の中で負けおしみのように言いながら、たべることをあきらめてしまいました。
これに似たおはなし、以前に紹介しませんでしたか?
どうしてこんなちいさな実をたべるのか?
コーの実、クリの実でもおなじような体験をしました。
この体験もコーの実とおなじく、メジャーフード・主食でもなく、いまの私たちの感覚では「わざわざたべなくても」と思ってしまうものですが、そういったものにもその社会にとって意味がある、ニッチがあるということを垣間見せてくれます。
ちなみにこのおはなしのキッカケ「石を溶かす村」のウワサ、こちらはただのウワサでおわりました。


ゴールデントライアングルのウワサの村。

はずれのエダマメ。
これは日本のエダマメ。
当時はデジタルカメラが普及しはじめたころ、まだ銀塩フィルムカメラ主流の時代・・・
たかがエダマメ!とフィルムを節約したため、画像はありません。
いま思うと、残念!

ナットウ・・・小粒でうすいダイズのナットウ。
近年、植物考古学研究者の中山誠二さんと「辺境探検家」で作家の高野秀行(たかの・ひでゆき)さんは、ツルマメをつかったナットウづくりをこころみています(『幻のアフリカ納豆を追え!』2020)。

乾燥させたナットウ。
そのままたべるというよりも、みそのような調味料としてつかわれています。
(そのままたべるときは、火であぶってたべます。)
特別史跡加曽利貝塚の出土土器においても、レプリカ法によって植物の種実の圧痕を調べています。
これまで加曽利貝塚出土の土器からは15点の種子圧痕が報告されています。
その種別は、キハダ種子2点、ダイズ属・タデ科・エゴマ種子各1点が確認されました。
出土した時期ごとに見ると、縄文時代中期にキハダ、縄文時代後期にダイズ属、エゴマ、タデ科となっており、それ以外は種類を特定することができませんでした。
また、縄文晩期の土器から種実圧痕は報告されていません。
加曽利貝塚のダイズ属は、水分をふくんだ状態として比較すると野生種と栽培種の中間のサイズと判定されています(佐々木由香・山本華・大網信良ほか「土器種実圧痕」『史跡加曽利貝塚総括報告書』2017)。
この数、一見するとすくないように感じるかもしれません。
おおきな貝塚をともなうような遺跡はすくない?
この数は加曽利貝塚のぼう大な出土土器片の中のごく一部をしらべたにすぎません。
今後、さらに調査がすすむことで加曽利貝塚における植物資源の利用の具体的なすがたが見えてくることでしょう。
なお、加曽利貝塚からは以前紹介した堅果類以外にマメ科、アズキ亜科などの炭化物も出土しています。
これらのマメ科、アズキ亜科は野生種なのか、栽培種なのかは確認できませんでした。
また、これらのほかに種類は特定できませんでしたが、鱗茎(りんけい)の炭化物も出土しています(佐々木由香・バンダリスダルジャンほか「炭化種実」『史跡加曽利貝塚総括報告書』2017)。

レプリカ法によるエゴマの走査電子顕微鏡画像。

上段はキハダ、中段はタデ科、下段はダイズ属。

特別史跡加曽利貝塚にさくヤマユリ。
陽あたりのよくない林の周辺で見かけます。


鱗茎植物とは、魚のウロコのような茎の根本に栄養をためて、株わかれしながら繁殖する植物で、私たちがよく知る鱗茎植物にはタマネギやユリネがあります。
打製石斧の土掘り具説では、イモ類などとともに採集対象の候補のひとつにあげられました。
こちらのユリネは、お正月料理用として販売されていたものです。
撮影後はホイル焼きでいただきました。
土器に残る植物の種実の痕跡をめぐる調査・研究方法は、もうひとつの縄文時代農耕論、縄文時代中期農耕論にあらたな進展をもたらせます。
植物考古学研究者の中山誠二(なかやま・せいじ)さんは、X線画像・CTスキャン画像技術を駆使したレプリカ法で中部地方・関東地方の縄文土器を分析しています。
その分析結果では、縄文時代前期以降、有用植物の種実としてシソ属、ダイズ属、ササゲ属(アズキ亜属)、縄文時代晩期末にはオオムギを確認しています。
中山さんは、これらの中でとくにダイズ属に注目します。
それは、ダイズ属が縄文時代中期中ごろから種実がおおきくなるなど変化がみとめられることです。
エダマメなど私たちがよく目にするダイズは栽培された品種ですが、もとの野生種はツル性植物のツルマメです。
このツルマメ、現在でも私たちの身近にその姿を見ることができます。
特別史跡加曽利貝塚では、台地と坂月川の低地が接する場所で見ることができます。
このツルマメは、人が栽培していくとツル性をうしなっていき、ちいさくかたいマメもおおきくなっていきます。
中山さんは現在の野生種のツルマメと栽培種のダイズを標本にして、縄文時代の土器につくマメの圧痕とくらべています。
土器の表面や内部にあるマメの圧痕は、土器をつくるときについたものです。
つまり、水分をふくむ粘土にはりついたり、まじったマメは粘土の水分をすってふくらみます。
したがって野生のツルマメも土器の粘土の水分をすっておおきくなります。
そのため、あらかじめツルマメ、ダイズが水分でどれだけふくらむのかしらべ、それにもとづいて土器につくマメの圧痕とくらべる必要があります。
このような手つづきをふまえたうえで、縄文土器につくマメの圧痕を分析したところ、縄文時代中期にマメがおおきくなりはじめ、中期末には現在の栽培種のダイズにちかいおおきさ、特徴をもつものもあることがわかりました。
このことは、中部地方でツルマメからダイズへの変化の道のりをとらえることができるということ、つまりこの地域で野生種ツルマメから栽培種ダイズへと変化していることをしめします。
なお、九州地方でも縄文時代後期から晩期にかけて栽培種ダイズが確認されていますが、中山さんはそれに先だつ中部地方のダイズとどのような関係があるのかは、いまの時点では評価できないとしています(『植物考古学と日本の農耕の起源』2010)。
他方、中部地方・西関東地方の縄文時代中期の特徴的な石器とされた打製石斧が京都府桑飼下遺跡で多数出土したように、縄文時代後期から晩期にかけて東日本的な要素が西日本にひろがっていく状況が指摘されています。
これをふまえて、小畑弘己さんのように東日本のダイズ栽培が西日本、九州地方に伝わったと積極的に考えようとする見方もあります(小畑弘己『縄文時代の植物利用と家屋害虫』2019)。




特別史跡加曽利貝塚周辺のツルマメ。
坂月川ぞいでも見ることができます。

ツルアズキの花。
九州地方では、イネやアワ、コムギなど穀物の炭化物が出土したとされる縄文時代の遺跡があります。
また、縄文時代晩期の土器片の表面にコメと思われる圧痕があることもはやくから知られていました。
しかし、穀物の炭化物についてはその出土状況から確実な時期を特定することができません。
また、コメとされた土器片の圧痕は本当にコメなのか、さらに土器片自体が縄文土器なのかなどさまざまな疑問がありました。
この問題にあらたな研究手法でとりくんだのが、「虫の考古学」編で紹介した山崎純男さんです。
山崎さんは、九州地方の縄文土器の表面にあるくぼみから高分子シリコンでレプリカをとって走査電子顕微鏡で観察します。
すると、シソ属、オオムギ、ヒエ、ダイズ、ハトムギ、イネなどの種子の痕跡が確認されました。
そして、この方法でみつかった種実類には縄文時代晩期に画期があって、縄文時代後期から晩期にかけてはシソ属、マメ類、イネ、オオムギ、ヒエなどが認められますが、晩期後半になるとイネ、アワ、その中でもとくにイネに集中することを確認します(「土器圧痕にみる栽培植物」『縄文時代の考古学3』2009)。
レプリカ法であれば土器の表面から植物の種実がみつかり、たちまちその種類もわかる・・・わけではありません。
種実にもその種類ごとに特徴のある部分があって、そこがうまく土器の表面にあたって形が残っていないとその種類は特定できません。
実際にレプリカ法であっても、いったん種類を特定した種実の痕跡が、その後の再検討でこの特徴が確認できなかったため「退場」していったものや、種類が変更になったものもあります。
また、土器の内部にも種実があり、それらが炭化して残っていることがわかると、土器片のX線画像による種実の発見、CTスキャン画像解析による種類の特定、そして炭化した種実の放射性炭素年代測定による土器片の時期確定など、レプリカ法をとりまく研究環境も発展しています。
このようなレプリカ法の発展によってコクゾウムシが1万年前から日本列島にいたこと、それが人によるクリの貯蔵や運搬にかかわることをあきらかにした小畑弘己さんは、種実の調査・分析においても最新の標本にもとづいてその種類を特定していきます。
その成果によると、縄文時代後期から晩期にかけてはエゴマ、アズキ、ダイズが中心で、それまでイネとされたものにはダイズになるものがあることを確認しています。
そして縄文時代晩期後半になると、それまでのマメ類、エゴマのほかにアワ、キビ、イネがくわわることをあきらかにしています(『縄文時代の植物利用と家屋害虫』2019)。
このような研究のつみかさねの結果、栽培された可能性のある有用植物として、シソ属・ヒョウタン・マメ科・アサ・ゴボウなどが縄文時代前期までさかのぼり、後期以降はエゴマ・アズキ・ダイズなどの存在がはっきりし、そして晩期後半になるとイネ・オオムギ・アワなどがとらえられるようになりました。

千葉市荒屋敷貝塚出土の土器片(左)に残るくぼみをシリコンでうつしとる(右)。
![]()
特別史跡三内丸山遺跡出土のクルミとクルミ押圧土製品
(JOMONARCHIVES:所蔵機関三内丸山遺跡センター)
縄文時代の人もやっていたレプリカ法。
クルミのカラ(左)に粘土を押しあてて型(右)をとっています。
賀川光夫さんが大陸文化の影響としたモノに対しては、それらが本当に大陸文化と関係あると言えるのか、この大陸文化の中心地から日本列島の間にそれが伝わったことをしめすような痕跡はあるのかなど、つよい批判をうけます。
それでも賀川さんは、縄文時代晩期の大分県大石(おおいし)遺跡の調査成果によって、縄文時代後期・晩期農耕論への考えをつよくします。
台地上にある大石遺跡からは、打製石斧と大形の剥片を打ちかいて刃をつけた「石庖丁(いしほうちょう)形石器」がたくさん出土し、賀川さんは前者を耕具、後者を収穫具と考えました。
また、植物質を加工したと見られる石皿・磨石もたくさん出土しますが、その中に縄文時代の石皿・磨石とはちがう「平たい石臼」と「棒状の磨石」があり、これらは大陸におけるアワやムギなど雑穀加工の遺物に共通する特徴とされました。
さらに集落跡では、住居跡が台地上の中央を広場のようにとりかこんだようにならび、その中央に特徴的な構造の大形住居跡がみつかります。
賀川さんはこれらの出土遺物と集落の構造から、大石遺跡は「農耕」的であり、台地上という遺跡立地と大陸的な雑穀加工道具をともなうことから、雑穀を作物とする畑作による農耕社会であっただろうとしました(『農耕の起源』1972』)。
ただし、ここで作物とされた雑穀については、その種類の特定にまではいたりませんでした。
これって、どこかで聞いたような?
ここで農耕の根拠とされたものは、「大陸文化の影響」以外、縄文時代中期農耕論と似ていませんか?
でも、おたがいにつながっていたわけではありません。
縄文時代中期と後期・晩期、中部・関東地方と九州地方、そのあいだには時間と地域のズレがありました。
藤森栄一さんは、縄文時代中期の農耕が中部地方から関東地方にかけて発展し、その後消えていったと考えています。
他方、賀川さんは九州地方に大陸の農耕文化の影響がおよんでいたとして、稲作開始のさかのぼり、あるいはその受けいれ準備の段階として弥生文化につながると考えたところにちがいがあります。
自己完結した縄文時代中期農耕論は、さまざま「作物」の候補があがりますが、それを特定することはできませんでした。
それに対して縄文時代後期・晩期農耕論は、弥生時代から「作物」をさかのぼるという視点でのアプローチがおこなわれます。
賀川さんも作物の候補を弥生時代までひろげ、イネ以外にムギ、キビ、アワ、マメ類など畑作の作物が確認されていることから、それらの中に縄文時代後期・晩期までさかのぼる「作物」があると考えます(『農耕の起源』1972』)。

代表的な雑穀、アワ。

代表的な雑穀、ヒエ。


最近までつかわれていた三角形の穀物収穫用道具。
ここまで紹介してきた縄文時代農耕論は、中部地方から関東地方にかけての内陸部における縄文時代中期の様相をめぐる議論でした。
この議論の中心となった藤森栄一さんは、縄文文化イコール農耕文化とただちに考えているのではなく、縄文時代中期の「農耕」を落葉広葉樹林帯に適応したひとつの地域文化と位置づけています(『縄文農耕』1970)。
この「縄文時代中期農耕論」とはまたべつに「縄文時代後期・晩期農耕論」の議論があります。
こちらの舞台は九州地方。
「縄文時代後期・晩期農耕論」は、弥生時代・文化の目じるしとされた稲作の到来が「縄文時代」にまでさかのぼるのではないか?水田稲作を受けいれる前にその準備段階としての農耕があったのではないか?そしてそこに大陸文化の影響があったのではないか?という疑問から出発しています。
九州地方では、縄文時代後・晩期に「黒色研磨土器(こくしょくけんまどき)」があらわれます。
これは、煮炊きにつかう土器よりもきめのこまかい粘土で浅鉢や小ぶりの深鉢形土器をつくり、その表面をていねいにみがいて(研磨)、焼きあげるときにわざと黒くなるように炭素を吸着させた土器です。
考古学研究者の賀川光夫(かがわ・みつお)さんは、この土器の特徴が東アジア大陸部、黄河(こうが)下流域の黒陶(こくとう)とよばれる土器に似ているとして、縄文時代の九州地方に大陸文化の影響があったと考えました。
さらにこのような黒色研磨土器が出土する遺跡から「扁平打製石器(へんぺいだせいせっき)」がたくさん出土することにも注意をむけます。
扁平打製石器とは、ひらたい石や石のかたまりを割ってはぎとった長方形や台形のおおきい剥片の縁をうち欠いて刃をつけた石器です。
長方形の剥片では、長辺に刃をつけると横長の刃物、短辺に刃をつけると縦長の刃物になり、前者は植物を刈りとる鎌のような道具、後者は土をけずる鍬のような道具と考えました。
このような大ぶりの剥片を農具のようにつかったとされる文化が、東アジア大陸の新石器時代に見つかっています。
これらのことから、賀川さんは縄文時代にも大陸文化の影響があり、そこに狩猟採集から農耕へと発展する段階とみなしました(「中国先史土器の影響」『古代学研究』25、1960)。

焼畑からイモを掘ってきた人。
手にもつ道具は、ヨコの刃で草をかきとり、タテの刃で土を掘ります。
近年、縄文時代貝塚遺跡の評価は、幅ひろい研究分野による学際的な調査研究成果によって日々発展しております。
このような最新の調査研究成果をいちはやく博物館利用者・市民の皆さまにお伝えし、縄文時代貝塚遺跡の価値・魅力を高めることが加曽利貝塚博物館の役わりなのですが、その多様な成果を当館だけで網羅することはむずかしくなっております。
この課題解決の方法として、おなじ課題を共有する博物館が交流し、協力することによって、博物館活動をより充実させていく方法があります。
博物館はこれまでも収蔵資料の貸し借りや学芸員の講師派遣などをとおしておたがいに協力、交流してきました。
しかし、現在の博物館、とくに縄文時代貝塚遺跡をとりまく環境はこれまで以上にさまざまな機関との協力・交流を必要としていると考えます。
そこで当館では、令和5年2月16日(木曜日)に、西広(さいひろ)貝塚や祇園原(ぎおんばら)貝塚など全国的に注目される縄文時代貝塚遺跡の発掘調査資料を所蔵し、その保存と活用にとりくまれている市原歴史博物館と連携協定を締結し、より強固な協力体制をつくっていくこととしました。
この連携協定締結のきっかけはさかのぼること2年前、市原歴史博物館開館のプレ・イベントの一環として当館で「祇園原貝塚-千年続いたムラ」展を開催したことからはじまります(会期:令和3年10月2日~12月5日)。
本展示での市原市域の縄文時代貝塚遺跡の内容豊かな調査成果は来館者から好評をえただけでなく、さらにその調査研究にたずさわったさまざまな研究分野の研究者と当館がつながることができ、縄文時代特別研究講座「縄文時代を科学する」(令和4年1月10日)の開催にまで発展して、当館の事業の充実と市原歴史博物館開館にむけた期待の高まりに寄与することができました。
このような経緯をふまえ、加曽利貝塚博物館と市原歴史博物館は連携による効果が高いとの認識を共有したことから、このたび連携協定を締結することとしました。
今後は本連携協定にもとづき、両館の博物活動を充実させ、博物館利用者・市民の皆さまの期待にこたえてまいります。

i市原歴史博物館
当館ウェブサイトにおいて情報を共有してまいります。

連携協定締結式にて。
曽利遺跡につづいて、ほかの遺跡からも「パン状炭化物」が出土するようになります。
そして、その中で種子の組織が観察できたものからは、エゴマあるいはシソの種実が確認されています。
エゴマは、日本列島をふくめアジア各地で栽培されています。
とくに焼畑では重要な作物のひとつです。
日本列島では、低湿地の遺跡の発掘調査によって縄文時代早期から存在していた可能性があることは知られていました。
シソ属、その栽培種エゴマがパン状炭化物をはじめ縄文時代の遺跡から出土するようになる、これが縄文時代における農耕の「作物」なのでしょうか?
民族・民俗事例では、エゴマは油をとるほかは香味などでつかわれ、主食のようなたべ方はしていません。
したがって、縄文時代にエゴマは栽培されていたとしても、それを主食のような、メジャーフードとして育てて、たべていたと考えることはむずかしそうです。
けっきょく、縄文時代中期農耕論の決定打と目されたパン状炭化物は、その期待にこたえることができませんでした。
これまでも縄文時代の低湿地遺跡からはエゴマをはじめヒョウタンなど、もともと日本列島に自生しない有用植物の種実が出土し、それらが人によって運ばれ育てられていた可能性が指摘されています。
そのおおくは食用になりますが、やはりメジャーフードというよりは油や容器などの材料にもなるもので、「油脂作物」「工芸作物」ともよばれる種類です。

食用としてのヒョウタンのわかい実(赤い線の囲み)。
歯ごたえのあるウリ・・・とくに味はありませんでした。


藍(あい)染めの道具としてヒョウタン。

容器としてのヒョウタン・・・ご飯のオヒツ。

容器としてのヒョウタン・・・火薬入れ。
藤森栄一さんは当初、縄文時代の農耕の「作物」をみつけることに悲観的でした。
それまでも低湿地の遺跡からは植物質の遺物や種子は出土しており、そこに期待はしながらも八ヶ岳南麓の乾燥した台地や丘陵上の遺跡からそれが出土する可能性は低いと考えていました(「日本原始陸耕の諸問題」『かもしかみち』1946)。
ところがその後、一発逆転!を期待させる遺物が出土します。
それは、長野県曽利(そり)遺跡第5号住居跡から出土した、わらじ形の炭化物のかたまりとその破片です。
発見当初、それはデンプン質をこねてかためたたべものが火災にあって炭化したものと推測されたことから「パン状炭化物」、さらにその後「縄文パン」「縄文クッキー」などとよばれるようになります。
縄文時代中期農耕論では、この「パン状炭化物」の中のデンプン質のもとが「作物」であったろうと考えられました。
この炭化物のかたまりのもとは何か?
植物学研究者にこの特定がゆだねられました。
その特定方法は顕微鏡をとおして種実の形や組織を観察するものでしたが、当時の分析技術、とくに光学顕微鏡による観察では炭化物の中に種実の形や組織を見つけることができず、また炭化した物質の化学的分析からもとの素材の成分を特定することもできませんでした。
藤森さんはイモ、雑穀、堅果類などを候補にあげますが、結局、これを特定できなかったことが縄文時代中期農耕を仮説にとどめた要因となります。
そして、藤森さんは縄文時代中期農耕論の訴えをいったんとりさげるにあたり、今後の分析技術の向上によってその特定が可能になることに期待をよせます(『縄文農耕』1970)。
その技術の向上・・・走査電子顕微鏡によってそれまで見えなかった種実の痕跡を見つけることができるようになります。
走査電子顕微鏡については、加曽利貝塚・坂月川の花粉分析の時にご紹介しました。
この走査電子顕微鏡で植物の種実などを鑑定する方法を導入した松谷暁子(まつたに・あきこ)さんは、縄文時代の「パン状炭化物」の中から種実の組織の痕跡を見つけ、その種類を特定します。
それは雑穀などではなく、シソ属のエゴマあるいはシソでした(「エゴマ・シソ」『縄文文化の研究2生業』1983)。
エゴマもシソも栽培種で、どちらも葉や種実は食用になりますが、とくにエゴマは種子がおおきくゴマのように油をとることができます。
近年、健康食品として注目されるエゴマ油です。
日本では江戸時代まで油と言えば、エゴマ油・・・美濃国の戦国大名、斎藤利政(道三)のおとうさんが売っていたとされる油もまた、エゴマ油だったようです。

藤森栄一さんらの八ヶ岳南麓での調査・研究の成果をとりまとめた報告書『井戸尻』。
大形本の1ページ全体をつかったパン状炭化物の図版からは、縄文時代農耕論の証拠としての期待のおおきさがうかがえます。

シソの花。

特別史跡加曽利貝塚のちかくでみつけたエゴマ。
このエゴマは人が植えたものではなく、もとはどこかで栽培されていたエゴマの種子が運ばれてきたものでしょう。
このような栽培植物がふたたび野生化したものは「脱走作物」などと、ちょっと聞こえのわるい名前でよばれることがあります。


シソの種子。
昨年度の冒頭、「考古学って何」編で考古学の議論を法廷にたとえました。
今回の裁判は、「縄文時代に農耕」疑惑です。
縄文時代農耕論を代表する「検察官」藤森栄一さんは、これまでご紹介した「証拠」をもって、縄文時代の人びとが狩猟採集民のふりをしてじつは農耕をしていたのではないかと、「被告」縄文時代につめよりました。
ここで被告「弁護人」らは、農耕をしめす「作物」が見あたらないこと、検察側の「証拠」は農耕でなくても植物資源の採集・加工で説明できるなどから、縄文時代の人びとは狩猟採集民であると「弁護」しました。
この裁判の結果はどうなったのでしょうか?
意外にも「検察官」が訴えをとりさげます。
それは長野県井戸尻(いどじり)遺跡など八ヶ岳山麓の発掘調査の成果の検討をとおして、これまで農耕的としてきた「証拠」はかわらないものの、反論にこたえる「証拠」はえらなかった・・・
とくに「作物」についてアワやヒエ、ムギなどの雑穀であったり、イモやクワイなどの根茎であったり、最後までさだめることができませんでした。
「状況証拠」による心証ではかぎりなく農耕はあったものの、決定的な証拠をそろえることができず、「高度な植物質資源利用」と言うにとどめざるをえない・・・(『井戸尻』1965)
藤森さんらの縄文時代農耕論は、縄文時代中期のさまざまな様相が農耕の存在をさししめしているとします。
それは「農耕」というひとつの要素によって、縄文時代中期のおおくの現象を関連づけて説明できるようになる、と言いかえることができます。
このような縄文時代中期農耕論の考え方は、仮説です。
仮説であるならば、何を証明すればよいのでしょうか?
それはやはり「作物」とその具体的な栽培方法でしょう。
藤森さんもまた、それを期して訴えをいったんとりさげています。

長野県富士見町に所在する史跡井戸尻遺跡。
(個人撮影)


史跡に隣接する井戸尻考古館では、重要文化財を含む約2千点あまりの縄文時代の出土資料を展示しており、縄文時代中期農耕論への理解をふかめることができます。
(個人撮影)

大形の剥片の縁をあらく打ち欠いた打製石器は、収穫用の「鎌」とみなされました。
(井戸尻考古館にて・・・個人撮影)
史跡井戸尻遺跡、井戸尻考古館内外の画像の掲載にあたっては、井戸尻考古館様にご協力いただきました。
桑飼下遺跡の打製石斧で注目されたキズ。
そのキズは何を何で切ったかによって、特徴がちがいます。
たとえば黒曜石の刃で肉を切ったとき、骨をけずったとき、獣皮を切ったとき、木をけずったとき、それぞれで黒曜石の表面にちがう特徴のキズがつきます。
何で何を切るとどういうキズがつくのか、実験によってそのサンプル(標本)をあらかじめ用意しておき、出土した石器に残るキズと見くらべることによって、何を切っていたのか復原しようとする研究法が「「使用痕分析(しようこんぶんせき)」です。
千葉県下太田(しもおおた)貝塚では、縄文時代後期の打製石斧2点で使用痕分析が行われています。
打製石斧はいずれも中央がくびれる小ぶりの「分銅形」ですが、高倍率レンズをつけたデジタル顕微鏡でその表面を観察すると、それぞれちがう特徴をもっていることがわかりました。
ひとつは、石器の表面に切った対象とこすれてできる特徴的な光沢が見えます。
もうひとつは、使用によって表面全体が摩耗し、顕微鏡でも刃に対して垂直方向に線状のキズがあるものの、光沢は見あたりませんでした。
打製石斧の表面で見えた特徴的な光沢は、木やイネ科植物を切るときにすれあってできる使用痕であることが実験によって確認されています。
他方、火山灰質の土を掘ってもこのような光沢はでません。
つまり、この光沢が観察された打製石斧は、木を切るなど植物を対象に、この光沢のない打製石斧は土を対象にした可能性が高い・・・(池谷勝典「下太田貝塚・打製石斧の使用痕分析」『下太田貝塚』(財)総南文化財センター2003)
打製石斧で木を切ることができることから、藤森栄一さんはそのつかい方をひとつに決める必要はないとしました(『縄文農耕』1970)。
この打製石斧の使用痕分析の成果によると、この見方がまちがっていなかったということになります。
その反面、「作物」がさだまらないのとおなじく、打製石斧を農具としたところから出発した縄文時代中期農耕論の「証拠」がまたひとつ、はっきりしなくなってしまいました。
石器などにつく使用痕跡は、柄のつけ方、切るものの性質、つかう人の動作や技量などが複雑にからんで変わっていきます。
そのため、使用痕分析の研究には地道な実験のくりかえしと観察・記録のつみかさねが必要となりますが、道具の機能とつかう身ぶりを復原するうえで有効な手段です。

下太田貝塚出土の打製石斧。
番号は使用痕を観察した場所です。


打製石斧の光沢のある使用痕(上が1、下が4の場所の使用痕)。
池谷勝典「下太田貝塚・打製石斧の使用痕分析」『下太田貝塚』(財)総南文化財センター2003より引用しました。
本年も引きつづき、考古学が何をどのように考えてきたのかを紹介してまいります。
12月25日の「縄文時代中期農耕論」のつづきからはじめましょう。
これまでのところ、「縄文時代に農耕」の証拠のひとつとされた打製石斧が、おもに土を対象とした道具とすることに異論はないようです。
そのため、打製石斧は「土掘り具」などとよばれることもあります。
しかし、その対象が土、地面であっても打製石斧のつかい方、つかう身ぶりによってはちがう道具になります。
大山柏さんは、打製石斧の一面にまるい石の表面を残すこと、つまりわん曲すること、おなじような石の道具をつかうアフリカ・アメリカ・アジア各地の民族事例などから、L字形の木の柄にとりつけ、円弧軌道でふりおろし、地面をたたくようにしてけずる道具と考えました。
これはいまの「鍬(くわ)」にあたる道具で、「石鍬(いしくわ)」などともよばれます。
いま私たちが目にする鍬は、重く、するどい鉄製の刃がついているので、おおきくふりおろすと刃が土に深くつきささり、掘りおこすことはできます。
しかし、鍬とは地表をけずり、ならす道具で、掘りさげるための道具ではありません。
京都府桑飼下(くわがいしも)遺跡は、両岸に山がせまるせまい谷の底の川ぞいの自然堤防上にあります。
たびたび洪水にあう場所ですが、発掘調査によって縄文時代から人が生活していたことが確認されました。
その縄文時代後期の地層からは、たくさんの打製石斧が出土します。
桑飼下遺跡の打製石斧を検討した鈴木忠司(すずき・ちゅうじ)さんは、石器がつかわれたときにつくキズ、使用痕跡に注目します。
その多くに石器をつかったときに対象物とすれてできるキズがたくさんついており、中にはあまりにもはげしくすれたため、磨製石斧のようにツルツルになったものもありました。
このキズは砂ツブとこすれてついたものと推測され、石斧の刃に対して垂直方向についていたこと、それとは別に石斧の中央に刃と平行方向のキズがつくものがあります。
鈴木さんは、刃のキズから石斧を上下に動かしていたこと、石斧中央のキズが柄の先端がこすれた痕跡である可能性があるとして、まっすぐな棒の先端に打製石斧をつけ、刃を地面につきさして掘りさげる道具にしていたと想定しました(『桑飼下遺跡発掘調査報告書』1975)。
こちらは、いまのシャベルとおなじように上下にうごかして地面を掘る道具で、「掘り棒」ともよばれます。
もし「石鍬」であれば、地表をひっかく道具、つまり草を根元からかきとる道具、除草具の可能性があります。
他方、「掘り棒」であれば、ふかく掘りさげる道具、竪穴や柱穴を掘った、イモなどの根茎や地面の下にいる動物をおいかけて掘った可能性があり、柄のつけ方よってその役割がまったくちがってきます。
大山さんはいちはやくそのちがいに注目し、打製石斧を世界各地の民族事例にもとづいて農耕技術史的に「掘り棒」よりすすんだ農具「鍬」としたことで「原始農業の存在は可能」と考えました。
藤森栄一さんは、両方の柄のつけ方で地面を掘ってみた結果を紹介しています。
それによると、「掘る」ということではやはり「掘り棒」がいちばん効率的、「石鍬」は柄から石斧が脱落しやすく、土がまとわりつくなど「掘りづらかった」とのことです。
藤森さんは、つかいなれているかどうか、柄に固定する方法などによっても結果はかわると慎重な言い方をしていますが、つかってみたこれらの感想は、「石鍬」で掘りさげようとした場合の問題点がよくあらわれています。
ところで、藤森さんらは打製石斧で「掘ってみる」こころみにあわせて、木を「切ってみる」こともしています。
その結果は、切れる・・・直径10センチメートル程度のクリの木を5分で切ることができたそうです(『縄文農耕』1970)。

「石鍬」の再現品(当館蔵)。

「鍬」をつかう身ぶり。

桑飼下遺跡出土の打製石斧の使用痕から推測された柄のつけ方。
(平安博物館『桑飼下遺跡発掘調査報告書』1975から引用)

「掘り棒」をつかう身ぶり。
森本六爾さんとともに弥生時代の研究にたずさわっていた藤森栄一さんは、第二次世界大戦後、故郷の信州にもどり、考古学研究をつづけていました。
しかし、当時の信州では弥生時代の遺跡はほとんど知られていなかったことから、「やむなく」縄文時代の遺跡・遺物とむきあうこととなります。
その信州では「復元住居」編でご紹介した与助尾根(よすけおね)遺跡をはじめ、戦前・戦中から縄文時代研究に大きな影響をあたえる遺跡の発掘調査がおこなわれていました。
藤森さんも八ヶ岳南麓の縄文時代遺跡の研究に取りくむこととなり、その中で疑問を感じるようになります。
それは縄文時代中期の八ヶ岳南麓では、石鏃(せきぞく)など狩猟のための道具がすくなくなり、刃先がにぶい打製石器や、石皿や磨石(すりいし)など植物をすりつぶす道具がおおく出土するようになる、広場をもつようなおおきな集落遺跡があらわれることなど狩猟採集らしからぬ様相が見られること。
そして、この様相は中部地方から関東地方内陸部にかけての火山灰におおわれた台地上の遺跡に共通しており、その背景に焼畑による農耕があった可能性を指摘します。
もっとも、藤森さんは最初、「日本縄文中期の原始焼畑陸耕生活の問題は、今日まだ軽々しく結論を発表すべきとはおもっていない」と言っています。
それにもかかわらずその考えを公表にしたのは、まずは「縄文時代中期農耕論」の論点をはっきりさせ、その後の研究・議論の方向性をさだめようとしたためでした(「日本原始陸耕の諸問題」『かもしかみち』1946再録、新版1967)。
しかし、この「縄文時代中期農耕論」はつよい批判にさらされます。
そのおおくは戦前の「縄文時代に農耕」を批判した山内清男さんとおなじく、農耕的とした様相からは植物資源の利用がおおいと言えるとしても、それは採集の中で説明ができる、そして何よりも栽培植物、作物がはっきりしていないというものです。
藤森さんはこれらの批判にこたえるべく、八ヶ岳南麓での調査研究をすすめ、地元の人びとと協力した実験、民俗学の成果をも参照していきます。
そして、打製石斧を鍬、おおきな剥片の一辺を粗雑に打ち欠いて刃をつけた打製石器を鎌や除草具などの農具、石皿と磨石を植物質食品の加工具、こぶし大の石にくぼみのある凹石(くぼみいし)を発火用具と見たて、山野を焼いて雑穀を栽培する農耕を想定しました。
さらに、縄文時代中期にあらわれる大形の土器や口のまわりに穴があく有孔鍔付き(ゆうこうつばつき)土器を植物質食品貯蔵のための容器と考えます。
また、藤森さんとともに八ヶ岳山麓の遺跡の調査・研究をすすめた考古学研究者、武藤雄六(むとう・ゆうろく)さんが、この時期の土器の胴部でくびれることに注目し、その内側にサナをかけて植物質食品をのせて、下で湯をわかして蒸した「蒸し器」とした見方(「中期縄文土器の蒸器」『信濃』17-7、1965)をとりいれます。
そのうえで土器の人面や動物のような文様、土偶、石棒や集落内にたてられた石柱など象徴的な遺物は、大地からの再生、植物資源の豊穣をいのる「地母神」信仰からくると考えました(『縄文農耕』1970)。

蒸し器としてのくびれた土器の使用方法。
(武藤雄六「中期縄文土器の蒸器」『信濃』17-7、1965より引用)
土器による製作と使用の実験的研究をすすめる小林正史さんは、縄文土器がくびれるというよりも口がひらくバケツ形であること、フタをかけることができない口の形状がおおいこと、「くびれ」の下で湯をわかすと喫水線が低く、土器がこわれること、土器につくスス・コゲの痕跡などから、「蒸し器」ではなく、煮るためのナベであったとしています(「鍋の形・作り方の変化」『モノと技術の古代史-陶芸偏』2017)。

加曽利貝塚出土の「くびれた」土器。

くびれるのか、口がひらくのか・・・
「あれもE、これもE」展(会期:令和5年2月16日まで)でそれをおたしかめください。



弓きりによる火おこしと凹石。
縄文時代の遺跡からは、火おこし道具は確認されていません。

穴をあけるドリル、まいきり。

お正月にむけて・・・
みなさま、よいお年をおむかえください。
何をもって弥生時代のはじまりとするかは研究者によっていくつかの意見はありますが、一般的に「本格的な水田稲作の開始」とされることはふれました。
もしこれにもうひとことつけくわえるとするならば、「大陸から伝わった本格的な水田稲作の開始」となります。
弥生時代は水田稲作がはじまった時代・・・でも、日本列島では水田稲作が「栽培」、そして「農耕」のはじまりなの?
考古学研究者の森本六爾(もりもと・ろくじ)さんは、弥生時代が水田稲作を基盤とした日本列島で最初の農耕社会としつつ、農耕自体は縄文時代にさかのぼる可能性があるとし、そこへの関心をしめしています(『日本農耕文化の起源』1941)。
大山柏さんや森本さんらの「縄文時代に農耕」への関心に対して、縄文土器研究の基礎を確立した山内清男(やまのうち・すがお)さんはつよく反論しています。
そもそも縄文時代の遺跡から確実に「作物」と見られる遺物が出土していないではないか!
当時、それまでたびたび縄文時代の遺跡からイネなど穀物類が出土した!と言う報告はありました。
山内さんも土器の底に残るイネの圧痕から縄文時代に穀物ありと報告したことがあります(「石器時代にも稲あり」『人類学雑誌』40-5、1925)。
しかし、その後みずから土器研究をおしすすめた結果、それは縄文土器ではなく、弥生土器であることが判明します。
このようにして、確実に縄文時代の穀物と認められる出土例はなくなっていきます。
また、大山さんが土を掘る(けずる)道具とした打製石斧については、土を対象とした道具であると認めながらも、この種の石器は縄文時代中期の中部地方を中心とする特徴的な石器で、ほかの時期・地域、とくに縄文文化が繁栄した東北地方にはない、つまり、大山さんが農耕の有力「証拠」としたものは縄文時代の地域的・一時的なものでしかないことを指摘します。
さらにその役わりが「土を掘る」ということであれば、自然のイモなど根茎類を採集するのにつかわれたのであって、かならずしも「農耕」の鍬とはかぎらない・・・
そして、北アメリカ大陸のカリフォルニア先住民にはアク抜き加工によるカシの実の大量貯蔵など、高度な資源利用技術によって高い定住性を実現していた事例があることから、縄文時代もこうした「高級狩猟採集民」であったとします。
山内さんの反論からは、遺跡から出土する「事実」によってたつ研究姿勢と、それにもとづく大陸文化の影響をうけずに発展した縄文時代、稲作をはじめとする大陸文化の影響をうけた弥生時代という確固たる歴史観がうかがえます。
そのため、第二次世界大戦前におこった縄文時代の農耕への関心はその後しばらく下火になります。


加曽利貝塚出土の打製石斧。
加曽利貝塚がある房総半島は、縄文時代中期の打製石斧のひろがりの東端にあたります。

加曾利貝塚では、東京大学人類学教室が調査した「B地点」「E地点」で場所と層位によって特徴のちがう土器が出土することが確認されました。
山内さんはこの資料にもとづいて「加曽利E式土器」「加曽利B式土器」を設定しました(『日本先史土器図譜』第3.~4.輯1939-1940)。
当館では現在、房総半島南部の加曽利E式土器を紹介する企画展『あれもEこれもE』を開催中です(会期:令和5年2月19日まで)
縄文時代は狩猟採集社会・・・えものをもとめてその日暮らし・・・かつて縄文時代にはそういうイメージがありました。
縄文時代におけるクリ栽培説をとなえた酒詰仲男さんによると、このイメージは日本における考古学の創始者のひとり、坪井正五郎(つぼい・しょうごろう)さんの見方がそのまま引きつがれてきたものとしています(『日本原始農業試論』1956)。
人類学・解剖学研究者の鈴木尚(すずき・ひさし)さんは、昭和24年(1949)に発掘された縄文時代早期の神奈川県平坂(ひらさか)貝塚から出土した人骨の右足の骨に、骨幹部横走陰影線(こっかんぶおうそういんえいせん)を11本確認しました。
この陰影線は人の成長期に極度の栄養不足で骨の成長がとまった痕跡で、この人骨は11回そういう経験をへていることをものがたっています。
この事例は、「縄文時代は食料事情のわるい、不安定な社会」というイメージをつよくしました。
しかし、鈴木さんは栄養失調の原因を「食料不足」としたわけでなく、病気による可能性としていくつかの病名をあげています(「相模平坂貝塚(早期縄文式遺跡)の人骨について」『人類学雑誌』第61号1950)。
戦前・戦後の日本考古学をけん引した大山柏(おおやま・かしわ)さんは、1926年(大正15)に発掘した神奈川県勝坂(かっさか)遺跡において53個の打製石斧を採取したことでひとつの疑問をもちます。
この打製石斧は、まるい石を割ってはぎとったおおきな剥片の縁を打ち欠いてつくった石器で、短冊(たんざく)や分銅(ぶんどう)、洋ナシに似たその形が樹木を切る斧のイメージにあっていたことから、「石斧」とよばれていました。
しかし、その石器の刃にあたる部分はあらく打ち欠いただけなので厚くてにぶく、磨製石斧のように斧として木などがよく切れるようには見えません。
このような特徴から、大山さんはこの石器が切るための道具・斧ではないと考え、ヨーロッパ留学で身につけた豊富な考古学・民族学の知識にもとづいて地面をけずる、鍬(くわ)のようなつかい方をした道具と推測しました
そして、石皿やすり石など植物質を加工したと思われる道具をともなうことから、打製石斧で地面をたがやして植物を「栽培」していた可能性を指摘します(『神奈川懸下新磯村字勝坂遺物包含地調査報告』1927)。
さらに大山さんは、縄文時代中期の大規模な集落遺跡、とくに海のない内陸の大規模集落遺跡に注目し、それをささえた生産基盤として、植物栽培による積極的・集約的な植物利用、「農耕」の存在の可能性をあげています(『日本石器時代の生業生活』1934)。
縄文時代に果樹だけでない「栽培」「農耕」はあったのでしょうか?
樹木、とくにクリ林の「半栽培」「栽培」とおなじ関係が「草」にもあったのでしょうか?

一般的に石斧といえばこのようなイメージ?

自然石の表面をはぎとったおおきな剥片からつくられた打製石斧(当館所蔵)。

あらく打ちかいてつくられた刃先。
たしかにあまり鋭利には見えません。

素材となったまるい石の自然面が残っていることがあります。

木の実などをすりつぶしたと思われる石皿とすり石の復元品。
当館の常設展示にて。
特別史跡加曽利貝塚の「草」のおはなしをもうひとつ。
博物館の裏には、園内の清掃であつめられた落ち葉をまとめておく場所があります。
いつのころからか、夏になるとその場所にイネのような植物が育ってくるようになりました。
この植物はイネ科植物のジュヅダマ・・・秋に黒くてかたい、まるい種実がなります。
種実の色と形が数珠(じゅず)に似ているのでその名があり、世界各地でそれに穴をあけてヒモをとおし、玉として首かざりなど装飾品にもつかわれています。
ジュズダマの栽培種が、健康食品としてもおなじみのハトムギです。
このジュズダマは外来種で、もちろん特別史跡加曽利貝塚で植えたものではありません。
鳥がはこんできた種実が、落ち葉の置き場という養分と水分が豊富な環境で発芽してひろがった・・・と想像されます。
これとおなじようなことは、貝塚でも考えられています。
それは貝塚に人が利用した後にすてた植物の種実が発芽して育ち、そこから植物の管理、栽培につながっていったのではないか、というものです。
特別史跡加曽利貝塚では、「貝塚はゴミすて場ではない」などと言っているにもかかわらず、「すてる」と言うなんて!とお叱りをうけるかもしれません。
たべおわった残り、利用しおわった残りという意味で、ここではいま風に「ゴミ」「すてる」と言わせてください。
縄文時代の人びとに利用された植物の種子が貝塚にすてられる、そしてその貝塚にはゴミとしての養分がある・・・なので、すてられた種子が発芽するとよく育つ。
その経験が縄文時代の人びとによる植物の半栽培から、さらに栽培へとあと押ししたのではないか?
そう言えば「二十世紀梨」・・・いまでは鳥取県が産地としてよく知られていますが、そのルーツは松戸市で梨の育苗家の裏庭の「ゴミすて場」から見つかった苗木だったとか(松戸市観光協会ホームページ「二十世紀梨誕生の地」より)。
こういったことを考古学的に検証することはむずかしいかもしれません。
しかし、このように想像される背景には、長期間にわたって形成された集落遺跡をささえる基盤として、魚貝類や動物だけでない積極的な植物資源利用の存在が想定されるからでしょう。
そのひとつがクリなど堅果のなる樹木の管理であり、樹木を管理しているならば、その根もとの有用植物の「草」もまた、管理していたことは十分考えられます。
樹木は種実がなるまで育つには数年かかります。
たとえば、おおきな種実がなる樹木をみつけてその種実を植えても、その生育には時間がかかるうえ、おおきな実がなるとはかぎりません。
そのため、現在の果樹の品種改良は、つぎ木でおこなわれています。
それに対して毎年種子でふえていく一年草は、人がのぞむ特徴をもつ個体の種子をあつめて交配していくことで、樹木より短期間にその特徴をもつ個体がふえる可能性がひろがります。
人にとって有用な草の繁殖を管理していく、すると植物のほうも人を利用して繁殖していこうとする、この相互関係が栽培へとすすむ・・・そうであれば、縄文時代の植物資源の利用では「管理」「半栽培」にとどまらず、「栽培」「農耕」の段階に達していたのではないかという考え方があらわれます。


特別史跡加曽利貝塚のジュズダマ。

ジュズダマの栽培種、ハトムギ。

東南アジア大陸部で出あったちいさなナシ。
これも栽培されたナシで、塩をつけてたべます。
ナシに塩をつけるか?スイカには塩か砂糖か?ザボンには砂糖か塩か?
場所によってちがうこの習慣、どちらがおいしくなるのかの議論に結論はありません。

特別史跡加曽利貝塚では定期的に草刈りをおこない、植物の遷移をとめています。
しかし、その草刈りでわざと刈らない草の種類があります。
たとえば、カラムシ・・・イラクサ科の草で、その茎の繊維はよりあわせて糸やヒモに、糸を織りあわせて布にすることができます。
日本ではカラムシは苧麻(ちょま)という名前でふるくから繊維として利用され、江戸時代にはその特産地がありました。
特別史跡加曽利貝塚では、クヌギ林の下、やや湿った場所にカラムシが群生しています。
当館ではそのカラムシを博物館活動で利用しているため、草刈りのときは刈りとりません。
ところが、おなじような環境を好む草はほかにもあります。
それはフキ。
カラムシは根をはって繁殖していく多年草で、決してよわい草ではありませんが、カラムシが芽吹く前の早春、おおきな葉で地面をおおうフキがひろがってしまうと、カラムシの生育をじゃまします。
そのため、ボランティアガイドの会の皆さんがフキを刈りとる活動をおこなっています。
カラムシの生育をうながすために人が手をいれることはこの程度で、肥料をあげたり、水をまいたりすることはありません。
つまり当館ではカラムシを栽培していませんが、その生育をたすけています。
このたすける行為は、クリでご紹介した「管理」であり、「半栽培」にあたります。
縄文時代の人びとがカラムシを繊維としてつかっていた確実な証拠はまだ見つかっておらず、カラムシを保護していたのかは、わかりません。
しかし、カラムシにかぎらず、クリやクルミ、トチノキなどの樹木とおなじように、草の中にも人にとって有用な資源として「保護」「管理」「半栽培」の対象になったものがあった可能性はあります。
そしてそれは、クリの「管理」「半栽培」の議論とおなじく、草の「管理」「半栽培」「栽培」の議論、さらに「農耕」の議論へと発展していくことになります。

特別史跡加曽利貝塚の草刈り。


特別史跡加曽利貝塚のカラムシとその繊維。

特別史跡加曽利貝塚ボランティアガイドの会によるカラムシの「管理」。
縄文時代中期の加曽利貝塚では、集落と北貝塚の周辺は陽あたりがよく、草地がひろがっていた可能性が指摘されました。
人がくらしていたのだから、木を切りたおして陽あたりがよくなった集落の風景は想像しやすいでしょう。
でも、陽あたりがよくなると「草」がそだってきて、ふかい草むらになっていく・・・すでにご紹介したように、植物の遷移がはじまる、のでは?
草が育ちにくい環境は、ふかい常緑広葉樹林の中のように地面に陽があたらない、人や動物がひんぱんに歩くなどして押さえつける、動物がたべてしまう、栄養がとぼしい、あるいは極端に酸性・アルカリ性がつよいなど草が育ちにくい土の性質、そして、人が除草、草刈りをすることが考えられます。
もし、縄文時代の集落とその周辺が明るく開けた土地であったとするならば、どのようにその風景は維持されていたのでしょうか?
また、縄文時代の竪穴住居が土屋根だったとするならば・・・この屋根のうえにも草がはえていた?
土屋根で復元された住居の住環境の観察からは、屋根に草がはえる夏季は、草のおかげで室温の上昇がおさえられ、乾燥から土屋根をまもる効果があるとの報告があります。
だから、縄文時代の人びとは遷移がすすむ草むらの中でくらしたのでしょうか?
人びとがたべものをもとめてわたり歩いていたという縄文時代像であれば、いったん森を切りひらいた後、草むらが深くなれば次の場所に移り住んだなどと考えられるかもしれません。
しかし、今日の縄文時代研究の成果では、ある程度の期間その場にとどまる、あるいはくりかえしそこに住んで、その地域の資源を維持しながら利用するくらし方もあったことがわかってきました。
ならば、縄文時代も家のまわりの草刈りをしていた?・・・そうであれば、どのような道具をつかって、どのように草を刈っていたのでしょうか?
「草を刈る」と言うと、「復元住居」編でふれたように、縄文時代にはカヤを根元から切りそろえることができるような道具が見あたりません。
金属製の道具がない縄文時代では、「刈る」「切る」と聞くと、つい石器の中からその機能をもつ道具をさがしだそうとしてしまいますが、その候補となる道具が東京都下宅部(しもやけべ)遺跡出土の木製品の中から見つかりました。
それは船のかい(オール)のような形をした木製品です(東村山市遺跡調査会ほか『下宅部遺跡1.』2006)。
船のかいは大賀ハスが発見された千葉市落合遺跡でも出土しています(4月10日をご覧ください)。
また、かいに似た木製品として、先を地面につきさしてシャベルのように土を掘った鋤(すき)と考えられる木製品もあります。
しかし、下宅部遺跡出土のかい形の木製品は、船のかいとはちがってその先端がそりあがる、鋤とちがってその先ではなく横の縁がすり切れるようにくぼんでいます。
このような形、つかわれた痕跡から、かい形木製品の先端を地表面で左右にふって草をなぎたおす道具だったのではないかと考えられています。
今後さらに、このような草刈り道具が見つかっていけば、縄文時代の社会と「草」の関係がより具体的にわかり、資源の利用方法があきらかになっていくことでしょう。

土屋根の草
青森県の特別史跡三内丸山遺跡にて(個人撮影)。

下宅部遺跡出土の木製品(『下宅部遺跡1.』より)。
ながさ約120センチメートルで、先がそりあがり、その両縁がえぐれています。


鉄製の草刈り道具。
わん曲した鉄の刃をふって草を根もとから刈ります。
ながい柄をつけた大きな刃をもつ草刈り道具は、平らな場所でつかわれます。


みじかい柄と刃の草刈り道具。
平らな場所でみじかい柄の草刈り道具をつかうとこういう姿勢になります。
なので、もっぱら手もとが地面にちかくなる斜面の草刈りにつかいます。

草のない集落内の風景をもうひとつ。
貝塚の発掘調査に水洗選別法がとりいれられ、その成果として微小陸産巻貝が見つかるようになると、動物考古学研究者から注目されます。
加曽利貝塚でも、昭和39(1964)~40年(1965)におこなわれた南貝塚の発掘調査の報告書の中で、動物考古学研究者の金子浩昌(かねこ・ひろまさ)さんが陸産巻貝について報告しています(『加曾利南貝塚』1976)。
そして、平成29年(2017)刊行の総括報告書では、貝類学研究者の黒住耐二(くろずみ・たいじ)さんがあらためて微小陸産巻貝を分析しています。
黒住さんは微小陸産巻貝の種類をその生息環境の特徴、つまりそれぞれのニッチから、「開放地生息種」「林縁生息種」「林内生息種」にわけます。
「開放地生息種」とは、陽あたりのある開けた草原のような環境にくらす種類、「林縁生息種」とは樹木がまばらで地面に陽がさしこむ環境にくらす種類、そして「林内生息種」は樹木がおおいかぶさって地面に陽がとどかない、暗い森林の中にくらす種類です。
加曽利貝塚の過去の発掘調査で採取された貝層のサンプルでは、縄文時代中期の北貝塚や南貝塚外側の竪穴住居跡出土の貝層で「開放地生息種」が多数をしめていました。
ところが縄文時代中期から後期にかけての竪穴住居跡や北貝塚の貝層では「林縁生息湯」がふえていき、縄文時代後期の南貝塚の貝層では「林内生息種」とあわせて80パーセントちかくをしめるようになっています。
これによると、縄文時代中期の貝塚・集落はひらけた陽あたりのよい環境であったのが、後期以降は次第に貝塚の周囲に樹林がせまってきていたことになります。
これは過去のかぎられた調査地点と資料数によるものなので、今後、あらたな資料によってよりくわしく分析を進めていく必要はあります。
ところで、「林縁生息種」「林内生息種」が多数をしめた南貝塚の調査地点の近くでは、現在発掘調査中。
これまでの成果によると、南貝塚の内側「中央窪地」は関東ローム層の最上層がなくなっていること、その面からは縄文時代晩期の遺物がおおく出土することなどから、何らかの理由で縄文時代の人びとが掘りさげた、そこを最後に利用したのは縄文時代晩期であることがわかってきました。
縄文時代後期以降、南貝塚の内側では人が活動しているのに、そのすぐ外側には森林がせまっていた・・・縄文時代中期と後期以降では、加曽利貝塚を取りまく風景はおおきくちがっていたのでしょうか?
近年の調査・研究の成果から、縄文時代の人びとがクリ林の生育にあわせるように集落を出たり入ったりしていた可能性が指摘されています(4月3日をご参照ください)。
加曽利貝塚でも人、集落が出たり入ったりしていたとするならば、それにあわせて貝塚のまわりの森や林がせまったりしりぞいたりしていたのかもしれません。
貝塚や集落の中、まわりの風景をこまかく復原することは、縄文文化を理解するうえで重要です。
そう思うと、特別史跡加曽利貝塚の「草」も展示に見えてきませんか?

南貝塚の調査風景。

「林縁生息種」「林内生息種」の陸産巻貝が出土した調査地はこの調査範囲の反対側に見える立木のむこう側になります。
現在の調査地の現地説明会を11月26日(土曜日)に開催を予定しています。


草木1本も見えない集落内の光景。
でも、ここでは草刈りをしているわけではありません。
加曽利貝塚の集落の「草」がどうなっていたのか、知ることのできるもうひとつの手がかりがあります。
それは貝塚の中から出土する「陸産巻貝(りくさんまきがい)」です。
これ、何かめずらしい貝のように聞こえるかもしれませんが、私たちになじみのある言い方にすると、「カタツムリ」です。
「でんでんむーし、むし、かたつむり~」の歌の主人公が「陸産巻貝」。
ただし、ここでとりあげるカタツムリは、歌のモデルになった種類のカタツムリではなく、カラのおおきさが1、2ミリメートルていどの、とてもとてもちいさな種類です。
そのため、微小陸産巻貝(びしょうりくさんまきがい)などともよばれています。
貝塚の貝層を土ごと水であらい、フルイにかける水洗選別の調査方法はご紹介しました。
そして、この方法で見つけることができるもっともちいさな出土品のひとつが、微小陸産巻貝です。
ただし、このちいさなカタツムリは、あまりにもちいさく、軽いカラなので、フルイの目に引っかかるのではなく、水にうきます。
水洗選別法では、水にうく軽いもの、ちいさなものまですくいとって調べています。
この貝塚出土の微小陸産巻貝、ハマグリやアサリなどとちがってたべられたものではありません。
貝塚のまわりの林や草むらにくらしていたカタツムリが貝塚の貝がらのすきまにはいって、そこで死んだものです。
カタツムリにもさまざまな種類がいて、それぞれくらす環境がちがいます。
暗く、湿気のおおい場所をこのむカタツムリ、それにくらべてかわいた場所でもくらすことのできるカタツムリなど、それぞれがすみわける・・・おなじカタツムリの中でも種類によってニッチをかえてくらしています。
そのため、この微小陸産巻貝の種類と出土数を知ることで、貝塚や集落のまわりがどういう環境にあったのかうかがうことができます。


特別史跡加曽利貝塚のカタツムリ

縄文時代の加曽利貝塚とその周辺の「草」はどうだったのでしょうか?
それは縄文時代の森林と集落の維持管理、資源利用などさまざまなテーマにかかわっています。
加曽利貝塚周辺の樹木、樹林でご紹介した坂月川の花粉分析においても、「草」、草本(そうほん)の花粉の種類とその変化を追いかけています。
その結果によると湿地の樹木、ハンノキの花粉が多かったこととおなじく、ヨモギなど現在の川岸でもよく見られる草が認められています。
このときの花粉分析の成果からは、縄文時代の坂月川ぞいの低地にはハンノキがしげり、川岸の陽があたるような場所にヨモギなどの「草」が育つ風景が復原され、川ぞいにおおきく人の手がはいったような気配はありませんでした。
そして、縄文時代と考えられた地層より上になると、イネ科植物の花粉が急にふえます。
この坂月川の花粉分析で川沿いの「草」はある程度わかりますが、台地上の貝塚周辺の「草」まではとらえることはできていないようです。
この花粉分析の成果でわかるのは、坂月川周辺の台地では常緑広葉樹林と落葉広葉樹林がまじっていたこと。
ここから加曽利貝塚の「草」を知るには、現在の常緑樹林、落葉広葉樹林ではどのような「草」がどのように育つのか、から推測していくしかありません
それぞれの森林環境での草の種類、育ち方はちがっていたはず・・・常緑広葉樹林では地面に陽がささないので日光をこのむ草は育ちにくい・・・落葉広葉樹林では地面に陽がとどくのでそういう草も育つ・・・樹木の間隔によっても草の種類や育ち方がちがう・・・集落の中は日あたりがよいので草は育ちやすい・・・でも人が歩いたりする道すじは踏みつけられて草が育ちにくい・・・など。
ただし、これだけでは縄文時代の人びとと「草」の関係、加曽利貝塚の集落の維持・管理は具体的に見えてきません。
加曽利貝塚では今後、花粉・プラント・オパールをはじめ、台地上の植生を知るための調査・研究の進展が期待されます。

坂月川の花粉分析。
深さ300メートル前後が縄文時代の地層と想定されていることは「樹木も展示」編(2022年2月12日)でご紹介しました。
この深さから上の地層でイネ科植物の花粉がふえていくことがわかります。
坂月川流域がハンノキなど樹林の風景からイネ科植物など草原の風景へとかわっていったようです。

現在の坂月川流域。

考古学と聞いて、その研究対象に「草」がふくまれることに思いがおよぶ方はすくないのではないでしょうか?
しかし、考古学では「草」にも関心がむけられてきました。
「草」は樹木とおなじく自然環境を復原するうえで重要な手がかりですが、それにもまして栽培・農耕との関係で注目されてきました。
一般的に日本列島の歴史で本格的な栽培・農耕と言えば「稲作」、それも「水田稲作」が代表格・・・そのはじまりが弥生時代、弥生文化のはじまり・・・そうであるならば、稲作がいつどこから日本列島にやってきたのか、その痕跡をどのように見つけるのかにつよい関心がむけられてきました。
遺跡からイネそのものを見つける、稲作の道具・農具を見つける、稲作をおこなった場所(水田)を見つける、コメを調理した道具を見つける・・・こういった稲作の直接の痕跡を見つけるだけでない方法も考えられてきました。
それは、イネとおなじ環境で育つ動植物、イネといっしょに育つ動植物、いわゆる「水田雑草」や「稲作害虫」の発見です。
「害虫」については、「虫の考古学」編のコクゾウムシをご紹介しました。
このほかにもイネにつく「害虫」がいます。
他方、水田稲作にともなう草、イネを育てる人から見て招かざるイネの同伴者という意味で「水田雑草」とよばれる「草」は、樹木とおなじく花粉、そしてプラント・オパールによってその痕跡を見つけることができます。
植物の葉の細胞には、珪酸体(けいさんたい)がたまっていきます。
この珪酸体はプラント・オパールともよばれ、ガラス質のため草がかれてもくさることなく土の中に残ります。
植物の種類によって珪酸体の形やたまる量にちがいがあります。
この珪酸体がとくにたくさんたまる植物の代表が、イネ科植物です。
草むらにはいり、素肌にススキなどの葉がすれて切り傷になった経験はありませんか?
その原因は、イネ科のススキの葉のふちにたまったガラス、珪酸体です。
珪酸体からイネそのものを見つけることができますが、それ以外にコブナグサやヒエ属などイネとおなじ環境、水田で育つ草を見つけることができれば、水田稲作がおこなわれていたかどうか、手がかりがえられます。
遺跡からは、樹木よりも「草」そのものが遺跡から出土することはまれですが、考古学では「草」にアプローチする手段をもっています。


イネ科の「草」・・・特別史跡加曽利貝塚にて。
とくに葉のふちにはたくさんの珪酸体がたまっています。

特別史跡加曽利貝塚では、屋外展示として樹木も展示であることはご紹介しました。
樹木、樹林とくると、おつぎはその下の植物、「くさ」「草」。
ここからは、特別史跡加曽利貝塚では「草も展示」と言いはりたいと思います。
現在の特別史跡加曽利貝塚の樹木、林を再現した昭和63年(1988)の整備では、それに先だって「草」の種類とその分布の調査、植生(しょくせい)調査がおこなわれています。
そのときの調査で「草」は66科178種が確認されていますが、とうぜん縄文時代とおなじではなく、その後日本列島にやってきた外来種をおおくふくみます。
二次林のような太陽の光がさしこむ明るい林には、人に有用な植物がおおくある、その中には食用や薬用の草、工芸品の材料があることはご紹介しました。
また、焼畑の耕作は「雑草とのたたかい」としましたが、その「雑草」の中にも食用・薬用の草があり、利用されています。
先ほどの史跡加曽利貝塚の植生調査でも、その中に23種の食用、55種の薬用になる草があることが確認されました。
むろん、利用できるか、できないかの区分もいまの知識にもとづいたもので、それらすべてが縄文時代に利用されていたわけではないでしょう。
ですが、どのような環境で、どのように「草」が育つのか、二次林(落葉広葉樹林)、照葉樹林(常緑広葉樹林)、そして樹木のない場所でどのような「草」がどう育つのか・・・史跡整備に先だっておこなわれた植生調査には、縄文時代の森林や集落の形成・維持管理など、景観復元へのつよい関心がありました(後藤和民「史跡整備のための予備調査」『加曽利貝塚博物館20年の歩み』1987)。
縄文時代には、ちかくに明るい二次林、とくに樹木間のあいたクリ林がひろがる集落があった可能性が指摘されています。
そのような明るい林では地面の草はどのようにはえる?
そういった草は、クリ林を「管理」するうえでどう影響する?
さらに森林を切りひらいていとなまれたであろう集落の中の草は?
そのような草とどのようにつきあっていた?
つぎつぎに疑問がうかんできませんか?
このような目で特別史跡加曽利貝塚の「草」をながめるとどうでしょう。
「草」もまた、展示に見えてきませんか?


特別史跡加曽利貝塚復元住居群
縄文時代に昆虫食のニッチがあったのか、どの程度あったのかはわかっていません。
究極の雑食動物、ヒトがたべるものにおいて、そのニッチをきめるのは何でしょうか?
身のまわりのたべられるものの種類と量、それを手にいれるための手間とのバランス・・・たとえば、タンパク源としてどのような種類と量があり、どうすれば手にいれられるのか・・・マーヴィン・ハリスさんの言うコストとベネフィットのバランスもあるでしょう。
ハリスさんは、このバランスを見える形でしめし、ほかの事例(たとえば牛だけでなく、ブタでも魚でも、虫でも)にもあてはめて説明できるようにと(そしてそれこそが現代科学の基本であると言う信念にもとづいて)現代的な栄養やカロリーの収支計算で説明したため、「損得勘定の文化」などと言う批判につながりました。
さらにこのはなしを複雑にするのは、人はわざわざたべなくてもすみそうなものまでたべる・・・「珍味(ちんみ)」なんてよばれるたべものは、だいたいそういうものではないでしょうか?
それらは、たべもののニッチが栄養やカロリーだけで説明できない場合があることをおしえてくれます
文化を考えるうえで、たべもののタブーは重要なテーマであることをご紹介しました。
その反対、なぜたべるのかもまた重要なテーマです。
なぜたべるのかについて、考古学はおもなたべもの、おおきなニッチのたべもの、メジャーフードに関心をむけてきました。
メジャーフードは、それをとって、加工して、たくわえ、わけあうのにおおくの人びとがかかわり、役割を分担する場合があります。
そのため、メジャーフードの種類によっては社会をおおきくし、その構造を複雑にする原動力になるとも見なされています。
それにくらべるとニッチのちいさなたべものは・・・社会のおおきさや構造に影響をおよばさない、とるにたらないもの?
考古学は相手にしなくてよいもの?
でも、文化・社会全体を考えるならばメジャーフードとあわせて考えてもよいのでは?
なぜならば、わずかなニッチであっても、すきまがうまってはじめてその文化・社会は機能し、存在しているのだから。
メジャーフードの概念をとりいれた西田正規さんは、メジャーフードを中心にその環境でえられるさまざまな資源を組みあわせる資源利用のモデルの中で位置づけています。
また、貝塚の発掘調査における水洗選別をはじめとするこまかい調査・分析も、このような考え方にもとづいているはずです。
わずかなニッチであってもそれはその文化・社会にとって意味がある、だから、そこに私たちが生存するためのヒントが秘められている可能性があります。
文化はそれをとりまく状況、環境にあわせてかわっていきます。
いまの日本の社会で昆虫食のニッチがちいさいのは、食肉の普及など食料・栄養事情、集約的な近代農業や都市的な生活環境と衛生意識など、さまざまな要因がからみあって、人と虫とのかかわり方がかわったからでしょう。
それでもわずかなニッチがあるということは、また環境・状況がかわれば、そのニッチがおおきくなる可能性があるということ。
人類の食料問題を解決する方法のひとつとして、今後、「私たちの昆虫食」が見なおされるかもしれません。
特別史跡加曽利貝塚では、動植物の採取をご遠慮いただいています。
くれぐれも園内で虫をとってたべないよう、かさねてお願い申しあげます。



とりもどそう!私たちの昆虫食!
特別史跡加曽利貝塚では、虫の考古学はこれからの研究テーマです。


エビやカニをたべることと虫をたべることのちがいは?
人類がそれをたべることができるようになったのも、その前に昆虫食の伝統があったからかもしれません。
漫画家の手塚治虫(てづか・おさむ)さんは、1950年代から1960年代にかけて発表した漫画・テレビアニメーション作品「ジャングル大帝」で、主人公が肉食獣と草食獣が共存する社会をつくるカギとして昆虫食をとりいれています。
そして、最後は昆虫食にかわって人工肉へと、いまを予見したかのようなストーリー展開を見せます。
次回からはそれにならって、すこしそれにかかわるテーマにすすめてみましょう。
「ニッチ」または「ニッチェ」ということばがあります。
これは「穴」とか「すきま」「くぼみ」の意味で、さまざまな研究分野でそれぞれの意味でつかわれています。
生物学では「生態的地位」を「ニッチ」とよびます。
それはある空間において、さまざまな生物種がそれぞれくらす場所や活動時間などをちがえることによって無用な競合をさけて生存・共存するしくみ、「生態系(せいたいけい)」の中での位置、地位をさします。
森林の遷移・・・草地から樹林へ、落葉広葉樹林から常緑広葉樹林へという遷移はすでにご紹介したこところですが、これは樹木のニッチが入れかわっていく姿です。
そしてその樹林にあわせて下草の種類も入れかわっていきます。
草地には草地にくらす動物、落葉樹林には落葉樹林にくらす動物、常緑樹林には常緑樹林にくらす動物がいて、その中でもさらに温度・湿度・陽あたりなどこまかな環境でさまざまな種の生物がくらす、生態系を形づくっています。
森林の遷移は樹木の種類だけでなく、そこにくらすすべての植物・動物のニッチを入れかえていくことでもあります。
経済活動でつかわれている「ニッチ」は、私たちに身近なことばかもしれません。
たとえば。「ニッチ産業」なんて聞いたことはありませんか?
これは世間一般でおおくもとめられている製品やサービスが対象としていないモノやサービスを提供する業種のことで、「すきま産業」などともよばれます。
それまで主流だったモノや製品をつくる技術などが、それをとりまく環境がかわることですたれ、あらたな製品や技術にとってかわられることを、私たちは日常的に経験しています。
これは森林の遷移とおなじく、モノや技術、サービスにもそれぞれのニッチがあって、それがふくらんだりしぼんだり変化していると言うことができます。
ニッチがしぼんでそのまま消えていく、つまり絶滅するモノ、技術、サービスがある一方、社会の片隅でほそぼそと生きのこるモノ、技術、サービスもあります。
そして、生き残ったものが環境の変化などでふたたび見なおされ、そのニッチを回復することもあります。
たしかに今日の私たちには、虫をたべることは身近な習慣ではありません。
なので、虫をたべると聞くと、えーって声があがります。
でも、タブーではありません。
「ゲテモノぐい」などと言われることはあっても、その社会で罪をつぐなうことなく、ふつうにくらしていくことができます。
タブーどころか、信州の「ハチの子」など日本各地の昆虫食は、私たちとそれほど縁がとおい習慣でないことがわかります
そうであるならば、私たちに昆虫食の「習慣がない」「文化がない」のではなく、私たちのたべものの中での昆虫のニッチがとてもちいさいと言ったほうが適切かもしれません。

ものを運ぶ手段・・・馬。

馬から機械へ。

それでも、残る馬。
いつまで残るのでしょうか?
このように遺跡出土の虫からは、遺跡周辺の環境、人の行動、そして人の考え方にせまることができる可能性があります。
それでは、たべものとしての虫はどうでしょうか?
小畑弘己さんはたべものとしての昆虫にも関心をむけますが、縄文時代の遺跡から虫をたべていた証拠は見つかっていません(『昆虫考古学』2018)。
すでにご紹介したとおり、虫は遺跡に残りにくい・・・と言うよりも見つけにくい。
さらに虫のたべ方によっては見つからない?
ただでさえちいさな虫にたべた「のこり」はあったのか?
イモ虫をたべたときは、口の中にかたい頭の部分が残りましたが、のみこんでしまいました。
そう言えば、足をもいでたべられた虫の足はどこへいってしまったのでしょう?
おいかけることをわすれていました。
レプリカ法で土器の表面でとらえられた虫の中に、土器づくりの場所にいるはずのない虫の痕跡がいくつかみつかっています。
その中のカミキリムシの仲間の幼虫を、森勇一さんはたべたのではないかと考えています(「昆虫考古学を究める」『第四紀学研究』59-2、2020)。
土器づくりのあい間のおやつとしてたべた?
毎年きまった時季に大量発生する虫がいて、縄文時代の人びとにとって重要なたべもの、メジャーフードのひとつになっていれば、遺跡からその痕跡が見つかりやすくなるかもしれません。
しかし、現在の日本列島では大陸からイネ科の害虫、ウンカの飛来や、近年の夏によくあるカメムシの大量発生はありますが、メジャーフードになるほどの周期的な虫の大量発生はしられていません。
縄文時代の貝塚からはさまざまな種類の動植物をたべたのこりが出土します。
昨年度、当館で開催した「市原市祇園原貝塚-千年続いたムラ」展では、シカやイノシシのほか、鳥やカニなどの小動物の骨も出土しており、身のまわりにあるさまざまな資源に網をかけるように利用していたことが紹介されました。
虫もその網の中のひとつだった可能性はありますが、考古学では上記の理由からたべものとしての虫への関心はたかくありません。
長野県の八ヶ岳南麓の縄文時代中期遺跡を調査・研究した藤森栄一(ふじもり・えいいち)さんらは、縄文時代の遺跡周辺の環境が落葉広葉樹林帯と想定したうえで、山野から年間どのようなたべものが得られるのか、リストをつくっています。
その結果、春から夏にかけてたべものがすくなくなる端境期があることを指摘しています。
加曽利貝塚のように海にアクセスできる場所であれば、この時期はいまで言う潮干狩りシーズンで、海の産物が手に入るのですが、内陸ではそれにかわるたべものは見あたらないと言います。
そして、この端境期をしのぐたべもののひとつとして、昆虫の可能性をあげています(藤森栄一編『井戸尻』1965)。

タケムシのたべ方。

コガネムシの仲間。
たべ方はコブミカンの葉など香草と炒めます。
たべたあと、昆虫ののこりはほとんどありません。

夏の潮干狩り。

春から夏にかけてのごちそう・・・ハチの子。

この秋開館予定の市原市歴史博物館。
レプリカ法による土器表面の痕跡研究を引きついだ考古学研究者の小畑弘己(おばた・ひろき)さんは、虫の痕跡も追いかけていきます。
小畑さんは、約1万年前の土器からコクゾウムシの痕跡を見つけたほか、青森県三内丸山遺跡、さらに北海道館崎(たてさき)遺跡からもコクゾウムシの痕跡を見つけます。
コクゾウムシはコメなどの穀物をたべるので、稲作とともに日本列島にやってきたと考えられていたことはご紹介しました。
ところが、それが1万年前に日本列島にやってきたこと、縄文時代に北海道まで生息していたことが明らかになったのです。
それも縄文土器にその痕跡を残すほど人のくらしにちかい、と言うよりも人のくらしの中にコクゾウムシがいたことがうかがえます。
それは、縄文時代にコメなどの穀物があった?しかもそれを貯蔵していたということ?
小畑さんの研究グループは、そもそもコクゾウムシが何をたべるのか、しらべます。
その実験の結果は・・・クリやドングリもたべる、しかもクリをたべたコクゾウムシはコメをたべたものよりおおきい・・・そして東日本出土の土器についたコクゾウムシにはおおきいものがある・・・
もし東日本のおおきいコクゾウムシがクリをたべていたとするならば、人のちかくにクリがたくさんあった、そして年間気温や最低気温が低く、クリの自生に適さない北海道にもいたと言うことは、人がクリを北海道にもっていった・・・そのクリといっしょにコクゾウムシも北海道にわたった?
このことは、人によるクリの保存・貯蔵、そしてそのような貯蔵食料の移動がおこなわれていた可能性をうかがわせます。
さらに館崎遺跡からは土器の表面だけでなく、粘土の内部にもコクゾウムシがはいった土器が出土しています。
縄文時代後期の土器の内部をX線CT画像でしらべたところ、コクゾウムシのかたちをした米粒のようなすき間がたくさんみつかり、土器表面の圧痕とあわせると500か所ちかくコクゾウムシの痕跡が確認されました。
なぜコクゾウムシが土器の粘土にまじったのか?
まちがってはいってしまった?
でも、アクシデントでこれだけの数のコクゾウムシが土器の中にまんべんなくまじるのでしょうか?
小畑さんは、コクゾウムシ以外にも栽培植物の種子がまざっている例があることなどから、それとあわせてクリの豊作を願った行為、コクゾウムシがクリの豊作を象徴するモノとして土器の中にまぜられた可能性をあげています(『縄文時代の植物利用と家屋害虫』2019)。

土器づくりで虫がたくさんまじるというのは、どういう状況だったのでしょうか?


30年以上前のこと、文化財担当者研修(正式名称は失念してしまいました)において、石器の調査・研究方法について受講する機会がありました。
その研修の中で、石器研究者の丑野毅(うしの・つよし)さんを講師にむかえた「レプリカ法」という講義がありました。
打製石器は、石のかたまりを割って、その破片・剥片(はくへん)からナイフなど石器をつくります。
その打製石器の研究方法に、遺跡から出土する破片・剥片をつなぎあわせて、もとの石のかたまりにもどしていくことによって、どのような手順で石を割っていったのか、その中からどのような破片をえらんでナイフなど道具にしていたのか、再現する方法があります。
つまり、石器につかわれた剥片の形状を、復原した原石のかたまりの中の「すきま」から復元する研究です。
このすきまがどのようなかたちなのか、復原した石のあいだに粘土をつめて型をとる方法はありました。
しかし、せまいすきまに粘土をまんべんなくつめるのはむずかしく、組みたてた石のかたまりを解体して粘土の型をぬくときに変形してしまうなどの課題がありました。
そこで丑野さんは高分子シリコンでこのすきまの型をとる方法を考えます。
このシリコン、歯科医にかかったことがない、といううらやましい方にはわからないかもしれませんが、虫歯を削った後の歯の型をとるときに「つめたいものがはいりますよ~」と言われて歯にかぶせられる粘土、と言うよりもチューインガムのようなものです。
「高分子」と言うようにとてもきめがこまかくやわらかいので、せまいすきまやくぼみの中にまで入りこむ、さらにちょっと時間がたつとかたまり、ゴムのように石からはがすことができ、変形しないという特徴があります。
さて、丑野さんは、この方法が石器以外に土器の研究に活用できることも紹介しました。
具体的には土器の表面にあるくぼみにこのシリコンをつめて型にとり、その型を走査電子顕微鏡で観察する方法です。
土器の粘土がまだやわらかいうちにはりついたものは、はがれたり熱で燃えつきたり、ながい年月で腐っても、その形や模様が粘土にプリントされて残ることがあります。
そしてその痕跡にきめのこまかいシリコンをつめてはがすと、それを正確にうつしとることができます。
そこで、土器の表面にあるちいさなくぼみの中に植物のタネがはりついた痕跡があると考え、その痕跡から栽培植物をみつけて日本列島における農耕の起源にせまろうとする考古学研究者、山崎純男(やまざき・すみお)さんのこころみが紹介されました。
この方法で九州地方の縄文土器にあるくぼみを調べた山崎さんは、穀物やマメなどを確認しましたが、もうひとつ重要な痕跡を見つけます。
それは虫の痕跡、それもコクゾウムシです。
コクゾウムシとは、「穀象虫」・・・その字のとおり「象虫」は頭の先が象の鼻のようにながい甲虫(こうちゅう)で、コメやムギなど穀物をたべることから「穀」象虫。
コメやムギなどをたべる虫なので、それが生息するということは、穀物があったということ・・・しかも、穂の先にみのっているコメやムギにつくのではなく、いっぱいまとまった状態のコメやムギにつく、つまり貯蔵された状態の穀物につく・・・なので、コクゾウムシは稲作など農耕が存在しないと生息できない、稲作農耕の存在を裏づける証拠と考えられていました。
その痕跡が縄文土器にあるということは、縄文時代にコメが、稲作農耕あったということ?
レプリカ法は、遺跡から虫の遺体そのものをさがす方法とちがい、すでに発掘調査がおわった遺跡の出土資料から虫の痕跡を見つけることができます。
そのため、遺跡出土の虫にかかる研究資料を格段にふやしていくこととなります。

夏やすみの宿題・・・ではなく、コクゾウムシをつかまえることができなかったので、つたないスケッチでご容赦ください。

こちらは、お米ではありません。
動物や植物は、温度や湿度、食料・栄養源などさまざまな環境、そしてその変化にあわせて生息域を敏感にかえます。
あつい、乾燥したところから、さむく、こおりつくようなところまで生息しているいきものと言えば、ヒトくらいでしょう。
それはさておいて、このような性質は過去の環境を知るうえで、とてもよい手がかりを提供してくれます。
そのことは、縄文時代の樹木の利用でもご紹介したところですが、それは動物もおなじです。
そのため、考古学では動物をたべものとしてだけでなく、環境復原の資料としても関心をむけてきました。
虫には骨がありません・・・そのかわり、キチン質とよばれるカラにつつまれています。
このキチン質、物質的にはくさりにくいのですが、虫のそれはちいさく、うすく、こわれやすいため、遺跡から見つけることは容易ではありません。
通常の肉眼による発掘では見のがしてしまう、こわしてしまう・・・骨などよりもサンプリング・エラーになる条件がそろっていますが、ここでも水洗選別が有効です。
遺跡の土をそっと水の中で土をとかしていく・・・虫の遺体があれば、こわれないようにとりあげ、現在の虫の標本と照らしあわせてその種類を判定します。
虫の種類がわかれば、その虫が好んでくらす環境から当時の環境を復原することができます。
遺跡出土の昆虫をしらべる昆虫学研究者の森勇一(もり・ゆういち)さんは、特別史跡三内丸山遺跡など縄文時代の遺跡でクリなど落葉広葉樹やマメ科植物の葉をたべるヒメコガネやドウガネブイブイなどの遺体が出土したことから、遺跡周辺に明るい二次林がひろがっていたとする根拠を補強しています。
おなじく特別史跡三内丸山遺跡の谷では、縄文時代前期の地層からたくさんのタネがまとまって出土しました。
そのタネをしらべた古環境学研究者の辻誠一郎(つじ・せいいちろう)さんは、それらがニワトコを中心にヤマグワやヤマブドウ、キイチゴなど果実のタネであることを明らかにしています。
そして、それらは人がえらんであつめたもので、その目的として果実の果汁を発酵させていたのではないか、つまりお酒をつくっていたのではないかと推測しています(「植物相からみた三内丸山遺跡」『三内丸山遺跡4.』1996)。
さらに森さんは、この地層の土からニワトコのタネなどにまじってたくさんのショウジョウバエのサナギの遺体を確認しています。
ショウジョウバエはくさった果実に卵をうみつけます。
森さんは、ニワトコなどの種子がまとまって出土する地層の中から、腐敗した果実などを好むショウジョウバエのサナギがたくさん見つかったことから・・・腐敗は発酵でもあります・・・これらが発酵した残りかすで、酒つくりが行われていた可能性が高まったと考えています(「ニワトコの種子集積層から産出した双翅目(そうしもく)のサナギについて」『史跡三内丸山遺跡年報2』1998)。
このように考古資料としての昆虫は、森林などひろい空間の環境だけでなく、発酵などピンポイントの環境復原、そしてそれをもたらした人の行動にまでせまることができる可能性を秘めています。

遺跡から落葉広葉樹の葉をたべるコガネムシの遺体が出土すると、その周辺に二次林がひろがっていたことがうかがえます。

たべるとかすかな酸味・・・見た目とちがって甘くない、つまり糖度がひくい。
これをそのまま発酵させてお酒にできるのか、疑問も投げかけられています。

ヤマグワの実・・・ニワトコの実よりもやや甘い。
いずれも特別史跡加曽利貝塚にて。

酒を飲む。
人は、いたるところで虫と関係してくらしています。
病害虫として駆除すること、たべること、季節を感じること、つかまえてたのしむこと、歌やものがたりに登場させて教訓を語らせることなど、私たちのくらしのさまざまな場面に虫が登場し、登場させています。
このように人、社会は虫など動物とのさまざまな関係をもつことで、みずからの生存のための情報・知識を積みあげてきました。
このような社会に蓄積された動物にかかわる情報・知識をあきらかにする研究分野を「民族動物学」とよび、昆虫もその中にふくまれます。
以前、クリの「管理」をとりあげたときに民族植物学研究者の中尾佐助さんをご紹介しました。
こちらは社会に蓄積された人と植物の関係にかかわる知識・情報を対象とする研究分野です。
世界中の社会がながい年月をかけて蓄積してきた情報・知識は「民俗知」「民族知」(みんぞくち)とよばれるもので、その社会の認識、価値観、つまり文化をしるうえで重要な手がかりになります。
このような経験的な知識、情報のすべてに科学的な裏づけはありません。
しかし、近年、その知識・情報は、医療におけるあらたな治療方法や新薬、資源の開発などから、それこそ昆虫食のような食料問題や環境問題の解決策などの政策にいたるまでのヒントとして、さまざまな分野から注目されています。
人と昆虫がかかわりあっているのならば、昆虫もまた考古学の研究テーマです。
そして、考古学研究によってと解きあかされる人と虫の関係「考古学知」もまた、「民俗知」「民族知」とおなじように現代社会の諸問題の解決に貢献する可能性があります。

さまざまな知識・情報をきく。

乗りあいバスでいっしょになったモンの青年が、「森でいいものをみつけたんだ!」とカバンの中から大事そうにとりだして見せてくれました。
個人的な経験ですが、虫に対する3つの反応をご紹介しました。
「ハチの子」はおいしいと言いながら、カメムシはダメ・・・でも、その姿かたちが見えなければだいじょうぶ。
そして、見なれぬ姿の虫はまったくたべることができませんでした。
そのときは「ナマは衛生的にちょっと・・・」などと心の中で言いわけをしていましたが、それがほんとうの理由でしょうか?
もうひとつ、よくつかう言いわけは、「習慣がちがう」「文化がちがう」です。
食習慣、食文化のちがいで思いだすのはたべもののタブー(禁忌・きんき)、とくにヒンドゥ教では牛肉、イスラム教やユダヤ教では豚肉をたべないなど、宗教的なタブーではないでしょうか?
どうしてたべてはいけないのか?その理由は、そのタブーのある社会、宗教それぞれで「理由」づけされています。
しかし、文化人類学ではその裏にある(であろう)理由に関心をむけてきました。
なぜそこに関心をむけるのか?
そこから文化とは何か、文化をつらぬく根本が見えてくると期待されているからです。
そんな文化人類学研究者のひとり、マーヴィン・ハリスさんは、社会がたべる、たべない判断は、その「コスト」と「ベネフィット」の関係できまると考えています。
つまり、たべるためにかかる労力、消費エネルギー量などコストに対して、たべてえられるカロリーや栄養価などの効果、利益(ベネフィット)のさし引きで、その社会にとって「たべるによいもの」、「たべるによくないもの」の順位がつけられるというのです
たとえば、ウシ1頭をたべるまでにそだてるエサの量や世話の手間(コスト)に対して、ウシをたべて得られる栄養やカロリーよりも牛が畑をたがやし、そのフンを肥料にして穀物を生産したり、牛乳をとったりして得られる栄養やカロリーのほうが得だと評価されると、ウシは「たべるによくないもの」になると言うのです。
こうすると人は損得勘定で行動し、文化は利益を最大化する装置に聞こえてきます。
ほんとうに人はみな、そんなに計算高い?損得勘定をしているの?
このハリスさんの考え方は、「損得勘定の文化論」とか「胃袋できまる文化論」などと批判されることがあります。
ハリスさんは、タブーとなったたべものが、歴史的にその地域の人びとがたべていたにもかかわらず、ある時点からタブーとなったことに注目しています。
そこから、環境の変化などによってたべるためにかかるコストが社会の維持・存続をおびやかしかねなくなると、それまでのたべたいという衝動をおさえるため「たべるによくないもの」、つまりタブーになったと考えています(御堂岡潔訳『文化の謎を解くー牛・豚・戦争・魔女』1988)。
でも、私が見なれない虫をたべることができなかったのはタブーだからではありません。
日本には昆虫をたべる習慣はあり、私もたべたことがあります。
ただの個人の好き、きらい?
それともタブーとはちがう、何か文化的な選択?

タケムシを見て、あなたはぞくっとするか、おいしそうと思うか?

馬はたべるによいもの?よくないもの?
馬をたべるコストとベネフィット、勘定できますか?
最後は、東南アジア・ラオスの山中でのおはなし。
夜9時ころ、お世話になったお宅のご子息兄弟が、懐中電灯をもって家から出ていこうとしていました。
外は街灯もなく、まっくらです。
「どこいくの?」
「虫とり!」
翌朝、兄に「虫、どうだった?」とたずねると、すこしはずかしそうに「思ったほどとれなかった。」
朝食の席につくと、白いお椀の中でなにやらモゾモゾうごくものが・・・数匹の虫です。
子どもたちがたのしそうにとりにいくのだから、コガネムシやカブトムシのような甲虫と勝手に思いこんでいたのですが、それとちがう姿の虫です。
「きのうとれた虫です。」
「どうやってたべるの?」
「足をもいでそのまま・・・」
見なれない虫を前にためらっていると、街から同行してくれた人が「ためしてみるか」と言って、1匹つまんでしばらく見つめた後、足をとって口の中に。
しばらく無言がつづいたので、「お味は?」とたずねると、そのこたえは「ケムケム」。
「ケムケムって、どういう味?にがいとか、からいとか、すっぱいとか。」
「ケムケムはケムケム、それ以外に言いようがないし、ほかのことばに置きかえられない。」
「ケムケム」を知るには、もうたべるしかない!けれども、結局その勇気はなく、「ケムケム」ということばで、わかった気になるしかありませんでした。
人が虫をたべることは、「たべるものがないから虫をたべる」わけではなさそうです。
それはたべておいしいから、そしてとってたのしいから・・・らしい。
虫とりにいくラオスの兄弟はとてもたのしそうで、カブトムシやクワガタムシをとりにいく日本の子どもたちとかわりありませんでした。
ちがうのは、最後にたべるのか、夏休みの宿題になるのか、かもしれません。
そう言えば、現在も「ハチの子」がたべられている長野県諏訪地域では、ハチをつかまえ、目じるしをつけて山野を追いかけ、ハチの巣をみつけるという過程がおとなのたのしみ、娯楽、スポーツのような感覚がある、と信州の友人から聞いたことを思いだしました。

その日の朝食の虫。
ピントがぼけていて申しわけありません。


お蚕(かいこ)さま・・・
絹糸をとったあとのサナギをおやつにすることは、養蚕にたずさわる人たちの特権でもあります。
世界遺産の街、ルアンパバーンを歩いていると、どこからともなく飛んできた1匹の虫が袖にとまりました。
緑色の六角形をした、ひらべったい虫・・・日本で見るカメムシとそっくりです。
それを見た現地の方が、「あっ、それ、たべられる!おいしい!チュオにもはいっている!」
チュオとは、現地のトウガラシや納豆などからつくられたおみそのような調味料で、「郷土の味」のひとつです。
モチ米やゆでた野菜などにつけてたべると日本のトウガラシ入りみそのようでおいしい。
それまでおいしい、おいしいと言って食べてきた調味料にカメムシがはいっていることを知ると、すくなからずショックをうけてしまいましたが、チュオの中にそのすがたが見えるわけではないので、自分の中では「聞かなかったこと」にしています。
カメムシはそのままでもたべられているようです・・・でも、あの刺激臭を思いだすと、実際にたべることはためらってしまいます。
たべたことのある方の感想によると、ミントのようなさわやかな味がするのだとか。
それを調味料にいれるのは、さわやか系のかくし味と言ったところでしょうか。

「トウガラシみそ」のチュオ。

レストランでもチュオは欠かせません。
これにカメムシがはっているかは、確認していません。
揚げた川ノリといっしょに。

特別史跡加曽利貝塚のカメムシ。
園内は動植物の採取は禁止なので、ご試食されたい方は園外でおさがしください。
「ハチの子」の次にたべた昆虫は、ミャンマー・ヤンゴン(当時はラングーン)の市場。
露店でお盆の上に10センチメートルちかい白い、カブトムシの幼虫のようなイモ虫をならべて売っていました。
このとき思い出したのが、あの信州の「ハチの子」。
「ハチの子」があれほどおいしいのだから、その何倍もおおきなこのイモ虫はどれほどおいしいのだろうか?
「1つください。」
「ナマ?揚げる?」
生食はありなのか?それとも「ナマ餃子」のようなおもち帰り用があるのか?
いずれにしてもナマでもらってもちょっと・・・と言うことで、加熱をえらびました。
するとお椀に虫を盛って量をはかりだします・・・その「1つ」はちょっと・・・
店主は「1匹に値段はないのだけれども」とこまった顔で言いながら、熱した油の中に1匹を投入・・・素揚げです。
紙につつまれてわたされたあつあつ揚げたてイモ虫を口の中にいれると・・・クリーミーな、カシューナッツのような味!
でも、この食レポを聞いた友人の反応は、「それならば、カシューナッツをたべるよ。」


先月まで特別史跡加曽利貝塚の樹木、林をご紹介してきました。
加曽利貝塚で復元された二次林の中でもクヌギ属の林は、昆虫好きにはたまらない場所という声も聞こえてきます。
でも、特別史跡加曽利貝塚の敷地内は、動植物の採取は禁止。
なので、くれぐれも見るだけ、観察だけでお願いします。
その虫、にがてな方は見ただけで悲鳴をあげますが、近年、とても注目されています。
それは、食料としての虫、昆虫食(こんちゅうしょく)。
環境の変化、人口の増加など、今後、地球規模での人類の食料をとりまく環境はおおきくかわっていき、特に食料がたりなくなることが予測されています。
この食料問題に対して、食料としての昆虫がその解決につながることが期待されています。
昆虫は、高いものでは70パーセントちかくタンパク質をふくんでいるそうです。
でも、あんなにちいさな生物でタンパク質70パーセントって言われても・・・それで本当に食料問題、解決できる?
せまい空間でたくさん育てても排出される二酸化炭素がすくない、エサは人のたべものとかぶらず、かつすくなくてすむ、つまりエサから食料へ、エネルギーの変換効率がよく、環境への負荷もすくない・・・
今日の私たちは日常生活で虫をたべることはなじみがなく、こういう話題を聞いても、まださきのことにしか感じられないかもしれません。
しかし、これは私たちにとってとおい未来のおはなしなどではなく、人はこれまでもごくふつうに、いたるところで昆虫をたべてきたことをわすれてはなりません。
個人的経験ですが、記憶のかぎりでは、はじめて虫をたべた(と意識した)のは大学生のとき、長野県諏訪市の友人からいただいた「ハチの子」、甘辛く煮たジハチの幼虫の甘露煮でした。
甘露煮になっていると言っても、見た目はあのイモ虫のかたちはそのまま・・・おそるおそるたべてみると・・・なんとクリーミーで美味であることか!

食料問題解決の切り札?
最近、スーパーマーケットでも昆虫食を見かけるようになりました。

信州の「ハチの子」甘露煮。
前回で「木も展示」編はおわり、今回は二次林の番外編。
それは、二次林での資源利用は、文化・社会によってさまざまであることを実感したおはなしです。
ラオス北部の山間部では、常緑広葉樹林・照葉樹林林がひろがりますが、標高のたかい場所にはマツやヒノキも見られます。
とくにベトナムと国境を接するシェンクワーン盆地周辺では、マツ林がひろがる光景を目にします。
そんな雨季のマツ林にマツタケがはえる・・・残念ながらその季節にめぐりあうことがなかったので、実物を見たことはありません。
地元の方のはなしによると、マツタケはもともと地元でたべられていなかった、日本人がやってきてたべられることがわかった、日本人がそのマツタケを日本に輸出しようとした、日本までの輸送に時間がかかり、鮮度がたもてなかったので輸出をあきらめた、日本人が去った後、地元でマツタケをたべる習慣が残った・・・とか。
現地の人びとは山野の産物が好物。
その産物のおおくは二次林からもたらされています。
その中にはキノコがあって、たいそうなキノコずき・・・なのにもともとマツタケをたべなかったのは、マツタケに似た毒キノコがあるらしい・・・そして、マツタケをたべるようになっても「今年は3人」などとウワサになるように、毎年何人かはその毒キノコにあたるらしい・・・
山野の資源を知りつくしているように見える人びとでも、まちがえることがある?
おなじように二次林の中で食用と認識されていなかった資源にコンニャクがあります。
コンニャクはサトイモの仲間の多年草で、適度な陽あたりと湿気のある場所で生育します。
コンニャクも地元ではほとんど利用されていませんでしたが、その根・コンニャクイモにふくまれるコンニャクマンナンを原料とする食品・コンニャクはおとなり中国で需要があります。
そのため、二次林の周辺環境で育つコンニャクイモはあらたな資源として採取され、商品として出荷されました。
コンニャクイモは、数年かけておおきく育てないと、イモの中にコンニャクマンナンは蓄積されません。
しかし、それを採取する人びとにはコンニャクをつくってたべる習慣がなく、そのようなことはわかりません。
そのため、まだコンニャクマンナンがたくわえられていないちいさなコンニャクイモまでが採取されています。
これまで、二次林の資源を有効利用していた、とかんたんに言ってきましたが、その資源を見つけ、利用するきっかけ、そしてそれをつかいこなすまでの道のりは、それほどかんたんなものではなかったでしょう。
そして、そのような資源開発の試行錯誤は、いまも私たちの身近なところでもおこなわれており、よそでの資源利用があらたな資源発見のきっかけにもなっています。

シェンクワーン盆地のマツ林

ほんもののマツタケは用意できなかったので、マツタケ形ストラップでご容赦ください。

乾燥キノコ

ラオス・中国国境で見かけたコンニャク。
コンニャクをたべる習慣は中国・雲南が発祥で、それが日本に伝わったとも言われています。
コンニャクとあわせて、白いキノコが売られていました(左うえ)。

山野からあつめられたコンニャクイモの山。

マツタケをたべたことがない理由・・・雨季は、これではすみません。
室町時代の随筆、『徒然草(つれづれぐさ)』から「榎木の僧正(えのきのそうじょう)」のおはなし。
良覚(りょうかく)僧正は、お住まいの僧房の庭に大きなエノキがあったため、人びとから「榎木の僧正」とよばれていましたが、そのことが気にくわず、エノキを切りたおします。
しかし、おおきな切り株が残ったため、人びとは「きりくいの僧正」とよびます。
それがまた気にくわなかった僧正は、切り株を掘りおこします。
すると、掘りおこしてあいた大きな穴に水がたまってお堀のようになったため、人びとは「堀池の僧正」とよんだとか。
落葉広葉樹の中にもケヤキやエノキ、ムクノキなど、巨木になる樹種が知られています。
これらは「榎木の僧正」のように、寺や神社の境内などで見かけることがあり、特別史跡加曽利貝塚でも見ることができます。
特別史跡加曽利貝塚の樹木は、縄文時代の風景を再現することをめざした人工林です。
そして、この人工林を維持するために、下草刈りをおこない、その他の植物の遷移を人為的にとめています。
ここに植えられた落葉広葉樹や常緑広葉樹は30年をすぎ、ふとさも30センチメートルちかくなりました。
クヌギ、クリ、コナラなどの落葉広葉樹の多くは、そろそろ樹木成育のピークをこえつつあります。・・・いままさに縄文時代の人びとにとっては、切りどきでしょう。
さらに、近年は成長の勢いのピークをこえた樹木に「ナラ枯」など病虫害が発生しています。
遺跡の上の樹木は、雨や風による土地の浸食や乾燥から遺跡をまもることがありますが、その反面、「榎木の僧正」のエノキようにおおきく、ふかく根をはると、地下の遺構を破壊していきます。
そして、台風などの自然災害によって木がたおれると、地面に大きな穴をあけてさらにおおきく遺構を破壊してしまいます。
実際、発掘調査で検出された遺構の「かく乱」の中には、木の根によって「破壊された」例はめずらしくありません。
特別史跡加曽利貝塚は、その価値をまもり、後世につたえていく必要があります。
また、一般に公開し、活用をおこなうため安全に管理していくことが必要です。
そのための指針、平成29年(2017)策定の「史跡加曽利貝塚保存活用計画」では、樹木による地下の遺構への影響をなくす、あるいは安全を確保するため、樹木を整理・伐採していくこととしています。
特別史跡加曽利貝塚ではこの方針に沿って、令和3年3月から北貝塚の樹木伐採をはじめています。
そして、引きつづきあらたな調査・研究成果にもとづいて史跡整備をおこなっていく予定です。
現在、特別史跡加曽利貝塚では屋外展示の「展示がえ」期間中・・・ご来館のみなさまにはご不便をおかけしますが、ご理解・ご協力いただきますようお願いいたします。

特別史跡加曽利貝塚のクヌギのふとさ。

台風でたおれた特別史跡加曽利貝塚の樹木。
根もとには貝塚の貝層が・・・

樹木と遺跡のかかわりで有名な世界遺産「アンコールの遺跡群」。

ミャンマー・インディン遺跡。
遺跡と樹木のつきあい方は、遺跡保護の課題。

世界遺産「ジャール平原の石壺遺跡群」では樹木がたおれなくても・・・

特別史跡加曽利貝塚の地下でもこのようなことがおきています。

特別史跡加曽利貝塚は、ただいま展示がえ中.
ただいま当館では、特別史跡加曽利貝塚の復元集落がたどってきた道のりを紹介するパネル展示「復元集落いま・むかし」(会期は8月3日(水曜日)まで)を開催中!
ここでは「花粉分析のいま・むかし」。
坂月川で花粉分析をおこなった当時の放射性炭素年代測定は、炭素14から放出される放射線・ベータ線から炭素14の量をはかっています。
これも高価な機材をつかって測定するので、測定するにあたり試料数は厳選されました。
そのため、調査・分析した田原豊さんは、課題として測定精度をあげるために測定試料の数をふやしていく必要があるとしています。
その測定方法も現在は加速器質量分析(かそくきしつりょうぶんせき)AMSという方法ではかることができます。
これは、約250万ボルトという高いエネルギーの引力によって炭素マイナスイオンを加速させ、その進路を電磁石によって曲げて炭素の量をはかるという方法です。
電磁石の前を通過した炭素イオンは、質量のちがいによって曲がり方がちがい、その曲がり方によって炭素イオンを種類ごとに分けることができます。
この方法で炭素14だけを分離してその数を直接カウントできるようになり、すくない量の試料からも正確な計測が可能となりました。
現在、この技術をつかって放射性炭素年代の較正がおこなわれています。
どのように花粉が遺跡にひろがり、残されるのか、はっきりしてきました。
それによって、どこからどのように花粉を採取して分析すると、何がどこまでわかるのか、わかってきました。
また、顕微鏡観察や放射性炭素年代測定の方法、炭素年代の較正など縄文時代の環境を復元する方法は、加曽利貝塚・坂月川で花粉の調査・分析がおこなわれた昭和51年(1976)・60年(1985)から技術的におおきく変化しています。
このような技術の進歩によって、今後の加曽利貝塚の調査・研究における坂月川の役わりは、ますます注目されていくことでしょう。
特別史跡加曽利貝塚には、わかっていないことがおおく、今後の調査・研究の進展が期待されます。

これからを期待して。
今週の特別史跡加曽利貝塚のクリ開花情報。


雄花・雌花がさきはじめました。

マテバシイはいまがまっさかり。
昭和60年(1985)に坂月川でおこなわれた花粉分析では、クリの花粉は「クリ属-シイ属」とまとめられています。
落葉樹のクリと常緑樹のシイがいっしょ?
花粉分析における花粉の観察には通常、光学顕微鏡がつかわれます。
試料に光をあててレンズで拡大して目で見る顕微鏡です。
分析した当時、この方法でシイノキ属とクリ属の花粉のちがいは見わけられるのか、研究者のあいだで意見がわかれていました。
両者はとても似ていますが、クリ花粉はシイノキ花粉にくらべてちいさく、細長い。
しかし、花粉化石のサンプルはながい年月をへて、さまざまな影響をうけて変形する可能性があります。
クリとシイノキの花粉では、表面の模様はちがうのですが、あまりにもこまかすぎるので、光の波長、つまり光学顕微鏡をとおしても肉眼では見えません。
波長のみじかい電子をあててその反射、反応を像にして見る走査電子顕微鏡であれば、そのちがいを見わけることができます。
ただし、分析当時、走査電子顕微鏡はかんたんにつかうことができない高価な機材でした。
そのため、3点のクリ属-シイ属花粉をこれで観察しており、いずれもシイ属と判定されています。
それでは、ほかの東日本の縄文時代の大規模な遺跡のように、加曽利貝塚のちかくにクリ林はなかったのでしょうか?
加曽利貝塚から出土したクリの実や炭化材はどこからもってきたのでしょうか?
花粉には大きく2種類あります。
ひとつは花粉症の原因となる花粉、風にのってひろがる花粉。
もうひとつは虫にはこばれてひろがる花粉。
古環境研究者の吉川昌伸(よしかわ・まさのぶ)さんは、実際にクリの花粉が木からどれくらい遠くまでひろがるのか調べています。
クリの花粉はどこまでひろがるのか・・・
クリが属するブナ科の落葉広葉樹のおおくは、花粉を風に飛ばします。
ところが、クリはその花のハチミツがあるように、雄花がハデな穂をつけて虫をさそう匂いをだす・・・つまり虫によって花粉を身近な雌花にはこんでもらうしくみ。
吉川さんの調査では、クリの花粉は木のまわりからそれほどひろがらないことを確認しています。
これは、虫によってひろがる花粉の特徴とされます。
坂月川の花粉分析でクリが確認されなかったのは、このようなクリの花粉の特徴によるものかもしれません。
逆に、青森県三内丸山遺跡のように遺跡内から高い密度でクリ花粉が検出されることは、集落のすぐそばにたくさんのクリが育っていたこと、クリ林と言える景観がひろがっていたことをうかがわせます(吉川昌伸「クリ花粉の散布と三内丸山遺跡周辺における縄文時代のクリ林の分布状況」『植生史研究』18-2、2011)。


特別史跡加曽利貝塚のクリの花。
昨年6月撮影・・・今年の花はこれから咲きます。

生涯学習のイメージキャラクター・マナビィ。
石ノ森章太郎さんのデザインです。
千葉市生涯学習センターにて。
特別史跡加曽利貝塚とクリの関係はどうでしょうか。
加曽利貝塚は、縄文時代の植物質遺物の研究において、はやくからクリとの関係で注目されていました。
それは、昭和39年(1964)の南貝塚の発掘調査で土坑の中からクリがまとまって出土したこと、そしてそのクリが野生種にくらべておおきいとされたことです。
平成29年(2017)『史跡加曽利貝塚総括報告書』では、それまでの発掘調査で採取された植物質遺物について再検討しています。
まず出土炭化材の樹種では、分析した20点のうちクリが11点と圧倒的に多く、そのほかはハンノキ属・イヌシデ節・クヌギ節・ケヤキ・ニレ属、いずれも落葉広葉樹です(黒沼保子、パレ・ラボ「炭化材の樹種同定」)。
つぎに炭化種実、こげたタネや果実。
遺跡出土の炭化した実には、皮となかみ、クリなどの堅果で言う子葉があることは5月8日にご紹介しました。
北貝塚では、オニグルミが多く、そのほかにクヌギ節が出土しています。
クヌギ節はドングリの中でもとくにアクがつよく、渡辺誠さんが日本の伝統的なドングリのアクぬき技術をしらべたところ、たべる方法だけでなく、たべたと言う伝承も確認できませんでした(『縄文時代の植物食』1975)。
このようなアクのつよいクヌギ節のドングリが縄文時代にたべられていたのかはわかっていませんが、縄文時代遺跡から出土する例はめずらしくありません。
加曽利貝塚でも堅果のなかみ、子葉が出土しており、食べられていた可能性が指摘されています。
南貝塚ではクリが多く、シイノキ属、アカガシ属、コナラ属、そしてトチノキの炭化種実がみとめられ、落葉広葉樹と常緑広葉樹両方のドングリが出土しています(佐々木由香、バンダリスダルシャン、パレオ・ラボ「炭化種実」)。
アカガシ属やコナラ属もアクがあるのでそのまま食べることはできず、食べるならば水にさらすなどのアク抜きが必要です。
加曽利貝塚出土の炭化した樹木やタネ・果実は、たしかにクリが多いものの常緑樹・落葉樹のさまざまな種実が利用されていた可能性をうかがわせます。
しかし、分析数がすくないことから、これらを人がもちこんだのか、たべたのかなど、そのくわしい実態はまだわかっていません。
今後、これまでご紹介してきたようなあらたな視点、調査・分析方法によって分析数がふえていくことで、その利用方法があきらかになっていくことが期待されます。

第6.トレンチ3区土坑とクリ。

特別史跡加曽利貝塚出土の炭化種子。
最上段左端がクルミ、右端がシイノキ、そのあいだ2個がクリ、その下の段、左端がクヌギです(『史跡加曽利貝塚総括報告書』より)。


アクがつよくて、とてもしぶいクヌギのドングリ。
特別史跡加曽利貝塚の現生クヌギです。
新潟県青田遺跡のクリ材から縄文時代の集落のあり方にせまった荒川隆史さんは、建物の柱の太さだけでなく、枝がついていた痕跡に注目しています。
枝がついていたということは、樹冠の中の幹をつかったと言うこと。
これを柱にしたと言うことは、樹冠の中の幹がまっすぐでながいということ、それは幹の低い位置から枝がのびていたこと、樹冠がひくいことをしめしています。
これはどういう環境で育ったクリの木なのか?
荒川さんはクリ農園など、現在のクリ林を観察しています。
その結果、樹木の間があいていると陽あたりがよいため、低い位置から枝がヨコにのびて葉がしげりますが、せまいと日光をもとめて樹木のてっぺんに樹冠をつくることを確認しています。
これは、青田遺跡の柱につかわれたクリ材が樹木の間があいた、ひらけた林の中で育ったことを示しています(「青田遺跡の環境と縄文時代のクリ利用」『季刊考古学』第145号2018)。
ひとことで「木を切る」と言っても、かんたんではありません。
道具のつかい方をとおして環境と人類の関係を研究する山田昌久(やまだ・まさひさ)さんの研究グループでは。木を切る、削る方法の技術的な発展とその歴史的意義を、実際に木を切る実験からせまっています。
その実験は、遺跡出土の石斧・木の柄の複製品をつかい、東北地方のコナラやクリをふくむ二次林の樹木を切ることで、石斧の効果、柄のながさと石斧の関係、石斧の刃の消耗ぐあい、切った痕跡と出土木材に残る痕跡や鉄斧との比較、切られる木材としてのクリ材の特徴、さらに切り株の萌芽更新の状況など、テーマは多岐にわたっています。
磨製石斧で樹木を切るということは、鉄斧やノコギリのように木の繊維を切断するのではなく、厚くておもい刃の摩擦によって木をえぐるように切ることになります。
このような切り方で、クリ、コナラ、サクラ属、カエデ属の樹木を切るのに要した時間と石斧をふった回数をくらべたところ、クリがもっとも時間・回数がすくない、つまりおなじふとさでもクリは切りやすいことがわかりました。
カエデ属などは、年輪の幅がせまい、木の繊維がち密でかたいので、切りにくい、と言うよりえぐりにくい・・・
それにたいしてクリは、木材としてじょうぶであると同時に石斧で切りやすい、この性質もまた縄文時代にクリが柱などの木材として多用された理由だった可能性が指摘されています(工藤雄一郎・岩瀬彬「木材伐採実験」『人類誌集報2002』東京都立大学人類誌調査グループ)。
ところで、これらの実験では、ながさ1メートルほどの樹木であれば、縄文時代の磨製石斧でもタテに割ることができました。
しかし、それ以上ながい樹木をタテに割ることは、また別の技術が必要となることがわかっています。
それはタテに割れ目をいれて、そこにクサビを打ちこみながら割れ目をひろげていく技術です。
この技術をつかっても、幹がよじれて育つ広葉樹ではまっすぐに割ることはむずかしく、その割れ目をコントロールするワザもまた必要であることが実験でわかっています(山田昌久「日本原始・古代の木工技術」『モノと技術の古代史木器編』2018)。
史跡真脇遺跡や史跡チカモリ遺跡では、直径約90センチメートルのクリの樹木をタテに割って、円形にならべてたてていました。
このような遺構は「環状木柱列(かんじょうもくちゅうれつ)」とよばれ、縄文時代晩期に北陸地方を中心に見つかっています。
このような遺構は、縄文時代晩期にあらたな木材加工技術がつかわれはじめてたことをうかがわせます。

石斧でクヌギを切ると・・・

高い樹幹。幹はまっすぐだけど枝がない・・・

低い樹冠。
広葉樹の樹冠の中では、幹がわかれたり、よじれたりするものもあります。
いずれも特別史跡加曽利貝塚において、そのちがいをご覧いただけます。
クリがこげるとちいさくなるとか、ひろい場所で育つ樹木は樹冠がひくくひろがるとか、年輪の幅がつまったかたい木は切りにくいとか・・・そういうこと、しらべなくても経験的にわかる!と言われるかもしれません。
たしかにその出発点は経験的な「気づき」ですが、「経験的」「常識的」なことがほんとうにそうであるか、再確認することはたいせつです。
この再確認するプロセスを記録し、だれもが見てわかるようにしめすことを、「科学的」と言います。

史跡真脇遺跡の環状木柱列の検出状況。
能登半島に所在する真脇遺跡は入り江の奥の低地上に位置する縄文時代前期から晩期の遺構・遺物がたくさん出土した遺跡です。
低湿地であったことから木製品や動植物の遺体がよく残っており。その中でも縄文時代前期末から中期にかけてイルカの骨が多数出土したことでも注目されています。
そして縄文時代晩期の地層からは、クリの大木をタテに割ってたてた跡・環状木柱列が見つかっています。
画像は、真脇遺跡縄文館様からご提供いただきました。

史跡真脇遺跡で復元された環状木柱列。
史跡真脇遺跡では、縄文時代晩期の環状木柱列の姿を復元、展示しています。
また、その一部が重要文化財に指定されている出土品は、真脇遺跡縄文館でご覧になることができます。
画像は、真脇遺跡縄文館様からご提供いただきました。

タテに割る。
クリなど果実のなる樹木は、おおきく育つほどたくさん実がなるわけではありません。
農業経済学によると、クリは樹齢6年あたりが実のなる最盛期で、樹齢16年ころ以降、実がすくなくなっていき、木の勢いがおとろえていくとされています。
「ももくり三年」と言われるようにクリは成長がはやく、そのピークも早い。
樹木のおおくは幹から枝葉がのび、そこに花や実がつきます。
この枝葉がしげる部分を「樹冠(じゅかん)」とよびますが、樹木が育って樹冠が高くなるほど実も高いところでみのり、それを人がとるのはたいへんになって、ほかのライバルたちとの競争もはげしくなります。
縄文時代の木組遺構でご紹介したように、そこにはおもに直径10センチメートルほどの材がつかわれていました。
それは二次林の樹木が大木になる前に利用する、効率的な方法だったのかもしれません。
その一方で木組遺構の骨組みに直径90センチメートルのふとい材を割ってつかう、大型建物の柱に直径30センチメートルくらいの丸木をつかうように、クリの大木があったこともわかっています。
とくにクリの大木でよく知られている例は、青森県の特別史跡三内丸山遺跡、石川県の史跡真脇(まわき)遺跡や史跡チカモリ遺跡の木柱列でしょう。
三内丸山遺跡では、直径約1.メートルのクリの木柱6本がたてられていました。
このほかの縄文時代遺跡でも木柱そのものは残っていませんが、とてもおおきい柱穴からなる「柱穴列(ちゅうけつれつ)」とよばれる遺構がみつかっています。
大木を切りたおす・・・その技術自体は、大木をくりぬいてつくる丸木舟(まるきぶね)のように縄文時代早期からあったことは知られており、そのはじまりはさらにさかのぼるものと考えられています。
木を切る技術の発達は、打製石器から磨製石器へ、石器から鉄器へと言う道具の変化だけではありません。
樹木が育つ環境と、それにあわせて樹木をどのように利用するのかという人の行動が関係しながら発展していきます。
クリの「大木」、それも柱につかうことができる、まっすぐなクリの木をいくつもそろえることができたということも、当時のクリ林の景観、管理の方法、木材利用技術の関係を知る手がかりになります。


特別史跡三内丸山遺跡のクリ材の柱列跡とクリ材。
出典:JOMONARCHIVES(三内丸山遺跡センター所蔵)

直径70センチメートルちかいムクノキをつかった市川市雷下(かみなりした)遺跡出土の丸木舟。
画像は、千葉県教育委員会様からご提供いただきました。

いまも見ることができる大木をたてる行為。
直径約1メートル、長さ約17メートルのモミによる長野県諏訪大社の御柱(おんばしら)。
縄文時代の遺跡から炭化したクリの実の出土がおおい、炭化材の樹種はクリがおおい、出土したクリの実は野生よりおおきい・・・はやくから二次林の樹種の中でもクリがえらばれて「管理」されていたと考えられてきました。
でも、「管理」って、なに?
クリの木をどうすると管理になる?
酒詰仲男さんは、下草を刈り、害虫を駆除し、肥料をあたえていたと考えていたことはご紹介しました。
そもそも本当にクリの実はおおきくなるのか?
遺跡出土クリを計測した古植物学研究者の南木睦彦(みなき・むつひこ)さんは、縄文時代早期までは現在の野生クリとおなじおおきさのものであったのが、縄文時代前期以降おおきいものがあらわれ、縄文時代後期・晩期には現在の栽培種にちかいおおきさのものがあることを指摘しました(「縄文時代以降のクリの生産量に関する予備的研究(1)」『植生史研究』2-1、1994)。
古環境研究者の吉川純子(よしかわ・じゅんこ)さんは、さらにくわしく遺跡出土のクリの実のおおきさを検証しています。
遺跡出土の炭化したクリは、外側の皮の部分と、なかみの子葉(しよう)にわかれます。
果皮と、果皮のない子葉のおおきさをおなじように比較することはできません。
さらに炭化しているということは、本来のおおきさとちがって縮んでいる・・・と言うことで、現在のクリの子葉をわざと炭化させてその縮みぐあいを計測し、炭化した子葉から果皮のついた実のおおきさを復原する実験をおこなっています。
その実験成果にもとづいて、吉川さんは縄文時代各時期のクリの実のおおきさを復原してくらべています。
その結果、たしかに中期まではおおきくなる傾向があるものの、それ以降、とくに晩期になるとおおきな実がある一方でちいさいものもあること、つまりばらつきのあることが示されました(「縄文時代におけるクリ果実の大きさの変化」『植生史研究』18-2、2011)。
植物遺伝学研究者の佐藤洋一郎(さとう・よういちろう)さんは、実がおおきくなることがただちに栽培によるものとはかぎらず、植物遺伝学的に栽培とは、遺伝子の組合せがそろうこととしています。
佐藤さんは、三内丸山遺跡周辺の野生のクリと、遺跡から出土したクリから遺伝子をとり出して比較したところ、野生とちがい、遺跡出土のクリは遺伝子の組合せはそろう傾向があることを確認しています。
しかし、すべての縄文時代遺跡出土のクリの遺伝子組合せがそろうわけではなく、そうではない遺跡があることも明らかにしています(『縄文農耕の世界』2000)。
生態学研究者のユージン・オダムさんは、「農生態系(のうせいたいけい)」として、次の条件をあげています。
・太陽エネルギー(日光)を特定の生産物に集中させていること。
・人によって肥料や水など補助的なエネルギーが管理されていること。
・生産物の生産性を最大にするため、人によって生物の多様性を最小にされていること。
・生産物は自然淘汰ではなく、人為淘汰されていること(三島次郎訳『生態学の基礎』1974)。
民族植物学研究者の中尾佐助(なかお・さすけ)さんがつかった植物と人の関係における「半栽培(はんさいばい)」と言うことばが、この「管理」の意味にちかいかもしれません。
「栽培」でもなければ、「自然」「野生」でもない「半栽培」・・・中尾さんは人類が植物とかかわってきた歴史には、「農耕」「栽培」がはじまるまでに人が意識的・無意識的に植物の選別と保護をおこなった段階があると指摘しています(「半栽培という段階について」『どるめん』No.13、1977)。
これを受けて福井勝義さんは、「半栽培」の段階の内容をさらにくわしく次のように説明しています。
・ある種類の植物をわざと除去しない段階。
・その成長をじゃまする他の植物は除去して成長をうながす段階。
・鳥や動物にたべられないよう保護する段階。
・人がその植物に有利な環境に変えてしまう段階(「焼畑農耕の普遍性と進化」『日本民俗文化体系5-山民と海人』1995)。
オダムさんの言う農生態系の条件を「栽培」「農耕」「農業」とするならば、その条件がそろっていく過程を「半栽培」「管理」とすることができるかもしれません。
縄文時代のクリのおおきさや遺伝子の組合せのばらつきは、その過程がみなおなじではない、いろいろまじっている、あるいはいったりもどったりしていたことを示していて、縄文時代のすべての地域・遺跡でおなじように「管理」されていたわけではなさそうです。
ところで、私の食生活は栄養的に管理されていますが、「買いぐい」して自然にもどってしまうことがあります。

特別史跡加曽利貝塚の「野良」のクリ(右)と栽培クリ(左)

現生クリの子葉(左)と果皮(右)・・・甘栗を分解するとよくわかります。

森からの帰り道。
いよいよ5月のゴールデン・ウィーク!
そして、当館では令和4年7月3日(日曜日)までの会期で「令和3年度発掘調査速報展」を開催中。
貝塚が円形にめぐる「環状貝塚(かんじょうかいづか)」では、その中心がくぼみ、そこには遺構がすくないことははやくから知られていました。
どうしてそのようになるのか?
平らな台地上に自然現象でくぼみができることがあり、縄文時代の人びとがそのような地形にあわせて、くぼみをとりかこむようにすんでいた・・・
いやいや、縄文時代の人びとが円形に家を配置していき、家の前・・・つまり円の中心を広場としてつかっていた・・・
さらに縄文時代の人びとがわざと掘りくぼめて整地していた・・・などなど、いくつかの説があり、ながらく議論がかわされてきました。
特別史跡加曽利貝塚では、貝塚の構造を解明し、今後の史跡整備に反映させるべく平成29年度(2017)から南貝塚で発掘調査をおこなっています。
そして、令和2年度(2020)からは、南貝塚のくぼみ、「中央窪地(ちゅうおうくぼち)」の発掘調査に着手しています。
中央窪地はいつからくぼんでいたのか、縄文時代の中央窪地はどういう景観だったのか、そこからなにが、どのように出土したのか・・・今、ここではご紹介できません!
ぜひ、当館にてナマで南貝塚の中央窪地と出土資料をご覧ください!
これにあわせて平成29年(2017)から令和元年(2019)まで実施した縄文時代晩期集落跡の発掘調査の成果を紹介しています。
特別史跡加曽利貝塚と言えば、縄文時代中期の北貝塚、後期の南貝塚として知られていますが、これまでの発掘調査で晩期にも人びとがこの土地を利用していたことが知られていました。
今回の発掘調査によってそのすがたがはっきりとらえられ、特別史跡加曽利貝塚は縄文晩期の集落遺跡として重要であることが明らかになりました。
本展では、その出土土器が今後の縄文時代晩期の土器研究に影響をおよぼす資料を展示しています。
また、5月4日(水・祝)と5月5日(木・祝)は「縄文春まつり」を開催いたします。
本展示とあわせてお楽しみください。
皆さまのご来館を心よりお待ち申しあげます。



ラオス北部では焼畑後の二次林をつくる樹木の種類に、コーとよばれる樹木があります。
はじめてその樹木のことを知ったのは、現地の鍛冶屋さんがつかう木炭には、火もちのよい「コーの木が最良」というお言葉から。
コーはどのような木?
いろいろな人から話を聞いていくと、どうも「赤いコー」と「黒いコー」があり、そのうち「黒いコー」は堅果がみのり、それを食べるらしい。
たべてよし、燃やしてよしと、とても役にたつので、焼畑ではわかいコーの木はなるべく切らないで残す・・・などなど。
これらの話をあわせていくと、地域によっていくつか種類があるようですが、日本でいうシイ?クリ?みたいな木?
そうしているうちに、焼畑地の片隅でクヌギよりひとまわりちいさい、縁がギザギザした葉のコーの木と出あうことができました。
その木の下で地元の方に日本からもっていった甘栗を見せたところ、「これはコーの実だ。」食べると「やはりコーの実だ。」
季節があわないためか、なかなかコーの実にお目にかかることはできませんでしたが、その後10年ほどして、やっとコーの実に出あうこととなります。
それは堅果ですが、クリのイメージとは何かちょっとちがう・・・直径1センチメートルもないちいさなまるい実です。
村の人が集まって囲炉裏をかこんで話をしていると、炒ったコーの実がお椀にもられてでてきました。
食感と味は、たしかにクリです。
そのちいさな実を爪さきで割って食べる、食べては話す、話しては食べる。
食事ではなく、おやつ、お茶うけのような食べかたです。
そして、食事後のお酒の席でもおつまみとしてコーの実。
こちらはすぐに爪さきが痛くなり、ちいさいので食べるのもめんどうになっていきます。
でも、皆さん、食べては話し、話しては食べる・・・コーがなくなるとおかわりが出てくる。
食事ではないコーの実は、栄養的にたいした意味はないのでしょう。
そのときは、何もこんなちいさな、めんどうくさい実を食べなくても・・・と思っていました。
しかし、いま振りかえってみると、この光景の記憶は、ちいさな木の実にもそれだけではない意味があるのではないかと思わせてくれます。

焼畑地に残るコーの木.

甘栗。


おなじコーとよばれていても、いくつか種類があるようです。

コーの実をかこんで。
農村・漁村の「里山」では、人が二次林の遷移をある段階でとめて、維持していました。
縄文時代では、人のかく乱によってクリなど特定の樹木からなる二次林をつくっていた可能性が指摘されてきました。
そして、低湿地遺跡の木組遺構などに利用されている樹木の種類やふとさなど樹木のつかい方から、二次林のつくり方が具体的に復元されつつあります。
人による森林の管理・利用の方法は、遷移をある段階にとめるだけではありません。
遷移をとめない森林の利用方法があります。
その代表例は、焼畑(やきはた)です。
焼畑と言えば森林を焼いて畑にする・・・森林利用どころか森林破壊では?
世界各地の焼畑を調査・研究した文化人類学研究者の福井勝義(ふくい・かつよし)さんは、焼畑は森林を焼いて耕作することでおわるのではないと言います。
たとえば中国南西部から東南アジア大陸部にかけての伝統的な焼畑では、森林を焼きはらい、1年から3年ほど耕作してから30年ほどかけて森林をもどしていく方法でいとなまれてきました。
この焼きはらいと耕作が、人によるかく乱です。
焼畑地は焼きはらわれた後、ただちに遷移がはじまります。
それが「雑草」です。
耕作は「雑草」との戦い、除草という人為的なかく乱によって遷移をとめることで、人にとって有用な植物つまり作物を育てようとする行動です。
葉や茎をとっても地下で根をはりつづける草木の遷移をとめるには、土をふかくたがやしてその根を取りのぞく必要があります。
しかし、それには大きな手間がかかるうえ、たがやすことで栄養のある地表の土が風雨でながされやすくなり、その結果、作物の生産量がへるリスクがあります。
そこで、遷移をとめる労力と生産量がつりあわなくなると判断されると、畑をやめてしまいます。
耕作をやめた焼畑地は草地から二次林へと遷移し、高くてふとい樹木からなる極相林になる手前でふたたび樹木を切りたおし、焼いて畑にする・・・これをくり返すことが、本来の焼畑のすがたです。
樹木を切るときは、人の腰の高さで切ります。
これは切りやすさのほか、切り株からの萌芽更新も期待されています。
つまり、焼畑では遷移することを前提としています。
耕作をやめた焼畑地は、遷移がすすんで陽あたりのよい草地になり、その中でワラビやゼンマイなど食用や薬用になる野草が育ち、さらに陽あたりをこのむ樹木が育ちます。
草地に育ってくる樹木には、樹液が乳香(にゅうこう)というバニラのような香りをはなつ高級香料となるトンキンエゴノキや樹皮から繊維をとるカジノキなど、葉・実・樹皮・樹液などが人にとって価値のある樹木があります。
さらに樹木が高く育ち、枝葉をのばしていくと、背が低い樹木や草がすがたを消していき、樹木の下やあいだには日光をそれほど必要としない植物たちが育ちます。
樹木は育つにつれて食用の果実がなり、良質な燃料や建築材などに適するようになっていきます。
このように耕作をやめてからの時間の経過によって、集落のまわりに性質のちがう二次林がいくつもでき、それぞれの二次林の性質にあわせた資源が利用されます。
福井さんは、焼畑を焼き入れ・耕作からはじまり、耕作放棄後の遷移による二次林を生産の場とする資源利用の方法であるとして、「遷移畑(せんいはた)」という概念を提唱しています(「焼畑農耕の普遍性と進化」『日本民俗文化体系5山民と海人』1995)。
この遷移による資源利用に注目した地理学研究者の横山智(よこやま・さとし)さんは、ラオス北部の焼畑でその利用方法を具体的に明らかにしています。
それによると、現地の人びとは焼畑の耕作をやめてから経過した年によって、二次林を「何年ものの森」というようなよび名をもって管理し、それぞれの状態で利用できる資源を把握し、採取しています。
そして、集落のまわりにはさまざまな段階の二次林がとりまき、それぞれに特有の多様な資源を利用することで集落でのくらしを維持していることを指摘しています(「焼畑とともに暮らす」『ラオス農山村地域研究』2008)。


火入れと火入れ後。



焼畑のみのり。

収穫後の焼畑地。

焼畑地、二次林、極相林。

さぁ、森の産物をとりにいこう!
渡辺誠さんは、本格的な低湿地遺跡の調査が進む前から堅果の出土状況に2つのパターンがあることに気づいていました。
ひとつは、シイ類やイチイガシなどアクの少ない堅果を、皮がついたまま穴に入った状態で出土するパターン。
もうひとつは、トチノキの実の皮だけが低湿地の泥炭から出土するパターン。
その当時はまだ、泥炭の中からどのように出土するのか具体的な姿はわかっていませんでしたが、渡辺さんはそれがアクぬきの方法と関係しているのではないかと推測しています(『縄文時代の植物食』1975)。
その後、低湿地遺跡の調査が行われ、縄文時代の木組遺構が見つかるようになると、その周辺からトチノキの実の果皮がたくさん出土することが確認されます。
中には「トチ塚」ともよばれるように、まとまって出土することもあります。
トチノキは、ムクロジ科の落葉広葉樹で、その実はおおきいのですが、とてもつよいアクがあり、そのままたべることはできません。
そんなトチノキの実は現在もたべられています。
たとえば、トチノキの実を粉にしてモチ米と混ぜてついた「栃餅(とちもち)」があります。
落葉広葉樹の堅果、ドングリのおおくには、タンニンというアクがふくまれ、そのままたべるとにがみ、しぶみがあります。
タンニンは水にとけるので、たべるためには水にさらしてアクをぬく必要があります。
他方、トチノキの実には水にとけにくいアク、サポニンが含まれます。
このトチノキの実のアクをぬくには、皮をむいて水にさらすだけでなく、ゆでるなど加熱する手間が必要です。
水辺にある木組遺構では、トチノキの実などのアクぬきのための皮むきと「水さらし」をしていたのかもしれません。
ただし、すべての木組遺構がトチノキの実を加工する場所だったわけではなく、そのほかの水をつかう作業もおこなわれていたと考えられています。
このような木組遺構の調査・分析がすすむことで、縄文時代の資源開発・利用の方法がさらに明らかになっていくことでしょう。
下宅部遺跡のような木組遺構でのクリ材使用率の減少や、アクのつよいトチノキの実を加工した痕跡の増加は、縄文時代後期以降、クリがすくなくなったと言うことを示しているのでしょうか?
ふといクリ材と陽がさしこむ明るい環境で育つ樹木をつかいわけていたことは、引きつづきクリ林の管理・維持がおこなわれていたことをうかがわせます。
縄文時代後期以降、トチノキがクリとともに、西田正視さんの言う「メジャーフード」にくわわったのかもしれません。


トチノキの実

チノキの実をアクぬきして粉にして、上新粉にまぜた栃餅。
たべた後、しぶみをすこし感じました。
千葉県は低湿地遺跡の調査では「先進地域」でした。
低湿地遺跡の発掘調査が本格化する1980年代以前に南房総市加茂(かも)遺跡(1938年)、匝瑳市多古田(たこだ)遺跡(1962年)などが調査されています。
千葉市内でも昭和23年(1948)に花見川下流の低湿地に位置する落合(おちあい)遺跡が発掘され、泥炭層の中からカヤの丸木舟が出土しました。
このときの調査成果をきっかけに、昭和26年(1951)には植物学研究者の大賀一郎(おおが・いちろう)さんが発掘をおこない、泥炭層から見つけたハスのタネの発芽に成功して、今日の「オオガハス」につながります。
「オオガハス」の年代を知るため、丸木舟をリビーさんが確立したばかりの放射性炭素年代をはかり、約2千年前と言う結果が出されています。

昭和22年(1947)、燃料用に採掘していた泥炭の中から丸木舟(まるきぶね)と櫂(かい)が発見され、落合遺跡の存在が知られるようになりました。
その後の発掘調査で丸木舟とともにハスの実が出土します。
(画像は千葉市郷土博物館所蔵)

大賀さんによる調査の風景・・・泥炭をあらってタネをさがしています。
(画像は千葉市立郷土博物館所蔵)
今年度も引きつづき特別史跡加曽利貝塚をとおして考古学とはなにか、考古学がどう考えてきたのかを紹介してまいります。
縄文時代後期以降の木組遺構は、各地の遺跡で確認されています。
遺跡出土の樹木など植物質遺物を研究する能城修一(のしろ・しゅういち)さんは、縄文時代の木組遺構につかわれた樹木の種類・太さ・樹齢などの関係から、当時の森林利用のあり方にせまっています。
栃木県寺野東(てらのひがし)遺跡、埼玉県寿能(じゅのう)泥炭遺跡や赤山陣屋跡(あかやまじんやあと)遺跡では、使用された木材の50パーセントから80パーセントがクリ材でした。
西田正視さんらが指摘したように、自然林ではクリが優勢な樹種にならないので、これだけたくさんのクリの木を自然林からさがしてそろえるのは、かなりむずかしいと考えられます。
ここからも、縄文時代の人びとが落葉広葉樹林の中でクリの木が優勢になるよう、クリの木に適した環境に「管理」していたと考えられています。
他方、東京都下宅部(しもやけべ)遺跡の木組遺構では、クリ材は50パーセントを下まわり、ヤマグワやウルシなどの落葉広葉樹と組み合わされていました。
現在の落葉広葉樹林、樹木の特性から見て、クリ以外につかわれた樹木は、日当たりのよい林、つまり光がさしこむ二次林、落葉広葉樹林の中、あるいはそのまわりに育つ樹種です。
また、樹木の太さは直径10センチメートルほどのものをおもにつかいながら、骨組となるクリ材には直径90センチメートルのものをタテに割るなどしてつかっています。
このような木材のつかい方は、縄文時代の人びとの身のまわりにクリを中心とした二次林があり、その中に育ってきたクリ以外の樹木も計画的に利用していたことをうかがわせています(能城修一・佐々木由香「遺跡出土植物遺体からみた縄文時代の森林資源利用」『国立歴史民俗博物館研究報告』第187集2014)。
樹木、林のつかい方は、集落のいとなみにもかかわっていたと考えられています。
考古学研究者の荒川隆史(あらかわ・たかし)さんは、新潟県青田(あおた)遺跡の発掘調査成果にもとづいて森林管理の方法を具体的に復原しています。
青田遺跡は、低地上に立地する縄文時代晩期の集落跡ですが、低地にいとなまれたため建物跡の柱穴の中に柱材がくさることなく残っていました。
その柱材の年輪による年代測定をおこなったところ、集落が50年ほどの空白期をはさんでいとなまれていたこと、それぞれの集落は10~20年間ほどいとなまれたことがわかりました。
そして、最初の集落で柱材につかわれたクリは全体の25パーセントだったのが、ふたたび集落をいとなまれときには42パーセントにまでふえていました。
また、クリ材は大形の建物跡の柱材につかわれ、その年輪は10年から61年でしたが、ふとさは直径15センチメートルから28センチメートルに集中していました。
荒川さんは、青田遺跡ではクリ林の生育期間が50年ほどであること、それとほぼおなじ50年ほどの集落形成の空白期をはさむこと、そしてその空白期のあとの集落ではクリ材の利用率がふえることから、クリ林の生育期間50年と集落形成期間10年をひとつのサイクルとして、クリ林をつくり、その資源を利用したあと集落を移し、クリ林が更新・再生するともどってくる生活パターンがあったと推定しています(「北陸の縄文晩期社会と社会組織」『季刊考古学』別冊25号2018)。
私たちは1日、1年(四季)、人の一生などいくつもの「こよみ」があって、それにしたがって生活のスタイルをかえています。
縄文時代の人びとにもさまざまな「こよみ」があって、その中には樹木の成長、林の遷移などもあったことでしょう。
特別史跡加曽利貝塚のように長期間「続いた」遺跡も、クリにかぎらずさまざまな資源のあり方にあわせて集落自体が出たり入ったりくりかえしながら形成された可能性があるということになります。
(令和3年2月の「館長の考古学日記-縄文時代のムラを考える」シリーズを思いおこしてみましょう・・・これまでの発掘調査で確認された住居跡の数や出土土器の型式変化から同時存在する住居の数をシミュレーションして、現状で言えることは「加曽利貝塚では、2,000年以上、くりかえし、土地が利用され続けていた」)

加曽利貝塚のかさなった竪穴住居跡。


北貝塚の竪穴住居跡群観覧施設でご覧いただけます。

木組遺構でクリ材とともにつかわれたイヌシデが芽ぶいてきました。


お引越し。
復元住居編でもご紹介したように、地下深く、地下水につかった状態であれば、木材だけでなく植物のタネや葉など植物質はくさることなく残ることがあります。
酒詰さんは、縄文時代の植物利用の解明を飛躍的に進めるカギとして、低湿地にある遺跡の調査に期待をかけています。
また、植物の利用が人類をふくめた霊長類の基本的ななりわいであるとして、その研究の重要性を喚起した考古学研究者の渡辺誠(わたなべ・まこと)さんは、低湿地遺跡の調査方法としての水洗選別法の有効性を指摘しています(『縄文時代の植物食』1975)。
水洗選別法については、昨年12月1日に貝塚調査での意義についてご紹介しましたが、貝塚のちいさな骨だけでなく、低湿地遺跡でも泥にまみれた植物のタネなどを見つけだすことができます。
1980年代以降、縄文時代の低湿地遺跡の発掘調査が本格化すると、タネなど植物質の遺物が多数出土し、酒詰さんや渡辺さんが予期したとおりに研究がおおきく進展します。
この低湿地遺跡でとくに注目されている調査成果が、川ぞいにもうけられた木を組みあわせた構造物です。
それにつかわれた樹木の種類や大きさ、切り方、遺構の周辺から出土した植物のタネや堅果類などから、縄文時代の植物資源の利用、特に森林資源の利用方法が具体的に明らかにされています。
千葉県でも、市川市の史跡堀之内(ほりのうち)貝塚がある台地のふもとの低湿地から木材を組みあわせた遺構が見つかっています。
史跡堀之内貝塚は縄文時代後期~晩期の環状貝塚で、特別史跡加曽利貝塚とおなじく日本考古学の黎明期からたびたび発掘され、考古学研究の発展におおきく寄与してきた遺跡です。
縄文時代中期の「加曽利E式土器」のように、ここから出土した縄文時代後期前半の土器は「堀之内式土器」と命名されています。
この史跡堀之内貝塚のふもとに位置する市川市道免き谷津(どうめきやつ)遺跡では、堀之内貝塚とほぼ同時期の木組遺構が7か所みつかっています。
これらは、木材で地面に四角く枠を組んで杭で固定し、その上にヨシズのようにほそい材をしきつめた、スノコのような構造です
ここにつかわれたおもな木材の樹種をくわしく調べたところ、ハシゴのように組んだ骨組となる木材はクリ、そのあいだをうめるようにハンノキ、コナラ、イヌシデ、トネリコといった落葉広葉樹がつかわれていました。
このように、じょうぶな骨格となる部分をクリ材、それ以外を他の落葉広葉樹の材でつかいわけていたようです(公益財団法人千葉県教育振興財団『東京外かく環状道路埋蔵文化財調査報告書5』2014)。

市川市道免き谷津遺跡の木組遺構。
ヨシズのようにしきつめられているのは、タケ亜科。

道免き谷津遺跡の木組遺構の骨組。
画像は、千葉県教育委員会様からご提供いただきました。


日本の伝統的な農村・漁村では、二次林を利用してきました。
そのような村では、集落・家や田畑など人がつくり、人がくらす世界を「里(さと)」、極相林がひろがる、通常は人が立ちいらない世界を「山(やま)」または「奥山(おくやま)」、「里」と「山」のあいだにあって人が立ちいって山野の資源を利用する「里山(さとやま)」の世界に区分していました。
この「里山」が二次林です。
考古学・人類学研究者の西田正視(にしだ・まさき)さんは、鳥浜貝塚から出土した動物・植物の研究をとおして、クルミ・ヒシ・クリ・シイの実、つまり「ナッツ」が重要な食料源「メジャーフード」であったと評価しました。
とくにクルミやクリは陽あたりのよい場所で育つことから、集落の周辺に落葉広葉樹の二次林がひろがり、さらに二次林の樹種の中でもけっして主要な樹種にはならないクリの利用が多いことから、クリの木が育ちやすくするよう人の手がはいっていた、つまり「管理」されていたと考えました。
そして、縄文時代にも「里」「里山」「山」に似た、集落を中心とした同心円状の世界と資源利用がおこなわれていた可能性をあげています(『定住革命』1986)。
「里山」では、二次林の落葉広葉樹を建築材、農具・漁具などの用材や燃料にしたほか、木の実などの食料、陽の光がとどく地面で育つ食用や薬用の草、カゴなど工芸品の材料となるツルやササなどの繊維を採集し、落ち葉や下草などを田畑の肥料にしていました。
なお、二次林を構成する樹種のおおくは、幹をあるていどの高さで切ったり、枝を落としたりしても、その切り口のまわりからあたらしい芽が出てきて再生する、「萌芽更新(ほうがこうしん)」という性質があります。
「里山」とは、このような二次林の樹木の性質を利用して、人が資源をとる「かく乱」によってある段階で遷移をとめ、その段階の資源を利用しつづける方法です。
「里山」は農村、つまり農耕社会をささえるための二次林の利用方法です。
さらに薪や木炭など「里山」の産物が都市におくりだされるなど、市場経済・貨幣経済ともつながって発達してきた資源利用のあり方でもあります。
縄文時代の二次林利用の可能性を指摘する考古学研究者は、農村の「里山」から山林の管理とその資源の利用方法のヒントをたくさんえてきましたが、縄文時代に「里山」とおなじ森林の管理方法がおこなわれていたと考えているわけではありません。
考古学では、縄文時代の森林利用のあり方を知るために、遺跡から出土する植物質の遺物をたんねんに集め、その植物がどのような環境で育ち、人がどのように利用できるのか、現在の植物や里山でつかわれた技術などと照らしあわせながら研究をすすめています。


かつて水田のまわりの台地斜面にあった二次林のなごり。

切り株のまわりかたあらたな枝が・・・萌芽更新。

「里山」からの帰り道・・・産物は食べものだけではありません・・・ほうき草(タイガーグラス)。
極相林がかく乱をうけると、植物たちの競争、遷移がはじまります。
最初は日光を好む草が芽ぶき、つづいて樹木が育っていきます。
このような極相林がかく乱されたあとに育つ樹木で構成される林、極相林にいたるまでの林のことを「二次林」とよびます。
照葉樹林を極相とする地域では、このかく乱のあとの二次林には、常緑広葉樹と落葉広葉樹いろいろな樹種が混じります。
そういう二次林を「雑木林(ぞうきばやし)」とよぶこともあります。
しかし、時間の経過とともに遷移がすすむと、しだいに照葉樹が優勢になり、照葉樹の極相林にもどることはご紹介したとおりです。
さて、この二次林を構成する落葉広葉樹には、コナラ・クヌギ・クリ・クルミなどかたいカラにつつまれた実、堅果(けんか)がなる樹種があります。
堅果は「どんぐり」または「ナッツ」とよばれ、デンプンをおおく含みます。
また、これらの樹木はかたく、建築材・土木材、木製道具の用材のほか、火もちのよい薪や木炭の原木にも適しています。
このように二次林の落葉広葉樹のおおくは、人のくらしに役立つ性質をいくつかかねそなえています。
そして、縄文時代の人びとがこの落葉広葉樹の産物を積極的に利用していた可能性が指摘されてきました。
縄文時代の植物質遺物については、遺跡に残りにくい資料上の制約がありますが、考古学研究の発展に歩調をあわせるかのように、それに関心をむける考古学研究者がふえていきました。
その研究の進展の中で、縄文時代における二次林の産物利用が言及されるようになります。
たとえば、考古学研究者の酒詰仲男(さかづめ・なかお)さんは、縄文時代遺跡から出土する動物・植物の遺体を網羅的に調べあげていく過程で、とくにクリに注目しました。
まだ縄文時代の遺跡からの植物質遺物の出土例が限られていたものの、その中でクリが出土する例が多く、しかも野生のクリは小粒なのに対して、遺跡出土のクリはおおきいとして着目しています。
そして、下草を刈り、害虫を駆除し、肥料をやるなど、クリの木を「管理」した可能性をとなえました(「日本原始農業試論」1956)。
また、昭和26年(1951)には、新聞の評論ではありますが、信州の詩人、伊沢幸平さんが東日本にかたよる縄文時代遺跡とクリの分布の範囲がかさなるとして、縄文時代「栗文化帯論」をとなえています(藤森栄一『縄文農耕』1970)。

草やぶの中からクヌギの木。

人によるかく乱後の落葉広葉樹の二次林。

どんぐりと言えば・・・コナラの実。

ちょっとしめっぽいところが好きなオニグルミ。

かなりしぶいクヌギの実。

これからの主役、クリ。
特別史跡加曽利貝塚の東、坂月川のボーリング調査の結果では、縄文時代に照葉樹がふえはじめるものの落葉広葉樹もまけてはいません。
このような状況は、ほかの縄文時代の遺跡でも確認されています。
たとえば、先にご紹介した三方湖の花粉分析の成果でも、縄文時代草創期には温暖化によっておもな樹木が針葉樹から落葉広葉樹にかわりはじめ、もっともあたたかくなる前期には照葉樹が北上してきたことがうかがえます。
ところが鳥浜貝塚の周辺では縄文時代前期後半になると、照葉樹が減少します(安田喜憲「縄文時代の環境と生業-花粉分析の結果から」『畑作文化の誕生』1988)
温暖になったといえ、気温の低下や雨の量の減少など気候の変化をくりかえしていたとみられます。
実際、縄文時代中期~後期、晩期には気温のさがった時期があったことが知られています。
加曽利貝塚のある房総半島の海沿いは照葉樹林の北限。
ちょっとした気候の変化などで照葉樹林と落葉広葉樹林がいれかわることがあったかもしれません。
また、乾燥したつめたい季節風のふく方向や、養分がすくなく乾きやすい土など気温だけでなく照葉樹が極相化しにくい場所もあったことでしょう。
これら自然環境の影響のほかに、照葉樹の拡大をさまたげる要因としてかく乱がおきていた可能性があげられます。
かく乱の原因として前回、台風や大風・大雨など気象現象を例としてあげましたが、もうひとつ、人が樹木を切りたおした、人によるかく乱の可能性があります。
なぜ、縄文時代の人びとは照葉樹林を切りたおしていたのでしょうか?
縄文時代の人びとは集落をいとなむにあたり、周囲の樹木を切りたおして家の建材にしていた、または日常生活の薪などにしていたことは容易に想像できます。
しかし、縄文時代遺跡の花粉分析の成果などは、それにとどまらない可能性を見せています。
そしてそのカギとなるのは、極相林がかく乱をうけたあとにできる「二次林(にじりん)」にあると考えられています。

突然の寒波で枯れた常緑広葉樹林。

おおきなかく乱。

ちいさなかく乱。

雪の中の落葉広葉樹・・・特別史跡加曽利貝塚にて。
落葉広葉樹は、さむくなる冬季や雨がふらなくなる乾季に成長をとめて、休眠してすごします。
この休眠期間中、葉がおちるので落葉広葉樹。
気温によって春に芽吹き、秋に落葉する広葉樹を「夏緑林(かりょくりん)」、乾季と雨季にはっきりわかれる気候で、雨季に葉をつけて乾季に落葉する「雨緑林(うりょくりん)」があります。
日本列島の落葉広葉樹と言えば、夏緑林。
他方、東南アジア大陸部内陸のサバナ気候下の雨緑林では、真夏のようなあつさにもかかわらず、乾季のかわいた風が吹くと、足もとを落ち葉の一群がふきぬけていく、夏緑林にくらす私たちからすると晩秋のような、ちょっとふしぎな光景に出くわすことがあります。
落葉広葉樹は常緑広葉樹より冷涼な気候に適応しており、日本列島では常緑広葉樹、照葉樹林より北、あるいは高いところ(内陸部)で極相林をつくります。
日本列島ではブナ科ブナ属の落葉広葉樹による極相林、「ブナ林」の名前をよく耳にします。

夏緑林と言えば紅葉。
照葉樹林のはずれで見かけた紅葉。
しかし、照葉樹と落葉樹がまじって育つ林では、落葉樹がひとやすみしているうちにも葉をしげらせる照葉樹に太陽の光を独占され、日光争奪戦にまけた日当りをこのむ植物がその場所から姿をけしていく・・・そして最後は照葉樹の極相林に行きつきます。
このように極相林にむかっていく過程で植物の種類が入れかわっていくことを、「遷移(せんい)」とよびます。
極相林と聞くと最終的に行きついた森林、そこからはもう変化しない森林のイメージをうけるかもしれません。
しかし、極相林の中でもさまざまな理由で変化、遷移がおこっています。
たとえばおおきな日影をつくっていた木がかれてしまう、台風による大風などでたおれる、地すべりがおきるなどすると、極相林の中にポッカリ穴があきます。
そのような穴があくことを「攪乱(かくらん)」とよびます。
極相林の中にかく乱がおきると、太陽の光が地表面にとどき、その場所で「よーい、ドン!」と照葉樹と落葉樹など植物どうしの競争、遷移がはじまります。
これを極相林のあちこちでくりかえすことで、森林はうまれかわっています。

冬の特別史跡加曽利貝塚。
冬でも葉が落ちない常緑広葉樹と、葉が落ちる落葉広葉樹。



冬の天然記念物「笠森寺自然林(かさもりでらしぜんりん)」。
長南町に所在する笠森寺の周辺は寺域として保護されてきました。
そのため、スダジイやアラカシなど常緑広葉樹の極相林が発達しています。


冬の県指定天然記念物「大福山自然林(だいふくやましぜんりん)」。
養老渓谷ちかくに所在する常緑広葉樹の極相林です。
白鳥神社の社域として保護されたため、房総半島南部の典型的な極相林のすがたが残っています。

房総半島南部では、丘陵の頂上に常緑樹林、その下にスギなどの人工林、ふもとに屋敷林といった風景を見ることができます。

遺跡の発掘調査でも「かく乱」ということばがつかわれます。
たとえば、竪穴住居跡に畑の耕作がおよんでこわしていると、「かく乱でこわされている!」などと、遺構・遺物がつくられたあとの時代、その中でもとくに近現代の影響を「かく乱」と表現することがあります。
その一方で、時代を問わず、遺跡がどのような過程(歴史)をたどっていまに至ったのかに関心をよせる考古学では、遺跡に残るすべての痕跡が「遺構」「遺物」であって、「かく乱などない!」という考え方もあります。
シイノキ属のスダジイ・マテバシイやアカガシ亜属のシラカシなどは、一年中葉をつけている常緑広葉樹の中で「照葉樹(しょうようじゅ)」ともよばれます。
照葉樹とは、葉があつぼったく、表面がツルツルで、テカテカにひかる木、身近な樹種にはツバキやチャノキ(お茶の木)があります。
このツルツル、テカテカにひかる理由は、葉の表面をクチクラ層というロウがあつくおおっているからです。
クチクラ層は葉を乾燥やさむさからまもるやくわりがある、つまり、照葉樹は温暖なところで一年中葉をつける常緑広葉樹の中でも、低温や乾燥につよい樹木です。
旧石器時代から縄文時代へと地球の温暖化がすすむと、日本列島では寒冷地の針葉樹から温暖地の広葉樹へと樹木の種類がかわっていきます。
さらに温暖化が進むと、南から常緑広葉樹が北上していきますが、この常緑樹北上の先頭にたつのが照葉樹です。
照葉樹は、縄文時代前期には関東地方の海沿いにまで達していたようです。
照葉樹はぶあつい葉が一年中しげっている・・・ということは、その木の下は一年中かげっています。
そのため、照葉樹がおおきく育つにつれて、光合成をするほかの植物は育ちにくい環境になる・・・その結果、照葉樹の樹木ばかりがおおきく育ち、日あたりを好むほかの樹木が育ちにくい森林になっていきます。
この照葉樹からなる森林を「照葉樹林(しょうようじゅりん)」とよび、ほかの樹種ときそいあったあとにできる照葉樹林のような「最後に行きつく」すがたの森林を「極相林(きょくそうりん)」とよびます。
縄文時代に加曽利貝塚の周辺に照葉樹がひろがってきたということは、いずれ照葉樹の極相林になったのでは?・・・なのに花粉分析の結果ではそうなっていません。
落葉広葉樹の森林もまたひろがっていた、もしかすると照葉樹林を押しかえした可能性もあります。

ツルツルテカテカ、厚ぼったい葉。

特別史跡加曽利貝塚、夏のシイノキとその木かげ。

特別史跡加曽利貝塚、冬の風景。
残念ながら、特別史跡加曽利貝塚のまわりには湖や池など水がたまる場所はありませんが、その東を流れる坂月川(さかつきかわ)沿いに低湿地があります。
川によって形成された低湿地なので、湖の底とちがい土はつもるだけでなく、流されることもあったでしょう。
しかし、縄文時代からその流れをおおきく変えることなく。ゆるやかな川であることから、縄文時代のふるい地層が残っていることが期待されます。

特別史跡加曽利貝塚と坂月川。

坂月川にむかって、まわりの台地から雨や湧き水によって土砂が流れこみ、低湿地を形成します。
そこで、昭和51年(1976)と昭和60年(1985)に加曽利貝塚に隣接する坂月川のほとりで地質学研究者の田原豊(たはら・ゆたか)さんがボーリング調査をおこない、そのサンプルから花粉の種類と量の変化をしらべています。

まず、左はしのタテながの図を見てみましょう。
地下400センチメートルより下には、砂が堆積しています。
砂が堆積すると言うことは、水のながれがはやい環境で、土の中のおおきい、おもい粒だけが残ったということ・・・かるい花粉はながされて残りにくい・・・
それよりも上、地下約200センチメートルまでは「ピート」が堆積しています。
ピートとは泥炭(でいたん)。
泥炭は、植物が枯れたあと、水につかってくさることなく地下に残った土で、これまでご紹介してきた登呂遺跡、桜町遺跡、鳥浜貝塚など低湿地遺跡で木材など植物質の遺物が残る理由とおなじです。
北海道の釧路湿原の泥炭層がよく知られています。
泥炭があるということは、水がたまる湿地があったこと・・・花粉が残りやすい環境です。
地下約200センチメートルより上になると細かい砂、そして粘土が堆積するようになります。
それまでの湿地が乾燥化したと言うことでしょうか。
つづいて花粉を見てみましょう。
このグラフ、花粉ダイアグラムでは、見わけることができた花粉を樹種ごとにその増減を右側の凹凸であらわしています。
これは個数をあらわすのではなく、その層で確認できた花粉の数のなかでその樹種の花粉が何個あったのか、わりあい、パーセンテージをしめしています。
なお、花粉統計学では、全部で200個以上の花粉があれば、その周辺の植生を代表させることができると考えられています。
このサンプルの花粉から見ると、地下約200センチメートルあたりでおおきくかわることがわかります。
下ではハンノキ属が多く、アカガシ亜属、コナラ属、そしてシイ-クリ属がつづきます。
上では、突然マツがふえ、それまでおおかったハンノキ属、コナラ属、アカガシ亜属がすくなくなります。
こうして見ると、地下約200センチメートルあたりでかわる土の質と樹木の種類がおたがいに関係しており、それをさかいにおおきな環境の変化があったことをうかがわせています。
地層の年代はどうでしょうか?
2回のボーリング調査では放射性炭素年代測定が行われ、その成果を総合して地下320~290センチメートルの層を2,310±100BPよりふるく、8,000±170BP以降に堆積したと推定しています。
そこで、この深さの泥炭層が縄文時代に堆積した可能性が高いとして、昭和60年(1985)の2回目のボーリング調査でさらにくわしく花粉分析を行っています。

その成果によると、はじめはクリ-シイノキ属とケヤキ・ニレ属がおおかったのが、しだいにコナラ属・アカガシ亜属がふえていきます。
なお、ハンノキ属は一貫して検出されていますが、ハンノキは湿地に生育する樹種であることが反映されていると見られています。
この結果にもとづいて、史跡(当時)加曽利貝塚では、昭和63年(1988)から平成5年(1993)にかけて史跡内の植栽をふくむ整備事業をおこない、いまの景観にいたっています。

湿地など水辺に育つハンノキ。

コナラの葉っぱ。

シラカシの葉っぱ。
放射性炭素年代測定の方法が確立した当初から、世界中でその測定値の誤差を修正する調査・研究がおこなわれてきました。
その方法としては、あらかじめ年代のわかるモノの炭素14を測定して、それをつなぎあわせていくことがあげられます。
その方法に適したモノのひとつは、いつ切りたおしたのかわかる樹木の年輪。
樹木の年輪は夏と冬での成長速度のちがいによって、1年で色の濃淡による2層が形成されます。
したがって、外側から年輪をかぞえていくと、切った年から何年まえという年輪が特定できます。
この年輪にふくまれる炭素14の量を計測すると、ピンポイントの年、たとえば木を切った年から何年前の炭素14の量がわかります。
これを年輪ごとに計測することで、炭素14の濃度がどのように変化していったのかつないでいくことができます。
(参考:国立歴史民俗博物館『弥生はいつから!?-年代研究の最前線-』2007)
もうひとつが湖の底にたまった堆積物、地層。
これは「年輪の地層版」の方法で、とくに水月湖の年縞はそれに適したサンプルです。
縞(しま)の数で年をさかのぼり、木の葉など生物の遺体のある層で放射性炭素年代を測定することができます。
年縞からは年代だけでなく、約45メートルにおよぶ地層の各層にふくまれる花粉化石や火山灰をしらべることで、およそ6万年にわたる気候の変化や火山噴火などの災害史を明らかにできます。
これが水月湖の年縞が世界的に注目される理由です。
それでは、海洋リザーバー現象の影響は?
これまでも海洋生物の炭素14を測定する研究が行われてきましたが、現在は地球規模の海流調査による海水の流れのシミュレーション、海域ごとの炭素量の調査にもとづいた研究が行われています。
このような方法で放射性炭素年代測定の測定値を「炭素14の経年変化」にあわせてただすことを較正(こうせい)、ただした年代を較正年代とよび、CalBPと表記します。
世界的な「水月湖の水縞」は、水月湖のおとなり、三方湖(みかたこ)沿いに所在する福井県鳥浜(とりはま)貝塚の環境復元のための調査・研究がきっかけになって発見されました。
鳥浜貝塚は、川沿いにある縄文時代草創期から前期にかけての低湿地遺跡で、昭和37年(1962)から10回にわたって発掘調査が行われ、木材、ヒョウタンなど栽培植物や漆製品など、台地の上の遺跡では残りにくいさまざまな種類の遺物が出土しています(田中祐二『縄文のタイムカプセル鳥浜貝塚』2016)。
縄文時代像をゆたかにした鳥浜貝塚の出土遺物は、重要文化財に指定されています。
現在では各地で低湿地の遺跡が発掘調査され、めざましい成果をあげていますが、鳥浜貝塚はそれに先だつ画期的な調査のひとつと言えるでしょう。

どうして樹木の年輪から、切りたおされたとき(木が死んだとき)よりふるい時代の炭素14の量がわかるの?
それは、「お前(ふるい年輪)はもう死んでいる」から(ケンシロウさんをイメージしてみました)。

この放射性炭素年代測定の原理は、1947年にアメリカの化学研究者のウィラード・リビーさんが確立し、その功績から1960年にノーベル化学賞を受賞しています。
日本でも昭和34年(1959)に縄文時代早期の神奈川県夏島(なつしま)貝塚出土の木炭・貝がこの方法で測定され、9,500年前という結果がえられています。
この年代は当時考えられていた縄文時代のはじまりを大きくさかのぼるもので、縄文土器が「世界最古の土器」として注目されました。
放射性炭素年代測定の理論的前提は、大気中の炭素14の濃度はいつもおなじ・・・だから出発点(死んだとき)の炭素14の量はみなおなじ。
しかし、放射性炭素年代測定の方法が確立した当初から、リビーさんをはじめとする化学・地球物理学研究者のあいだでは、炭素14の濃度が場所・時代によってちがうのではないか?という「炭素14の経年(けいねん)変化」へのつよい関心がありました。
実際、この方法で算出した年代には場所と時代で誤差があることがわかっています。
そしてこのことが、考古学研究者の中の「放射性炭素年代測定はだいじょうぶ?」という慎重論につながっています。
誤差が生じる原因のひとつは、大気中に一定量の炭素14があると考えられていたものが、太陽の活動の変動によって、地球にふりそそぐ宇宙線の量のちがう時代があったらしいこと。
もうひとつは、海のなかの炭素。
大気中の二酸化炭素は水・海水にも溶けこみ、たまっていきます。
これを海洋リザーバー効果とよびますが、近年、この現象は地球温暖化対策という視点から「ブルー・カーボン」などと呼ばれて注目されています。
海中の炭素14は、植物性プランクトンが光合成のために取りこみます。
そして地上のたべてたべられてとおなじ関係が海の中でもくりひろげられることで、海の生物の中でもおなじ炭素14が共有される・・・はずです。
しかし、実際には海にとけたこんだ炭素14の中には植物プランクトンに取りこまれることなく海流によって光がとどかない深海にはこばれ、そこで崩壊していくものもあります。
そしてそれがながい時間をかけた海水の循環によって、ふたたび浅い海にもどってくる・・・
そうなると海の浅いところにも深海からもどってきた「ふるい海水」があるなど、海の深さや深海からの海流がふきあがる場所・海域によって炭素14の量がちがうことになります。
つまり、おなじ時代であっても海の生物はその生活の場所によって体内に取りいれられる炭素14の量がちがう、さらに陸の生物ともちがうことになります。
そのため、海洋生物やそれをおおくたべた人・動物の放射性炭素年代を測定すると、海洋リザーバー効果の影響で、実際よりも数百年ふるい年代測定値がでてくることがあります。

海はひろくて深い。

砂浜でみつけたちいさな貝塚?
これは自然現象?だれかがたべたあと?あそび?宗教儀礼のあと?それとも・・・?
どうすればそれに迫ることができるのでしょうか。

前回ご紹介したとおり、地層の年代は木の葉など生物の遺体の放射性炭素年代でもとめています。
地球の大気上空では、宇宙線が窒素に衝突して原子核の構造が変化することで、炭素14という原子核が陽子6個・中性子8個からなる炭素(合計14個で炭素14)がつくられます。
大気上空でできた炭素14は、酸素と結びついて二酸化炭素になり(これを酸化とよびます)、大気中を循環します。
地上の植物は、大気中の二酸化炭素を吸収して光合成をして成長します。
二酸化炭素として炭素14は植物の中にはいってたくわえられ、その植物を動物がたべると、炭素14もまた動物の体内に取りこまれます。
さらに植物をたべた動物をほかの動物がたべると、またまた炭素14がその動物の体内に取りこまれます。
このたべてたべられての食物連鎖(しょくもつれんさ)によって、大気中にあった炭素14は地球上の生物みんなの体内にひろがり、共有されていきます。
そして、植物も動物も死ぬと、あらたな炭素14は体内に入ってきません。
この炭素14の原子核は、宇宙線が衝突してできた不安定な構造であるため、安定した構造にもどろうとします。
そして、原子核の中性子を陽子に転化させることで安定化させますが、このときに放射線(ベータ線)が放出されます。
このように、原子核がベータ線をだしながら変化(ベータ崩壊)する炭素14を「放射性炭素」とよびます。
放射性炭素は原子核が崩壊して窒素にもどっていくので、時間の経過とともに減少していきます。
その減少の速度は、5,730年で半分の量になることがわかっており、この時間の単位を半減期(はんげんき)とよびます。
理論的にはエネルギーを放出してこわれていく炭素14の量と、大気上空でつくられる炭素14の量はおなじため、大気中の炭素14はいつも一定の濃度であるとされます。
この原理にもとづいて、地層や遺跡からでてきた生物の遺体の中の炭素14の量を計測することで「何年前」という数字を計算するしくみが、放射性炭素年代測定です。
つまり、生き物はみな、炭素14という死ぬと動き出す時計をもっていることになります。
なお、この放射性炭素年代をあらわすとき、たとえば1,136BPとしたばあい、1,136年は西暦年ではなく、1950年を基準点に1,136年前という意味です。
この方法だけでピンポイントの西暦何年などをしめすことができるわけではありません。
(参考:国立歴史民俗博物館『弥生はいつから!?-年代研究の最前線-』2007)

炭素14の不安定な核の中性子が陽子に転化することで窒素14にもどって安定化します。
このとき、放射線が放出されます。

大気中の炭素を吸収した植物をたべて・・・


たべられて・・・

たべて・・・ウシもヒトもイヌも、みないっしょの炭素14を共有します。
植物の花粉は、つよい酸にもとけないじょうぶなかたいカラにつつまれており、土の中でもくさることなく残ります。
そこで、地層の中に残る花粉の種類をしらべてその数をカウントすると、その地層が堆積した時代の自然環境を知る手がかりになります。
とくに時間が連続してつもった地層では、それぞれの層で花粉の種類や数がどのように変化していったかをたどることができ、その場所の環境の変化を復元することができます。
この「時間が連続してつもってできた地層」としてもっとも適しているのが、周囲から土や花粉が流れ込んでたまる湖やおだやかな内湾などの底の堆積物です。
深い湖や海の底には、雪がつもるようにプランクトンや陸地から流れこんだ砂、落葉などがしずかに堆積していくため、ながい年月のあいだに連続した地層が形成されます。
このような地層をつらぬくようにボーリングでぬきとると、下に行くほどふるい一連の地層のサンプルを手にいれることができます。
その地層サンプルの中に、年代がわかるものがあれば、その地層が堆積した時代がわかります。
この年代がわかるものとは、落葉など生物の遺体です。
どうして落葉など生物の遺体から年代がわかるのか?
それは落葉から放射性炭素年代(ほうしゃせいたんそねんだい)を測定することができるから。
ただし、うまく地層サンプルのすべての層の中に落葉が入るわけではないので、運よく落葉が入った地層の年代を測定して、その間の地層の年代は年代のわかる上下の層との位置、堆積の状態などから推測されます。
しかし、まれに条件にめぐまれると、木の年輪のように土砂が規則的につもる湖や内湾があり、そこでは正確な年代を知ることができます。
このような地層サンプルの代表が福井県「水月湖(すいげつこ)の年縞(ねんこう)」や大分県「別府湾の年縞」です。
とくに水月湖は、山にかこまれ、大きな川が流れこまないことから、湖底が水の流れで乱されることなくしずかに砂やホコリ、プランクトンなどがたまりつづけ、その地層は世界的にも注目されています。
なお、年縞とは、夏と冬で堆積物の種類がちがうことから、1年で2枚の層が毎年くりかえし堆積し、その地層がしま模様になる現象をさします。

福井県水月湖年縞の掘削
出展:福井県年縞博物館年縞アーカイブ

年縞のできるしくみ。
出展:福井県年縞博物館年縞アーカイブ

水縞ステンドグラス(水縞のサンプル)
出展:福井県年縞博物館年縞アーカイブ

福井県年縞博物館
出展:福井県年縞博物館年縞アーカイブ
当館では、1月8日から加曽利E式土器に焦点をあてた「これもE、あれもE」展を開催!(会期は令和4年3月6日まで)
「これも展示、あれも展示」と、何でも特別史跡加曽利貝塚の展示と言うこの日記、今度は何を「これも展示」と言いはるのか?
加曽利貝塚博物館では、特別史跡加曽利貝塚を史跡公園として整備し、公開しています。
復元住居が史跡整備構想・計画によってたてられたことは以前ご紹介しましたが、それだけでなくさまざまな整備がおこなわれています。
この史跡整備構想・計画は、縄文時代の景観をできるだけ復元するとともに、現地で生活・生産・交易・祭祀などの様相がイメージされるように、関連遺構の復元などによって、遺跡そのものを展示する「屋外博物館」として整備することを目ざしていました(後藤和民「加曽利貝塚の整備計画」『加曽利貝塚博物館20年の歩み』千葉市立加曽利貝塚博物館1987)。
そして、この「縄文時代の景観を復原する」という計画(『史跡加曽利南貝塚整備基本設計』1986)にもとづいて、昭和63年(1988)から木々を植え、いまの「林」の景観にいたっています。
つまり、史跡公園敷地内の木々は屋外博物館の「展示」です。
現在、北貝塚・南貝塚をめぐってナラ、クヌギ、クリなど、両貝塚のあいだにシイ、坂月川をのぞむ斜面にはオニグルミやハンノキなどが植えられています
このような樹木をえらんで植えたのには、理由、根拠があります。
それは花粉です。
あの花粉症の原因、花粉です。
まだ花粉症ということばがそれほど一般的ではなかったころ、花粉症の知人から「花粉症になると、とんでいる花粉が見えるようになる!」と言われ、「うらない師でもあるまいし」と思ったことがありましたが、それほどちいさなモノから特別史跡加曽利貝塚の林は復元されました。
ちなみに、10年ほど前に花粉症デビューしましたが、いまだにとんでいる花粉が見えたことはありません。

昭和40年(1965)ころの加曽利貝塚。

昭和47年(1972)ころの加曽利貝塚。

平成6年(1994)ころの加曽利貝塚。

そして、最近の加曽利貝塚。
昨年度のこの「考古学日記」ではいくつかの動画を紹介しています。
それらはユーチューブでご覧いただくことができます。
その中の1本、「ラオスの音2村のおまじない」は、家の中でのおまじないの声・音を外で採録したものです。
家の中でいったい何をしているのか、気になりませんか?
どんなおまじないが行われているのか、それをうかがうことができる映画をご紹介しましょう。
それは、クリント・イーストウッドさん監督・主演の2008年公開「グラン・トリノ」です。
その舞台はアメリカ北西部のまち。
「いまどき」価値観をもつ息子家族に反発しながらひとりぐらしをはじめた「ポーランド系」アメリカ人男性が主人公。
題名は、1970年代にアメリカで製造された自動車の車種名で、その自動車が縁ではじまった、主人公ととなりに越してきた移民姉弟との交流を描いた作品です。
この移民とは、東南アジア大陸部の北東部にくらす「モン」という人びと、「村のおまじない」とおなじ人びとです。




「モン」のお正月行事・・・まり投げ
映画の舞台はアメリカの住宅地でありながら、小道具のこまかいところまでこだわってそこでくらす「モン」の人びとが描かれています。
その中にあの「おまじない」のシーンがありますので、機会があればご覧ください。

音の正体
ところで、主人公はとなりの家族が「モン」であることを神父から聞いてはじめて知るのですが、その「モン」家族の姉との会話で、どうして東南アジアの「ハモン」がアメリカにきたのかとたずね、「モン」と訂正されるシーンがあります。
主人公はなぜ「ハモン」と言ったのか?
この「モン」の発音を表記すると、Hmong。
東南アジア大陸部には「先住民」ともされる別の「モン」(月曜日)とよばれる人びとがおり、日本の研究者はそれと区別するため「フモン」「モン(グ)」と表記することがあります。
弟が気にしている「モン」の娘さん・・・主人公はここでもなまえをたびたびまちがっては訂正され、最後はめんどうになって勝手になまえをつけてしまう。
がんこおやじの聞きまちがえ、思いこみですませてしまう場面です。
でも、日常的にLとRやSIとSH、NとNGといった音声のちがいにむとんちゃくだと聞きのがす「モン」のHの「音」も、こういう音声に敏感な言語の話者には「聞こえる」のだろうか?脚本家はどういう意図で主人公に「ハモン」と言わせたのか?などと考えさせてくれます。
ここでは「モン」だけでなく、「イタリア系」、「アフリカ系」、「アジア系」、「ムスリム系」などの人びとも登場して、最後は病院で主人公自身も看護師さんから自分のなまえをよみ「まちがえ」られます。
ことば・言語のむずかしさ、ふしぎさ、そして世代、宗教、職業などをまたぐさまざまつながりの描写から、文化、「民族」とは何か、ちょっと考えさせてくれる作品です。
今年の日記は、しめくくりも考古学と「無関係な」お話になってしまいました。
来年は脱線しないようにこころがけます。
それではみなさま、よいお年をおむかえください。

特別史跡加曽利貝塚では、復元住居の屋根のカヤを乾燥するため、当館のボランティア・ガイドが開館日のほぼ毎日、内部の炉で薪を燃やしながら維持・管理しています。
復元住居の中で火をたくことによって、その熱が屋根材のカヤを乾燥させ、ススがカヤについて保護します。
加曽利貝塚の竪穴住居の構造がどうだったかははっきりしていませんが、復元住居の中にこもった、ちょっとしめっぽい煙とススのにおい、これは縄文時代の人びとがかいだにおいとおなじでは?
一般的に博物館では、モノ(展示資料)やパネル、映像など視覚にうったえる展示を中心に、音声など聴覚、そして現在は感染症予防対策でむずかしくはなってはいますが、手でさわる、触覚にうったえる展示があります。
しかし、博物館のなかでのにおい、嗅覚にうったえる展示はさまざまな理由からやりにくい・・・
その中で、日常生活の中から囲炉裏やカマドがなくなったいまの日本では、復元住居の中のにおいは、りっぱな「嗅覚の展示」ではないかと思います。


竪穴住居に「つり棚」があったのか、はっきりしたことはわかっていませんが、縄文時代の人びとも煙やススとはつきあっていたはず。
でも、そもそも「つり棚」があったか、なかったかなんてささいな、どうでもいいことでは?
火のたき方とか、火事にならないくふうとか、自分の家でつかう道具やたべものの保存、煙やススとのつきあい方など、おおきな建物をたてる、とおい場所のめずらしい品々をやりとりする縄文時代の文化・社会を解明するうえで、ごくちいさな、とるにたらないことでは?
それでも気になってしまうのです、「ススの考古学」が。
捜査本部の方針とちがう捜査をする刑事のセリフ、「ちいさなことが気になってしまう、わるいクセがありまして・・・」と言ったところでしょうか(水谷豊さんをイメージしてみました)。
そう考えはじめると、つぎは「柴(しば)かりの考古学」、「水くみの考古学」・・・
これらはどれも人が生きていく上で、あたりまえの行動、ごくふつうの日常生活のひとコマ。
これらの行動は、人が生きていくための「あたりまえの」行動、とても「個人的な」行動であるがゆえに、その社会がおおきく、複雑になるほどちいさなことに見えるかもしれません。
しかし、どんなにおおきなお墓やりっぱな神殿をつくる社会であろうと、宇宙にロケットをうちあげる社会であろうと、このような行動があってはじめてなりたっています。
そして、これらがいかに社会的・文化的ないとなみであるか、私たちも停電や断水などで思い知らされています。
そうであれば、たとえば縄文時代の人びとが薪をどこでどれだけ、だれが、どうやって、どういう道具をつかって手にいれていたのか、燃やしたススや灰は利用していたのか、こういった人の行動・活動もまた、文化・社会につながっているはずです。
おなじく水は?
考古学的には、特別なイベントよりも、あたりまえの、日常の行動を復元することのほうが意外とむずかしいことがあります。
だから、ここで火をつかっていた、燃やしていた、水をつかっていたことがわかればそれで十分という考え方があるかもしれません。
それでも、あたりまえとされる行動・活動にも目をむけ、それらをたどり、たばねてあわせていくことは、よりたしかな社会・文化像へとみちびいてくれることでしょう。
そして、そういうアプローチができる可能性をもっていることこそが、モノを研究対象にする考古学の大きな特徴、強みではないでしょうか。





ここまで紹介したのは、いわゆる農耕社会における火・ススとつり棚の例です。
そして、それはカヤ(草・葉)ぶき屋根の家での例です。
そこでは、防火のほか、その家がつかう道具の乾燥やたべものを保存するため炉の熱と煙・ススが利用されていました。
それでは、土屋根の家ではどうでしょうか?
御所野遺跡の竪穴住居焼失の実験で指摘されたように、土屋根は火事になりにくい。
そうであれば、土屋根では防火としての「つり棚」の意味はない?
20世紀代までシベリア、カムチャッカ、北千島、北アメリカ大陸にかけてきびしい寒さの冬をすごすため、土屋根の竪穴住居がつかわれていました。
それらに考古学・建築史研究者が関心をむけてきたことは、復元住居編でふれたところです。
その考古学・建築学が参考にした竪穴住居の記録・民族誌には、竪穴住居の図面やスケッチ、写真の記録はありますが、炉やその上の天井が具体的にどうだったのか、記録を見つけることはできませんでした。
ところで、その民族誌の中には、炉の上、屋根の中央に穴があって、炉の横にたてたハシゴをつかってそこから人が出入りする竪穴住居がありました。
つまり炉の上の天井に出入口があり、人が出入りするときは煙のため、息をとめて一気にハシゴをのぼりおりしていたと記録されています(武藤康弘「民族誌からみた縄文時代の竪穴住居」『帝京大学山梨文化財研究所』第6集、佐藤浩司「民族誌からみた北東アジア・北アメリカの竪穴住居」『先史日本の住居とその周辺』1998)。
このような構造であれば、炉の上のつり棚は人の出入りのじゃまになりそうです。
その一方で、狩猟採集民の食料貯蔵に注目したフランスの人類学研究者、アラン・テスタールさんは、カナダ・バンクーバー島で家がまるで巨大な倉庫のように、屋根の下に干した魚などをたくさんたくわえていたという、アメリカの文化人類学研究者、フランツ・ボアズさんによる民族誌を引用しています。
北アメリカ大陸北西部では、季節的に集中してたくさんとることができるサケなどを干して冬にそなえていましたが、そのような干ものを家の中でも炉の熱と煙で乾燥、スモークすることで長期間保存しようとしていたようです(山内昶訳『新不平等起源論』1995)。
ここで思いだされるのは、10月9日にご紹介した長野県藤内遺跡からまとまって出土したクリの実・・・考古学研究者で当館の元館長、堀越正行さんは、この事例から縄文時代の食料貯蔵の方法として、竪穴住居の炉の上、天井(火棚)にクリの実などを保存していた可能性をあげています(「小竪穴考(4)」『史館』9号1977)。

史跡御所野遺跡冬の風景
(出展:JOMONACHIVES一戸町教育委員会撮影)

特別史跡加曽利貝塚雪の風景
炉の上やつり棚で乾かす、日常のたべものを保存することをご紹介してきました。
最後は「かわりだね」をご紹介します。
まずは土製品(どせいひん)。
文字どおり、土(粘土)でかたちづくられたもの。
これは羽口(はぐち)とよばれる製鉄炉の中に空気を送りこむための土管(どかん)。
つり棚の上で乾かして、じょうぶにしています。
ちなみにナベ・カマにする土器のような最後に焼きあげる土製品は、こういう方法で乾かすことはありません。





つぎは塩。
レンガのように焼きかためた塩のかたまりをバナナの葉でつつみ、つり棚の上で保存していました。
長いあいだつり棚の上においておくと、外はまっ黒に。
でも葉につつまれた中身は白い塩のまま、「永久に」と言うくらいながく保存できるそうです。





1年ちかくつり棚の上でいぶされ、つつんでいる葉が黒くなった塩のかたまり。

いまでは市販のポリ袋入りの塩(青魚印)が一般的につかわれていますが、そのおき場は「つり棚」の上。
貝塚はその名前のとおり貝がらがたくさんつもった遺構ですが、その中からは魚や動物の骨なども出土することはみなさまもご存じのことでしょう。
当館の常設展示でも特別史跡加曽利貝塚で出土した骨の一部をご覧いただくことができます。
このような骨からは、縄文時代の人びとがどのような食べものを、どのような方法で得ていたのか、資源の開発・利用、そしてそれを基盤とした社会のあり方を知ることができます。
発掘調査は、人がおこないます。
そこでは通常、発掘する人が見えた、認識したモノを遺物として記録し、とりあげていきます。
これは土器も石器も、そして骨もおなじです。
しかし、ちいさなモノ、とくに骨はバラバラになる、こわれるなどして土の中にちらばると見えにくくなります。
おおきな動物や魚にもちいさな骨がありますが、さらにちいさな動物・魚になると、その骨は土の中でますます見つけにくくなります。
このことは、茨城県上高津(かみたかつ)貝塚の発掘調査ではっきりしめされました。
貝塚出土の骨を目で確認できるものを取りあげていくと、たとえばクロダイのアゴの骨では、おおきいもの(約1センチメートル以上)にかたよります。
アゴの骨のおおきさからクロダイの全長を復元することができるのですが、この結果では、縄文時代の人びとが体長20~40センチメートルのクロダイをねらってとっていたという解釈ができます。
しかし、残った土をフルイにかけると、1センチメートルより小さい骨もみつかります。
その結果、体長20センチメートルよりちいさなクロダイもとられていたことがわかりました(小宮孟・鈴木公雄「貝塚産魚類の体長組成復元における標本採取法の影響について-特にクロダイ体長組成について-」『第四紀研究』16巻2号1977)。
つまり、発掘調査では目に見えやすいモノ以外にも、土にまぎれて見のがしてしまうちいさなモノが出土している・・・これをサンプリング・エラーとよびます。
現在、当館で開催中の「市原市祇園原貝塚-千年続いたムラ」展(会期は令和3年12月5日まで)では、通常ならば見のがしても不思議でないほど、ちいさな動物や魚などの骨を展示しています。
これは、祇園原貝塚で貝塚の土をすべて水で洗ってフルイにかける「水洗選別(すいせんせんべつ)」という発掘調査方法を実施した成果の一部です。
この調査方法によって、ネズミやスズメ、カエルなどの小動物、イワシやフナなどのちいさな魚の骨のほか、カニ、ウニなども確認されました。
これらすべてがたべてあとの骨かはさておいて、ここからは祇園原貝塚が当時どのような環境にあって、その中の資源をどのように利用していたか、うかがうことができます。
この方法では、骨だけでなく、ちいさな玉などのアクセサリー類もみつけることができました。
本展示の会期もあとわずか!(12月5日まで)
ぜひ、この機会にご覧ください!



なお、当館の常設展示でも水洗選別法を紹介していますので、あわせてご覧ください。



(2009年撮影)
「とんかつはロース派?ヒレ派?」
「豚肉と言えばあぶら身のうまさ、ロースでしょう!」
「でも、健康診断の数値が・・・とんかつはコロモをはずして、あぶら身は切りはなしてからたべなさいと言われたらどうしよう・・・」
なんて会話をいまではふつうにしていますが、かつて肉は何か大事な節目の行事・「ハレ」など、特別なときにたべるものでした。
いまでも山間の農耕社会では、お正月のような年中行事、結婚式などの儀式でブタやニワトリなどの家畜の肉を、また田畑のお仕事のあいまにおこなう狩猟でえものがあったときに、肉をたべます。


肉は、注目のまと。


精霊(せいれい)のお食事はバナナの花やイモ、青菜のスープ、そして肉。

精霊が食事をすませると、肉は人がいただきます。

おわかれの儀式のあとの宴会にも・・・


肉料理は欠かせません。
こういうときは、村・親類・ご近所でわけあって食べきることがおおいのですが、その一部を保存することもあります。
肉の保存でも炉の上で肉を乾燥、いぶしてくんせいにする方法があります。
こちらはお正月料理のため、解体したブタの部位を炉の上で乾燥、煙でいぶしながら保存しています。
ブタの肉のかたまり・内臓・皮と、バナナの葉で肉を包んだいわゆる「ソーセージ」をいぶしています。
葉に包まれたソーセージは中身が発酵して、すっぱい味になります。

あぶら身は人気のある部位ですが、いたみやすいので、煙でいぶしても保存期間は限られます。
あぶら身はお湯で煮て、浮いたあぶらをすくいとって保存し、炒めものやスープなどにいれます。
鍛冶屋さんでも、刃物の刃をじょうぶにする「焼きいれ」という処理の中で、このようなブタのあぶらに熱した刃をいれてゆっくり冷ますという方法がありましたが、いまは市販のエンジンオイルがつかわれています。
ちなみにブタの内臓脂肪はとてもおいしい・・・でもそれとおなじものがじぶんのおなかの中にあると思うと、とてもおそろしい。
最後に、小さな動物は・・・


(2014年撮影)
魚はどうか?
魚を干して保存することはありますし、海の産物も干ものとして市場などで売られています。
ただし、この地域ではおもに魚をまたべつの方法で保存しています。
それについては、機会をあらためてご紹介しましょう。

竹カゴ・ザルの話題から現在、当館で開催中の「祇園原貝塚展-千年続いたムラ」展へ。
縄文時代の容器と言えば、縄文土器。
でも、土器以外にもいろいろな容器があったことが想像され、そのいくつかは実際に遺跡から出土しています。
そのひとつが植物のつるや皮、繊維で編んだカゴ。
このような植物質の繊維を編む技術があったことは、土器を焼く前の底にはりついた編みものの痕跡によって、はやくから知られてきました。
そして、植物質のモノがくさりにくい低湿地遺跡の発掘調査がすすむと、カゴそのものが出土し、その実態がはっきりしてきました。
その代表的なものは、縄文時代早期(約7千年前)の佐賀県東名(ひがしみょう)遺跡から出土した多数のカゴや、青森県三内丸山(さんないまるやま)遺跡の縄文時代前期(約5千5百年前)の地層から出土したクルミ入りの「縄文ポシェット」などがあります。

三内丸山遺跡縄文ポシェット
出典:JOMONARCHIVES(三内丸山遺跡センター所蔵)
さて、市原市祇園原貝塚では、編み目がついた土器の底だけでなく、あきらかにカゴのかたちをまねした土器が出土しています。
通常、台地の上の遺跡からは植物質の遺物がそのまま出土することはありません。
その中で、それをまねた土器が出土していることはとても貴重です。
そしてその造形のなんとリアルなことか!
「縄文バスケット」です。
現在、このカゴ形土器は、当館で開催中の「祇園原貝塚-千年続いたムラ」展(会期は、令和3年12月5日まで)でご覧いただけます。


祇園原貝塚の「縄文バスケット」形土器



こちらはつり棚の上にさいた竹のたばと竹かご。
さいた竹は竹かごの材料や、ヒモあるいは輪ゴムようにたばねたり、結びつけるのにつかわれます。
竹かごもつかったあとは炉の熱でかわかし、煙でいぶしてじょうぶにします。


竹カゴの材料づくり。

竹のひも。

いぶした竹であんだカゴ・・・いぶして黒くなった竹とそうでない竹をくみあわせて格子目(こうしめ)にあんでいます。

火をたいたときの室内・・・人もからだじゅう煙でいぶされます。
ここでは、つり棚の上にカゴ・ザルをおいていぶし、乾燥させています。

下半分が煙でいぶされた竹カゴ。
いぶし方によっては見た目もきれいに。
こちらはちょっとわかりにくいかもしれませんが、まっ黒なまるいもの・・・ヒョウタン。
竹筒やヒョウタンなど水をはこぶ容器を乾かし、ススでの防水効果をたかめてじょうぶにしています。




この「つり棚」では、上の段にさかさにおいたヒョウタン、下の段にはトウガラシ。
この画像、モヤがかかったようで見にくい?
撮影者のウデがわるい?
たしかにそれはありますが、このモヤの正体は空中にただよう灰やスス。
早朝、お台所の暗やみの中でストロボ撮影したところ、室内を舞う灰・ススに光が乱反射して、モヤがかかったようになりました。
おなじようにススが写りこんだ画像をもうひとつ。

調理のときにおおきく火を燃やすと、このようにススが舞いますが、このススが屋根の下地やカヤにつくことで、じょうぶにしてくさりにくくしています。
つづいて「つり棚」におかれるモノ・・・
薪が燃やすとでる煙・・・この煙の正体は燃えきれていない炭素のつぶ、ススです。
このススにはモノがくさることをふせぐ効果、防腐効果があります。
炉の火による熱でモノを乾かす効果と、ススによる防腐効果・・・
これらの効果を利用するため、「つり棚」はなくても、炉の上にさまざまなものがつるされます。
ここでつるされているのは、ほそいイモ・・・キャッサバのたばです。

こちらはつり棚より上にトウモロコシ、稲穂、つり棚上にほそくさいた竹のたば。

通常、モミやトウモロコシなどの穀物の保存は屋外で日光にあてて乾かす天日干しをしますが、いそいで乾燥させたいとき、じゅうぶん乾燥させたいときは炉の上やつり棚におきます。
その理由は、確実に乾燥させて保存するため、あるいは脱穀しやすくするため。
鳥越さんと若林さんの雲南省における調査でも、天候がめぐまれず、モミをじゅうぶん乾燥できないときは、つり棚の上で乾かしているところが確認されています。




アクセサリーも天日干し。
粘土は乾燥するとかたくなります。
でも、水をあたえるとまたやわらかくなります。
粘土は非常にこまかい鉱物の粒があつまったものです。
その粒のあいだに水がはいると、粒が動きやすくなり、やわらかくなります。
しかし、これに500度以上の熱がくわわると鉱物が化学変化をおこし、鉱物どうしがつながり、固定します。
そうなると、水をあたえても鉱物の粒のあいだに水がはいらず、もとの粘土にもどることはありません。
粘土のこうした性質を利用してつくられた道具が、土器です。
イギリスの考古学研究者、ゴードン・チャイルドさんは、土器を人がはじめて化学変化を利用してつくった道具と言っています(ねず・まさし訳『文明の起源』1951)。
しかし、あまりにも高い温度になると粘土、鉱物がアメのようにとけだします。
このとけない限界の温度を粘土の耐火度(たいかど)とよびます。
おなじ「粘土」と言っても、それを構成する鉱物の種類によって耐火度がちがいます。
一般的に海の底で堆積した地層が隆起してできた房総半島の粘土は、耐火度がひくめと言われています。
前回、縄文土器のつかい方で、薪を燃やしてできるオキがもっとも安定した高温になることをご紹介しましたが、土器を焼くときもこのオキ火を利用していたと考えられています。
オキ火の温度は、通常約800度で1,000度をこえることはありません。
それでは、現在当館で開催中の「祇園原貝塚-千年続いたムラ」展(会期は令和3年12月5日まで)で展示されているこちらの縄文土器をご覧ください。
土器のくびの破片ですが、何か変?!
ゆがんでいる?色が変?表面がブツブツ、ザラザラ?

粘土が高温でとけはじめると、表面が沸騰するように泡だって、ブツブツ、ザラザラになり、
さらに高温がつづくと、とけたアメ、ガラスのようにグニャリと曲がったりします。
祇園原貝塚の土器はまさに、そのとけだそうとした土器です。
この土器につかわれた粘土がとけだす温度をしらべたところ1,000~1,200度、オキ火より高温です。
通常、薪を燃やしてはこのような高温になることはありません。
そのため、熱でとけた粘土は、青銅や鉄などの金属を加工しはじめる弥生時代以降の遺跡で見つかるようになります。
そこでは木炭を燃料にしてわざと空気を送りこんで燃やすことによって、炉の中を粘土がとけるほどの高温にしています。


熱で変色し、ブツブツ、ザラザラになって(上半分)、とけはじめた製鉄炉の壁(下半分)。
祇園原貝塚のとけかけた土器が出土したのは、最大のながさが18メートルになる竪穴住居跡で、ここからは壁ぞいに焼けて赤くなった土、炭化材、そしてけものの骨もたくさん出土しています。
竪穴住居の中がまるでカマドのようになっていたのでしょうか?
この竪穴住居で何をしていたのでしょうか?
これもまた、祇園原貝塚のなぞのひとつです。

炉の火のあつかい方となると、縄文時代の炉ではどうだったのでしょうか?
火そのものは消えてなくなりますが、その痕跡は縄文土器の表面に見ることができます。
考古学研究者の小林正史(こばやし・まさし)さんは、縄文土器の表面に残る火をうけた痕跡と、実際に複製土器を煮炊きしてできる痕跡をくらべる実験的な研究を行っています。
その結果によると、炉の中においた土器のまわりで薪を燃やした後にできる赤く熱したオキを土器のまわりに寄せ、そのオキ火の高温で加熱していたことがわかりました(「鍋の形・作り方の変化」『モノと技術の古代史-陶芸偏』2017)。
土器製作技術研究者の戸村正巳さんによると、縄文時代においてもっとも安定して高熱をだす熱源がオキであり、縄文土器を焼くときも、薪が炎をあげて燃えたあとにできるオキ火の高温で焼き上げるようコントロールするのかがコツとのことです。
そうであれば、縄文時代に人びとは「オキ火づかい」の達人といったところでしょうか。
日常生活の燃料としての木が貴重な資源で、それをあつめるにはたいへんなエネルギーが必要です。
燃料としての薪のエネルギーを最大限、効率的にひきだすこのような火のあつかい方は、それに適した方法でしょう。
ただし、炉の中で薪をオキにするために、最初は土器のまわりに薪をくべ、おおきな炎をあげて燃やすので、そのときは火の粉があがるなど火災のリスクはたかまるかもしれません。


加曽利貝塚出土「加曽利E式土器」の火をうけた痕跡。
黒い帯がススの痕跡、その下の白く変色している部分がもっとも高温にさらされていた部分とみられます。
小林さんがおこなった縄文土器の使用実験によると、最初、土器の外側に薪からでた燃えきらない炭素の粒・ススがつきますが、その後、安定して高温のオキが接すると、その部分のススが完全に燃えきってなくなります。
加曽利貝塚でも・・・

最初は薪をもやしてオキをつくります。
このときに土器の表面にススがついて黒くなります。

そのあと、オキ火でゆっくりと加熱していきます。
オキ火の安定した高温でススが燃えきるため、土器の表面の下の方は赤あるいは黄色になります。

おおきい火をあつかうときは、屋外という方法も。
囲炉裏の火はおおきく燃やさない・・・それは温暖な東南アジアだからでは?
ここでご紹介した例は、標高600メートルから1300メートルの山の中。
乾季の夕方、陽がかげってくると息が白くなるほどさむくなります。

さむくて、ネコもコンロでまるくなる♬
ところで、このように注意ぶかく火のあつかっていても、火事はおこってしまいます。
鳥越さんと若林さんは、調査した雲南省の村のおおくで火事があったというはなし、中には村全体を燃えつくしてしまうような火事があったはなしを記録しています。
ただし、その原因は炉の火ではなく、懐中電灯や街路灯がないため、暗い室内を照らそうとした灯明(とうみょう)や、夜道を照らす松明(たいまつ)の火があやまって屋根のカヤについたとのことです。
そうであれば、懐中電灯など電気による照明器具が普及すれば火事は減っていくことでしょう。


夜、屋外でお仕事をするときの竹製トーチ。
それでも火事にあった家に行きあうことがあります。
火事の原因をたずねると、「予想していなかった風が家の中にふきこんで炉の炎がたちあがり、屋根に燃えうつった」とのこと。
人がコントロールできない風が炉の炎や火の粉をまきあげ、屋根や壁に火がうつって火事になることがあります。

火事のあとしまつ。

大きな火をあつかう鍛冶屋さんは風に気をつかいますが、それでもコントロールできない風がふいて火事になることがあると言います。
中国雲南省の民家を調査した民俗学・文化人類学研究者の鳥越憲三郎(とりごえ・けんさぶろう)さんと若林弘子(わかばやし・ひろこ)さんは、ふだんはつるしていないつり棚(火棚・ひだな)も、囲炉裏に火をいれるときにはかならずつるという、防火の役わりとしてのつり棚を紹介しています(『弥生文化の源流考』1993)。
通常、囲炉裏では薪を燃やしますが、暖房や照明のために屋外でのキャンプファイアのようなおおきな炎をあげる、火の粉をまいあげるような燃やし方はしません。
調理するときには火をおおきくしますが、ナベの底を五徳(ごとく)でもちあげて、炎の上に「ふた」をするようにおきます。
おおきな炎は火事になる危険性がたかまることはもちろん、薪の消費がはやく、効率的ではありません。

囲炉裏の火でせんべいを焼く。


料理をするときはナベを五徳にかけて。
日常生活でつかう燃料を薪にたよる生活では、山野から薪をあつめることは重要で、とてもたいへんなお仕事です。
仕事で山にはいると手ぶらではかえってきません、薪にする木をもってかえります。
山でくらしているからと言って、いたるところに薪になる木があって、湯水のごとく薪を燃やしているわけではありません。


ちなみに山地のくらしでは水くみもまた、薪あつめに負けずおとらずたいへんなお仕事です。
「湯水」は、ほんとうに貴重な資源です。


毎日欠かせないお仕事、水くみ。
ソフトボールくらいの大きさの不思議な玉。
うらない師があなたの未来をうつしだす玉?
これは市原市祇園原遺跡から出土した黒曜石(こくようせき)のかたまりで、当館開催中の「祇園原貝塚-千年続いたムラ」展(会期は令和3年12月5日まで)でご覧いただくことができます。
黒曜石とは、名まえのように黒く光る石。
これは地下のマグマが急速に冷えてかたまってできたガラス質の岩石です。
ガラス質なので、われるとするどい刃になります。
このような性質は、モノを切る、けずる石器には格好の素材です。
ということで黒曜石は、石器の素材として旧石器時代から人びとが好んでつかってきました。
しかしこの黒曜石、どこにでもある岩石ではなく、産地がかぎられています。
関東地方では、長野県信州、静岡県伊豆、神奈川県箱根、栃木県高原山(たかはらやま)、そして伊豆諸島の中の神津島(こうづしま)。
展示している黒曜石は神津島産。
神津島ではこの黒曜石の厚い地層が、テレビのサスペンス・ドラマの最後のシーンにでてくるような海の波に洗われる断崖絶壁で露出しています。
そんなところで縄文時代の人びとはどうやって黒曜石を手にいれていたのでしょうか?
どうやって海をわたって祇園原貝塚までもってきたのでしょうか?
そして、どうしてまるいのでしょうか?
この黒曜石の玉は、さまざまな問題を考える上で重要な資料のひとつです。

なお、特別史跡加曽利貝塚でも黒曜石製の石器が出土しています。
その産地は栃木県、長野県産がありますが、神津島産が多数を占めています。
その一部を常設展示でご覧いただけます。

いま、私たちの日常生活の中で「つり棚」を見かけることはなくなってしまいました。
そこで、人と火、煙とのかかわりの中で「つり棚」が実際にどのような役わりがあって、どのようにあつかわれてきたのか、ちょっとよそで現役の炉と「つり棚」をのぞいてみましょう。

それはいまも日常生活で囲炉裏をつかう、東南アジア大陸部山地で田畑をいとなむ人びとの家にある炉と「つり棚」です。

また「狩猟採集民と農耕民では生活、環境がちがうのに!」とおしかりをうけるかもしれません。
たしかにいつ、どこでも炉があればつり棚があって、みなおなじようにつかっているわけではありません。
人と他の動物とのちがいについて、火をおそれない、火をつかうことがあげられます。
人が火をあつかうことはとても文化的な行為・行動であって、モノから文化にせまる考古学にとって重要な研究テーマのひとつです。
火そのものは消えてしまいますし、「煙のように・・・」とたとえられるように煙も消えます。
しかし、その痕跡は遺跡に残されています。
人が火、煙、ススとどのようにつきあっているのか、その具体的な知識・情報をもつことは、縄文時代の人びとを火のあつかい方、つきあい方、そしてその痕跡を調べるための方法を考えるうえで知っておいて損はないのでは?
もっとも、これからご紹介する炉とつり棚は、それを知ろうと思ってあつめた事例ではなく、たまたまの「いただきもの」(7月3日をご覧ください)なので、その程度のおはなしと思っておつきあいください。

それでは、縄文時代の遺跡で「つり棚」の痕跡は見つかっているのでしょうか?
炭化材が出土する、いわゆる焼失竪穴住居から、柱や梁にかけていたモノが床の上に落ちたように見える状態で発見される例はあります。
長野県藤内(とうない)遺跡では、多くの炭化材が出土した縄文時代中期の竪穴住居跡の炉跡の横から、長さ約1メートル、直径2,3センチメートルの木材を格子のように組んだ炭化材が出土しており、その上に20リットル分の焼けこげたクリの実がのっていました(藤森栄一編『井戸尻』1965)。
これは竪穴住居の屋根が火事で燃えおちたとき、クリの実をのせた「つり棚」が床に落下した状況を想像させてくれます。
しかし、竪穴住居跡の床の上からたくさんのこげた木の実がまとまって出土したから「つり棚」があった、と言うわけにはいきません。
土屋根の実験考古学でご紹介した岩手県御所野遺跡でも、縄文時代中期の竪穴住居跡の炉跡の中とその周辺から多数のこげたトチの実が出土しています。
また、竪穴住居跡だけでなく、掘立柱建物跡の柱穴の中からもおなじように焼けこげた木の実がまとまって出土しています。
このような状況から、住居跡の炉のまわりや引きぬかれた柱の穴のちかくでわざと木の実をこがす行為をとっていたと考えられています(御所野縄文博物館編『縄文ムラの原風景』2020)。
なお、市原市祇園原貝塚のからも小竪穴の中から貝とともに多数のこげたクルミが出土しており、その一部は当館で開催中の「祇園原貝塚-千年続いたムラ-」展(会期は10月2日から12月5日まで)でご覧いただくことができます。


竪穴住居跡などからこげた木の実がまとまって出土する遺跡の調査例がふえており、なぜ木の実がこげたのか、こがしたのか、その理由についての研究が進められているところです。

次回の予告。
戸張(とばり)のむこうに何が見える?
古民家の囲炉裏の上にある「つり棚」。
そのルーツを縄文時代までたどることはできるのでしょうか。
そもそも復元住居で批判されたように、民家の歴史自体まだよくわかっていないことが多く、その一部である囲炉裏、そしてそれにともなう「つり棚」の歴史もまたおなじです。
歴史資料のうち、たとえば「信貴山縁起絵巻(しぎさんえんぎえまき)」(平安時代)、「西行物語絵巻(さいぎょうものがたりえまき)」(鎌倉時代)、「慕帰絵詞(ぼきえことば)」(室町時代)など絵画資料にはお寺やお屋敷の台所が描かれています。
そこにある囲炉裏では、五徳(ごとく)の上にかけられた鉄なべ・かまが描かれているだけで、「つり棚」は見あたりません。
しいてあげるならば、「慕帰絵詞」では、煙が天井をつたって建物じゅうに広がらないようにする防煙壁が囲炉裏の上にあり、そこに柿をつるして干している場面は描かれています。
ただし、空から見おろすアングルの絵巻物では、「つり棚」はじゃまになるので描かれなかったかもしれませんし、天井が高いお屋敷の台所には「つり棚」はつかないのかもしれません。
他方、考古資料では、日本列島にカマドが入ってくる古墳時代以降、住居跡から炉の姿が見えなくなっていきます。
遺跡で見えなくなったから「なくなった」とはかぎりませんが、考古資料でも囲炉裏・「つり棚」の歴史をさかのぼることは、いまのところむずかしいようです。

カマドのある古墳時代の竪穴住居跡(千葉市越川戸遺跡)

平安時代竪穴住居跡のカマド(千葉市芳賀輪遺跡)

炉とカマドと子どもとイヌと。
左端で炎があがっているのが炉で、なべをのせるための五徳がおかれています。

加曽利貝塚博物館では、令和3年10月2日(土曜日)から12月5日(日曜日)の会期で「祇園原貝塚-千年続いた縄文のムラ-」展を開催します。
市原市に所在する祇園原(ぎおんばら)貝塚は、縄文時代後期を中心とする貝塚をともなう集落遺跡で、東京湾岸でも有数の大規模な貝塚遺跡です。
この遺跡からは、大型竪穴建物跡や100体をこえる埋葬人骨をはじめ、当時のくらしや地域間の交流、精神世界の一端にせまることができるさまざまなモノが出土しており、その質と量は全国的に注目されています(くわしくは「加曽利のヒトNの部屋」をご覧ください)。
祇園原貝塚の調査成果は縄文時代・縄文文化、そして特別史跡加曽利貝塚を考えるうえでとても重要な資料です。
そして、祇園原貝塚はその価値が評価され、令和3年(2021)に市原市指定史跡に指定されました。
市原市ではあたらしい博物館「(仮称)市原歴史博物館」の開館を令和4年(2022)秋に予定しています。
本展は、その開館のプレ・イベントのひとつとして開催するものです。
いま、その展示準備が進行中!
この機会に本展をご覧いただき、モノがもつ、圧倒的なチカラをじかに体験してください!!



前回で「史跡整備の花形・復元住居」編はおわり。
今回はその番外編、と言うよりは延長戦・・・
特別史跡加曽利貝塚の復元住居では、もうひとつ復元されているものがあります。
それは「つり棚」。
炉と天井のあいだにぶら下がっている棚が「つり棚」です。

これも古民家にはよく見られるもので、加曽利貝塚内に移築された江戸時代の古民家・大須賀家(おおすかけ)住宅の炉・囲炉裏(いろり)でも、鉄瓶(てつびん)をひっかけた自在鉤(じざいかぎ)の上につり下がっています

何のため、「つり棚」はあるのか?いくつかの理由があります。
炉・囲炉裏には暖房の役目があります。
炉の火であたためられた空気は軽くなって上にのぼりますが、そのまま天井にのぼると炉のまわりや室内はあたたまりません。
そのため、すぐに天井に熱が逃げないよう炉の上を「つり棚」でおおって熱を反射させ、暖房の効果をあげようとするものです。
次に防火。
薪(まき)を燃やすと炎がたち上がり、火の粉が散ります。
このような火の粉が熱による上昇気流にのってまいあがり、屋根裏のカヤに火がつかないよう、「つり棚」が「ふた」をするというもの。
ちなみに日本民家の囲炉裏では2種類の燃料、薪(まき)と木炭がつかわれます。
薪はおもに調理・暖房でつかう大きな囲炉裏で燃やされ、木炭は茶道の茶室などで湯をわかす小さな囲炉裏で燃やされます。
一般的に囲炉裏では、燃やすと炎があがる薪をつかう炉には「つり棚」があり、大きな炎をあげずに赤く燃える木炭から発する輻射熱(ふくしゃねつ)を利用する炉には「つり棚」はありません。


薪をつかうキャンプファイヤーと木炭をつかうバーベキューと言うと、イメージしやすいでしょうか?
もうひとつは、保存です。
モノを燃やすと煙があがり、その煙にあたったモノに黒いススがつきます。
このススには腐敗をふせぎ、防水の効果を高めるはたらきがあります。
たき火の熱でモノを乾燥させ、ススの防腐効果でモノの保存性を高めることができます。

戦後しばらくの復元設計された当時は、鉄など金属製の道具のない縄文時代には木を加工して木材と木材を組み合わせる、つぎ合わせる技術はなかったと考えられていました。
1980年代以降、木がくさることなく出土する低湿地の縄文時代の遺跡が発掘調査されるようになると、富山県桜町(さくらまち)遺跡のように木材をとおす「貫き穴(ぬきあな)」のある建築材が発見されるなど、縄文時代に高度な木材加工技術と、それに裏づけられた建築技術があったことがわかってきました。
そして、御所野遺跡の発掘調査・住居復元・焼失実験の成果によって、縄文時代竪穴住居に土屋根があったことがはっきりしました。
このように、史跡整備における住居復元をとりまく環境はおおきくかわっています。
当初、戦後の新たな歴史像・アイデンティティの確立への期待など、社会的要望にこたえるかたちではじまった復元住居建設ですが、今日では史跡にさまざまな学習、地域振興・活性化の資源としての役割も期待されています。
根拠のない、とぼしい復元(復原)を批判した山岸さんも、「文化財「復原」無用論」という刺激的な題名がクローズアップされがちですが、その中で同時に「復原」図や「復原」模型の製作が不要かと言うならば、それはあまりにも乱暴だとして、学術的根拠、「復原」の考え方がわかる方法で展示することを考えるべきと提案しています。
そして近年は、バーチャル・リアリティ(仮想現実)など、復元・再現の展示方法でも技術的な選択肢がひろがっています。
このように史跡の整備の建物復元には、学術的成果、社会的要請、技術的な選択肢などさまざまな要素がからみあっています。
それらをふまえ、史跡整備の望ましい方法については、いまもさまざまな議論が続けられています。
特別史跡加曽利貝塚は縄文時代の遺跡です。
しかし、加曽利貝塚と人とのかかわり、つまり加曽利貝塚の「形成」は縄文時代で終わったわけではありません。
特別史跡加曽利貝塚は、これからも復元住居をふくめ、考古学研究や史跡整備というかたちで人とのかかわりの歴史をつみかさねていきます。

平成5年(1993)度南貝塚整備後の加曽利貝塚

斧で製材して・・・

斧でホゾ穴をあける。
かつてこういう加工は、石器ではできないだろう、と思われていましたが、貫き穴や継ぎ手(つぎて)のある縄文時代の建築材の出土や、石器など道具の実験考古学がすすむことで、こうした「常識」も変わりました。
御所野遺跡の調査成果によって、縄文時代中期の竪穴住居が土屋根だったことがわかりました。
しかしながら、加曽利貝塚ではまだ、どういう屋根だったのかわかる資料は得られていません。
御所野遺跡の竪穴住居と同じだったのか?
あるいはまたちがう構造があったのか?
今後の調査・研究における重要な宿題のひとつです。
御所野遺跡の調査と実験・研究成果は、今後も加曽利貝塚の調査・研究に影響を与えていくことでしょう。
さて、史跡の整備などにおける学術的根拠のない、根拠のとぼしい復元に対しては、遺跡の活用を名目に「一般大衆をだます」ものとして、建築史研究者の山岸常人(やまぎし・つねと)さんが問題提起しています(「文化財「復原」無用論-歴史学研究の観点から-」『建築史研究』第23号1994)。
復元にたずさわった建築学研究者は、その問題点がわかっていました。
それを承知のうえで実際にたててみるという実験によって、より確からしい構造にしていくという研究の発展を期待していたのではないでしょうか。
また、当時の設計者は博物館の教育普及で活用されることを念頭に、耐震や耐火など利用者の安全確保、施設としての維持管理と長寿命化など、現代の建築家としての責務を同時にはたそうとされたことも、わすれることはできません。

ただしい床下のつかい方?(2017年個人撮影)
特別史跡登呂遺跡にて、つよい陽ざしをさけての体験教室。
掲載にあたっては静岡市立登呂博物館様のご協力をいただきました。

ただしい床下のつかい方。

急に雨がふってきたので、床下でお仕事。
ここ最近、木の下から実りぐあいを見ようとしてもなかなか見えなかったマテバシイの実が、このところの雨と風でいっきに落ちました。
当館では、復元住居とともにこれらも野外博物館としてのりっぱな「展示品」です。



昭和41年(1966)の加曾利貝塚博物館の開館後、博物館建物の横、現在の「発掘ひろば」の場所に円錐形の復元住居を設置していました。
私もはじめて史跡(当時)加曽利貝塚を五体投地しながら訪れたときに見た思い出があります。
(※一部表現に誇張があります。)
昭和57年(1982)、千葉市教育委員会は千葉市内に所在する史跡・遺跡の保存・活用の方向性をしめす「千葉市史跡整備基本構想」をまとめ、その中で史跡加曽利貝塚を野外博物館として整備していくこととしました。
これをふまえた「史跡加曽利貝塚南貝塚整備基本設計」では、屋外展示と体験学習の場として、南貝塚の南東外側に発掘調査の成果にもとづいて縄文時代中期集落を復元することとします。
そして、平成3年度(1991)にカヤぶき屋根の復元住居6棟と上屋の軸組だけの復元住居2棟をたてます。

このときにたてた復元住居は、その後の老朽化などで撤去されましたが、現在は3棟(うち1棟は閉鎖中)を再建しています。



でも、この2棟・・・形がちがう?
加曽利貝塚では、竪穴住居の上屋を復元できる資料がないことから、あえて複数の構造案で復元しています。
あと1点・・・カヤのふき方のちがいにもご注目。
1棟はカヤの先を外にむけていますが、もう1棟は根もとを外にむけてふいています。
古民家のカヤぶきは後者、根もとを外にむけてふいています。
カヤは根もとの方がかたくてじょうぶなので、水をとおしにくく、ながもちします。
ただし、根もとを外にむけて屋根をふくためには、かたいカヤの根もとの切り口をそろえて刈る、あるていど刃がながくてじょうぶな道具が必要になります。
しかし、縄文時代の道具の中に、それに適するものが見あたりません。
そこでもう1棟は、カヤの葉先を外にむけてふいた場合のカヤぶきにしてます。

根もとの方を外側にした屋根。

葉先を外側にした屋根。

葉先を外側にそろえてふくためのくふうのひとつ。
カヤのうえでほしているみどり色のものは川のりで、屋根とは関係ありません。
御所野遺跡では、この調査成果をもとに土屋根の復元住居がたてられます。
出土した炭化材から主柱と桁、垂木を復元し、垂木のうえを木の皮と小枝でおおってから厚さ約10センチの土をかぶせています。
屋根の勾配は、カヤぶきだと雨水が流れ落ちる45度でしたが、土屋根では土が流れ落ちない35度が最適とされました。
そして室温や湿度など「住みごごち」の記録をとった後、実際に復元住居を燃やしています。
燃やした結果、残った炭化材と焼土の状況を、発掘調査の記録をくらべることで、復元した構造とどこまで一致するのか検証しています。
その結果によって復元された竪穴住居が現在の御所野遺跡で展示されています。
これらは「実験考古学」の手法です。
ちなみにこの実験では、土屋根の竪穴住居はなかなか燃えないということがわかっています。
火をつけた時は燃えるのですが、屋根が土でおおわれているため、すぐに室内が酸素欠乏状態になって火が消えるというのです。
つまり、焼けた住居は「失火」の可能性が低く、わざと土屋根に穴をあけて住居内に空気がとおるようにしてから、火をつけた可能性が高いことがわかりました(御所野縄文博物館『縄文ムラの原風景』2020)。

御所野遺跡での土屋根竪穴住居の焼失実験
(画像は一戸町教育委員会からご提供いただきました。)
土屋根ならば、竪穴住居跡の炭化材のでき方は、木炭のつくり方と同じ。


穴の中に木をいれて・・・


木のうえに、木の皮をかぶせ・・・

木の皮のうえに草をかぶせて・・・

草のうえを土でおおってから内部に火をつけて・・・

空気をふさいで蒸し焼きにすると・・・
木炭になります。
土屋根の焼失住居とおなじ!
昭和61年(1986)、群馬県で榛名山の噴火による火砕流(かさいりゅう)でいっきに埋まった1500年前の古墳時代集落跡が発掘されます。
この中筋(なかすじ)遺跡で、火砕流の埋もれてその熱でむし焼きになった竪穴住居の上屋の痕跡が見つかります。
それによると、垂木の上にうすくカヤをしいて、その上に土をのせる・・・さらにカヤ、土の順でかさねていました。
火事で焼けた竪穴住居跡から焼土が出土する例があり、屋根に土をかぶせていたのではないかという見方は、沼遺跡の発掘調査以来ありました。
それが中筋遺跡ではっきり確認されることとなりました。
平成元年(1989)、岩手県御所野遺跡の発掘調査がはじまります。
この発掘調査で炭化した木材が数多く出土する縄文時代中期の竪穴住居跡が見つかります。
木材は完全に燃えると灰になります。
たき火が燃えつきると、あとには白い灰しか残っていないのを見たことはありませんか?
木が燃える途中で水をかけたり酸素が欠乏したりして火が消えてしてしまう、いわゆる不完全燃焼の状態にすると、BBQでも見なれた木の形をした黒い炭になります。
この炭の状態になった木材を炭化材(たんかざい)とよびます。
竪穴住居跡から炭化材が出土するということは、ただ火事になったというだけでなく、柱や屋根材が燃えつきて灰になる前に火が消えたということ・・・どうすればこうなるのでしょうか?さっそく「現場検証」です。
御所野遺跡では、炭化材はたくさん残っていましたが、カヤが燃えた痕跡はなく、炭化材の上を焼けた土・焼土がおおっていました。
この状況は、上屋の骨組みが燃える途中でくずれおち、その上をおちてきた屋根材、つまり土がおおいかぶさったため、燃えている木材がむし焼きにされて炭化材になったと考えられました。

ふたたび、御所野遺跡の土屋根
(画像は一戸町教育委員会様からご提供いただきました。)

燃えた・・・まっ白に・・・燃えつきた・・・まっ白な灰に
「さかのぼり」と「つながり」の話題でもうひとつ。
民族誌から考古資料を復元・解釈する方法について、ちがう環境・条件の文化・社会どうしをくらべるなんて!といった批判があることはご紹介しました。
ならば、「おなじ文化・社会」でくらべるのであれば、その問題は解決することになるのでしょうか?
実際、おなじ環境・条件にある、あるいは文化系譜・系統がつながる社会・文化の中であれば、現在あるいは記録のある過去(民族誌)からさかのぼって、考古資料につなげて解釈できるという考え方があります。
その方法は、「歴史遡及法(れきしそきゅうほう)」「直接歴史的接近法」などと呼ばれています。
民族誌をつかうことに批判的な考古学研究者の中でも、この歴史遡及法にはある程度理解をしめすむきもあるようです。
その一方で、人類学研究者の野林厚志(のばやし・あつし)さんは、歴史遡及法・直接歴史的接近法は系統・系譜がつながっていることを前提にする以上、「縄文時代の集団と連続性をもった集団について記述された民族誌や歴史資料を探すのはもちろん不可能」なので、この方法は縄文時代の復元にはつかえないという例をあげて、これがつかえる文化集団、さかのぼることができる時間の幅は非常に限られていると、その限界を指摘しています(『イノシシ狩猟の民族考古学』2008)。
野林さんや建築学研究者の石原さんの指摘は、「歴史をさかのぼってつなげる」ことはそうかんかんたんでないことに気づかせてくれます。
戦後の復元住居の研究では、家屋文鏡の画像などにくわえて、「同じ文化(民族)の系譜にある」という前提や、当時の文化人類学(民族学)・民俗学などの考え方の影響があったのでしょうか、高殿や古民家の「生きた化石」から一足とびにジャンプして先史の「民家」へとつなげようとしています。
しかし、「いま」を研究対象とする文化人類学や民俗学には、時間をさかのぼる自前の方法はありません。
そのため、いまからさかのぼって過去につなげようとするならば、歴史学や考古学の研究成果をつかって順番にたどっていく必要があります。


「伝統」と言われることも、さかのぼるとなるとむずかしい・・・
このところ、竪穴住居の復元のテーマから脱線していっているって?
それでは次回、本題にもどりましょう。
変化のスピードがちがうモノ、ほかは変化しても変わらず残るモノがある・・・それは、私たちの身近、というよりもからだの中にもあります。
それは背骨、脊椎(せきつい)の下端につく「尾骨(びこつ)」とよばれる骨です。

(原図は『貝塚博物館研究資料集第6集』より転載)
こう書きながら、つい自分のおしりをさすってしまいましたが、みなさまはどうですか?
これは字のとおり私たちの遠いご先祖さまのしっぽのなごりとされる骨で、いまは何の役目もありません。
時間とともに生物が変化してきた道すじ、進化を明らかにする古生物学(こせいぶつがく)では、生物化石を各部分の特徴で分類して、その特徴の変化のスピードのちがいから変化の順番を想定します。
そして、下の地層から出てくる化石のほうがふるいという原則にもとづいて、その変化の順番を確かめ、地層が堆積した年代から変化がおきた時間をはかり、40億年の生物進化の過程を明らかにしてきました。
これは「パラパラまんが」にたとえられることも・・・ページごとの絵のちがいが変化する生物の特徴、各ページが地層。ページが入れかわると、動きが変だぞ!?となります。
その考え方・方法を受けついでいる考古学では、モノの特徴を分類する「型式学」、モノが出てくる地層の上下関係で新旧を知る「層位学(そういがく)」という方法によって、モノの変化と変化する方向、それがいつおきたかを知る手段をもっています。
文化人類学ぎらいのイギリスの社会人類学研究者、エドマンド・リーチさんは、考古学による原始・古代像の復元に対しても「サイエンス・フィクション」ときびしい目をむけています。
そんなリーチさんも、モノの時間をさかのぼることができる考古学の方法には、文化人類学の考え方への批判の意味をこめて一種の「敬意」をいだくと言っています(長島信弘訳『社会人類学案内』1991)。

加曽利貝塚博物館「遺跡の名を冠した土器」の展示で「型式学」を紹介しています。

何が、「加曽利E式土器」なの?
くわしくは「加曽利のヒトTの部屋」(令和2年4月25日)へ!

どうして「B」は、「E」よりあたらしいの?


どうしてみんなおなじなの?


どこがちがうの?
「型式学」と「層位学」については、また機会をあらためて。
関野さんの高殿、原口さんのカヤぶきの技術のように、いまに残る古い要素をさがしだし、そこから文化をさかのぼろうとする考え方は、考古学とおなじくモノと歴史に関心をよせる民俗学や文化人類学などの研究分野で見ることができました。
20世紀の前半、文化人類学(民族学)において、「文化」は生業、親族組織、宗教などさまざまな要素がモザイクのように集まって形づくられているという見方がありました。
これはスーパーマーケットでのお買いものにたとえることができるかもしれません。
スーパーマーケットのレジにならぶ買いもの客のカゴの中身には、野菜、くだもの、肉、牛乳・・・人によって種類だけでなく、サイズ・量、メーカなどおなじものがあればちがうものがあります。
その組み合わせには、買いもの客の好みはもちろん、家族構成、くらしのパターンなどのちがいがあらわれます。
この買いものカゴが「文化」・・・「文化」は買いものリストのように、たとえば「谷底でくらし、田んぼで米をつくり、もち米を主食にして、木と竹でつくった高床(たかゆか)の家に住み、仏教を信じる・・・」というぐあいに説明されます。
これでいくと縄文文化は、野焼きで土器をつくり、弓矢で動物を狩って、釣りやモリ、網で水産物をとって、木の実など食用植物をあつめて・・・このへんでご勘弁ください!

さて、ふたたびスーパーマーケットのシーン・・・お父さんが「我が家はむかしからこの味なんだ!」とある銘柄のカレールーを握りしめている横で、お母さんは「チコちゃんちでつかっていて、便利そうだったから」と、これまで買ったことのないものを買いものカゴへ。
でもお父さん、そのルー、最近の健康志向に合わせて減塩・減脂肪になって、むかしと味はちがいますよ・・・(※これはフィクションであり、実在する人物等とは一切関係ありません。)
モザイク状の文化は、よその文化要素がくわわり、互いに影響しあうなどして変化していきます。
その一方で、文化の中でもそういう影響をうけにくく、変化がちいさいもの、変化しないものがある、つまり文化の中に「生きた化石」があり、それを見つけだしてたどることで、文化の歴史が復元・再現できると考えられていました。
ちなみに人類学では、いまはもう、このような見方はしていません。
文化とは人の行動を決める原則、認識のあり方とされています。
ここで買いものリストにたとえた「文化要素」は、文化にもとづく人の行動の「結果」と言えるでしょう。


屋根はかわったけど、構造(軸組)はかわらないことも・・・

戦後の復元住居の建設ラッシュの背後には、社会的な要請がありました。
その一方で建築学においても、実際に復元住居をたてることで復元案を構造・技術的に検証し、新たな課題を見いだすという実験的な意味があったようです。
先に紹介した石原さんは、竪穴住居の復元研究の方向性として、発掘調査による考古学的資料によって復元することを第一としつつ、民俗・民族誌、文献記録から日本の民家史をさかのぼる方法をあげています。
これは古民家をかたちづくっている要素をそのみなもとまでさかのぼっていく方法ですが、石原さんはそれらがかならずしも竪穴住居につながるとはかぎらないとクギをさしています。
関野さんはそのつながりを高殿に求めました。
他方、堀口さんはカヤぶき屋根がつねに最新の建築技術を習得する大工ではなく、地元の農民によってつくられることから、そのなかに古い技術が代々継承されていると考えました。
そして、四角い屋根の隅をささえる隅木(すみき)がない奈良県慈光院のカヤぶき屋根の構造に最古の建築様式が残ると見て、これを参考に与助尾根遺跡の復元住居の上屋を設計しています。

屋根のてっぺんが棟、そこから屋根の平面どうしをつなぐラインが隅棟(すみむね)、あるいは下り棟(くだりむね)などとよばれます。

通常、垂木とおなじく隅木(矢印)はカヤなどの屋根材と天井にはさまれているので見えにくい。


村びと全員で家のたてかえ
与助尾根遺跡を発掘調査した考古学研究者の宮坂英弌(みやさか・ふさかず)さんは、竪穴住居にカヤぶき屋根とは別のイメージ、八ヶ岳山麓の農村に古くから伝わる「穴倉(あなぐら)」を思い浮かべていたそうです。
「穴倉」とは、竪穴の外の地上にたてた叉首に柱を組み合わせ、そのてっぺんから地上にかけて棟木をわたし、これにカヤかワラで屋根をふいて、その上に土をかぶせる、冬の作業場です(『尖石』1998)。
また、沼遺跡では、炭化した木材とともに焼けた赤い土・焼土(しょうど)が出土したことから、屋根に土がつかわれた可能性があるとしていました(津山市郷土館『津山弥生住居址群の研究-西地区-』1957)。
建築学研究者の中でも、当初から竪穴住居の復元の方法に疑問がもたれています。
先に紹介した『建築雑誌』の復元住居特集号で、民家建築・都市計画研究者の石原憲治(いしはら・けんじ)さんは、登呂遺跡の復元のもとになった高殿がふるい建築様式を残すとすることに疑問を投げかけ、考古学的な出土資料が乏しい中での復元を「空想」と断じています。
この特集号では、石原さん以外にも村田治郎(むらた・じろう)さんが樺太アイヌなど竪穴住居をつかっていた北方民族や、宮坂さんが思いおこしていたような北関東の室(むろ)の例を参考にすることを提唱しています。
そのような民族・民俗の事例には、竪穴住居の屋根を土でおおうものがありました。



登呂遺跡では、発掘調査で竪穴住居跡から屋根の一部が「葺(ふ)き草」をのせたまま押しつぶされて出土したと報告されています(上田三平「駿河富士見原に於ける原始農耕聚落遺跡の研究」『登呂遺跡第1次調査の記録』1990)。
また、竪穴住居の上屋復元におおきな影響を与えた佐味田宝塚古墳出土の家屋文鏡に描かれた建物の屋根の勾配は45度で、現在の古民家のカヤぶき屋根とおなじです。
この45度という屋根の勾配は、雨が表面のカヤをつたって軒先から流れおちるために必要な角度です。
これよりも屋根の勾配がゆるいと、雨水がカヤの中をしみこみ、雨もりしてカヤがくさってしまいます。
このような屋根のシルエットが、「竪穴住居はカヤぶき」というイメージを強くしたのかもしれません。
日本民家のルーツをもとめた竪穴住居の建築学的研究では、カヤぶき屋根のルーツもまた竪穴住居にかさねられていたようです。

奈良県佐味田宝塚古墳出土家屋文鏡「竪穴住居」とされる図形。
屋根の左にテラスのようなものが見えるなど竪穴住居ではない、というご意見もあります。
(原資料は、宮内庁書陵部所蔵)
画像掲載にあたっては、宮内庁書陵部様のご許可をいただきました。

テラスがあるとすれば、こういう感じ?

そういう建物を絵にすると、こういう感じ。

世界文化遺産となった「北海道・北東北の縄文遺跡群」を構成する御所野遺跡の紹介からはじまった「史跡の花形・復元住居」編、まだつづきます。
戦後まもなく、登呂遺跡をはじめ各地の遺跡で復元住居がたてられています。
たとえば、復元住居の先がけとなる昭和24年(1948)の長野県与助尾根(よすけおね)遺跡にはじまり、登呂遺跡と同じく昭和26年(1950)に長野県平出(ひらいで)遺跡、昭和30年(1954)に岡山県沼(ぬま)遺跡などでたてられます。
与助尾根遺跡では和風建築家の堀口捨巳(ほりぐち・すてみ)さん、平出遺跡では古建築研究者の藤島亥治郎(ふじしま・がいじろう)さん、沼遺跡では建築学研究者の渋谷泰彦(しぶや・やすひこ)さんが上屋構造を設計しています。
設計者のみなさんは、奈良県佐味田宝塚(さみだたからづか)古墳の家屋文鏡(かおくもんきょう)に描かれた竪穴建物と思われる図形や古墳出土の家形埴輪を意識しつつ、堀口さんは奈良県のお寺、慈光院(じこういん)のカヤぶき屋根の構造から、藤島さんと渋谷さんは竪穴住居跡から出土した炭化材の位置や形から設計をこころみています。
戦後まもなく、各地の遺跡の保存・活用の中で復元住居が各地でたてられた背景には、新たな日本の歴史像、アイデンティティを模索する中で、そのルーツを明らかにする考古学の調査成果を目に見える形にすることへの期待があったと思われます。
そして、著名な建築家が積極的に復元住居にかかわったことは、建築学においても日本民家のルーツとしての竪穴住居への関心が高かったことをうかがわせます。
それは、昭和27年(1951)に建築学の学術誌『建築雑誌』774・775号で復元住居が特集されたことにもあらわれています。
登呂遺跡をはじめ、この時に設計された復元構造案がその後の史跡等における竪穴住居復元の基本となり、今日まで引きつがれます。
加曽利貝塚の復元住居の構造も、この流れをくんでいます。

今日も竪穴住居をはじめ、古代建造物の復元に大きな影響をあたえている佐味田宝塚古墳出土家屋文鏡(原資料は、宮内庁書陵部所蔵)
画像掲載にあたっては、宮内庁書陵部様からご許可をいただきました。
昨日、ユネスコ世界文化遺産委員会は「北海道・北東北の縄文遺跡群」の世界文化遺産への登録を決定いたしました!おめでとうございます!!
今回の登録は、縄文文化の「普遍的価値」を世界にむけて発信することとなり、史跡の保護、整備、活用に取りくむ私たちにもおおいに力をあたえてもらえました。
今後は加曽利貝塚もその価値、魅力をよりいっそう高め、発信してまいります!

加曽利貝塚博物館でも紹介しています。

登呂遺跡のめざましい発掘調査成果によって、遺跡の保存と博物館・遺跡公園の整備の機運が高まります。
この遺跡整備構想の中で、竪穴住居の復元への要望の声も高まり、その設計を関野さんが担うこととなります。
登呂遺跡は湿地の中に所在する遺跡です。
そのため、洪水で地下深く埋もれた建物の建材の一部が地下水の影響でくさらずに残っていました。
関野さんは戦前からの研究成果と、残された建材などをもとに復元住居を設計します。
登呂遺跡出土の建材などには、鉄器をつかう高度な木材加工技術の痕跡が認められたことから、木材をつなぎ合わせ、組み合わせる技術があったと想定しています。
そのため、棟木をささえる建材は扠首を地上からのばすのではなく、桁の上にたてる構造で復元することで、建築学的に縄文時代より発展した構造とされました。
特別史跡登呂遺跡では、平成11年(1999)から15年(2003)にかけて再発掘調査が行われました。
その結果、竪穴住居跡では、地上に扠首をたてた痕跡はみつかりませんでした。
この再発掘調査の成果にもとづいた史跡の再整備では、復元住居の基本的な構造は引きつがれています(静岡市教育委員会『特別史跡登呂遺跡再整備事業報告書』2012)。

特別史跡登呂遺跡の旧・復元住居(2017年個人撮影)

再整備後の新・復元住居(2017年個人撮影)
画像掲載にあたっては静岡市立登呂博物館様のご協力をいただきました。
太平洋戦争中の昭和18年(1943)、静岡市内の工場建設にともない、水田の下から遺跡が発見されます。
それが洪水で埋没した弥生時代の集落遺跡、登呂(とろ)遺跡です。
登呂遺跡では、戦後まもなくの昭和22年(1947)から25年(1950)にかけて本格的な発掘調査が行われ、12棟の竪穴住居跡、2棟の掘立柱建物跡、8ヘクタールの水田跡が発見されます。
この発掘調査成果は、今日までつづく日本の稲作文化のみなもととしての弥生時代のイメージをつくりあげ、定着させることになります。
また、その発掘調査には考古学のほか、地理学、動物学、植物学そして建築学の研究者が参加しており、いまで言う学際的調査が行われました。
そして、この発掘調査をきっかけに、考古学研究者による全国組織「日本考古学協会」が発足します。
このような成果が評価され、登呂遺跡は昭和27年(1952)に特別史跡に指定されます。
弥生時代のイメージをつくりあげ、社会に影響をあたえた遺跡、日本の考古学研究におおきく貢献した遺跡・・・時代はちがいますが、加曽利貝塚と似ていませんか?
ちなみに私の中学生くらいのころ、五体投地(ごたいとうち)して訪れるべき遺跡の三大聖地は「加曽利、登呂、田能(たの)」でした(※個人の感想です)。
登呂遺跡の学際的な発掘調査に参加した建築史研究者が、関野さんでした。

特別史跡の大先輩、登呂遺跡(2017年個人撮影)
画像掲載にあたっては静岡市立登呂博物館様のご協力をいただきました。
竪穴住居の復元研究は、太平洋戦争前から建築史研究者を中心に着手されています。
特に関野克(せきの・まさる)さんは、はやくから日本住宅史の観点から竪穴住居跡を研究し、うしなわれた上屋構造の復元をこころみています。
この中で関野さんは、江戸時代のたたら吹き製鉄の技術書『鉄山秘書(てつざんひしょ)』に記録された製鉄工場、高殿(たかどの)の構造につよい関心をむけます。
この『鉄山秘書』によると、高殿は皮をはいだだけの木の主柱を方形に配置し、そのまわりを上から見た平面の形が方形あるいは隅丸方形に壁をめぐらせます。
そして、四隅の主柱周辺の垂木は、地上までのびて接地していたとされています。
この柱の痕跡(柱穴)のならびだけを想像すると・・・そう、竪穴住居跡とそっくり。
関野さんは、これらの構造は古民家には見られないもので、むしろ竪穴住居跡と共通しているほか、柱はてっぺんが二股(ふたまた)にわかれた木材を利用し、桁とのつなぎ合わせに葛蔓(かずらつる)をつかうという記述から、高殿の構造に古い時代の建築様式が残っていると考えました。(「鐡山秘書高殿に就いて(原始時代一建築構想の啓示)」『考古学雑誌』昭和13年7月号1938)
現在、高殿は唯一、島根県雲南市に所在する有形民俗文化財「菅谷(すがや)たたら山内(さんない)」に残っています。
ぜひ、現地をおとずれて、実際に確認してみてください!
また、宮崎駿さんのアニメ映画『もののけ姫』にも高殿が登場するので、ご覧になる機会があれば、そこにもご注目ください。
これをもとに、関野さんはいくつかの復元案をつくります。
その中の縄文時代の復元案では、木材を加工して組み合わせる技術が未発達とみて、棟木をささえる扠首を地上からのびる木材を桁によりかけさせて、そのてっぺんでX字状に交差させる構造として設計しました。


島根県雲南市の重要有形民俗文化財「菅谷たたら山内」の菅谷高殿(2010年個人撮影)
画像掲載にあたっては、雲南市教育委員会、公益財団法人鉄の歴史村地域振興財団様のご協力をいただきました。
ここで、あらためて今ある加曽利貝塚の復元住居の上屋構造をご紹介しましょう。
この復元住居では、竪穴の上に円錐形のカヤぶき屋根が地面までふきおろされています。

つづいて復元住居を中から見てみましょう。
竪穴の壁沿いに柱をたてたと考えられる穴「柱穴(ちゅうけつ)」がめぐっていたので、その位置に屋根をささえる柱「主柱(しゅちゅう)」がたっています。
となりあう主柱のふたまたになったてっぺんをつないで渡す木材が「桁(けた)」。
桁は建物の壁に沿って配置される材です。

向かいあう主柱のてっぺんをつなぐ木材が「梁(はり)」。
梁は建物の中にいる人の頭の上を行きかうことになります。
これらが屋根をささえる構造「軸組(じくくみ)」です。

この軸組より上の屋根の構造を「小屋組(こやくみ)」とよびます。
屋根のてっぺんにある横一本の木材が棟木(むなぎ)。
この棟木は地上から梁の両端にもたれさせてのばした2本の材の先端を交差させる「扠首(さす)」でささえられています。
棟木から桁にかけてタテにならぶ木材を「垂木(たるき)」と呼びます。
この垂木は、棟木から地面までのびています。
垂木の上にはタテヨコにならぶ屋根の骨組「下地(したじ)」があり、その上に直物のカヤの屋根材をふきます。

ところで、「復元住居」と「復原住居」はちがう?
一般的に辞書では「復原・復元」というようにならんで書かれ、意味にちがいはないようです。
しかし、建築の専門家はつかい分けています。
「復元」はすでに存在しない建造物を、すべて新しい材料でつくりなおすこと。
「復原」は、たとえば改修・改造をほどこされ、形・構造がかわった建造物を、最初にたてられたときの姿にもどすこと。
ということで、ここでは「復元住居」とします。
「考古学って、なに?」で、残らないモノ、残りにくいモノがあることはふれました。
建物の建築材でも石やレンガなどは残りやすいのですが、日本の古民家のように木や竹などの植物質、有機質の材料でつくられた建物は、住まなくなってうちすてられると、時間の経過とともにくさってなくなっていきます。
イタリアのポンペイ遺跡のように火山灰などが降りつもって、一気に地下深く埋まる、そして地下水によって空気が遮断されて木などがくさらないかぎり、竪穴住居の屋根などの上屋(うわや)がそのままの姿で残ることは期待できません。
そのため、遺跡からは多くの場合、竪穴と柱をたてた穴、火をたいた炉(ろ)の跡、ときどき火事で焼け残った建築材の一部が出土するだけです。
加曽利貝塚でもこれまでの発掘調査では、竪穴住居跡の竪穴や柱穴以外で、屋根など上屋の構造を知ることができるものは、まだ見つかっていません。

加曽利貝塚の竪穴住居跡

上屋はくさってなくなるだけではありません。
引っ越すと上屋もいっしょに・・・

みんな持っていったことだってあったかも!?
5月20・27日にお知らせした千葉市生涯学習センター「縄文ムラの原風景-御所野遺跡」のパネル展が6月27日に終了いたしました。
また、これにあわせて開催していました当館の「縄文ムラの原風景-千葉市内の縄文遺跡」展も、7月4日に終了いたしました。
御来場・御来館のみなさま、ありがとうございました。
あとは今月予定されている「北海道・北東北の縄文遺跡群」の世界遺産登録決定をまつのみ!
ところで、本展開催をお知らせした際、御所野(ごしょの)遺跡と加曽利貝塚の屋外展示、復元住居の画像をご紹介しました。
縄文時代の史跡と言えば、復元された竪穴住居!というイメージがあるかも?
復元住居は、整備された史跡の「花形」かもしれません。
ここで加曽利貝塚と御所野遺跡の画像を再度見くらべてみましょう。
なにかがちがう・・・加曽利貝塚や千葉市生涯学習センターの展示をご覧になったみなさまは、もうお気づきでしょう。
屋根がちがう・・・加曽利貝塚はカヤぶき屋根、御所野遺跡は、草が生えている?つち?土?そう、土屋根です。
どうしてちがうのか?そこからは、考古学、建築学と遺跡・史跡整備の歴史をうかがうことができます。

史跡御所野遺跡の復元住居
画像は一戸町教育委員会様からご提供いただきました。

特別史跡加曽利貝塚の復元住居
お知らせやひとりごとをはさみましたが、今回が「考古学って、なに?」編の最終回。
実験考古学も民族考古学も、いま、目の前で人の行動・行為とモノ・痕跡の関係を見ることができます。
そしてその成果は、人の行為・行動とモノの関係の可能性をひろげたり、しぼり込みます。
そのため、実験考古学と民族考古学をおなじものとする考え方があります。
イギリスの人類学研究者、ティム・インゴルドさんは、人類学の現地調査(フィールドワーク)では観察者(研究者)が期待する、しないに関係なく、相手から「与えられたものをありがたく受け取る」のに対して、実験では人工的につくられた場所で、「モノの秘密が無理やりにあるいはトリッキーに、暴かれ」ると、ちょっと刺激的にそのちがいを説明しています(奥野克巳ほか訳『人類学とは何か』2020)。
民族考古学では、考古学的なテーマを設けて現地で調査・研究しています。
けれども調査の場では、それにかぎらない、さまざまなものを与えられ、いただいています。
次回からは、そんないただきものをまじえながら、特別史跡加曽利貝塚の風景や展示の中から(しつこいようですがチコちゃん風に)「なんで?」を、みなさまといっしょに考えていきたいと思います。


しばし、おわかれ。
7月の初日、ここで「鉄オタ」(「鉄」は「鉄道」ではありません)のひとりごと・・・
現在、千葉市立郷土博物館において7月11日までの会期で、小企画展「陸軍気球連帯と第二格納庫」を開催しています。
昨年、千葉市内に所在した旧日本軍唯一の気球連隊の遺構、「第二格納庫」が老朽化のため解体されました。
これを機会に陸軍気球連隊の全貌にせまる調査が行われ、本展ではその成果が公開されています。
陸軍気球連隊の「第二格納庫」は、「ダイヤモンドトラス」構造をつかって設計・建設されました。
トラスとは、建材を三角形に組んだ構造をつなぎあわせて強度を増す技術で、古くから屋根の骨組みなどで使われてきました。
18世紀の産業革命で製鉄産業が発展すると、建造物の建材に鉄がつかわれるようになります。
当時はまだかたさとしなやかさをあわせもつ鉄鋼の大量生産技術が未熟だったため、やわらかい錬鉄(れんてつ)が主な材料でした。
そんな錬鉄でもトラス構造をつかってパリのエッフェル塔がたてられています。
そのエッフェル塔がたてられたパリ万国博覧会(1855~1900年)の時期は、第二次産業革命とも呼ばれ、製鉄技術がおおきく発達します。
特にベッセマー転炉(てんろ)という精錬(せいれん)炉による製鋼技術が発明されると、鉄鋼の大量生産の道が開けました。
建築でも鉄鋼を建材にすることで、柱の数を少なくしながら、高い天井、広い空間もつ建造物をたてることが可能となります。
日本では、昭和7年(1932)に従来のトラス構造よりもじょうぶで、屋根をささえる柱をすくなくして、より大きな空間をもつ建物をたてることができる画期的な技術、ひし形構造の「ダイヤモンドトラス」が発明されます。
そして、昭和9年(1934)に完成した気球連隊「第二格納庫」にこの最新技術・ダイヤモンドトラス構造がつかわれます。
日本の軍用気球を運用した唯一の気球連隊、それにかかわる建造物と技術・・・日本の近代史はもちろん、建築史そして鉄の歴史(「鉄オタ」の「鉄」はこちらの鉄)に関心のある方は見のがすことのできない展示ですね。

解体前の「第二格納庫」(千葉市立郷土博物館提供)
自分のまわりでもモノと人の行為・行動の関係を観察することはできます。実際にその調査・研究は行われています。
ならば、なぜ、わざわざ時間とお金をかけてまで批判のタネとなる、はなれた、ちがう社会・文化で調べるのでしょうか?
人によって理由はさまざまでしょうが、自分が属する文化・社会では当たり前、常識と思っていることが、外部の人の目からはちがって見えることがあるからだと私は考えています。
アメリカの政治・人類学研究者、ジェームス・C・スコットさんは、東南アジアの歴史研究において国家の歴史だけでなく、山地民(いわゆる少数民族)の歴史からの視点が必要であるにもかかわらず、これまでそれが不十分であると問題提起しています。
その原因として、山地民がみずからの文字記録をもたず、ちいさな集団がひんぱんに山から山へと移動して、そのくらしの痕跡が見つけられないため、研究者が関心を向けてこなかったことをあげています(佐藤仁ほか訳『ゾミア』2013)。
いや、考古学の調査手法ならば彼らのくらしの痕跡を見つけることができる!そして、彼らの歴史を明らかにできる!!と反論したいところです。
このような条件こそ、考古学の本領発揮!のはずですが、そもそも考古学研究者がそういう目で山を見る意識、山のうえのちいさなくらしへの関心をもたないかぎり、見つけることはできないでしょう。
そういう意味で、スコットさんが言われることは正しい。
他者の文化・社会を観察することは、日ごろ気にすることもなく見すごしてしまうようなモノと痕跡、それらと人の関係を気づかせてくれます。
考古学的民族誌は、そのような経験を多くの人と共有することができます。
それによって、研究者みずからが「である」「と考えられる」とする根拠を問いなおす機会となり、より確かなものにしてくれることでしょう。

この風景は、考古学になにか気づかせてくれるのでしょうか?
民族誌、特に考古学的民族誌は、どういう環境・条件、文化・社会のもとで人とモノの関係はどうなのか、その関係を他者と具体的に共有して理解するうえで有効です。
「確からしい」「もっともらしい」と判断する情報源には、意識・無意識のさまざまなものがあることはふれました。その中には、民族誌も含まれることがあります。
それにもかかわらず、先に紹介したような民族誌の利用や民族考古学への批判があることに、考古学・人類学研究者の後藤明さんは次のようにこたえています。
意識していなくても民族(俗)学的な類推は行われてきたのだから、「役に立たない」と頭から決めてかかるより、民族資料を考古学に役立てるための手続きをもっと体系化、そして明示化する方が生産的だと、私は思う(『民族考古学』2001)。
もうひとつ、民族誌・考古学的民族誌は、モノと人の関係に影響を及ぼす環境・条件がどれだけあるのかを教えてくれます。
このような情報は、考古学研究においてなにが問題であり、その解明のためになにをどのように解決しなければならないのか、考えるきっかけになります。
それは、モノと人の関係が「こうだからこうなるにちがいない、こうなるはずだ」と考えるにいたるまでに、「では、こういう場合はどうか?」「こういう場合もあるのでは?」というハードルをもうけることです。
このようなハードルは、調査・研究方法の開発や改善につながることが期待できます。

自分で見てみる、記録する・・・前館長、土器づくりのロクロを激写!
現在、尼崎市立歴史博物館田能(たの)資料館では、9月19日までの会期で企画展「チャレンジ★やよい人!-弥生土器づくり」を開催しています。
本展では、昨年度の当館「館長の考古学日記」で公開しました「ラオスの土器づくり」の映像を上映しています。
この映像はYouTubeの加曽利貝塚博物館「ラオスの土器づくり」でもご覧になれますが、展示の中でご覧になると、よりいっそう土器づくりの雰囲気を身近に感じることができるのではないでしょうか。
ここからは、これまで紹介したモノ・痕跡と人の行為・行動、文化・社会を結びつける方法のうち、今を生きる人びとを観察し、記録する方法を掘りさげてみましょう。
この「民族誌による考古資料の解釈」や「民族考古学」の考え方・方法に対しては、たとえば縄文時代と同じ環境・文化・社会は現存しないように、「生きた化石」など存在しない、つまり、まったく同じ環境・社会・文化はなく、似ているから同じとは言えない、ちがう環境・社会・文化のモノどうしを比較することはできない、といった批判があります。
これらの批判は正しいと思います。
ただし、それは考古資料の解釈において、民族誌や民族考古学の成果に唯一の解答を期待した場合です。
民族誌は、さまざまな環境・条件において、人の行為・行動がどのようにモノ・痕跡として残される可能性があるのか、文化・社会とどう関係するのか、その選択肢を示してくれると考えるのはいかがでしょうか?
とくに考古学研究者みずからが調査地におもむき、考古学的視点・問題意識にもとづいて観察し、記録した民族誌(ここでは考古学的民族誌と呼びます)では、さまざまな環境・条件のもとでの人とモノの関係を知ることができます。

いまどきのデジタル技術を使わず、アナログに生きる私は、「生きた化石」。
梅雨のじめじめした日に、「北海道・北東北の縄文遺跡群」の世界遺産への登録勧告に続き、うれしいニュースです!
このたび国の文化審議会は文部科学大臣に対し、船橋市に所在する取掛西(とりかけにし)貝塚を史跡に指定することを答申いたしました!!
このあと、官報告示をもって史跡指定となることが見込まれます。
取掛西貝塚は、約1万年前の縄文時代早期と約6千年前の縄文時代前期の2つの時期からなる貝塚集落跡です。
縄文時代早期の集落遺跡としては最大級の規模であり、これにともなうヤマトシジミなどからなる貝塚は、特に貝塚遺跡が集中する東京湾東岸でも最古クラスです。
また、この貝塚の下からは、イノシシやシカの頭の骨が集められた状態で出土するなど、当時の人びとのくらしや考え方にせまることができる遺跡です。
加曽利貝塚は、日本で最大級の貝塚集落跡ですが、本貝塚だけで東京湾東岸に集中する貝塚遺跡、そして縄文時代をかたることはできません。
ながい縄文時代の中で貝塚集落は、その時期、場所によってそれぞれの特徴がちがいます。
取掛西貝塚は、加曽利貝塚の貝塚がつくられはじめる縄文時代中期より前の貝塚集落のありかたを知ることができ、なぜ加曽利貝塚が営まれたのかを考えるうえでも重要な遺跡です。
船橋市には縄文時代早期の市指定史跡・飛ノ台(とびのだい)貝塚も所在し、その隣には飛ノ台史跡公園博物館があります。
こちらでは本日から7月11日まで、取掛西貝塚の調査成果を紹介するミニ展示「いよいよ国史跡指定へ取掛西貝塚」を開催しています。
東京湾東岸では、市川考古博物館(史跡・堀之内貝塚ほか)、飛ノ台史跡公園博物館、袖ケ浦市郷土博物館(史跡・山野貝塚)、そして当館が貝塚遺跡の史跡の保存と公開をしています。
取掛貝塚の史跡指定を機会に、当館をはじめとする博物館・史跡を訪れて、縄文時代、縄文文化への関心を深めていただければと思います。

みなさまのご来館をおまち申しあげます。
考古学の方法は、モノ・痕跡を見つけだして記録する(ホップ)、その記録から人の行為・行動を再現・復元する(ステップ)、そこから人の行為・行動から歴史・文化を解明する(ジャンプ)と、三段とびのようなものかもしれません。
三段とびでは、ホップ、ステップで失敗するとジャンプの距離がのびない、場合によっては失格になることもあります。
考古学研究でも、その目的を達成するためには、その前のホップ、ステップにあたる手つづきがとても重要です。
博物館の常設展示では、このホップを基本に展示しつつ、ステップ、そして時にはジャンプまで展示することがあります。
他方、テーマが決まった企画展・特別展ではステップ・ジャンプまで、最新の研究成果が紹介されます。
みなさまも博物館の展示をご覧になる時には、「ここはホップ、ここはステップ・・・」などと意識して見てはいかがでしょうか。
また、博物館の展示室は、だれもが「検察官」、「弁護人」、「裁判官」になることができる「法廷」でもあります。

加曽利貝塚博物館の展示室は「法廷」?
くれぐれも館内での本当の三段とびはご遠慮ください。
またまた事故・事件のはなしにもどります。
現場検証は、記録・調書をつくることが目的ではありません。
これらを証拠に、いつ、だれが、どこで、なにをしたのか、どうしてその行為・行動に及んだのかを認定したうえで、裁判に付されます。
さしずめ考古学研究者は、証拠を集める鑑識官、それらから人の行為・行動を再現し、その動機までを立証する検察官で、学会・論文が法廷、その他の研究者が弁護人・裁判官・陪審員というイメージかもしれません。
現場検証が不十分、証拠が不十分では事実の認定はできませんし、動機も解明できません。
それでは、裁判では判決に大きく影響する行為・行動の「動機」は、考古学ではなにでしょうか。
それは、人類の歴史、あるいは人の行動を決める文化、そして人とはなにか?です。

突然ですが、「5月23日モノからコトへ」のナゾかけのこたえ、です。
現在の人間集団(民族)を観察するもうひとつの方法、「民族考古学」。
民族考古学は、現在の人の行為・行動とモノの関係は、過去でもなり立つという考え方にもとづいています。
「民族誌による考古資料の解釈」では、探検隊やキリスト教宣教師、植民地の行政官などにはじまり、人類学研究者(民族誌研究者)よる記録まで、さまざまな民族誌が使われます。
民族考古学では、考古学研究者みずからがモノと人の関係という考古学的な問題意識にしたがって観察し、記録します。
ここでは、観察の対象となる人間集団が「生きた化石」かどうかは、関係ありません。
考古学研究者が見てみたいと思うモノと行為・行動の関係が見えやすい社会・集団が選ばれます。
そこでは現在進行形の「変化」もまた、観察の対象とされます。
以上がモノ・痕跡と人の行為・行動をつなぐ方法としての「歴史考古学」「実験考古学」「民族考古学」です。
なお、ビンフォードさんのもとで学ばれた考古学研究者の阿子島香さんは、自然科学的分析の中にも広い意味でその方法に加えることができるものがあるとしています(「ミドルレンジセオリー」『考古学論叢』1983)。
これらの方法が、モノ・痕跡と人の行為・行動の関係を説明するうえで有効であるのか、それぞれ議論があるところです。
しかし、「確からしい」と考える根拠をはっきりさせる必要があることには、異論はないでしょう。

これぐらいの大きさの集団であれば、モノと人の関係は見えやすい。
モノ・痕跡と人の行為・行動をつなぐ方法の最後は、現在の人、人間集団(民族)を観察する方法です。
これは、環境・条件が同じならば、人は同じ行為・行動を行い、その結果、同じようなモノ・痕跡が残るという「斉一性(さいいつせい)」の原則にもとづいています。
この方法は、大きく「民族誌による考古資料の解釈」と「民族考古学」に分けられます。
「民族」とは、ある文化を共有する(と信じている)集団で、「誌」とは文字・図・写真などで書きあらわしたものです。ようするに「民族誌」とは、文化をともにする人間集団を、その文化に属さない人が観察した記録です。
人は、むかしから自分とちがう文化・社会の人びとに出あうと、どうしてちがうのか、その理由を考えてきました。その中には、進歩がとまった人たち、自分たちの先祖とおなじ生活をする人たちがいるという見方がありました。
このような見方は、19世紀後半以降のヨーロッパにおいて、生物進化とおなじく社会も進化してきたという社会進化論として、科学的な体裁をととのえていきます。
この社会進化論の観点から考古資料の機能・役わりなどを説明しようとしたのが、「民族誌による考古資料の解釈」のはじまりです。
つまり、いまもむかしの文化・社会を保持している人びと、「生きた化石」が存在しており、考古資料とおなじような文化・社会を記録した民族誌とくらべてかさねることで、その考古資料が説明できるとする考え方が根もとにあります。

遮光器土偶(しゃこうきどぐう)(複製品・当館蔵)
名前の由来は、北方狩猟採集民の雪に反射する光から目をまもるメガネ・遮光器に「似ているから」
モノや痕跡から行為・行動を再現・復元するための方法、「実験考古学」。
「実験」とは、「こうすると、こうなるだろう」と仮説をたてて、それにもとづいて実際にやってみる方法です。
つまり、「実験考古学」では、モノや痕跡からそれを残した行為・行動の仮説をたて、やってみて、実際にできるのか、効果はどうか、考古資料と同じモノと痕跡が残るのかなどを確認します。
実験考古学では、人がどう行動すれば(原因)、どのようなモノや痕跡を残すか(結果)、直接観察することができます。
くりかえし実験して同じ結果がえられると、その仮説の説得力は増します。
しかし、「できた」からそれを「していた」とはかぎりません。
実験で「できる」条件・環境がどれだけあるのか確認したうえで、「していた」ことにしぼり込む方法を考える必要があります。
また、「できなかった」ことは、その実験が失敗、むだと言うことにはなりません。
「できなかった」原因を知ることで仮説を修正し、実験をくり返すことが、仮説の「確からしさ」を高めていきます。
加曽利貝塚博物館は、その開設当時からこの実験考古学に取り組んできました。
特に縄文土器の研究における土器をつくる、使う実験では先駆的と評価されています。
このことも特別史跡加曽利貝塚の価値のひとつです。

実験考古学の成果の一部は、「土器をつくる」の展示でご覧いただけます。
モノや痕跡から行為・行動(コト)を再現・復元するための方法、「歴史考古学」。
文字記録(文献)に残っており、だれがなにをしたのか、過去のできごとがあらかじめわかっている場所を発掘調査することによって、人の行為・行動がどのようにモノ・痕跡として残るのか、たどってみる方法です。
なお、考古学では、文字のない時代を研究対象とする「先史考古学」、文字記録のある時代を研究対象とする「歴史考古学」に区分されることがあります。さらに、その中間に文字があらわれる過渡期を「原史」とする区分もあります。
その区分によると、日本考古学では、文字記録のない弥生時代以前が「先史」、文字・文字記録があらわれる古墳時代が「原史」、飛鳥時代以後が「歴史」になります。
ちなみに、弥生時代はビミョー・・・今後、文字を使っていたことが確認されるかも?
はなしをもどしましょう。
この方法は「歴史考古学」に含まれます。ただし、日本の考古学でいう「歴史考古学」とは性格がちがいます。
前者はモノと人の行為・行動、文化・社会の関係を、後者は文献記録のある時代の歴史の再構成におもな関心を向けています。
ビンフォードさんが、モノと人の行為・行動をつなぐ方法として「歴史考古学」をあげた背景には、アメリカの考古学事情があるものと思われます。
アメリカでは、「歴史時代」はコロンブスのアメリカ大陸到達(1492年)以後。
そのため、アメリカの「歴史考古学」では、多くの文字記録が残されているできごとを、モノ・痕跡から検証することができます。

最近、「原史」は耳にしなくなった?
5月23日からの続きです。
「確からしい」「もっともらしい」と判断すること、「常識」とする知識の源は、自分で見て、聞いて、体験したことにはじまり、人から聞いたり、本で読んだり、テレビやインターネットで見たり・・・意識する、しないを問わず、さまざまです。
「確からしい」「もっともらしい」判断には、根拠はあります。しかし、このようなさまざまな情報・知識が複雑にからみ合っているため、根拠とされる情報・知識が明示されにくく、正確さのレベルもちがう情報が混じりあい、同じ体験や情報、価値観などを共有していない人から(チコちゃん風に)「なんで?」と聞かれた時、「・・・」となることがあります(大竹まことさんをイメージしてみました)。
それでは、モノと人の行為・行動の関係を、だれもが「そうだね」と理解できるよう説明する方法はあるのでしょうか?アメリカの考古学・人類学研究者、ルイス・ビンフォードさんは3つの方法をあげています。それは、「歴史考古学」「実験考古学」「民族考古学」です。

昨年度からの再登場・・・「確からしさ」のタネ

私は、どちらかといえばこっち
我が国から世界文化遺産に推薦された「北海道・北東北の縄文遺跡群」について,ユネスコ世界遺産委員会の諮問機関・イコモスは、世界遺産への登録が適当と勧告しました。
今後、7月に開催予定の世界遺産委員会において、世界遺産一覧表への記載の可否が決定されます。
すでにお知らせしたところですが、「北海道・北東北の縄文遺跡群」の世界遺産登録の機運を盛りあげるため、千葉市においても現在、下記のとおり「北海道・北東北の縄文遺跡群」を構成する史跡を紹介する場を設けています。ぜひこの機会に世界遺産登録に大きく近づいた「北海道・北東北の縄文遺跡群」への理解を深めていただければと思います。
千葉そごう「目指せ世界遺産!北海道・北東北の縄文遺跡群」5月30日まで(会期あとわずか!)
千葉市生涯学習センター「縄文ムラの原風景」6月27日まで
千葉市立加曽利貝塚博物館「縄文ムラの原風景-千葉市内の縄文遺跡-」7月4日まで
※各施設の開館・営業日及び時間等の詳細については、各施設ホームページにてご確認ください。

史跡御所野遺跡(一戸町教育委員会提供)

千葉市生涯学習センター「縄文ムラの原風景」展
ちょっと中断してしまいましたが、まだまだ「考古学って、なに?」は続きます。
はなしをパンアメリカン103便墜落事件にもどしましょう。どうなると破片がこのように散らばるのか、どうするとこのような機体のこわれ方や変形がおこるのか、どうすればスーツケースはこげるのかなど、あらかじめわかっているからこそ、爆発・爆破という原因にたどり着くことができました。つまり、モノや痕跡からできごと、行為・行動を再現・復元するには、どうすればそのようなモノや痕跡が残るのか、互いに結びつけるための情報・知識が必要です。
その知識・情報の代表格は、直接的・間接的な体験をたばね、編んだようなもので、他者と共有される(と信じる)知識です。このような知識・情報による判断は、「確からしい」「もっともらしい」または「常識」と呼ばれ、「こうだからこうなる」「こうするとこうなる」といえば、他者から「そうだよね」と同意されます。このようなさまざまな知識を総合して「常識的に判断する」能力をもつことは、ホモ・サピエンスの大きな特徴とも言われます。

なにをすれば、このようなモノ・痕跡はのこるのでしょうか?
前回、さわりだけご案内しました当館の「縄文ムラの原風景-千葉市内の縄文遺跡-」展。加曽利貝塚と同じく、縄文時代中期の集落遺跡の史跡である岩手県御所野(ごしょの)遺跡を紹介する千葉市生涯学習センター「縄文ムラの原風景」パネル展にあわせて、千葉市に所在する同時代の遺跡を紹介します。ここでは、沢ノ台(さわのだい)遺跡出土ヒスイ大珠(たいしゅ)や愛生(あいおい)遺跡の柄鏡形(えかがみがた)住居跡出土の加曽利E4.式土器のほか、荒屋敷(あらやしき)貝塚・月ノ木(つきのき)貝塚の出土品などを展示しています。地味ですが、荒屋敷貝塚で確認されたマメ科植物の種子の痕跡のある土器片も注目!当館・千葉市生涯学習センターの展示をとおして、縄文時代中期のくらしへの関心を高めていただければ幸いです。
なお、千葉市生涯学習センターのパネル展示について、前回(5月18日)に会期を6月20日までとしましたが、正しくは6月27日までです。訂正してお詫び申し上げます。
会期のご案内(各展示の会期は異なりますのでご注意ください)
千葉市立加曽利貝塚博物館「縄文ムラの原風景-千葉市内の縄文遺跡-」7月4日まで
千葉市生涯学習センター「縄文ムラの原風景」6月27日まで
千葉そごう「目指せ世界遺産!北海道・北東北の縄文遺跡群」5月30日まで
※各施設の開館・営業日及び時間等の詳細については、各施設ホームページにてご確認ください。

史跡御所野遺跡(一戸町教育委員会提供)

特別史跡加曾利貝塚

当館「縄文ムラの原風景-千葉市内の縄文遺跡-」展
5月18日から6月20日までの会期で、千葉市生涯学習センター1階アナトリウムを会場に「縄文ムラの原風景」を開催します。
北海道、青森県、岩手県及び秋田県では、加曽利貝塚と同じ特別史跡の三内丸山遺跡のほか、16の縄文時代遺跡が史跡に指定さています。これら17の特別史跡・史跡は、「北海道・北東北の縄文遺跡群」として、ユネスコの世界遺産登録に推薦されました。
本展示は、その遺跡群のひとつ、岩手県一戸町に所在する史跡、御所野遺跡を紹介するパネル展示です。御所野遺跡は約5千年前から約800年続いた集落遺跡です。その発掘調査の成果は、縄文時代集落研究に新たな知見をもたらし、当時のくらしをいきいきと再現することができました。
この機会に「北海道・北東北の縄文遺跡群」への理解を深めていただき、世界遺産登録を応援しましょう!
また、本展示とともに、千葉そごう6階催事場で「目指せ世界遺産!北海道・北東北の縄文遺跡群」パネル展を開催しています。本展のもうひとつの注目は、戸村正己さん(千葉市埋蔵文化財センター)による北海道・東北地方の縄文時代遺跡から出土した縄文土器・土製品をモデルとした作品群です。生涯学習センターの展示とあわせて、みなさまを縄文時代の世界へといざないます。千葉そごうの展示は、5月30日まで。
なお、当館ではこれら展示に呼応して、5月18日から7月4日までの会期で、御所野遺跡と同時期の千葉市内の遺跡を紹介する「縄文ムラの原風景-千葉市内の縄文遺跡-」を開催しています。こちらの詳細は次で!

千葉市生涯学習センター「縄文ムラの原風景」展


千葉そごう「目指せ世界遺産!北海道・北東北の縄文遺跡群」展
ここでハラリさんに反論させてください。確かに考古学研究では、遺跡に残るモノ、遺跡で見つかるモノでその時代、文化のイメージをつくりあげてきました。しかし、今日の考古学は、研究対象とするモノを幅広くとらえ、それらの中からさまざまな痕跡を見つけだすことで、失われたモノ、新たなモノの存在を明らかにし、人類史・文化像をより具体的なものへと書きかえています。残されたものから残らないモノ、残りにくいモノの存在をどのようにあぶりだしていくのか、これも考古学の重要な研究テーマです。そのために考古学は、自然科学を含めた他の研究分野とも協力しています。さまざまな学問領域と関係をもって研究できることも、考古学の大きな特徴と言えるでしょう。
15ヘクタールに及ぶ加曽利貝塚は、これまで約8%が発掘調査されています。その8%で見つかったモノ・痕跡の一部は、加曽利貝塚博物館でご覧いただけます。そして、館外に広がる手つかずの92%には、未知のさまざまなモノと痕跡が将来の研究のために残されています。そのこともまた、加曽利貝塚の価値のひとつです。

新たなモノ、痕跡をもとめて、今年も南貝塚の発掘調査を実施する予定です。
しかし、ことばのように残らないモノ、時間の経過とともに残りにくくなるモノ、失われるモノもあります。刑事ドラマで聞いたことありませんか?主人公に無理やり事件現場に連れだされた鑑識官のセリフ、「時間がたっているので、新しい証拠が出るかはむずかしいと思いますが・・・」(六角精児さんをイメージしてみました)。
あのベストセラー作品『サピエンス全史』で、著者のユヴァル・ノア・ハラリさんは、木や竹、革など、時間の経過とともに腐ってなくなりやすい材料の道具を使っていたはずなのに、残りやすい石器や骨だけで「石器時代」がイメージされてきたとして、「現代まで残った人工物を手掛かりに、古代の狩猟採集民の暮らしを再現しようとする試みはどんなものであれ、はなはだ問題が多い」(柴田裕之訳2016)とかなり手きびしく考古学を評価しています。

3千年後も残るものは?
アメリカの経済学者、ケネス・E・ボールディングさんは、生産活動の基本要素を「ノウハウ」「エネルギー」「物質」としました(猪木武徳ほか訳『社会進化の経済学』1987)。これは人の営み、人の行動全般に当てはまることです。近年、考古学・歴史学などさまざまな分野でも「人、モノ、コト(あるいは情報)」などのキーワードが使われています。ちなみにボールディングさんも「人」を入れるか迷ったようですが、「人」は「ノウハウ」を保持するものであり、それを実行する「エネルギー」であり、そして身体としての「物質」でもあるとして、「人」もまた、この3要素の組み合わせであると位置づけています。
くり返しになりますが、私たちは常にモノとかかわり、生きていると言っても過言ではありません。そのため、考古学が扱うモノの範囲も、大きく広がっていく可能性をもっています。考古学の研究対象とするモノやその考え方は、私たちの身近にあるものなのです。

「人」は「ノウハウ」であり「エネルギー」であり、空間を占有する「物質」。
発掘調査もまた、遺跡という現場から人の活動に関係するモノを探しだし、それが残された場所・状態を記録し、採取・回収し、観察し、お互いの関係を分析し、その結果を文字・図・写真で記述し、記録します。この記録が発掘調査報告書です。
このように残されたモノ・痕跡からそこでなにが行われたのかを再現・復元する、それが考古学の基本です。人はモノに囲まれ、モノとかかわって生きています。モノと人のかかわりといえば、道具や衣服、家屋などがイメージしやすいのですが、たとえば「ことば」はどうでしょうか。人体の声帯という器官(モノ)を使って空気(モノ)を振動させ、鼓膜(モノ)で感知する、やはりモノがかかわっています。このように人はかならずと言ってよいほどモノとかかわって生きています。

出土したモノはその場所に残して・・・

出土した状態を記録します。

過去の調査成果を現在の視点で記録しなおした総括報告書。
パンアメリカン103便墜落の調査は、墜落した航空機の破片を徹底的に回収することからはじまりました。この時、最初に行われたことは、機体のどの破片がどこで回収されたのか記録をとることでした。そうすると、かなり広い範囲で破片が散らばっていることがわかりました。これは高高度で航空機の機体が破裂、空中分解したことを示しています。
続いて、回収した破片を本来の航空機にあわせて組み立てます。すると特に破損がひどく、失われた部分がありました。それが貨物室でした。さらにその貨物室の破片には強い圧力が加わって変形したものがみつかります。これによって、貨物室が何らかの圧力によって破損・破裂した可能性がでてきました。そこで回収された荷物を調べると、こげたスーツケースやタイマーがみつかり、さらにそれを分析すると爆発物の成分が・・・
これによってパンアメリカン103便は、爆破されて墜落したことが判明しました。9千mの上空で誰も見ていない出来事を、残されたモノと痕跡から再現したのです。さらにスーツケースに残された繊維片からある服が特定され、その流通経路をたどることで、爆発物がどのように機内に持ちこまれたのか、犯人の行動までせまっていきます。

一般的に「考古学」と聞くと、「スコップや竹べらで土器や石器を掘り出している」と言われるように、考古学イコール発掘調査のイメージが強いかもしれません。
この発掘調査の方法・考え方については、事故・事件の現場で警察が行う現場検証を例にして説明されることがあります。
現場検証では、現場に残された遺留品や痕跡などを採取・記録し、その場所で何が起きたのか再現・復元します。テレビの刑事ドラマやサスペンス劇場でおなじみの場面ですね。最近は現場検証を行う鑑識官を主人公にしたシリーズも人気です。
少し長くなりますが、ここからは現場検証の実例を紹介してみましょう。それは1988年にイギリスで起きたパンアメリカン103便墜落事件です。
アメリカに向かうため、ロンドンを飛び立ったパンアメリカン103便は、40分後、スコットランドで墜落します。これは事故か、事件なのか?上空9千mに目撃者はいません。それを確かめるため、調査、現場検証が行われます。


千葉市生涯学習センターの1階アナトリウムで開催中の「ちばが学べる施設紹介」(会期4月29日(木曜日)まで)で、特別史跡加曽利貝塚を紹介しています。千葉市内に所在する博物館・美術館・図書館等が一堂に会して、それぞれの施設がやっていること、できることをアピールしていますので、お近くにお越しの際は、ぜひ、お立ち寄りください。これからも他の施設の皆さんに負けず、加曽利貝塚博物館をアピールしていきたいと思います。


考古学のもつさまざまな魅力をお伝えする「館長日記」、今年度は硬いあいさつからはじめてみました。
これからはこういう路線で行くの?と心配されている方もいらっしゃるかもしれませんが、引き続き「考古学とは何か」「考古学はどう考えるのか」について、加曽利貝塚を通して皆さまとともに考えていきたいと思います。
さて、言うまでもなく、ここ加曽利貝塚は特別史跡です。
文化財保護法では、貝塚や古墳など「我が国にとつて歴史上又は学術上価値の高い」遺跡のうち、重要なものを史跡、そして、史跡のなかでも「特に重要なもの」を特別史跡に指定することができるとされています。加曽利貝塚は、昭和46年(1971)の北貝塚の史跡指定にはじまり、平成29年(2017)には特別史跡に指定されました。
では、加曽利貝塚の何が「特に重要なもの」とされているのか?
日本で最大級の貝塚を伴う縄文時代集落遺跡であること、市民による文化財保護活動、先駆的な遺跡整備と活用手法、そして、日本における近代考古学研究の発展への寄与があげられます。
これらの指定理由を意識して加曽利貝塚を見ていくと、縄文時代研究のみならず、(チコちゃん風に)「考古学って、なに?」を考えるうえで格好の場所であることがわかるかと思います。縄文時代に限らず、考古学に関心があるという方々もぜひ、加曽利貝塚博物館にお越しください。

令和3年(2021)4月に館長に着任しました。
着任にあたり御挨拶申し上げます。
千葉市立加曽利貝塚博物館は、昭和41年(1966)に加曽利貝塚を中心とする縄文時代の調査・研究と、その成果の公開・普及を目的に設置されました。約15haの敷地内には、加曽利貝塚への理解を深めるため、貝層断面観覧施設・竪穴住居跡群観覧施設・復元集落(復元竪穴住居)が整備され、縄文時代の景観再現を試みた植栽を含め、縄文時代を体感することのできる博物館です。そして、加曽利貝塚は日本最大級の規模を誇る貝塚であることに加え、先駆的な遺跡の保存・整備・活用の取組みが再評価され、平成29年(2017)、特別史跡に指定されました。
ただし、残念なことですが、現在、新型コロナウイルス感染症拡大予防のため、当館における施設利用や教育・普及活動に制約を設けざるを得ない状況が続いており、利用者の皆さまには御不便をおかけしております。その中にあっても、皆様には特別史跡加曽利貝塚の魅力に触れていただけるよう努めてまいります
これからも安心・安全な博物館運営を心がけながら、特別史跡加曽利貝塚の価値を高めるよう取り組んでまいります。職員一同、皆さまの御来館をお待ち申し上げます。
このページの情報発信元
教育委員会事務局生涯学習部文化財課加曽利貝塚博物館
千葉市若葉区桜木8丁目33番1号
電話:043-231-0129
ファックス:043-231-4986
より良いウェブサイトにするためにみなさまのご意見をお聞かせください